avatar_mr.Dream

Программируемая BMS от mr.Dream [процесс изготовления]

Автор mr.Dream, 19 Фев. 2016 в 14:43

« назад - далее »

0 Пользователи и 1 гость просматривают эту тему.

FobOrgan

Цитата: mr.Dream от 20 Нояб. 2016 в 19:44
Общее число SMD-элементов платы составляет 302 единицы))) без учета разьемов и полевых транзисторов.

А сколько точно точек пайки смд и ручной?
Езжу на 2хQ100/1200Вт/14Sx18Ач Li-ion уже 33300км за 9 лет

mr.Dream

#163
Цитата: FobOrgan от 21 Нояб. 2016 в 12:42
А сколько точно точек пайки смд и ручной?
Можно считать, что вся пайка ручная и вся смд :) то есть, поверхностная. ЧТо имеете ввиду - точек? Количество выводов елементов? В резистора два, в транзистора три, в МК 8. :) но меня это никогда не итересовало))

ради интереса посчитал - 813 точек  :)

dimaxa

Да, интересная тема  :wow:. Почитал и вот думаю, тоже на МК замутить или всё таки сделать на KIA 70хх, так как уже заказаны и едут. :bw:

FobOrgan

Цитата: mr.Dream от 21 Нояб. 2016 в 13:45
Можно считать, что вся пайка ручная и вся смд :) то есть, поверхностная. ЧТо имеете ввиду - точек? Количество выводов елементов? В резистора два, в транзистора три, в МК 8. :) но меня это никогда не итересовало))
ради интереса посчитал - 813 точек  :)
Да просто интересно стало как вы их паяете, точек пайки то дофина. Руками? Своими?? Или как то в печке запекаете или на заказ?
Я вот даже не мечтают сделать свою бмс, слишком много пайки. Лучше уж вашу куплю когда понадобится.
Езжу на 2хQ100/1200Вт/14Sx18Ач Li-ion уже 33300км за 9 лет

dimaxa

Когда человек в ударе, количество паек не замечается, во время пайки смотришь на заполнение платы детальками и радуешься. делал бегущую строку 15х80 светодиодов в корпусе 0805. Первый день паял матрицу, второй день остальное.

acyd

залудил, флюсом намазал, детальки расставил и прогрел прожектором  :eureka:

FobOrgan

Цитата: acyd от 06 Дек. 2016 в 15:53
залудил, флюсом намазал, детальки расставил и прогрел прожектором  :eureka:
да последнее разумное что видел из электрогриля делают типа с соблюдением температуры от времени. Просто когда перед тобой 10-20 таких плат, то времени начинает уходить много.
Езжу на 2хQ100/1200Вт/14Sx18Ач Li-ion уже 33300км за 9 лет

mr.Dream

Цитата: FobOrgan от 06 Дек. 2016 в 14:17
Да просто интересно стало как вы их паяете, точек пайки то дофина. Руками? Своими??
Да, своими :) Паяю по технологии. Через трафарет наношу пальяную пасту с серебром в места пайки. Расставляю детали на пасту вакуумным пинцетом. Прогреваю феном.
Лудить детали и пать паяльником нельзя - деталь будет нагрета больше платы, расширится, при остывании сузится и наступит напряжение в месте пайки. От вибраций и времени может разрушиться, например, металлизация выводов конденсаторов и резисторов. Если много деталей так напаять, то аж плату выгибает от напряжений :)

clawham

Могу подсказать как организовать связь всех тинек друг с другом! потребление тока в активном состоянии - не более 50 микроампер :) правда скорость маленькая но так там быстрее и не надо! К Каждой тиньке добавится 2 резистора и один биполярник. Без оптопар :)
1)8FUN SWXK 250w24V@17A48V 13S4P LGD1, China kontr
3)MXUS 3000 @90A80V LiFePo 20Ah 25S, Nucular 12F
Telegram @clawham

mr.Dream

[user]clawham[/user], а для чего это нужно? Для передачи данных на какой то ЦП по однопроводному каналу? Интересно, конечно. Но для чего их связывать? Потребление тока мизерное это хорошо, но не есть первой необходимостю, так как батки у нас большие :) и заряжаются часто. Вот у меня в фонарике рабочем налобном контроллер на тиньке стоит, поставил вместо вышедшего из строя родного. Все никак не разрядит 2-амперную баночку :) То есть я раз в месяц заряжаю по необходимости, ибо пользуюсь. Ну а на 20-30Ач батку там можно так не беспокоится.
Я вот в голове вынашиваю идею смарт-бмс. Только еще не определелился с алгоритмом измерения напряжения ячеек. Понятно, оно будет псевдо-дифференциальным. То есть от ячейки повыше отнимается напряжение ячейки пониже относительно общего минуса. Только вот как быть с переменной нагрузкой на батарею, от ШИМ например, в пределах одного цикла измерений? В данной версии идет независимое измерение каждого канала. А вот с одним АЦП и мультиплексором или сдвиговым регистром+транзисторами. Еще мучает вопрос целесообразности применения 24-битного АЦП для тензодатчиков с внутренним дифусилителем и КУ 32/64/218.  Где то читал, что с него можно реально 20 бит без биения получить. Только вот скорость 10 выборок в секунду не радует. Сигма-дельта АЦП.

i

Цитата: clawham от 07 Дек. 2016 в 15:35
Могу подсказать как организовать связь всех тинек друг с другом! потребление тока в активном состоянии - не более 50 микроампер :) правда скорость маленькая но так там быстрее и не надо! К Каждой тиньке добавится 2 резистора и один биполярник. Без оптопар :)
А мне подскажите?

ajsn

Цитата: mr.Dream от 07 Дек. 2016 в 16:09
[user]clawham[/user] Только еще не определелился с алгоритмом измерения напряжения ячеек. Понятно, оно будет псевдо-дифференциальным. То есть от ячейки повыше отнимается напряжение ячейки пониже относительно общего минуса.
так плохо ИМХО
сколько ног МК надо потратить на это? получается батарея резко ограничена количеством ног МК, а ставить мультиплексор как=то не гламурно
кроме того резко падает разрешение измерений
одноканальная общая шина с аналогом однопроводного протокола и дешевые оптопары для развязки - это кажется правильно было бы
я так делаю
и огромные преимущества от отслеживания и контроля всей батареи в целом, и каждой последовательной серии, и инфа о состоянии каждой ячейки

mr.Dream

[user]ajsn[/user], ну, как бы в МК и так стоит один АЦП и мультиплексор на n каналов измерений :) Да, разрешение падает, но нужна ли такая точность? Возьмем "народный" ads1115, в недиф режиме имеет 15 бит и неплохую стабильность младшего бита. На 24 канала такой будет иметь разрешение для ли-ион 4,20*24/215=0,00308В. То есть 3 миливольта всего. Зачем больше?
Блин, нашел вчера случайно специализированную микросхему, имеет мультиплексор 32 канала дифференциальных (!) и ацп 12 бит. То есть каждая ячейка измеряется напрямую через диференциальный усь с единичным усилением напрямую на АЦП. А не как в "классической" схеме - сначала делитель, а потом мультиплексор. Но стоит такое удовольствие порядка 80 бакинских комисаров, что неоправдано дорого для народных нужд. Ей еще нужен камень для управления. Ну и остальная обвязка. Только питание у нее свое. Сегодня полдня ее искал - не нашел)

clawham

Связь можно использовать для синхронизации работы балансиров - не по уровню аки стабилитрон работать а по арзбегу между батареями.
Ну и считывать напруги на кпк/андроиде или настраивать пороги. Плюсом можно избавиться от всех оптопар.

А почему Вы не рассматриваете специализированные микросхемы? Есть просто супермикросхемы со встроенным АЦП комутатором, опорой и даже системой перенова уровней для стекования в бесконечную линейку. Пытаться уменьшить напряжение резисторами не даст точности никогда - будете мерять погрешности резисторов. На текущий момент самое реальное - это система переноса потенциала на плавающем конденсаторе.
1)8FUN SWXK 250w24V@17A48V 13S4P LGD1, China kontr
3)MXUS 3000 @90A80V LiFePo 20Ah 25S, Nucular 12F
Telegram @clawham

dimaxa

Для замера напряжения поэлементно, можно сделать как зарядке аймакс, на один АКБ устанавливается 1 операционник, там стоит счетверённый. дифференциальным методом происходит вычет напряжений нижестоящих в цепочке. дальше мультиплексор и МК.

Собираю сейчас батарею 5S2P из лиферов 12А*ч. Напряжения для замеров буду делать как в аймаксе.

clawham

Дифоперационники всем хороши кроме одного - нужны просто ахрененно прецизионные резисторы.

Иначе вместо напруги батареи будете мерять разницу этих резисторов.

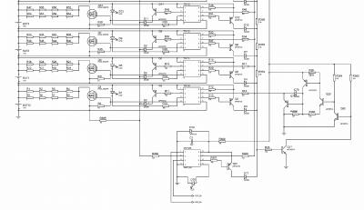
Вот обещал - выкладываю мой вариант с обменом данными между мк.
Процы тиньки 25.
Номиналы биполярников не смотрите - просто принципиальная схема - номиналы не проверялись в железе.

Спойлер

1)8FUN SWXK 250w24V@17A48V 13S4P LGD1, China kontr
3)MXUS 3000 @90A80V LiFePo 20Ah 25S, Nucular 12F
Telegram @clawham

dimaxa

Q18, 19, 20 я бы поставил полевые, на затвор стабилитрон для защиты. А на биполярниках полагаю будут проблемы с включеним от первых элементов снизу, потенциал маленький.

clawham

#179
Это непринципиально ) конечно полевик + стабилитрон и можно до 10 мегаом задрать резисторы на линиях монтажного или :) НО а проверял подобную систему на своих платках - абсолютно нормально работает от 3-х вольт и выше. Главное биполярник взять чувствительный или вообще германиевый. у них 0.2 вольта падение на переходе - очень приятно. Это уже вопрос цены и доступности компонента. по хорошему можно резисторы в базу вынести к каждому процу последовательно с диодом развязывающим. Тогда нижним можно резистор 10 кил сделать а начиная с 3-5 проца - уже 100 кил общий резюк на линию поставить. в общем не вижу проблем :) Все - особенности реализации. Пайки возможно и больше будет но помоему оптопары тоже надо паять и под ними тоже есть резюков. а главное оптопары стоят дорого.

Минусом всей этой системы является инверсность разрешений - тоесть когда любой из процев хочет запретить разряд - он поднимает от земли линию. если разряд разрешен - то линия на земле должна быть - это неправильно. Но я не придумал простого и малодетального монтажного И с переносом уровней. Впрочем это решается програмно - каждая тинька знает сколько у неё должно быть соседей и если хоть одна тинька осталась жива а остальные уже без питания - она и запретит разряд. Вопрос сугубо реализации протокола. Можно на вкл-выкл заряд/разряд поставить свой отдельный проц который будет опрашивать каждую тиньку и принимать решение. тогда две линии с монтажным ИЛИ будут не нужны - деталей вообще становится неприлично мало :) Ну и все тиньки будут с одной прошивкой а все пороги и логика работы балансировки и т.д. будет заложена в том отдельном проце. вполне вероятно что тоже тинька. :)

Вот пример последних моих изысканий

1)8FUN SWXK 250w24V@17A48V 13S4P LGD1, China kontr
3)MXUS 3000 @90A80V LiFePo 20Ah 25S, Nucular 12F
Telegram @clawham