avatar_mr.Dream

Программируемая BMS от mr.Dream [процесс изготовления]

Автор mr.Dream, 19 Фев. 2016 в 14:43

« назад - далее »

0 Пользователи и 1 гость просматривают эту тему.

i

Цитата: clawham от 09 Дек. 2016 в 09:50
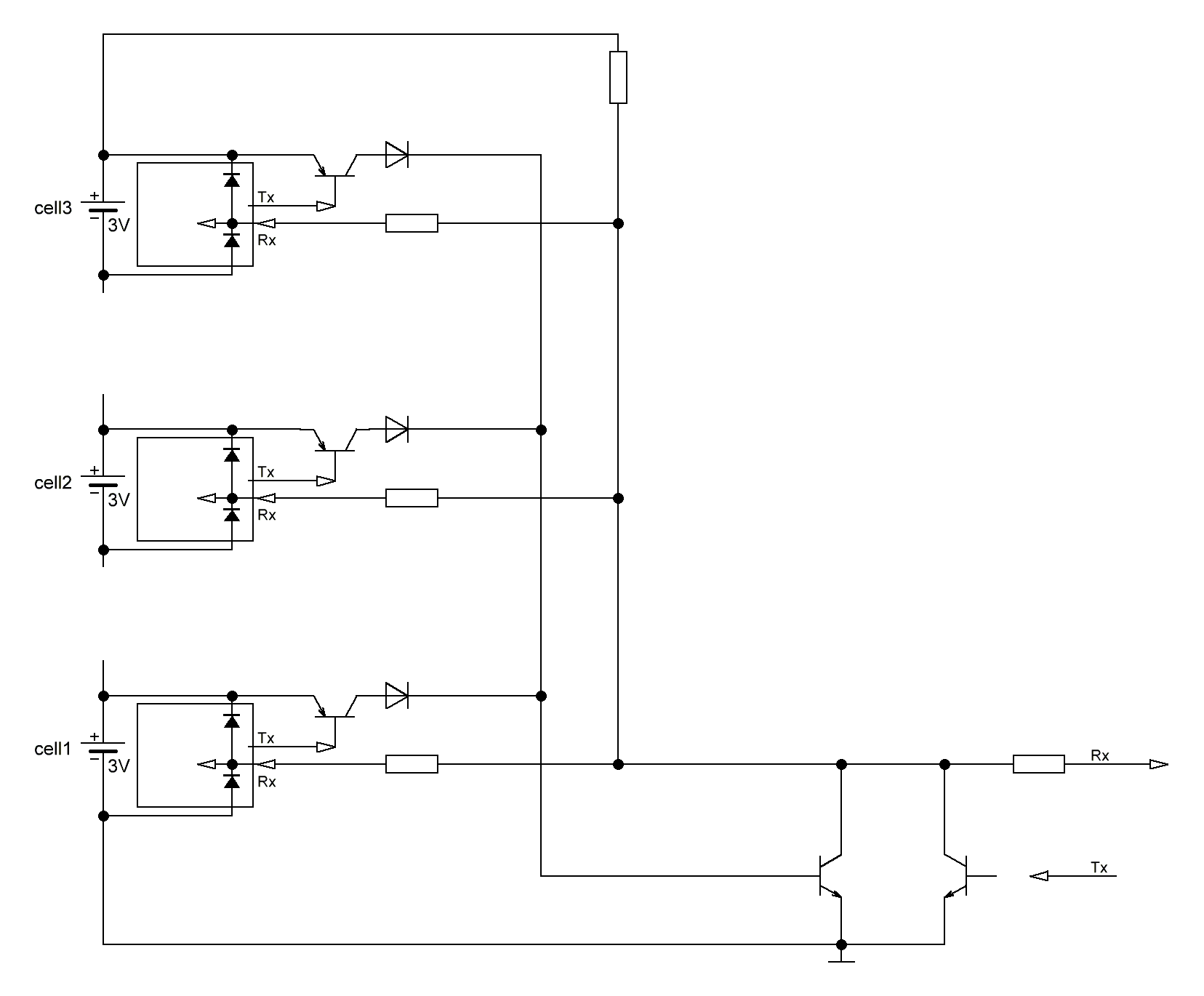
Вот обещал - выкладываю мой вариант с обменом данными между мк.
Процы тиньки 25.
Перерисовал попроще, что бы разобраться.

Теоретически работать будет, но из-за высокоомных цепей и микротоков будет чувствительна к помехам. Кроме того, самый верхний проц, будет иметь приоритет на передачу, когда он откроет рот (диод), все остальные заткнутся.
Транзисторы в процессорных модулях можно убрать, а диод подключить напрямую в тиньке, она до 20ма тянуть может.
Если есть цифровая линия связи, то остальные линии лишние (а управление контакторами заряда разряда можно поручить одному и процев, у их ноги освободились).
Например так:


i

UPD:
Транзисторы в цепи диода выкидывать нельзя (забыл про защитные диоды на выходе тинек), так как они тоже должны быть высоковольтные и "малотекучими".
В последней схеме (без транзистора), нижний транзистор будет всегда открыт и никакой связи не будет. :-(
В общем, простота схемы компенсируется сложностью заставить ее работать.... она и на влажность отреагирует.

clawham

ну впринципе да на то и расчет что в тиньке диоды.
а резюк подтяжки вверх нельзя ставить - проверял - зараза не годится никак  - много паралельных резюков получается ему надо пересилить - пришлось собрать аналог драйвера для фетов только на полное напряжение батареи. тогда пошло как по маслу. ну и КПД неплохой получился.

По поводу помех конечно же да! :) но я ж вумный - у меня ж дополнительный отдельный проц занимается опросом. у меня один мастер и все остальные слейвы. все слушают. а мастер по очереди опрашивает каждый проц и дает ему указание балансить или нет. естественно есть таймауты и ретрансляции и CRC :) Конечно ошибки бывают но в реальном макете у меня 10 мегаом запаяны и процент потерь около 1% . ито это потому что реализация последовательного интерфейса программная и корявая ибо из экономии энергии процы на 128 килогерцах работают :) мееедлеееенннноооо.... скорость то всего 960 БИТ в секунду. И оказалось сильно влияет флюс - пришлось ооочень тщательно промывать плату. Но при желании ж можно по 500 килоом поставить в ногу тиньки и тогда на линии будет больше ток и как следствие намного выше помехоустойчивость. а вообще в новой схеме я хотел сделать одну независимую аппаратную линию запрета - тоесть чтоб каждая из баночных тинет могла аварийно прекратить зарят и разряд и общего проца чтоб пробудить могла - тогда скорость опроса получается тоже не особо важна - раза в минуту бы хватило проверить не умерла ни какая банка в ноль вообще.
1)8FUN SWXK 250w24V@17A48V 13S4P LGD1, China kontr
3)MXUS 3000 @90A80V LiFePo 20Ah 25S, Nucular 12F
Telegram @clawham

i

Потом можно перейти на нормальные цифровые изоляторы.
SI8621AB-B-IS  Цифровой изолятор, 2 канала, 35 нс, 2.5 В, 5.5 В
Цена немного больше (почти как на оптопарах), но проблем гораздо меньше.

clawham

Вот вечно вы [user]i[/user], все портите ? :) а я то и не знал что такие есть изоляторы...только вы посмотрите сколько но жрет и сразу желание пропадет
Ultra low power (typical)
5 V Operation
1.6 mA per channel at 1 Mbps
2.5 V Operation
1.5 mA per channel at 1 Mbps
1)8FUN SWXK 250w24V@17A48V 13S4P LGD1, China kontr
3)MXUS 3000 @90A80V LiFePo 20Ah 25S, Nucular 12F
Telegram @clawham

i

Ну извините, что вижу - то пою.  :exactly:
Модуль контроля ячеек, разработанный мной в рамках коммерческого проекта, потребляет в спящем режиме 0,5мкА. И это не смотря на наличие в нем 7-ми микросхем, одна из которых Si8641EC (4 канала). Для достижения такого потребления я тупо отключаю лишних потребителей P-канальным ключом (IRLM2246). Для побудки использую оптрон, так как он ничего не потребляет в режиме ожидания.

В открытом проекте "Энергоблок", я сейчас использую схему на оптронах именно из-за нулевого потребления в неактивном режиме и из-за того, что она работает от 2-х вольт примерно.


Серж

[user]mr.Dream[/user], Приветствую ! интересует Ваша готовая плата BMS под Li-ion  12s - 55x72 стоимость+стоимость пересылка Россия 188300 , почта k.sergei.62@mail.ru 

mr.Dream

[user]Серж[/user], приветствую. Нужно было обратиться в приват :) в последнее время не следил за темой.
Тема о продаже этой бмс: https://electrotransport.ru/index.php?topic=35853.0

И так, сегодня немного подпилил П/О микроконтроллеров, модернизировав. Теперь обрыв одного или нескольких балансирных проводов "внутри" шлейфа сообщит о критической ошибке и заблокирует ее работу до устранения обрыва. Не даст ни зарядить ни разрядить :) В обычных китайских БМС обрыв провода внутри шлейфа не даст о себе знать, и две смежные ячейки будут просто давать усредненное напряжение на два канала БМС, хоть на одной может быть на полвольта больше, а на второй  - на полвольта меньше. Здесь же обрыв между 2 и 3 ячейкой во время работы будет выглядить так :
http://www.youtube.com/watch?v=9GNr34qhY9A

Отсутствие контакта одного (третьего, к примеру) из балансирных проводов во время подключения вот так:
http://www.youtube.com/watch?v=WaUm658K3dY

Или даже двух )))))))
http://www.youtube.com/watch?v=fCenssuf-H8

se80

Крайне рекомендую покупку у ТС-а. Оперативней изготовления и доставки в МСК просто нет. Даже внутри Москвы доставка медленней чем у ТС-а в МСК!

vova-4097

Сегодня собирал свой первый евел. Когда Впихнул аккумулятор в ящик заметил изменение свечения начали мерцать два светодиода O_O что такое  :bn: оказалось оторвал балансировочной провод от ячейки. А так бы и не знал :wow: 

Peresvet

Ребята , а у нас на форуме есть ещё кто-то кто занимается бмс ?
мне нужна бмс на лжф батарею 38120 - 12 ячеек 36v  10 ач , чтоб она влезла в короб для аккумулятора ,  лазил на лифорс ну чё толку если там надо паять самому , знать какие провода надо припаивать , потом как правильно подключать и отключать ,c  отключением и подключением ещё разберусь , а с пайкой  хрен его знает , ну в общем морока целая !

FobOrgan

Насколько знаю у Mr. Dream монополия на тему БМС тут.  :-D
А что мешает купить бмс на 10S на каком нибудь алиэкспрессе, паять  то всё равно придётся, сама к батарее не приделается.
Езжу на 2хQ100/1200Вт/14Sx18Ач Li-ion уже 33300км за 9 лет

Peresvet

щас у купца Кула спрошу , что да как ? !

DragonTM

Цитата: Peresvet от 12 Янв. 2018 в 11:17
Ребята , а у нас на форуме есть ещё кто-то кто занимается бмс ?
мне нужна бмс на лжф батарею 38120 - 12 ячеек 36v  10 ач , чтоб она влезла в короб для аккумулятора ,  лазил на лифорс ну чё толку если там надо паять самому , знать какие провода надо припаивать , потом как правильно подключать и отключать ,c  отключением и подключением ещё разберусь , а с пайкой  хрен его знает , ну в общем морока целая !
А чем вам эта не угодила? Размером?
Мои байки - https://electrotransport.ru/index.php?topic=35001.0
Новый проект электромотоцикла - https://electrotransport.ru/index.php?topic=51461.0

Peresvet


А чем вам эта не угодила? Размером?
[/quote]
а вы про какую , про ту которую продаёт mr . Dream ?

DragonTM

[user]Peresvet[/user], здесь другие не обсуждают -тема обозначена четко.
Мои байки - https://electrotransport.ru/index.php?topic=35001.0
Новый проект электромотоцикла - https://electrotransport.ru/index.php?topic=51461.0

Peresvet

сколько она будем мне стоить вместе с доставкой , и каковы её размеры ? :-)

DragonTM

[user]Peresvet[/user], размеры моей примерно 14х7 см с контактами, доставка была бесплатной, если акция не закончилась. Цены от количества ячеек зависят и есть в этой теме
https://electrotransport.ru/index.php?topic=35853.0
сейчас глянул, лифер только от 12S поддерживается, ли-йон от 10s.
Мои байки - https://electrotransport.ru/index.php?topic=35001.0
Новый проект электромотоцикла - https://electrotransport.ru/index.php?topic=51461.0