Моргалка на Attiny13

Автор UstAlexei, 19 Март 2016 в 20:22

« назад - далее »

0 Пользователи и 1 гость просматривают эту тему.

UstAlexei

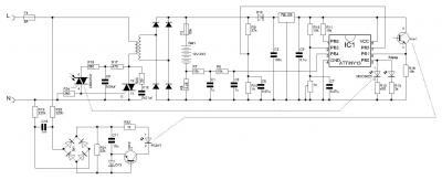
В продолжении темы модернизации трансформаторного ЗУ была разработана следующая схема

Преимущества данной схемы в том что она может быть внедрена в любое дедушкино зарядное устройство без изменения самого зарядного устройства, как отдельная плата. Вариант моей печатной платы во вложении, плата сделана таким образом чтобы минимизировать занимаемое пространство (радиатор симистора располагается параллельно самой плате). Фото сделаю чуть позже.
Единственное что бы я предложил поменять - изменить емкость конденсатора С11 с 10 мкФ на 4,7, либо на 1. Но обязательно со снятием осциллограммы работы датчика перехода через 0. В моем случае осциллограмма работы датчика следующая
Спойлер
и соответственно ширина сигнала управления 1,35мс. Задача уменьшить ширину сигнала в 3 раза. Хотя для моего применяемого трансформатора это не критично. Да! Прошивка здесь несколько отличается! выложу позже


Паяка

[user]UstAlexei[/user], пропускаете циклы, или режете синусоиду?
GT TF1 60V 20Ah Chilwee DZF

UstAlexei


Паяка

[user]UstAlexei[/user], тогда хорошо бы посмотреть осциллограмму напряжения на диоде силового моста. Сдаётся мне, что этим диодам снабберы напрашиваются.
GT TF1 60V 20Ah Chilwee DZF

UstAlexei

Можно подробнее откуда такое мнение? Ток прекращается в момент перехода через ноль, и при подаче не появляется скачком...

Ribbentrop

Цитата: UstAlexei от 16 Дек. 2018 в 13:21Ток прекращается в момент перехода через ноль, и при подаче не появляется скачком...
Т.е. железо транса нормально себя чувствует, не звенит?

UstAlexei

Звона не заметил. Без микроконтроллера, используя схему наподобие схемы диммера с DB3 не раз включали в аналогичных схемах регулирования тока заряда. Снабберы не применяли от слова совсем. Все ЗУ живые. Трансы работаю исправно.

SIV

Начал разводку платы под трансформаторное ЗУ
Кнструктивно переменный резистор задачи тока (1к0 на вторую ножку Attiny13) будет стоять на плате.
Вопрос - минимальный ток ЗУ будет при минимальном или максимальном сопротивлении резистора.

UstAlexei

[user]SIV[/user], При минимальном значении сопротивления - минимальный ток

S_Kov

Цитата: UstAlexei от 16 Дек. 2018 в 06:34В продолжении темы модернизации трансформаторного ЗУ была разработана следующая схема
Если можно, поясните для новичков.
Какой смысл залезать в первичку, если все то же самое, только проще, можно сделать, анализируя синусоиду на выходе вторички? И не надо городить огород с двумя оптическими каналами. Просто коммутировать мосфет, подключающий батарейку к выходу трансформатора  в момент перехода вторички через ноль.
Разве так не более естественно? И вопросов по сомнительному ключевания трансформатора по первичке не возникало бы в принципе.. Извиняюсь, если все это уже обсуждалось - но читать 50 страниц ветки нет сил..

Паяка

Цитата: UstAlexei от 16 Дек. 2018 в 13:21Ток прекращается в момент перехода через ноль, и при подаче не появляется скачком...
При подаче его рост сдерживается индуктивностью первичной обмотки, и эта индуктивность зависит от нагрузки на первичную обмотку. Нагрузка появляется не сразу, а начиная с открытия диодов прямым смещением. Чем больше нагрузка, тем ниже индуктивность...

Тиристорные диммеры перед стальными трансформаторами стараются не ставить, хотя они все закрываются в момент подхода тока к нулю, такова природа тиристора. Хорошо бы посмотреть осциллограммы.
GT TF1 60V 20Ah Chilwee DZF

Паяка

Цитата: S_Kov от 16 Дек. 2018 в 19:27Просто коммутировать мосфет, подключающий батарейку к выходу трансформатора  в момент перехода вторички через ноль.
У мосфета паразитный диод, мешающий строить управляемые выпрямители. Но можно включить в 2 плеча моста встречные пары мосфетов, а в 2 другие плеча диоды Шоттки, дабы сильно не морочиться. (Да хоть обычные диоды, только на них вдвое больше тепла будет рассеиваться). Либо экстремально проще: один единственный мосфет после диодного моста. И пропускать ненужные пары полуволн. Пары - обязательно, дабы не создать постоянное подмагничивание магнитопровода!

Спойлер
У меня сейчас катастрофическая нехватка времени, но управление трансформаторным выпрямителем - тема, очень интересующая. Добавить хотя бы плавную регулировку и стабилизацию тока дедовскому ЗУ - великое дело! :wow:  Появится время, нарисую и смакетирую игрушку.  :-)
GT TF1 60V 20Ah Chilwee DZF

S_Kov

Цитата: Паяка от 16 Дек. 2018 в 19:51Либо экстремально проще: один единственный мосфет после диодного моста. И
Разумеется, я об этом и писал в своем посте.

UstAlexei

Цитата: S_Kov от 16 Дек. 2018 в 19:27
Какой смысл залезать в первичку
Смысла большого может и нет, но данную схему делал исключительно для переделки рабочего ЗУ (ВСА-5К), поскольку периодически доблестные водители в нем сжигают напрочь все предохранители и ставят туда жучков в лучшем случае ( в худшем говорят что ничего не работает). Поскольку данное ЗУ могло заряжать сразу два АКБ (последовательно), то задача предо мной стояла следующая автоматом определить сколько акб подключено и начать заряжать то количество которое нужно, исключить вообще какие либо органы управления.
А переделывать что то во вторичке данного устройства не хотелось по простой причине что не я внедряю плату в ЗУ, а связисты... народ достаточно ленивый, а ходить и пинать их мне не хочется.
К тому же хотелось проверить в работе датчик перехода синусоиды через ноль, поскольку в различных прикладных задачах, возникает порой такая необходимость.
З.Ы. кто сомневается в работоспособности данного устройства прошу просто его не повторять. :-)
Завтра попрошу ленивых связистов снять осциллограммы со вторички трансфоматора, и с диодов.

Паяка

[user]UstAlexei[/user], не сомневаюсь, наоборот, интересуюсь. Тема очень живая.
GT TF1 60V 20Ah Chilwee DZF

S_Kov

Цитата: UstAlexei от 16 Дек. 2018 в 21:14А переделывать что то во вторичке данного устройства не хотелось по простой причине что не я внедряю плату в ЗУ,
Понятно. Да, внедряться в готовую схему бывает сложнее, чем разработать свою с нуля. Я посмотрел схему этого ЗУ - там фактически только трансформатор с переключаемыми обмотками.. Так а вы сейчас в зависимости от количества батарей меняете количество полупериодов синусоиды, которые пропускаете на батарею? Не будет плохо 12-ти вольтовой батарее от кратковременных амплитуд 35 вольт?

Паяка

[user]S_Kov[/user], полупериодов во вторичной цепи - это я предлагаю. Плохо не будет. Если есть желание сгладить, можно поставить после мосфета нижний ключ-диод и дроссель, как в buck. Но это, ПМСМ, излишество.  Сильное перенапряжение может быть только на патологически засульфатированной батарее, и пойдёт её десульфатации на пользу. А на нормальной будут незначительные колебания. Выходным "электролитом" послужит ёмкость двойного слоя.

А у ув. [user]UstAlexei[/user], микроконтроллером регулируется момент открытия симистора: раньше - больше ток, позже - меньше. А закрывается симистор в момент прохождения тока вблизи нуля, когда он становится ниже тока удержания. Детектор нуля нужен не для закрытия симистора, а для синхронизации управления от МК с фазой электросети. И это, (для тех, кто не в теме), детектор нуля напряжения, а не тока.
GT TF1 60V 20Ah Chilwee DZF

UstAlexei

Сняли осциллограммы






Добавлено 17 Дек. 2018 в 06:56


д