avatar_alex286

Маршрутный компьютер для электровелосипеда

Автор alex286, 19 Авг. 2016 в 07:52

« назад - далее »

0 Пользователи и 1 гость просматривают эту тему.

nefedot

Да все там понятно. Я взял печатку и чуть подправил. Работает. Ничего мудрить не нужно, но есть проблема - у автора акк. на 48 вольт и потому показывать расход батареи если у тебя вел. на 36 вольт не будет ВООБЩЕ. Вот у меня 36/500 все показывает кроме расхода э.э.

nefedot

А самое главное при настройке провод от шунта к +Ш должен быть тот который будет у вас в жгуте т.е. той же длины и сечения и R13 лучше составить из подстроечника 5кОм и последовательно с ним 16 кОм им вы будете регулировать КУ и плату подправить под импортные подстроечники с винтиком сбоку тогда можно будет использовать промежуточные стойки 11 мм. , а если как следует подумать то можно убавить высоту ещё на 5 мм.

Denis1111222

Цитата: nefedot от 19 Окт. 2018 в 20:54
А самое главное при настройке провод от шунта к +Ш должен быть тот который будет у вас в жгуте т.е. той же длины и сечения и R13 лучше составить из подстроечника 5кОм и последовательно с ним 16 кОм им вы будете регулировать КУ и плату подправить под импортные подстроечники с винтиком сбоку тогда можно будет использовать промежуточные стойки 11 мм. , а если как следует подумать то можно убавить высоту ещё на 5 мм.
Здравствуйте. Вы можете, пожалуйста, сфотографировать вашу печатную плату устройства с двух сторон. Я просто не могу разобраться по схеме электрической принципиальной что с чем соединяется. Огромное спасибо!

nefedot

Для Denis1111222. В архиве всё, что нужно.

Добавлено 03 Май 2019 в 15:24

Для Denis1111222. В архиве всё, что нужно (2)

Добавлено 03 Май 2019 в 15:24

Для Denis1111222. В архиве всё, что нужно (3)

Добавлено 03 Май 2019 в 15:27

Для Denis1111222. В архиве всё, что нужно (4)

Добавлено 03 Май 2019 в 15:27

Для Denis1111222. В архиве всё, что нужно (5)

nefedot

Пришлось разбить архив на 5 частей. Скачать 5 архивов. Выделить все 5 архивов. Указать "Извлечь в текущую папку".

nefedot

#41
Собственно тут все изменения и пояснения.
У меня три кнопки без фиксации, а одна с фиксацией для включения БК, но лучше подключить к этой кнопке подсветку и т.к. ток потребления подсветки очень большой может перегреться транзистор стабилизатора то нужно применить кнопку без фиксации и включать подсветку только по необходимости. После такой переделки БК будет запитан постоянно пока включен аккумулятор и пробег за день стираться не будет. Под транзистор стабилизатора установил небольшой медный П-образный радиатор, но он всё равно сильно нагревается при включении подсветки.
Подстроечный резистор R13 1кОм с винтиком не сверху, а сбоку впаян в плату. R13 1кОм. R11-16кОм у меня (им подстраивается коэфф. усиления совместно с R13) R9 20 кОм (у меня просто такой был) приклеен к плате суперклеем в удобном месте и разведён проводками.  Для подстроечных резисторов в собранном виде в корпусе предусмотрены отверстия с резьбой М4 куда ввернуты винтики .
Разъём программирования после этой разборки установил наклонный. Теперь на узкой стороне окошко (на фото ещё не так) которое будет закрываться крышкой из оргстекла на 2-х винтиках. Если вывернуть один винт получим доступ к подстроечнику. Если вывернуть оба винта, то уберётся крышка и получим доступ к разъёму программирования.
На корпусе для нажатия на кнопки четыре отверстия которые для герметичности закрыты резиновыми колпачками которые к корпусу приклеены суперклеем взяты от какого-то ПДУ у меня разные т.к. четвёртого такого-же не оказалось. Во избежание приклеивания толкателя кнопки к корпусу колпачки приклеивать ТОЛЬКО при убранной плате.
Входной разъём установил DB9 (пришлось дополнительно обмазать герметиком).
Конденсаторы С6, С7 поставил выводные на 47 мкФ 35 В т.к. были такие.
Батарейку не устанавливал и время не устанавливаю т.к. точность хода у этой м.с. ну никакая.Без батарейки можно измерять время в пути или время за день.
ОУ как на схеме.
Программа написана для лифера, поэтому уровень заряда литиевой батареи на 48 вольт будет показывать не корректно.
Длина окружности колеса в программе для 26 дюймов.
Пришлось подогнуть несколько сборочных крючков с обратной стороны индикатора т.к. упирались в детали.
Шунт как в схеме, но я отпилил от него как лишнюю на мой взгляд пластмассу, так и лишнюю медь.
Шунт стал вдвое меньше (7 раз отмерь ...).
В архиве ПОЧТИ то же.

nefedot

#42
Так в схемах, которые у вас на сайте есть ошибки. Во-первых, вопрос в том, как подключаются кнопки? Ведь на схеме под них отведено 3 вывода, а должно быть 6 (+ и -). Во-вторых, на схеме геркон ставиться на плату, а реально же он должен подключаться через разъем PC7TB. Поэтому я и прошу, чтобы кто-нибудь сфотографировал реально собранное и рабочее устройство, где можно увидеть что и с чем соединяется.

На моей п.п. ошибок нет. Всё собрано на этой плате. А геркон устанавливается на передней (задней) вилке на небольшой плате и закрыт для защиты в тонкий пластик.Плата с герконом крепится на вилке хомутом из железа (стали, алюминия, латуни, меди) На спицах крепится магнит (такие уже с креплением есть на али нужно будет доработать хлипкий крепёж), не хуже будет работать и небольшой обломок магнита (10-15мм) от громкоговорителя примотанный к спицам изолентой он при вращении колеса должен проходить напротив геркона у меня между герконом и магнитом около 15 мм. Зависит от качества и положения геркона..Во втором варианте обломок удобнее прикрутить изолентой на пересечении спиц.
Чего не понятно-то всё есть в архиве.

nefedot

#43
Я лентяй, а поэтому просто залил суперклеем лучше (быстрее) будет если залить термоклеем.

aleksey_n

#44
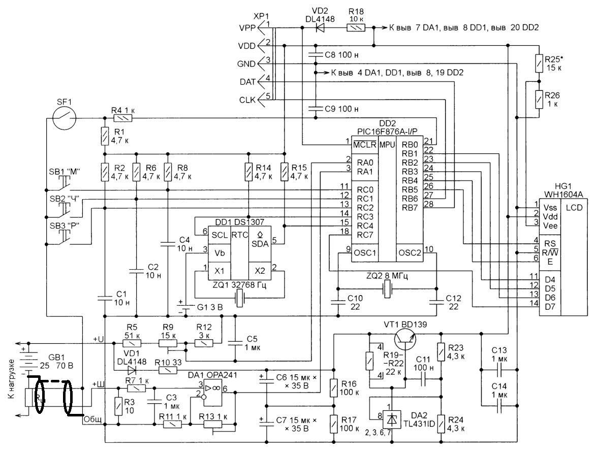
Denis1111222, вот исходная схема маршрутного компьютера, надеюсь, более понятная.


nefedot

#45
Правильная распайка подстроечников.

Езжу зимой и ещё в прошлом году изрядно достало, что дисплей замерзает. В этом году терпение кончилось и решил собрать для этого БК новый блок питания. Попытка собрать попроще, а это на LM5017 ничем не увенчалась. Без нагрузки блок работал нормально, но при включении подсветки, т.е. при увеличении тока DC-DC начинал так шуметь, что сносило крышу у микроконтроллера . Микросхема преобразователя грелась довольно сильно. Попытка добавить в схему компенсационный стабилизатор для улучшения фильтрации пульсаций привела к сильному нагреву LM5017. Решил собрать на микросхеме от PIE с которым приходилось иметь дело не раз, но нужно было мотать трансформатор хотя это усложнило схему не на особенно много. Для улучшения фильтрации выходного напряжения добавил компенсационный стабилизатор. Из схемы исключил литиевую батарейку т.к. микросхема часов неточная и применяю часы только для измерения «Времени в пути» после отключения питания показания часов обнуляются.
Разъёмы к дисплею цанговые т.к. на 2,5 мм ниже обычных, можно добавить ещё 0,5 мм заглубив отверстия на плате.


Ток подсветки по этой схеме 208 мА и дисплей теперь не замерзает. При желании подсветка отключается кнопкой.

nefedot

#46
В архиве печатная плата, схема, данные для намотки трансформатора, даташиты применённых деталей и проект в программе от PIE ver8.

grean2007

Я собрал велокомпьютер, но нормальной работы добиться не смог. Показания тока скачет от 1 до 5 А. Помехи побороть не удалось. Провод от шунта около 1,5 м. При этом напряжение показывает нормально. Пробовал усилитель ставить возле шунта, немного лучше. Рекомендованого УО пока нет ставил LM358, MCP602.

nefedot

#48
LM358 тут точно не пойдёт, обязательно нужен Rail-to-Rai, а вот почему у тебя не работает с MCP602. MCP точно должен работать, что-то ты делаешь не по правилам. Я собрал 4 штуки разных версий, всё работает прекрасно вот только степень разряда не пойму для каких аков написана если показывает 0% при 45В, 10% при 47,5В, 50% при 49,6В и 100% при 50,9В. У нас в промэлектронике из рекомендованных ОУ есть только ОРА340 на чём я и собирал (у меня R13 заменён на 2кОм последовательно ему добавлен резистор 15кОм который будет изменяться в зависимости от сопротивления провода идущего к БК от шунта и модели ОУ), проблем нет, вот только зимой дисплей замерзает. С этой проблемой справился добавив DC-DC на DPA423 и включив подсветку. На моих печатках цепь обратной связи ОУ как раз под эти ОУ. А ещё я себе хотел провод идущий от шунта к входному разъёму БК сделать из 2-х проводов МГТФ-0,5 свитых и помещённых в экран, но оказалось, что у меня и так всё нормально. Попробуй применить экранированную пару и шунт тут включен в минусовое плечо. И это будет выглядеть так.

Тут ВАЖНО экран и нулевой провод витой пары соединить на входе и выходе, тогда на сигнальный провод наводки уменьшатся. Подавать минус питания по экрану и витой паре нельзя, для минус питания должен быть ОТДЕЛЬНЫЙ провод хоть и будет идти рядом и соединяется вместе на входном разъёме (у меня разъём DB9) БК и шунте .

nefedot

#49
Вот дособирал последнюю (на сей день) версию. На фото нет кронштейна, но на самом деле уже прикрутил и работает. Добавил светодиод просверлив отверстие в индикаторе (видно на втором фото). Если БК собранный с моим блоком питания запускается, но не работает во всём диапазоне 34-72 вольта, нужно перекинуть выходы трансформатора (проще сделать перерезанием дорожек). Провод вторичной обмотки транса вместо 0,45мм можно применить 0,4мм. Первичка и обмотка питания мс 0,13-0,14мм. Мотать очень акуратно виток к витку (очень мало места, сначала сетевую, затем питание мс и потом выходную обмотку всё без изоляции), можно на оправке из длинного винта М4. Страшного в намотке транса нет, т.к. витков-то мало. На торцы 3 керн каждой чашки трансформатора наносим суперклей, сушим, собираем транс, измеряем индуктивность первичной обмотки трансформатора, если индуктивность больше указанной - добавляем на одну половинку клей, если индуктивность меньше - стачиваем излишек клея на ровном бруске или мелкой наждачке (собирая транс не забываем про семь раз, а то будет как у меня - вверх ногами). Четыре колпачка закрывающие отверстия кнопок из резинок ПДУ приклеены суперклеем их клеить только когда плата вынута. Для удобства установки платы отверстия под кнопки овальные и дополнительно сточены наискосок с внутренней стороны корпуса.Фотки и последняя версия платы.







Кронштейна два делал из полосы шириной 16мм и толщиной 0,5мм. начинаем загибать сделав плоскую часть, ставим стойки (спейсеры), гнём скруглённую часть под какой нужно диаметр и в конце сверлим отверстия крепления у меня под М4, Кронштейны к задней крышке крепятся на 2 винта каждый, винты с потай головками идущие сквозь заднюю крышку, гайки между стойками (спейсерами). Для усиления задней крышки всё пространство вокруг кронштейнов и между ними обложил синт. ватой и залил суперклеем. Когда клей высохнет нанести герметик вокруг входного разъёма, по контуру задней крышки и под винты. После того как один корпус разбили стал делать корпус из двух слоёв оргстекла. Жаль нет 3Д принтера. Уф! Кажется всё. Успехов всем!

grean2007

Спасибо за информацию. Экранировки, фильтрацию, испробовал разные варианты, от внешнего БП запитывал, усилитель, и даже сам М. комп у шунта ставил. В 3 раз ни с того ни сего вылетели мосфеты, что то видно не корректно работает контроллер, из-за этого видно и бешенные помехи. R13 у меня 50к , только тогда появляются скачущие показания тока. УО 340 прейдут еще попробую, но не знаю продолжать с ним или нет, дело в том что что напряжение 36в  емкость аккумулятора не показывает, колесо 12 дюймов, поставил тригер для деления на 2, чтобы показания скорости и расстояния были более менее похожи. Прошивку бы подкорректировать, но нет исходников и знаний.

nefedot

Когда-то в промэлектронике не оказалось ОУ Rail-to-rail в корпусе SO-8 я для пробы на проволочках устанавливал в корпусе DIP-8 и SO23-5 и работало нормально, а Rail-to-rail должна работать любая они от обычных ОУ отличаются только тем, что могут измерять очень маленькие напряжения при однополярном питании, для измерения малых напряжений обычным (звуковым) ОУ нужно ещё и минусовое напряжение питания. Показания степени разряда батареи мне и не нужны. Я знаю какое напряжение батареи после заряда и балансировки, знаю при каком напряжении у меня отключается BMS поэтому какие-то проценты мне не нужны. Эта модель БК напрямую измеряет только два параметра-напряжение и ток и на их основе ведет расчет и выводит эти показания на дисплей. Шунт устанавливается на минус после батареи, т.е. между батареей и контроллером. Напряжение питания (плюс и минус) на БК берётся с батареи до контроллера и ещё один провод на БК идёт после шунта. Откуда могут браться помехи ведь по сути идёт прямое измерение только тока и напряжения ещё до всяких там потребителей. От помех в цепи питания БК на авторской плате специально установлены диод, резистор, конденсаторы и далее очень качественный стабилизатор напряжения и конденсаторы. Без стабилизатора показания будут изменяться (скакать). На моих платах после ИИП тоже стоит стабилизатор. Вот как-то так.

grean2007

Цитата: nefedot от 26 Янв. 2020 в 23:01Откуда могут браться помехи ведь по сути идёт прямое измерение только тока и напряжения ещё до всяких там потребителей.
Собрал на макетке вот этот  ваттметр https://www.youtube.com/watch?v=r8XniX49GPE и та же картина напряжение показывает стабильно, а ток скачет, правда немного поменьше. Ваттметр находился у шунта. По колесам и звуку не видно что ток болтается. Шунт заводской советский на 20А, 75 мв

i

Для будущих подобных приборов рекомендую рассмотреть микросхему INA226. Измеряет ток, напряжение, вычисляет мощность и все это с помощью 16-ти битного АЦП. Выдается по i2c. Есть выход "авария". Цена в районе 100р.
Как по мне, так весьма не дурно.