avatar_UDAV

Эксплуатация свинцовых аккумуляторов: вопросы и ответы 2

Автор UDAV, 06 Авг. 2017 в 08:52

« назад - далее »

0 Пользователи и 1 гость просматривают эту тему.

Alex_Soroka

Цитата: Evgeny Chery от 11 Сен. 2019 в 15:07
Подскажите, что может быть, беспокоится или нет. Новый аккумулятор Westa Premium 65 Ah Ca/Ca, после отключения зарядки и после отстоя (12 ч) продолжает шуметь, не интенсивно, но если приблизится ухом то слышно. Шум не локализируется в какойто одной банке, как будто все в глубине (на поверхности пузырьков не заметно), и во всех сразу.
Перезаряжать АКБ не надо  :hello:  и шуметь не будет.
Химические реакции имеют "инерцию" - перезаряженные части намазок могут немного "шуметь" даже после снятия напряжения заряда, обычно успокаивается всё где-то за минут 20-час.
Но если при "шуме" заметно падает НРЦ АКБ - это повод задуматься о грязи в электролите  :hello:

Evgeny Chery

Цитата: Alex_Soroka от 11 Сен. 2019 в 15:14Перезаряжать АКБ не надо    и шуметь не будет.
Химические реакции имеют "инерцию" - перезаряженные части намазок могут немного "шуметь" даже после снятия напряжения заряда, обычно успокаивается всё где-то за минут 20-час.
Но если при "шуме" заметно падает НРЦ АКБ - это повод задуматься о грязи в электролите
Напряжение заряда ограничено 14.5 В, шуметь начинает ближе к 14 В.  Вот электролит вызывает подозрение, какой то мутноватый, но не сильно. По поводу НРЦ, заряжал качелями - 13,2 В - 14,5 В, после достижения верхнего предела (отключение заряда) напряжение уж учень долго снижается до нижнего уровня (13,2 В) минут 10 - 15 ( сигнал о заряжености бвтареи ?), после часа отстоя НРЦ - 13,1 В, через 10 часов было 12,9 В.

Alex_Soroka

Цитата: Evgeny Chery от 11 Сен. 2019 в 16:11
Напряжение заряда ограничено 14.5 В, шуметь начинает ближе к 14 В.  Вот электролит вызывает подозрение, какой то мутноватый, но не сильно. По поводу НРЦ, заряжал качелями - 13,2 В - 14,5 В, после достижения верхнего предела (отключение заряда) напряжение уж учень долго снижается до нижнего уровня (13,2 В) минут 10 - 15 ( сигнал о заряжености бвтареи ?), после часа отстоя НРЦ - 13,1 В, через 10 часов было 12,9 В.
Вполне нормальное поведение АКБ (я про снижения напряжения).
13.2в говорит о том что у вас высокая плотность в банках.
Могу порекомендовать не мучать АКБ, и снизить напряжение заряда (конец) вместо 14.5в до 14.22в.

Evgeny Chery

Цитата: Alex_Soroka от 11 Сен. 2019 в 17:10Вполне нормальное поведение АКБ (я про снижения напряжения).
13.2в говорит о том что у вас высокая плотность в банках.
Могу порекомендовать не мучать АКБ, и снизить напряжение заряда (конец) вместо 14.5в до 14.22в.
Спасибо.
Поставлю на авто, пускай перемешается электролит, перемеряю ещё раз плотность. Но чёртов шум мелких пузырьков не исчез, отстой больше суток. НРЦ через час - 13,1 В, через 10 часов - 12,9 В, через 24 часа - 12,8 В (шум продолжается). Электролит оказался чистым (когда писал выше что мутноват - оказалось из за фонарика светодиодного, посветил другим - вроде всё нормально, просто какая то плёнка вверху электролита).  Склоняюсь что всё же высокая плотность электролита, когда то знакомый приносил акуумулятор посмотреть после того как туда после выкипания долили электролита вместо воды, характер поведения был такой что после подключения зарядки сразу начинали сильно шуметь пузырьки, после нормализации плотности стал брать заряд нормально без шума.

Дм.

Цитата: Evgeny Chery от 11 Сен. 2019 в 15:07Подскажите, что может быть, беспокоится или нет. Новый аккумулятор Westa Premium 65 Ah Ca/Ca, после отключения зарядки и после отстоя (12 ч) продолжает шуметь, не интенсивно, но если приблизится ухом то слышно.
Цитата: Evgeny Chery от 12 Сен. 2019 в 08:18Поставлю на авто, пускай перемешается электролит, перемеряю ещё раз плотность. Но чёртов шум мелких пузырьков не исчез, отстой больше суток. НРЦ через час - 13,1 В, через 10 часов - 12,9 В, через 24 часа - 12,8 В (шум продолжается).
1. Перемешивается электролит при зарядке батареи - на последней стадии заряда, когда специально для этого поднимают зарядное напряжение.
2. Если есть возможность, отставляете АКБ в сторонку на неделю и ежедневно проверяете "шум" и НРЦ, потом расскажете - во-первых, шумы не должны держаться часами после зарядки, во-вторых, НРЦ новой АКБ, наоборот, не спадает так быстро.
С этим шумом - есть повод сдать АКБ обратно.

Цитата: atim5 от 31 Авг. 2019 в 18:44Думаю купить новую акб akom_efb и вот дилемма:
Не в деньгах вопрос. Взять в одном типоразмере 62 ач или 65?
62 Ач Ток холодной прокрутки  580 А Масса не более 16,6 кг Размеры 242x175x190 мм
65 Ач Ток холодной прокрутки  650 А Масса не более 18,1 кг Размеры 242x175x190 мм

... Где-то слышал утверждение, что не стоит брать самый плотно набитый. К примеру есть в одном размере 60, 62 и 65 - надо брать 62,
Тогда из подобных соображений наверное стоит взять на 60, если она такая же по весу, как на 62:
60 Ач Ток холодной прокрутки  560 А Масса не более 16,6 кг.

krufel

#2345
Да в L2 от 50 до 70 может быть, так что золотая середина 60. Но это если по массе не менее 14,5кг, если кальциевый.
Дм уважаемый, такой вопрос. Свежак сдали в  "утиль" - Бош(Джонсон ест-но) 60ач L2 60/540 выпуск 06/16. НРЦ при сдаче 8в. Заряжаем сс-св до 14,8 взял чуть более 50ач. Ну, прям конфетка - 520а ЕН. Отстой сутки, 13,3в НРЦ - расслаиваем электролит - 16в 2а - стоит всего 3часа - встал на 15,74в и не поднимается. Выключил , пошел спать. Утром Ланкол -540а. Назавтра вечером - подключил - дошло до 15,94 после 3часов и не поднимается, как будто бы застрял. Спим- утром ланколим -555а- завтра вечером  - быстро прыгнул до 16в и ушел до 1,4 а. Всего то общее время часов 9 и он прям как новый. Я думал его по Бранимиру на пару суток под 16в гонять, а тут он прямо рывок в прошлое совершил к своему созданию. Так бывает? Или что то не так?
Может я косноязычен, но вопрос собственно в чем- он стоял три вечера по 3часа всего под 16в - и застревал не поднимаясь сначала до 15,74, потом до 15,94  без какого то ни было увеличения. Понимая, что тут часами не обойдешься, а скорее сутками, а он вдруг стрельнул на третий вечер,  но! Именно после суточных пауз, потому как в предыдущих сериях он вставал как вкопанный после двух(далее напруга не росла) часов дозаряда.
KUGOO G-BUSTER 2*1.2kWt
Имеем - Вымпелы 32, 95 и 57* 12 штук, Exide12/7, Ecovolt 12/1000  Уехали - Вымпел55, Кулон912*2, БЛ1204, ЗУС7, Бош С7.

atim5

[user]krufel[/user], я думал без КТЦ не получится, а у вас получилось. Полезный опыт.

Добавлено 16 Сен. 2019 в 07:18

Цитата: Дм. от 15 Сен. 2019 в 22:2065 Ач Ток холодной прокрутки  650 А Масса не более 18,1 кг Размеры 242x175x190 мм
Рискну, возьму его.

Evgeny Chery

Продолжение истории с моим шумящим аккумулятором. Аккумулятор был в отстое 2 дня, НРЦ упало до 12,7 В (всё это время был слышен шум пузырьков). Поставил на авто, крутит отлично, напряжение бортсети 14,3 В. После поездки выкрутил пробки - электролит мутный, плотность 1,28. Электролит под замену ? При замене старый электролит просто отобрать пипеткой сверху, не переворачивать ?

Добавлено 16 Сен. 2019 в 08:13

Цитата: Дм. от 15 Сен. 2019 в 22:20С этим шумом - есть повод сдать АКБ обратно.
Крутит стартер хорошо, на нагрузочной вилке тоже ведёт отлично, меня просто пошлют в том магазине.

atim5

[user]Evgeny Chery[/user], у знакомого тоже Westa но EFB, два года и он ему не нравится, должен мне отдать на опыты этой осенью. Поглядим, что да как.
Если акб новый - значит там кусков всякого шлама быть не должно, я бы перевернул и слил.
Я сливал с одного старого, где пластины втруху были и то ничего не случилось плохого.
А случится КЗ - сдашь акб, КЗ - это лучшее что может случится с акб для его возврата.

Дм.

Цитата: krufel от 16 Сен. 2019 в 00:06Свежак сдали в  "утиль" - Бош(Джонсон ест-но) 60ач L2 60/540 выпуск 06/16. НРЦ при сдаче 8в. Заряжаем сс-св до 14,8 взял чуть более 50ач. ... Отстой сутки, 13,3в НРЦ
Трехлетняя АКБ, глубоко разряжена, история неизвестна, то ли есть сильная сульфатация, то ли нет. Получила заряд прилично не дотягивающий до паспортной емкости, НРЦ завышенное.

Цитата: krufel от 16 Сен. 2019 в 00:06расслаиваем электролит - 16в 2а - стоит всего 3часа - встал на 15,74в и не поднимается. ... Назавтра вечером - подключил - дошло до 15,94 после 3часов и не поднимается, ... завтра вечером  - быстро прыгнул до 16в и ушел до 1,4 а. Всего то общее время часов 9 и он прям как новый.
9 часов по 2 ампера = еще где-то 18 Ач получила батарея.
Кипела? Бурлила? Шипела? Или незаметно шуршала?

Цитата: krufel от 16 Сен. 2019 в 00:06как в предыдущих сериях он вставал как вкопанный после двух(далее напруга не росла) часов дозаряда.
Дали какой-то ток, получили соответствующее ему перенапряжение (напряжение заряда).

Цитата: krufel от 16 Сен. 2019 в 00:06Я думал его по Бранимиру на пару суток под 16в гонять
Зачем?   "ушел до 1,4 а" х 48 часов = еще 60 Ач - догнать коэф-т перезаряда до 100% от паспортной емкости?

Длительно выдерживают под малыми токами для ликвидации застарелой сульфатации, поскольку сила тока должна соответствовать малому притоку ионов Pb2+, попадающих в электролит благодаря растворению сульфатов, а из-за низкой растворимости сульфата процесс получается долгий. И там не нужно большое напряжение.

Для перемешивания электролита сила тока /напряжение должны поддерживать заметное газовыделение, не важно, какие конкретно величины тока/напряжения получатся, и тут, наоборот, затягивать процедуру на сутки ни к чему.

Остается выравнивание разбалансированных ячеек, где зарядное напряжение приходится поднимать повыше, чтобы напряжение в отстающих ячейках оказалось на уровне, допускающем их дозаряд, а уж передовые ячейки при этом кипят, как могут.

В каждом отдельном случае можно только догадываться, какая смесь из трех крайних ситуаций сульфатации, расслоения и разбаланса окажется присуща попавшей в руки конкретной АКБ.

Cyberpapa

Цитата: krufel от 16 Сен. 2019 в 00:06Я думал его по Бранимиру на пару суток под 16в гонять, а тут он прямо рывок в прошлое совершил к своему созданию. Так бывает? Или что то не так?
[user]krufel[/user], многое зависит от конструкции АКБ, количества и расположения застарелых сульфатов, отложенных в пластинах за время неправильной эксплуатации.
Например:
1) Хорошую АКБ высадили большими токами, допустим стартером. БОльшая часть сульфатов располагается ближе к поверхности пластин, поры забиты сульфатами ближе к поверхности, типа пробки закрывающей бутылку, она препятствует проникновению кислоты  в глубину пор, хотя они сравнительно чисты и при доступе кислоты могли бы  достойно работать.
Такая сульфатация лечится быстро, достаточно раскупорить бутылки и слегка почистить поры.

2) Батарея длительно разряжалась малыми токами, например сигналкой, периодические заряды проводились на халяву, без уравнительных зарядов и без перемешивания электролита.
С такой сульфатацией придется длительно повозиться, т.к. поры забиты не только на поверхности, но и в глубине, вскрыв пробку бутылки, под ней находится другая пробка,...
Пластины сульфатируются по всему объему, однако в разных точках с разной скоростью, т.е. - в какой-то точке могут образоваться грузди сульфатов, которые быстро не победить, а если удастся их убрать - получатся полости.
Обычно такая беда получается внутри пластин, т.к. поверхностные точки роста устраняются во время халявных подзарядов, а кристаллы внутри остаются почти нетронутыми и при дальнейшем эксплуатации будут являться точками роста кристаллов...
Если во время заряда не перемешивать электролит -  из-за повышенной плотности электролита снизу, очаги сульфатации образуются в самых неудобных для десульфатации точках.

Для десульфатации отрицательных пластин требуется создание большего перенапряжения, посему они тяжелее приводятся в божеский вид.

Пример:

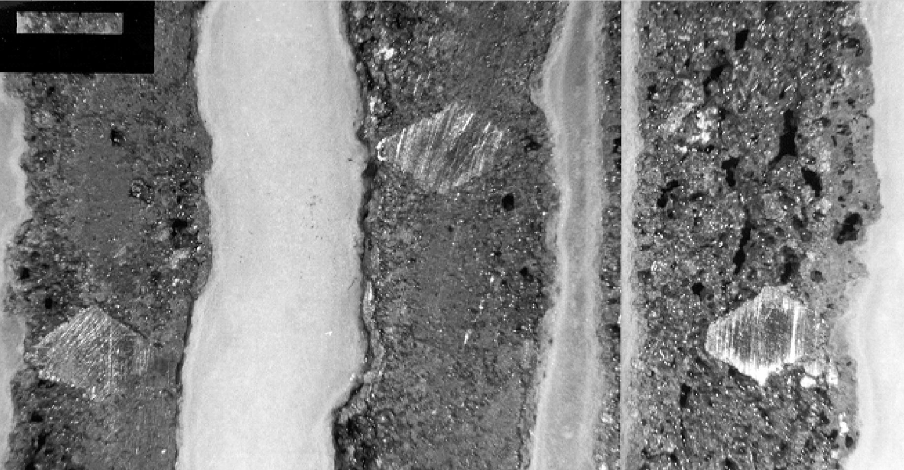
Рисунок 6: Поперечное сечение отрицательного плоского электрода после 3,5 лет работы в солнечной  системе. Срезы были взяты из верхней, центральной и нижней частей электрода (слева направо соответственно). Сульфатация четко обозначена в нижней части очень грубыми порами между крупными кристаллами и заметным расширением электрода из-за разницы в удельных объемах Pb и PbSO4 (фотоисточник: ZSW).   

Дм.

Цитата: Evgeny Chery от 16 Сен. 2019 в 08:11Крутит стартер хорошо, на нагрузочной вилке тоже ведёт отлично, меня просто пошлют в том магазине.
Всегда можно попробовать договориться по-хорошему, вместо скандала.
Вопрос не в стартере и не в вилке, а в том, что, имхо, налицо признаки повышенного саморазряда:
Цитата: Evgeny Chery от 16 Сен. 2019 в 08:11
Продолжение истории с моим шумящим аккумулятором. Аккумулятор был в отстое [b-b]2 дня, НРЦ упало до 12,7 В (всё это время был слышен шум пузырьков).[/b-b]
1. Почитайте форум, да интернет - на новой до отказа заряженной АКБ зачастую несколько дней уходит, пока НРЦ при отстое опускается ниже 13,0 В.
2. Повторюсь. Не должно быть никаких шумов на отстаиваемой исправной АКБ спустя несколько часов после окончания заряда.
По отдельности оба признака не существенны (НРЦ легко спадает до 12,7-12,6 на недозаряженной батарее, шумы возможны после сильного перезаряда), но вместе взаимоисключающие.

С этим и отправляться в магазин. Перед этим, как предлагал, понаблюдать неделю за батареей. Через неделю нагрузить вилкой, да снова на подзарядку - как изменится электролит, как будет держаться НРЦ, и проявятся ли по новой шумы. Отсутствие изменений к лучшему - дорога в магазин.

Мутность электролита еще ни о чем конкретном не говорит, могут быть добавки в электролит (для формовки или для эсплуатации) или не мешающие технологические "примеси".
Электролит уж точно не стоит сразу менять - ни к чему лишняя морока с кислотой, пока нет точных предпосылок.

Дм.

Цитата: Cyberpapa от 16 Сен. 2019 в 09:31отложенных в пластинах за время неправильной эксплуатации.
Например:
1) Хорошую АКБ высадили большими токами, допустим стартером. БОльшая часть сульфатов располагается ближе к поверхности пластин, поры забиты сульфатами ближе к поверхности, типа пробки закрывающей бутылку, она препятствует проникновению кислоты  в глубину пор
:bw:
1. Сульфатация поверхностных слоев - естественное следствие "правильной" эксплуатации стартерных АКБ, т.е., их использования по прямому предназначению - разряд большими стартерными токами при запуске двигателя и последующий заряд большими поначалу токами генератора.
2. В каких источниках утверждают/предполагают, что сульфат "забивает поры" и препятствует серной кислоте проникать вглубь электродных пластин?

Cyberpapa

Цитата: Дм. от 16 Сен. 2019 в 11:34разряд большими стартерными токами при запуске двигателя и последующий заряд большими поначалу токами генератора.
1) Довольно часто, особенно после аварии, авто пытаются запустить высадив АКБ, из-за неисправности движка, либо по другим причинам АКБ длительное время находится без заряда, после чего отправляется в утиль. ИМХО именно такая батарея побывала в руках  [user]krufel[/user], уж больно быстро она воскресла.
2) На второй вопрос отвечу завтра, т.к. сегодня нет времени рыться в литературе выискивая цитаты.

Cyberpapa

Цитата: krufel от 16 Сен. 2019 в 00:06Заряжаем сс-св до 14,8 взял чуть более 50ач. Ну, прям конфетка - 520а ЕН. Отстой сутки, 13,3в НРЦ - расслаиваем электролит - 16в 2а - стоит всего 3часа - встал на 15,74в и не поднимается. Выключил , пошел спать. Утром Ланкол -540а. Назавтра вечером - подключил - дошло до 15,94 после 3часов и не поднимается, как будто бы застрял. Спим- утром ланколим -555а- завтра вечером  - быстро прыгнул до 16в и ушел до 1,4 а.
Более 100 лет применяют два способа  десульфатации застарелых сульфатов.
1) заряд малыми токами 0,01-0,02 С
2) током 0,1 С,  при достижении ячейкой напряжения 2,75 - 2,8 В, заряд отключали на час, далее - повторяли этот цикл много раз.

Первый считали более эффективным.

Снижение среднего тока за счет недлинных пауз и обратный импульс начали применять позже, примерно лет 50 назад, возможно еще раньше.
Все прогрессивное новое - хорошо забытое старое.

Лодочник_А

Купил вчера два BB HR9-12  взамен старых 7-амперных,при покупке 12,8 в. было у обоих,приехал поставил зарядить,часа два зелёная загорелась лампочка,27,4вольта сразу показало,через час гдет 26,4в.Утром после ночи таже гдет,ну вытащил,в гараж съездил,дорога битая,дал несколько кругов ну ну 6-7 км наверное точно прошёл-домой завёз он не разряженный,постоял ща 24,2 вольта тестером.Стоит вытянуть до конца посадить чтоб заряд был полностью потом,или дозарядить,кто подскажет?
Работа  - последнее прибежище тех, кто больше ничего делать не умеет.  Оскар Уайльд.

Паяка

[user]Лодочник_А[/user], садить не нужно. У свинцовых аккумуляторов нет эффекта памяти. Ставьте дозаряжать.
GT TF1 60V 20Ah Chilwee DZF

Лодочник_А

#2357
Цитата: Паяка от 18 Сен. 2019 в 19:33
[user] У свинцовых аккумуляторов нет эффекта памяти. Ставьте дозаряжать.
Спасибо! Да я в плане толкнуть их,первый заряд был всёж.Память меня на радиотелефоне доставала,быстро пальчиковые  аккумуляторы развалились,ну трубка её 4 (5)ватта,база 30ватт.По времени засёк щас,сколько будут дозаряжаться... 24вольта на АЛИ сигнала гудка чот не нашёл,"ФА" мазовские через реле поставить можно?: :laugh: у меня пара есть ну разнотональные комплект!
---
12 вольтовые украли  из гаража -жаль,с компрессором у меня были -кукорачу пели :laugh: ,5 или 7 рожков таких....
Вообще без амперметра,ну прямого с шунтом,минимальное потребление при езде не определишь,ставить чота нужно для замера,ну положение ручки "ГАЗА" ,5 очков почти заднее накачал,совсем дубовый,нужно приборы всёж ставить...
----------------
вот его катишь-тумблер выключен питания на раме,вполнакала на раме контрольная зелёная лампа зажигается,явно зарядка идёт,быстрее идёшь горит ярче!
----------------
За 2ч.45мин набрал 27,2 вольта сразу после как лампа на питании зажглась,полностью заряжены.
Работа  - последнее прибежище тех, кто больше ничего делать не умеет.  Оскар Уайльд.