Где найти инструкцию к контроллеру самоката?

Автор Роман94, 26 Авг. 2018 в 00:42

« назад - далее »

0 Пользователи и 2 гостей просматривают эту тему.

sergo842


Zuht

Цитата: sergo842 от 10 Окт. 2019 в 10:01
И сразу на предыдущий пост отвечу, не будет работать на контроллере заточенным под цифру, курок LH-100, не вводите людей в блудняк!
"Для справки, Курки TF-100 и  LH-100 идентичны", желающие могут приехать в мастерскую, и лично убедится, даже не говорю о том, что фишки соединительные , без бубнов не конектятся, по причине однополости.

Причем тут фишки, ясен хрен фишки не подходят, но провода выходят те же 5 шт (в LH 6, свет) что и нужны,
Подключаю к контролеру что TF, что LH скорости меняются, колесо крутится, круиз работает. Какие нужны доказательства ?

sergo842

#56





Цитата: Zuht от 10 Окт. 2019 в 15:09
Причем тут фишки, ясен хрен фишки не подходят, но провода выходят те же 5 шт (в LH 6, свет) что и нужны,
Подключаю к контролеру что TF, что LH скорости меняются, колесо крутится, круиз работает. Какие нужны доказательства ?
Мне докозательства не нужны, у меня есть факты, есть  эти курки в наличии, и кучка контроллеров, и попытки их связать.
Пошарьтесь по форуму, поимеете больше инфы, ее навалом, я не первопроходец, я пострадавший, узкоглызый прислал вместо TF, LH, повторяю, не вяжутся эти устройства, разный алгоритм управления.
Выкладывайте вскрытые курки, фото естественно, будем смотреть и разбираться, потроха могут быть какие угодно, китай, дело тонкое, выше постами обнаружилось, в FH181, плата от FT100
Фотки, что все по разному устроенно, уже выкладывались, и обсуждались.
Пусть по вашим граблям, ходят пионеры!
Больше добавить не чего, и нет желания...

sergo842


Цитата: Zuht от 10 Окт. 2019 в 15:09ясен хрен фишки
Догодайтесь с трех попыток, почему не подходят.
Отвечу кратко, чтоб по случаю, не втыкали, не втыкуемое, все для нас сделано....

Zuht

Цитата: sergo842 от 10 Окт. 2019 в 16:38
Больше добавить не чего, и нет желания...

Поспокойнее надо, читал я ваш отзыв, и сам специально на замену TF-100 заказал LH-100 и оба работают на куго м4 и м4 про
просто надо признать, что не все так как вы считаете и есть исключения.
Спойлер









Тут фотки TF (провода справа) и фотки LH (провода по середке)
И распиновка их разъемов.

Доводим распиновку в соответствии с контроллером и все пашет идентично.


ybynty

Цитата: sergo842 от 10 Окт. 2019 в 11:02Разобрать, идентифицировать сам датчик, смотреть распиновку и данные по даташиту, дальше прозвон проводов на соответствие, лишнее обрезать, пометить + -, третий будет управляющим.
Да, благодарю, отпишусь по итогу. Насчет ДХ - я как-то себе в колесо искал, на замену, на Митинском радио рынке, обошел весь, нашел в двух павильона ДХ, только уже покупать стал - а они неправильные оказались! Мне биполярные вроде бы нужны были, а там униполярные. А биполярных вообще нигде не было, еле-еле у одного мужика в подвале их нашел! А потом в ручке газа сжег по ошибке ДХ, к 4-контактному разьему от другого контроллера подключать стал, и сигнал - не в сигнальный, а в индикацию напряжения. Так этот биполярный ДХ в ручку не подошел, с ним не заработало!

sergo842


Цитата: Zuht от 10 Окт. 2019 в 17:08
Поспокойнее надо, читал я ваш отзыв, и сам специально на замену TF-100 заказал LH-100 и оба работают на куго м4 и м4 про
просто надо признать, что не все так как вы считаете и есть исключения.
Спойлер









Тут фотки TF (провода справа) и фотки LH (провода по середке)
И распиновка их разъемов.

Доводим распиновку в соответствии с контроллером и все пашет идентично.
Контроллер под LH100, в куче пришел,работает,  куда паять сигнальные провода, цвет проводов, не принципиален


?

Zuht

Цитата: sergo842 от 10 Окт. 2019 в 17:34
Контроллер под LH100, в куче пришел,работает,  куда паять сигнальные провода, цвет проводов, не принципиален
RXD, TXD

sergo842

Цитата: Zuht от 10 Окт. 2019 в 17:45RXD, TXD
Нет там таких пинов, может по другому кликаются?

Zuht

Цитата: sergo842 от 10 Окт. 2019 в 18:00
Нет там таких пинов, может по другому кликаются?
Речь о курке ?

sergo842

#64
Цитата: Zuht от 10 Окт. 2019 в 18:02
Речь о курке ?
Речь, о связке курка , с контроллерами.
На контроллере нет подобно обозначенных пинов, на штатном контроллере , что выше на фото, есть, но он и маркируется именно под FT100, в китае не одни придурки собрались, и пишут не просто так.
Вам в чем то повезло, очередной гибрид, в глаза подобного не видел, попробуйте сконектится с но нейм контроллером, глядишь, и все встанет на свои места.
Можно просто обозначится с контроллерами ,или,  с чем вязали свои курки?
  Верить цветам проводов, не мой профиль, черный -красный, обязательны к проверке 100%, остается всего два, по управлению. Типа вк, выкл, питания- не в счет, но легко можно спалится. :eek:

sergo842

#65
Нашел общий план подключения органов управления контроллера под LH100[img2

, куда чего подсоединять, что б, закрутилось колесико?
Выписка по цветности проводов, имеется, все конспектируется на будущее, но хранится в мастерской. :ah:

Zuht

Цитата: sergo842 от 10 Окт. 2019 в 18:22
Можно просто обозначится с контроллерами ,или,  с чем вязали свои курки?

Сейчас под рукой контроллер 350 вт нонейм, который потом стал кулко. с ним шел курок вообще без опознавательных знаков с ужасно не читаемым LCD,
есть еще пара штатных контроллеров от куго м4 про. и 3 курка (нонейм, TF и LH)
на всех трех курках одинаковый 6 штырьковый рзъем, но разная распиновка.
во всех контроллерах есть пины rxd и txd.

Скажите, какой курок шел с вашим контроллером и в какие пины подключался ?



sergo842

Цитата: Zuht от 11 Окт. 2019 в 08:14Скажите, какой курок шел с вашим контроллером и в какие пины подключался ?

Штатных контроллеров через мои руки прошло около десятка, от 13, до 21А в размере под деку, 13А, был совсем плюгавенький, под золота крашенный, все были под FT100, частично маркировки найти можно, но муторно. На всех проскакивало надпись FT100. Напечатать наклейку, у китайцев не вопрос, в поисковиках, не бьются, штрих коды мертвые. Вскрывал естественно не все, только те что моими были, да, все они были под цифру rx и tx.  Тот контроллер 23А,9фетов, аналоговый, что на фото последним, как видите отсутствуют подобная  маркировка пинов, шел в комплекте с LH100+ свой шлейф, все работает, нареканий нет. Можно просто запустить 5-10К переменным резистором, можно обычной ручкой тяги.  Как видно, маркировка несколько замысловатая по обозначениям, коннектился чисто по цветовой маркировке проводов на выходе, три месяца прошло, не хренти не помню, что куда шло, надо заново брать его в руки.  Используемые провода из шести, пять, синий кажись отдыхает, коннектору у самих курков ,одинаковые, 5 пинов по кругу с 1центральным.,то что было на ваших записях. А есть и 5пинов разъемы, у китайца видел, там и маркировка имеется, что куда идет.
В основном, на Алишке идут именно аналоговые под ручку, под цифру, ценник совсем друкой, есть и под аналисты, там свое управление.

Zuht

Цитата: sergo842 от 11 Окт. 2019 в 10:12
шел в комплекте с LH100+ свой шлейф, все работает, нареканий нет.
дак нельзя тот LH100 раскидать и посмотреть куда что идет ?

ybynty

Писал я про свой курок, от которого четыре провода, два желтых, два коричневых. В общем, разобрал его. В курке две кнопки, от одной идут два желтых, от другой - коричневых; сам курок подпружинен, и в спокойном состоянии коричневая кнопка нажата, а желтая - наоборот. Когда начинаешь давать газ - сначала размыкается коричневая пара, а потом нажимается кнопка желтой пары, причем открыт вопрос, регистрируется ли сила нажатия, или там просто - есть контакт-нет контакта.

sergo842

#70







Цитата: Zuht от 11 Окт. 2019 в 11:46дак нельзя тот LH100 раскидать и посмотреть куда что идет ?
Раскидал, ранее действительно не вскрфвал ЛШ, синий оказался. За одно и контроллер к нему, сегодня бился в поисках электротормоза, не нашел.   Нашел на ФТ контроллере 17А, Х-GND, насколько эффективна, сказать сложно, на стенде смотрел, в идеале на ходу смотреть надо, вывел проводок с данной точки под ручки тормозов.
Все остальное на фотках, смотрите, синий -LH100.
Дальше контроллер, под этот курок .[img2  :exactly:thumb=./images/4/1loqb4r_thumb.jpeg]./images/4/1loqb4r.jpeg[/img2]





sergo842

 За тосковал видать народец,  :ку:,
металлохлам прибрав в кладовец,
А через месяц. через два,
воспрянет бездная душа.
Рука потянется к былому,
Погладить руль, стряхнуть и пыль,
найдет ключи, и вспомнит быль,
отнимет время от себя,
и лаской одарит коня. :exactly:

Немного навеяло, и чутка приколов в дагон.
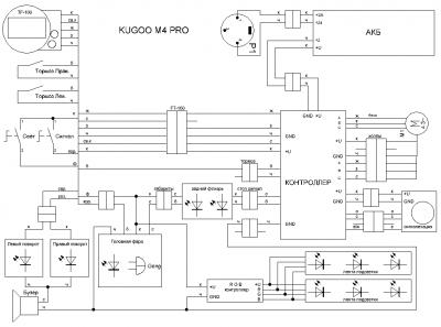
Наше руководство пользователя....Инструкция, так сказать, в картинках.


    Почему то , я его , именно так и называл с первого дня
:kidding: