Li-Force Сигнализатор повышенного/пониженного напряжения на 12В автомобильный аккумулятор
 

Сигнализатор повышенного/пониженного напряжения на 12В автомобильный аккумулятор

Автор rusmax, 07 Дек. 2018 в 11:48

« назад - далее »

0 Пользователи и 1 гость просматривают эту тему.

rusmax

Выделил из общей темы по эксплуатации. Думаю будет полезно к обсуждению.

Задумываюсь о переводе своих близких и родственников на титанат (кому будет интересно).
Но боюсь что их вариант с контролем напряжения и прочими заморочками не очень устроит. Например зарядка от первого подвернувшегося дешманского зарядного устройства. Подумываю о сборке простого сигнализатора повышенного напряжения (по хорошему нужен и пониженного). Может есть готовые устройства. Чтоб в дежурном режиме не потреблял много (не больше 1мА, лучше ещё меньше).
В голову приходит пока только такой вариант. Как думаете прокатит?


Стабилитрон на 15В думаю в самый раз.

p.s. Самих титанатов пока нет. Даже не заказывал. Боюсь предлагать сырое устройство, которое без понимания в лучшем случае обернётся выкинутыми деньгами.
Приус 20 (Tosiba SCiB 60Ah 3p5s;Бинар-5Б-Компакт) + i-miev (титатантка)

алабам

не будет оно нормально работать.
Поищите готовые      """"""схемы контроля заряда аккумуляторов""""""""""     , их много в сети
Киев, полный привод, Поларис 500вт +Кроха 3 кВт ,Хедвей 19s2p

911

Цитата: алабам от 07 Дек. 2018 в 11:54
не будет оно нормально работать.
Поищите готовые      """"""схемы контроля заряда аккумуляторов""""""""""     , их много в сети
Суть не в том, чтобы контролировать заряженность АКБ, таких устройств полно.
Думаю многим бы пригодился вариант сигнализатора/оповещателя с побаночным контролем.
Может имеет смысл переименовать тему ?

Литий-титанатные (и другие) сборки получают всё большее распространение, но часто ячейки из Китая приходят не совсем высшего качества и бывают с большим саморазрядом.
Не задумывались ли Вы на разработке нового устройства или адаптации уже имеющихся ?

А именно,
оповещателя здоровья титанатной (а при подстройке напряжения и других видов) сборки.
В простейшем варианте - это линейка промаркированных цифрами (соответствующих ячейкам) светодиодов со звуковой пищалкой, срабатывающей как при низком напряжении на ячейке (банке) так и при высоком.
При низком напряжении на какой-либо банке - загорается светодиод соответствующей ячейки, например синего цвета, а при высоком красного и одновременно в том и том случае звучит прерывистый звук пищалки.

Данную планку можно было бы крепить к АКБ, с подключением к каждой банке и на выводные клеммы сборки и значительно удобнее и информативнее была бы эксплуатация.
Предлагаемые китайцами устройства не совсем удобны, т.к. заточены на другую химию и под другие задачи.
https://ru.aliexpress.com/item/for-1-8S-Lipo-Li-ion-Fe-Battery-Voltage-2IN1-Tester-Low-Voltage-Buzzer-Alarm-Hot/32765671323.html?spm=a2g0v.10010108.1000014.17.20fb5ed05iZGvH&pvid=4bde062e-0cbd-487a-b5f3-91b334808a44&gps-id=pcDetailBottomMoreOtherSeller&scm=1007.13338.106568.000000000000000&scm-url=1007.13338.106568.000000000000000&scm_id=1007.13338.106568.000000000000000

https://ru.aliexpress.com/item/Ailavi-ly6w/32847769094.html?spm=a2g0v.10010108.1000015.38.447b3e75Pu6RAq&s=p

https://ru.aliexpress.com/item/12V-LY6W-Lead-Acid-Battery-Capacity-Indicator-LCD-Digital-Display-Meter-LiPo-Battery-Capacity-Power-Detection/32748498834.html?spm=a2g0v.search0302.3.302.15ee45e3a9MRXg&ws_ab_test=searchweb0_0,searchweb201602_0_450_452_532_533_534_10618_535_317_318_319_10059_10696_10084_100031_10083_10887_320_10307_321_10889_322_323_204_326_448_10065_449_10068_10301_10103_10884,searchweb201603_0,ppcSwitch_0&algo_pvid=28addc20-abd9-45b7-a4f3-3583daa45889&algo_expid=28addc20-abd9-45b7-a4f3-3583daa45889-36


Добавлено 07 Дек 2018 в 12:20

Такое простое устройство - только косвенно укажет, что происходит разбаланс, но не укажет сколько ячеек надо лечить/менять.
Опыт показывает, что предлагаемое сигнальное устройство будет полезно, если вдруг по каким либо причинам одна из банок начинает резко убегать вверх/вниз или, если речь идёт про авто, что напряжение в автосети повысилось или понизилось.
Пищалка оповестит звуком и аварии с АКБ не случится.
Далеко не каждое авто оснащено вольтметром.
В данном случае - это дополнительная возможность судить о здоровье ячеек (банок) по звуку и цвету светодиодов.
И владелец без вскрытия и тестирования всей сборки (бывает, что это запаянный корпус) будет понимать проблемы и готовиться её решить.

911

В предлагаемом варианте работа бы была примерно такая - ячейка(и) провалилась ниже, например, 1.7в пищалка выдала сигнал.
Или убежала выше, например, 3в пищалка выдала сигнал.
Владелец открыл капот (для простоты рассматриваем случай автомобильного использования) и видит горит (или мигает) светодиод (можно даже сделать надпись гравировку под шкалой, что означает красный или синий цвет).
И понимает, что ячейка (банка) №2 или №6 стала недозаряжена или наоборот, перезаряжена.
Если у него есть навыки, то он либо подзарядит/разрядит провалившуюся банку через диагностический разъём (если такой предусмотрен), а если нет, то обратится за помощью к людям, но в любом случае он смотря на линейку из 6-ти светодиодов сможет понять, сколько ячеек (банок) в сборке (АКБ) прихворали и ему не предложат ушлые "спецы" выкинуть у них в гараже дорогостоящий LTO АКБ, который они потом подлечат или заменят банку(ки) и снова продадут.

rusmax

Цитата: алабам от 07 Дек. 2018 в 11:54
не будет оно нормально работать.
Поищите готовые      """"""схемы контроля заряда аккумуляторов""""""""""     , их много в сети
Смысл в данном случае сигнализировать о превышении (в идеале и снижения) допустимого предела зарядного напряжения.
Цитата: 911 от 07 Дек. 2018 в 12:16Думаю многим бы пригодился вариант сигнализатора/оповещателя с побаночным контролем.
Может имеет смысл переименовать тему ?
У меня задача попроще, но если хочется, название темы не запрещает обсуждать побаночный контроль. :-)
Цитата: 911 от 07 Дек. 2018 в 12:24И понимает, что ячейка (банка) №2 или №6 стала недозаряжена или наоборот, перезаряжена.
Если у него есть навыки, то он либо подзарядит/разрядит провалившуюся банку через диагностический разъём (если такой предусмотрен), а если нет, то обратится за помощью к людям,
Если есть больные банки, то в любом случае нужно разбирать батарею для замены элементов или ремонта балансира. Подзарядкой "через диагностический разъём" тут делу не помочь.
Приус 20 (Tosiba SCiB 60Ah 3p5s;Бинар-5Б-Компакт) + i-miev (титатантка)


Blik86

Посмотрите celllog 8 , у него есть выход на пищалку. Но жрать он будут дофига, как и другие девайсы для проверки батареек.
Если низкое потребление принципиально и большего не требуется то надо пищалку прикручивать к БМС.

алабам

Цитата: rusmax от 07 Дек. 2018 в 12:42Смысл в данном случае сигнализировать о превышении (в идеале и снижения) допустимого предела зарядн
почитайте темы о титанатах и вы поймете что простота контроля и дешевизна этого девайса ,  быстро обернется потерей немалой суммы денег в виде угробленных ячеек.
Киев, полный привод, Поларис 500вт +Кроха 3 кВт ,Хедвей 19s2p

Oleg46

Уже месяца 3 на балконе тестирую такой агрегат: https://ru.aliexpress.com/item/Consumer-Electronics-Shop-Free-shipping-Digital-Battery-Capacity-Checker-RC-CellMeter-7-For-LiPo-LiFe-Li/32602805488.html?spm=a2g0s.9042311.0.0.274233edJNsmLV
Он и как балансир работает, но сосет из сборки прилично..
А вот как индикатор справляется со своими обязанностями на 5+. Планировал его провести от АКБ к водительскому месту и подключать иногда для побаночного контроля и общего напряжения расбалансировки. Но не успел до морозов)) Пока на балконе греет пакетную сборку на 10ач))
Спойлер
Prius 41 30ач фугасы LTO
RAV4 50 40ач фугасы LTO

hiker51

Цитата: Oleg46 от 09 Дек. 2018 в 15:40
Уже месяца 3 на балконе тестирую такой агрегат: https://ru.aliexpress.com/item/Consumer-Electronics-Shop-Free-shipping-Digital-Battery-Capacity-Checker-RC-CellMeter-7-For-LiPo-LiFe-Li/32602805488.html?spm=a2g0s.9042311.0.0.274233edJNsmLV
Он и как балансир работает, но сосет из сборки прилично..
А вот как индикатор справляется со своими обязанностями на 5+. Планировал его провести от АКБ к водительскому месту и подключать иногда для побаночного контроля и общего напряжения расбалансировки. Но не успел до морозов)) Пока на балконе греет пакетную сборку на 10ач))
Спойлер
Да хреновенько он по всем параметрам, и как показометр тоже, там же брал, мой отзыв последний. Подключал его после V27 с точностью баланса 0,000, так все разбежались как тараканы. Уж лучше версию до 0,00 брать на одном дисплее, не так глаз мылить будет своим разбегом)))
Не рекомендую!
Toshiba SCiB 10A/h 2p5s (20A/h) на Дастере 2,0 вместо 70A/h свинца, Гена 120А, автономный GSM подогрев масла от LTO.

rusmax

Цитата: VladNSK от 07 Дек. 2018 в 13:17
Может, под Вашу задачу подойдёт вот это :
https://ru.aliexpress.com/item/DC-12V-Charging-Discharge-Switch-Control-Module-Voltage-Monitor-Switch-Control-Board-Module-with-Upper-and/32609143111.html?spm=a2g0s.9042311.0.0.274233edYSMsON
Может и пойдёт. Только сколько он потребляет даже если отключить дисплей?

Цитата: Blik86 от 07 Дек. 2018 в 20:17
Посмотрите celllog 8 , у него есть выход на пищалку. Но жрать он будут дофига, как и другие девайсы для проверки батареек.
Если низкое потребление принципиально и большего не требуется то надо пищалку прикручивать к БМС.
Неплохая идея. Для предотвращения дальнейшего разряда самой пищалкой, подключить её через БМС.
Приус 20 (Tosiba SCiB 60Ah 3p5s;Бинар-5Б-Компакт) + i-miev (титатантка)

rusmax

На Али уже есть BMS на 200А. Для бесстартерных авто, например для Приуса уже годится.  :-)
Приус 20 (Tosiba SCiB 60Ah 3p5s;Бинар-5Б-Компакт) + i-miev (титатантка)

ligen


Blik86

Цитата: rusmax от 10 Дек. 2018 в 11:05Для предотвращения дальнейшего разряда самой пищалкой, подключить её через БМС.
Так она и пискнуть не успеет. Как вариант в салон завести "зеленый" индикатор запитаный через БМС. Пока горит все ок, как потухнет...
А если взять асимметричную, то два индикатора...

VladNSK

Добрый день!
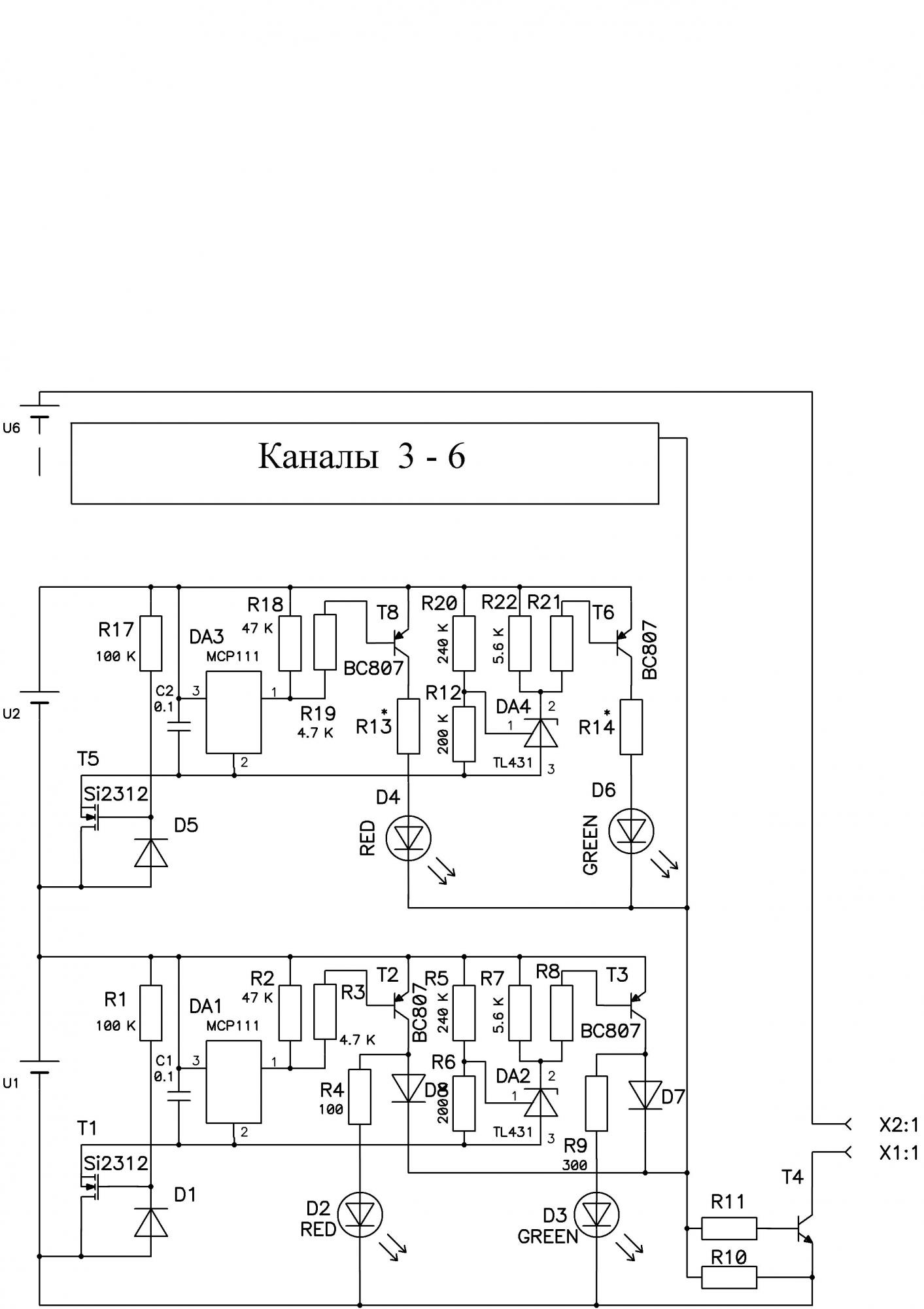
Попробовал порисовать схему.
Получилось так:


Расчётный по даташитам потребляемый ток менее 10 мкА.
После макетирования эта цифра будет уточнена.
На транзисторе Т1 выполнена защита от переполюсовки.
Нижний порог напряжения, в данном случае 1.9 В, определяется супервизором
напряжения питания, DA1.  Порог срабатывания встроен в микросхему.
Подобрать можно и на другие напряжения. Например, для MCP111 доступен ряд
1.90V, 2.32V, 2.63V, 2.90V, 2.93V, 3.08V, 4.38V и 4.63V
Верхний порог задаётся делителем R5, R6.
Напряжение можно рассчитать по формуле:  V= 1.24 (1+R5/R6).
( В выбранной микросхеме Vref=1.24 B).
В первом канале схема чуть отличается.

Работать должно так:
Если напряжения всех ячеек АКБ больше нижнего порога и меньше верхнего,
то схема "спит".
Если условие нарушено, то открывается транзистор Т4, а через подключенный
к разъёму пьезоизлучатель течёт ток. "Больная" ячейка подсвечивается
красным светодиодом, если её напряжение ниже 1.9 В, и зелёным, если
её напряжение больше 2.7 В.

911

Цитата: VladNSK от 20 Дек. 2018 в 10:15
Добрый день!
Попробовал порисовать схему.
Получилось так:
Позвольте высказать своё видение
1.
С точки зрения "пользователя"
- зелёный цвет ассоциируется с "Всё Ок".
- красный цвет ассоциируется (в большинстве случаев) с превышением напряжения.
Потому, если учитывать психологическое восприятие, то (на мой взгляд естественно, пусть меня поправят) более разумным было бы:
- напряжение превышено - "красный светодиод"
- напряжение провалилось ниже - "синий светодиод"
2.
Разместить на плате светоиндикацию м.б. и технологично и правильно с точки зрения производителя.
А вот в реальных условиях пользоваться не удобно.
Поясню:
Сборку в большинстве случаев заключают в корпус.
Если располагать балансир, оповещатель/сигнализатор, вольтметер, технологический разъём, клеммы и т.п., то корпус будет облеплен всякими нашлёпками, в лучшем случае в термоусадке.
Это не правильно, очень не надёжно, да и не красиво в конце концов.
Можно заключить в герметичный корпус для закрепления снаружи, но боюсь стоимость такого корпуса будет сравнима со стоимостью этого устройства.

Потому считаю, что если уж делать такое полезное устройство, то делать его надёжным и удобным.
Для этого можно хотя бы предусмотреть выносную плату светоиндикации (как пример, по аналогии с выносной у термокейса или как у китайцев
https://ru.aliexpress.com/item/12V-LY6W-Lead-Acid-Battery-Capacity-Indicator-LCD-Digital-Display-Meter-LiPo-Battery-Capacity-Power-Detection/32748498834.html?spm=a2g0v.search0302.3.302.15ee45e3a9MRXg&ws_ab_test=searchweb0_0,searchweb201602_0_450_452_532_533_534_10618_535_317_318_319_10059_10696_10084_100031_10083_10887_320_10307_321_10889_322_323_204_326_448_10065_449_10068_10301_10103_10884,searchweb201603_0,ppcSwitch_0&algo_pvid=28addc20-abd9-45b7-a4f3-3583daa45889&algo_expid=28addc20-abd9-45b7-a4f3-3583daa45889-36) с пищалкой для закреплении на наружной крышке корпуса.
Что даст и более сильный звук и светоиндикацию.
Иначе, звук услышали, а посмотреть визуально нет возможности - плата внутри.

Добавлено 20 Дек 2018 в 11:12

Цитата: Синицын от 20 Дек. 2018 в 11:02
Есть готовое решение.
Для стационарного варианта от 220в м.б. и сгодится, а для светодиодных панелей или в авто ?
А токи какие оно способно пропустить ?
Включать его в ручную ?
На авто отключило АКБ и ....?

VladNSK

Цитата: 911 от 20 Дек. 2018 в 11:07
Позвольте высказать своё видение
1.
С точки зрения "пользователя"
- зелёный цвет ассоциируется с "Всё Ок".
- красный цвет ассоциируется (в большинстве случаев) с превышением напряжения.
Потому, если учитывать психологическое восприятие, то (на мой взгляд естественно, пусть меня поправят) более разумным было бы:
- напряжение превышено - "красный светодиод"
- напряжение провалилось ниже - "синий светодиод"

2.
Разместить на плате светоиндикацию м.б. и технологично и правильно с точки зрения производителя.
А вот в реальных условиях пользоваться не удобно.
Поясню:
Сборку в большинстве случаев заключают в корпус.
Если располагать балансир, оповещатель/сигнализатор, вольтметер, технологический разъём, клеммы и т.п., то корпус будет облеплен всякими нашлёпками, в лучшем случае в термоусадке.
Это не правильно, очень не надёжно, да и не красиво в конце концов.
Можно заключить в герметичный корпус для закрепления снаружи, но боюсь стоимость такого корпуса будет сравнима со стоимостью этого устройства.

Потому считаю, что если уж делать такое полезное устройство, то делать его надёжным и удобным.
Для этого можно хотя бы предусмотреть выносную плату светоиндикации (как пример, по аналогии с выносной у термокейса или как у китайцев
https://ru.aliexpress.com/item/12V-LY6W-Lead-Acid-Battery-Capacity-Indicator-LCD-Digital-Display-Meter-LiPo-Battery-Capacity-Power-Detection/32748498834.html?spm=a2g0v.search0302.3.302.15ee45e3a9MRXg&ws_ab_test=searchweb0_0,searchweb201602_0_450_452_532_533_534_10618_535_317_318_319_10059_10696_10084_100031_10083_10887_320_10307_321_10889_322_323_204_326_448_10065_449_10068_10301_10103_10884,searchweb201603_0,ppcSwitch_0&algo_pvid=28addc20-abd9-45b7-a4f3-3583daa45889&algo_expid=28addc20-abd9-45b7-a4f3-3583daa45889-36) с пищалкой для закреплении на наружной крышке корпуса.
Что даст и более сильный звук и светоиндикацию.
Иначе, звук услышали, а посмотреть визуально нет возможности - плата внутри.

По п.1  Красный светодиод требует 1.8 В, синий 3.6 В. При понижении питания до 1.9 может гореть лишь красный диод.
По п. 2   Я свой индикатор помещу в прозрачную термоусадку и подключу к контрольному разъёму. Как кто придумает сделать
лучше - пусть напишет с фото.  Излучатель пришёл сегодня. Громкость с запасом.

911

Цитата: VladNSK от 20 Дек. 2018 в 11:18
По п.1  Красный светодиод требует 1.8 В, синий 3.6 В. При понижении питания до 1.9 может гореть лишь красный диод.
Хорошо, при пониженном "красный" - как сигнал опасности.
А другие цвета  при превышении ?
Или может тогда режим мигания того же красного?
Только не зелёный.
В 90% случаев это будет воспринято, что всё Ок.
Цитата: VladNSK от 20 Дек. 2018 в 11:18
По п. 2   Я свой индикатор помещу в прозрачную термоусадку и подключу к контрольному разъёму. Как кто придумает сделать
лучше - пусть напишет с фото.  Излучатель пришёл сегодня. Громкость с запасом.
Еслши у излучателя громкость достаточна - снимаю свою поправку.
В принципе пластинка со светодиодами в термоусадке имеет право на жизнь снаружи корпуса, как начало.
В дальнейшем дествительно можно будет что-то и придумать.