Полезная информация


avatar_kol

Все о контроллерах curtis

Автор kol, 03 Дек. 2012 в 01:26

« назад - далее »

0 Пользователи и 1 гость просматривают эту тему.

edw123

Цитата: konstantin8818 от 20 Сен. 2019 в 11:05
Просто из любопытства переключил контроллер в режим speed mode express в котором он управляет оборотами двигателя а не крутящим моментом и вуаля - мотор покорно слушается педали... но ведь в таком режиме него нельзя применять в электромобиле, или можно??? Кто может подсказать?
Всё можно. Просто torque mode чуть более "естественен" по оклику. Но это надо сначала сравнить и почувствовать разницу.

konstantin8818

Цитата: edw123 от 20 Сен. 2019 в 11:59Всё можно. Просто torque mode чуть более "естественен" по оклику.
Вот, собственно, это и интересно. Единственная разница в настройках этих режимов в том что в управлении крутящим моментом есть еще настройки симуляции автоматической коробки передач и есть подозрение, что он просто не будет работать без педали тормоза ведь она критично важна для автоматической коробки. А педаль тормоза у меня отключена. Хотя ее можно включить на обычную кнопку(лягушку на стандартной педали тормоза) 0-100% тогда и регенеративное торможение работать будет от легкого касания педали.

Еще один вопрос - настройка скольжения.
Я, если честно, начинаю путаться: везде в литературе пишут число ПАР полюсов. А в мануале куртиса написано "число полюсов" от 2 до 8.  Если на схеме написано "Число полюсов 2р=6" это значит что у меня три пары полюсов или просто шесть полюсов?
Тогда как рассчитать скольжение в моем случае? Макс обороты двигателя 6000 об/мин макс частота контроллера 300Гц. Число полюсов 2р=6.
По формуле расчета скольжения для обычного двигателя, включенного в сеть получается какая-то несуразица. Так еще и в контроллере значение скольжения задается от 0 до 200 единиц, а мануал ни чего об этом не говорит, а предлагает позвонить куртисовцам...

edw123

Цитата: konstantin8818 от 20 Сен. 2019 в 12:55
есть еще настройки симуляции автоматической коробки передач
Это уже приятные плюшки, но некоторым не нравятся. Принципиально оба режима полностью применимы.

По скольжениям ничего не могу сказать  :bn:

konstantin8818

Цитата: edw123 от 20 Сен. 2019 в 14:26Принципиально оба режима полностью применимы.
Ок. Спасибо за инфу. Теперь нужны аккумы и буду эту телегу по двору катать=)

konstantin8818

Здрасте всем :-)
Есть первая победа над куртисом, к сожалению и последняя в этом году, так как хранить в собранном виде машинку негде, так что зимовать электроника будет дома.

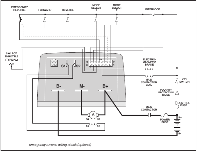
Кратко: АКБ стартерные, подешевле, временные. 75 Вольт 60Ач. Контроллер куртис 1236-6301, двигатель асинхронный на совмещенных обмотках.
Контроллер настраиваю через ноутбук с СОМ портом и софтиной, гуляющей в свободном доступе по интернетам.
Рама послужит еще испытательным стендом, но буду делать сварную из трубы - наигрался с листовой сталью. Опыт - сын ошибок трудных :sorry:
На севших аккумах при 72В и просадке до 65(установил сам что бы не убить раньше времени аккумуляторы) осмелился разогнаться до 60 км/ч - было страшно.


flygti

У меня такой же контроллер. Управления по моменту даже нет в настройках.

Вопрос как подключили контактор? Вроде собрал все по схеме - не работает. Включаю KSI и тишина. Еще не могу избавиться от ошибки PDO Timeout.

konstantin8818

Если контроллер такой-же то очень странно что нет управления моментом. Это цифра "2" в настройках. "0" это управление оборотами с минимальными настройками, "1" то же но с развернутыми настройками.
Сейчас все подключено как в мануале показано. Но в будущем переделаю на управление через БМС Юрия Логвина. Она будет управлять KSI а не через тумблер как сейчас.
В настройки CAN шины я не лазил так как не использую ее. Но вообще ваша ошибка ругается на неправильно заданный таймаут PDO Timeout Period
Свою прошивку сохранял. Сейчас покопаюсь - найду.

kaisinger

Здравствуйте. Помогите с проблемой. Есть контроллер Curtis серии 1243 на 300А . Не запускается. Вроде все по схеме подключено, но запуска нет. Есть ошибка 3.2. Плюс на катушку контактора приходит, а вот минус контроллер не выдает. Вопрос почему?





Серик

Здравствуйте,
Уважаемый kaisinger!
Цитата: kaisinger от 01 Янв. 2020 в 11:28
https://electrotransport.ru/images/4/1jtc67x.png
Драйвер контактора неисправен?
Залезть в контроллер посмотреть?

kaisinger

Цитата: Серик от 01 Янв. 2020 в 19:05Драйвер контактора неисправен?
Залезть в контроллер посмотреть?
посмотреть через программу или физически? Если в программе ,то не могли бы указать что за параметр?

Серик

#82
Доброго дня!
У меня нет программы и "шнурка".
Как то лазил в 1221 (не было выхода на контактор), драйвер контактора в аналоговом контроллере состоял из полевого транзистора, операционного усилителя компаратора 293 , низкоомного резистора (токовый шунт для контроля тока обмотки катушки контактора?) и какой-то цифровой микросхемы. Но в моем случае дело было не в драйвере контактора, как оказалось. При замене деталей по питанию (оказывается внутрь корпуса контроллера попадала вода) начал срабатывать контактор,все заработало.
В целом мало в этом соображаю, но представляю себе примерно так: подается питание и контроллером производится диагностика, если все нормально и далее если водитель производит правильную последовательность включения (там HPD и прочее), то все должно заработать.
Если Ваш контроллер кодирует ледом ошибку и указывает на:
1.Main contactor stuck closed.
2.Main contactor driver shorted.
То надо выполнить:
Check wiring and contactor,
затем: cycle KSI.
1.Stuck я не знаю что такое (google translate дает: "главный контактор заклинило"), может быть главные/силовые контакты (или якорь контактора заклинило мусором и пр.?)?
2.Закорочен драйвер главного контактора (google translate дает: "главный контактор закорочен")?
То есть необходимо проверить внешние цепи от контроллера к контактору, можно прозвонить обмотку контактора, как правило они не более чем 1 амперные. Проверить главные контакты. Проверить механику якоря контактора и т.п.
Cycle KSI - выключить питание (замок), все проверить/устранить, затем включить питание (замок).
Затем уже, например, из любопытства, можно залезть внутрь контроллера и посмотреть что там и как.
1243-это для SepEx двигателя?
А у Вас какая техника?



kaisinger

Цитата: Серик от 02 Янв. 2020 в 13:12А у Вас какая техника?
Телега передвижная на желедной дороге)

Еще такой вопрос. Контроллер постоянно проверяет наличие двигателя. Т.е. "щупает" он его клеммами М- и B+. Вопрос в том, как он это делает? Как контроллер понимает , что двигатель подключен? Кертис делает это через замер сопротивления или индукции? 

Серик

#84
Здравствуйте,
Уважаемый kaisinger!
ЦитироватьВ целом мало в этом соображаю,
Уже писал, в этом мало понимаю, не могу сказать.
Но почитать об этом-всегда интересно!
К тому же, Sepex контроллер, наверно, должен щупать не только цепь "арматуры" но и цепь обмоток.
Автор этой темы реализовал самодельный SepEx контроллер, если я не ошибаюсь.
https://electrotransport.ru/index.php?topic=18638.0
https://electrotransport.ru/index.php?msg=1502470

PupaJr

Доброго всем.
Тут вопрос уже поднимался - как разобрать контроллер для ремонта - он залит резиновым компаундом, с боков пластиковые крышки, снизу 6 винтов сквозь корпус в радиатор.
Винты открутил, заднюю крышку начал отковыривать - ломается у корпуса а далее насмерть приклеена - боюсь пока что-то далее делать.
1209-7202 275А 72-120в от электро тележки.

Серик

Здравствуйте,
Уважаемый PupaJr!
Нагреть феном компаунд и прорезать ножом весь периметр компаунда, ограничив глубину погружения ножа.
Тянуть (предварительно открутив винты в основании) за шину М- можно уверенно, а за шины B+ и  B-  осторожно, не сильно. За шину А2 вообще не стоит тянуть.



Картинка с интернета.

PupaJr

Спасибо большое, прояснилось.
Нашёл как вскрывали похожий блок и там же есть много по доработке, и ремонту...
https://www.summet.com/blog/2017/01/08/curtis-1231c-8601-500a-pwm-dc-motor-controller-teardown/

Вот мой процесс вскрытия в картинках может кому поможет тоже:
Начал отковыривать по периметру без нагрева-

оторвал шильдик чтобы не сплавился от строительного фена - с ним правдо пошло легче


с боку были какие-то винты - при вскрытии задней стенки - она вся сломалась увидел что они просто вкручены и ничего не держат. пошевелил плату и радиатор - оторвал всё от корпуса и всё легко задвигалось вверх/вниз, а так была прилипшая и просто вытягивать вперёд думаю бы было очень трудно.

Перешел к нагреву переда и подковыриванию с боков.

В итоге проковыряв всё по периметру чуток и шевеля за "попу" плату и радиатор перед зашевелился ещё легче и подался вперёд - даже за концы не тянул.


При осмотре платы ни дыма ни копоти не видать... видимо управляйка сдохла.. будем курить...

alexb2006

Цитата: Evares от 06 Окт. 2018 в 05:12доброе утро кто столнулся с такой проблемой помогите что только не пробывал толку 0
com port max232 ft232l
model curtis 1234-5371
Посоветуйте как подключиться

на 3 фото после установки программы выходит сообщение  на 3 компьютерах пробывал одинаково
используйте программу версии 4401 и обязательно под ХР, возможно под семеркой тоже работает, но на WIN10 x64 точно не работает

gravicapa

всем здравствуйте.
я дико извентиляюсь, я тут типа мимо проходил и есть вопрос, может кто то помочь найти описание приборной панели кары TFN?
какие букафки что означают? :kidding: