avatar_kol

Все о контроллерах curtis

Автор kol, 03 Дек. 2012 в 01:26

« назад - далее »

0 Пользователи и 1 гость просматривают эту тему.

Xenonci

Обороты и так довольно высокие 2800. При ослаблении поля если я не ошибаюсь момент падает. Даст ли это эффект? Поподробнее : как подключить обмотки 2 по 2 в параллель? Ткните где на форуме об этом писалось. Свой движок ставили на машину?
Сорри за офтоп: вопрос где найти шлицевой вал 24 z 28mm для переходника?
Электроскутер 1000W 40 км/ч 22Ач - детям.
Электромот гибрид (с геной на багажнике) на широких колёсах 4000W 85км/ч 43Ач - себе.
ЭлектроЛУАЗ в процессе трансформации с сериесника на BLDC.

Newgamer

Переходим в тему электродвигатель ДС 3.6 в разделе электромобили.
ЗАЗ-968М "Зверюга" продан. Трайк "Конёк горбунок".
Электро Ока медленный "Мини КАМАЗ"

Xenonci

Добрый день. Пытаюсь запустить Curtis 1253-8001. Все подключено. Индикатор LED показывает код 01 - готов. KSI и Interlock подан. Никак не реагирует на педаль газа. По умолчанию вроде 0—5кОм. Пробовал и 5 Вольт и 1—10кОм. Молчит и показывает 01. Есть сомнение насчёт lift lockout - надо подавать питание или нет. Также отсутствие контактора может влиять?

5FBD5B68-39C1-453A-8B1D-B4B205016D3A.jpg
2F3A2062-CFC9-40CE-973F-F940A616CDB2.jpg
72F03349-9C52-486B-9F2A-F55B9FDCB498.jpg
CF75DFBD-3D4F-41C4-947D-1DFA591A432D.jpg
Электроскутер 1000W 40 км/ч 22Ач - детям.
Электромот гибрид (с геной на багажнике) на широких колёсах 4000W 85км/ч 43Ач - себе.
ЭлектроЛУАЗ в процессе трансформации с сериесника на BLDC.

Xenonci

Заработал от предустановленных скоростей. Педаль газа по прежнему не отзывается :bn:
Электроскутер 1000W 40 км/ч 22Ач - детям.
Электромот гибрид (с геной на багажнике) на широких колёсах 4000W 85км/ч 43Ач - себе.
ЭлектроЛУАЗ в процессе трансформации с сериесника на BLDC.

midway

Цитата: Xenonci от 20 Март 2024 в 14:13Заработал от предустановленных скоростей. Педаль газа по прежнему не отзывается :bn:
Потенциометр типа педали газа. он посредине на схеме- это 2.5 вольта или 2.5 кОм. при перемещении от центра потенциометра в какую либо сторону происходит плавное изменение вращения двигателя. Если в кранем положении то у контроллера возможно срабатывает защита.

Xenonci

#113
Midway, думаешь так все сложно с потенциометром? Обычно от 0-5кОм мин- Макс .
По умолчанию поставка идёт с настроенным 0—5кОм. Пробовал и 1—10кОм и 5Вольт подавать ( холловую педаль ещё попробую)

C76A2A3D-071F-4C36-B03D-44FBADD2B8EC.jpg
9EB5F08E-35B8-4A1C-A867-961779A8A1EA.jpg
Электроскутер 1000W 40 км/ч 22Ач - детям.
Электромот гибрид (с геной на багажнике) на широких колёсах 4000W 85км/ч 43Ач - себе.
ЭлектроЛУАЗ в процессе трансформации с сериесника на BLDC.

midway

Написано по умолчанию 0-5кОм, предполагается двухпроводной режим

Xenonci

Цитата: midway от 20 Март 2024 в 21:32Написано по умолчанию 0-5кОм, предполагается двухпроводной режим
Пробовал сегодня и двухпроводный 0-5кОм и 5-0кОм - молчит как бешеный конь.
Электроскутер 1000W 40 км/ч 22Ач - детям.
Электромот гибрид (с геной на багажнике) на широких колёсах 4000W 85км/ч 43Ач - себе.
ЭлектроЛУАЗ в процессе трансформации с сериесника на BLDC.

midway

Видео запустить в яндекс браузере, включить перевод на русский язык
MSeries_manual_en.pdf

Xenonci

Да я занимаюсь уже этим вопросом. Есть возможность достать программатор Кёртис.  :-)
Электроскутер 1000W 40 км/ч 22Ач - детям.
Электромот гибрид (с геной на багажнике) на широких колёсах 4000W 85км/ч 43Ач - себе.
ЭлектроЛУАЗ в процессе трансформации с сериесника на BLDC.

midway


Xenonci

До понял я все про переходник. Есть и шнурок USB- COM. Не тороплюсь его программировать, т.к заказал ещё более высоковольтный Curtis 1209В до 120Вольт.
Этот продавать буду т.к он до 100Вольт.

BDC88CE7-8A89-425F-A4E7-566D5E8EF6B8.jpg
Электроскутер 1000W 40 км/ч 22Ач - детям.
Электромот гибрид (с геной на багажнике) на широких колёсах 4000W 85км/ч 43Ач - себе.
ЭлектроЛУАЗ в процессе трансформации с сериесника на BLDC.

w2den777

Добрый день уважаемые! Итак имеется электрическая рохля с китайский контроллером pvm48s05. Если в вкратце то она стала ездить медленно, на контроллере зажигаются 4 раза желтый и 3 раза красный, в кусочке слезно выпрошенной у китайцев документации написано что это несогласованный сигнал тревоги и что то там про незавершенное сопоставление. Вроде как остальная аппаратная часть исправна, с эндодерм тоже нормально там поковырялись, думаю не в нем дело, сейчас думаю что проблема в слетевшем конфиге, но продавец телеги не может никак проверить контроллер, так как нет софта. Такой контроллер можно купить за 25к, но нафиг надо, сломается если опять.

Прошу порекомендовать контроллер curtis на замену (48 вольт, bldc мотор 750 ватт)
Еще вопрос, смогу ли я его сам настроить вот этой программой? (1314-4402 PC Programming Station (OEM))
Будет ли работать для этих целей can переходник на ардуино отсюда? drive2

Xenonci

#121
Если у вас BLDC мотор, да ещё и 750Вт зачем вам Curtis? Берите двухрежимный китайский для электровелосипеда на 1кВт? 48Вольт и будет вам счастье. Они работают из коробки. Curtis в основном идут для ДПТ и АД движков.
Движок рохли точно на энкодере а не на холлах? Можно взять двухрежимный и запустить в бесхолловом режиме. Судя по мощности и скорости рохли там передаточное огромное и просадка при старте будет незаметна.
Контроллер ОЕМ коммерческий - поэтому и  информации у продавца нет. Переделайте проводку под обычный. Так по контактам мощность явно более 750Вт.
18808BA2-FD6D-4E53-8F14-16297EFEC1B7.jpg
Электроскутер 1000W 40 км/ч 22Ач - детям.
Электромот гибрид (с геной на багажнике) на широких колёсах 4000W 85км/ч 43Ач - себе.
ЭлектроЛУАЗ в процессе трансформации с сериесника на BLDC.

w2den777

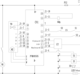
Спасибо за ответ! Движок на холлах, их там 3 штуки и 10 полюсное магнитное кольцо, передаточное действительно большое. Разумеется я думал про коробку от велосипеда, но на рохле есть магнитный тормоз, датчик положения штанги и кнопка пуза, при нажатии которой в режиме движения назад, телега отъедет обратно. Все это нужно что бы она не придавила оператора и остановилась если оператор будет ошибаться. Все же тележка возит 1000 кг груза. Прикладываю схему телеги, фото мотора и фото холлов для лучшего понимания.




Xenonci

#123
Схема - это прекрасно. Все же я думаю можно переделать. Электромагнитный тормоз через реле от напряжения батареи. Кнопку пуза на реверс тоже через реле. Нерешаемых проблем не вижу.
Управление двигателем подъема можно полностью на реле сделать.
Только преобразователь нужен 48В в 24В
Screenshot_20240405-164710.jpg
Электроскутер 1000W 40 км/ч 22Ач - детям.
Электромот гибрид (с геной на багажнике) на широких колёсах 4000W 85км/ч 43Ач - себе.
ЭлектроЛУАЗ в процессе трансформации с сериесника на BLDC.

Xenonci

Напомню предысторию. Контроллер Curtis 1253-8001 не запускался от педали газа. Только от переключения предустановленных скоростей. Тип педали был неизвестен.
Сегодня дошли руки - подключил программатор Curtis 1313. , Оказалось педаль газа тип 3 (1-10кОм). У меня же была 0-5кОм. Сменил тип педали и контроллер запустился.
IMG_20240508_181214_676.jpg
IMG-20240508-WA0001.jpg

Видео запуска двигателя от контроллера:
https://www.avito.ru/lipetsk/remont_i_stroitelstvo/kontroller_curtis_1253-8001_3929013974?utm_campaign=native&utm_medium=item_page_android&utm_source=soc_sharing_seller
Электроскутер 1000W 40 км/ч 22Ач - детям.
Электромот гибрид (с геной на багажнике) на широких колёсах 4000W 85км/ч 43Ач - себе.
ЭлектроЛУАЗ в процессе трансформации с сериесника на BLDC.

vlavita

нужна помощь.
есть контроллеры 1232Е-6224 и  новый 1232Е-6221
в чем их разница, возможно ли их менять и перезалить программу с одного в другой?