Полезная информация


avatar_Эдуард

Как собрать БМС самому?

Автор Эдуард, 29 Июнь 2013 в 15:19

« назад - далее »

0 Пользователи и 1 гость просматривают эту тему.

clawham

я уже молчу про выделенный проц каждой банке :) одну тиньку можно было бы сразу для 3-х банок юзать. но тогда не тиньку13 а 2313. там ножек поболе.
1)8FUN SWXK 250w24V@17A48V 13S4P LGD1, China kontr
3)MXUS 3000 @90A80V LiFePo 20Ah 25S, Nucular 12F
Telegram @clawham

TRO

При замере напряжения делитель жрет электричество. Я на тиньке13 подключал всего лишь одно сопротивление на минус, а перед замером включал сопротивление подтяжки, и потом на получившемя делителе мерял напряжение, после замера выключал подтяжку, между замерами впадал в спячку. Потреблялось около 100мкА. При балансировке два ШИМ выхода раскачивали мелкие феты на двухобмоточный дроссель (вторая обмотка через диод сливала накопленное назад в батарею), ток балансировки был до 0.8А (оганичен малой частотой ШИМ тиньки и примененным сердечником из мелкого кольца распыленки). Тиньки мелкие дешовые оптом, нету смысла городить огород с одним процем на три ячейки.

Wahoo 2012 29er, +собран складной двухосис на раме"Land Rover" 69er с эл. мотором, и и МОНОКОЛЕСО

DCDC

#110
Большое спасибо за комментарии.  :kidding: На счет тиньки - просто хочу попробывать сделать балансир на одну ячейку для эксперимента (если всё выйдет то и на батарею). А вот как управлять мосфетами что-то я не догоняю. Можно примудрить по классике



но как правильно замечено - заряд батареи всё равно будет происходить. и чем это плохо? как на меня это лудше - можно мк заблокировать батарею а разблокировать по мере зарядки.

i

Я сделал так. Отъездил два сезона (на параллельном соединении, так как зарядка у меня не идет через него).

DCDC

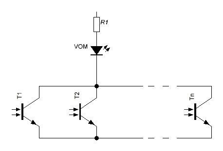
С таким подключение я согласен.  :wow: А вот как на одну vom1271 подключить много балансиров?

i


DCDC

#114
К такому варианту Я тоже дошёл, но меня смутило предельное напряжение на транзисторе оптопары          (если не ошибаюсь порядка 30 В). Значит надо искать оптопару с подходящими параметрами транзистора (напряжение порядка 60В). Есть что на примете?

i

Необязательно это питать от напряжения всей батареи (достаточно 1-2 ячейки).
Можно добавить еще транзистор (на нужное напряжение) между оптронами и вомом.

DCDC

#116
А как сильно просаживаются ячейки если от них запитать? По идеи эти ячейки будут однозначно садиться раньше других.

i

Можно посчитать насколько раньше разрядится одна ячейка током 10А+10мА, чем другая  током 10А.

DCDC

У моего малого машинка на РУ, там стоит батарея Липо, для контроля взял вот такую штуку http://www.parkflyer.ru/101759/product/114335/, так заметил что первая банка садиться ВСЕГДА раньше. Я понимаю что питание идёт с первой ячейки, вот и следствие - ВСЕГДА садиться первая банка (2S) из-за того что ток нагрузи+ток контроллера. В своей схеме решил попробывать поставить высоковольтный транзистор, посмотрим что выйдет.

DimS

В прошлом году обзавёлся электрокомплектом, за сезон ячейки попухли и стали мало держать. Стал разбираться - сильный разбаланс. От 3.3 до 3.8 вольт. Покупная BMS имеет верхнюю границу отсечки в 3.8 вольт, при этом остальные элементы не дозаряжаются. Зарядник на 3 ампера. После такого дела решил кардинально пересмотреть управление аккумулятором. Пошёл по пути наименьшей сложности - контроль за разрядкой возложить на человека. Набросал схему, макетирование в микрокапе показало работоспособность. При разряде любой ячейки ниже 2,63 вольта начинает пыхать светодиод (закреплённый на руле). Отсюда появляется выбор, что делать дальше.  Контроль верхнего напряжения не нужен в виду планируемой параллельной зарядки. Схему прилагаю. Критика приветствуется.

DCDC

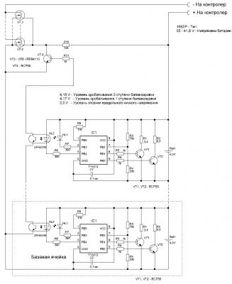
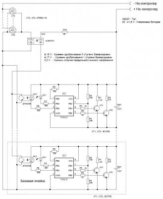
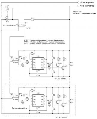
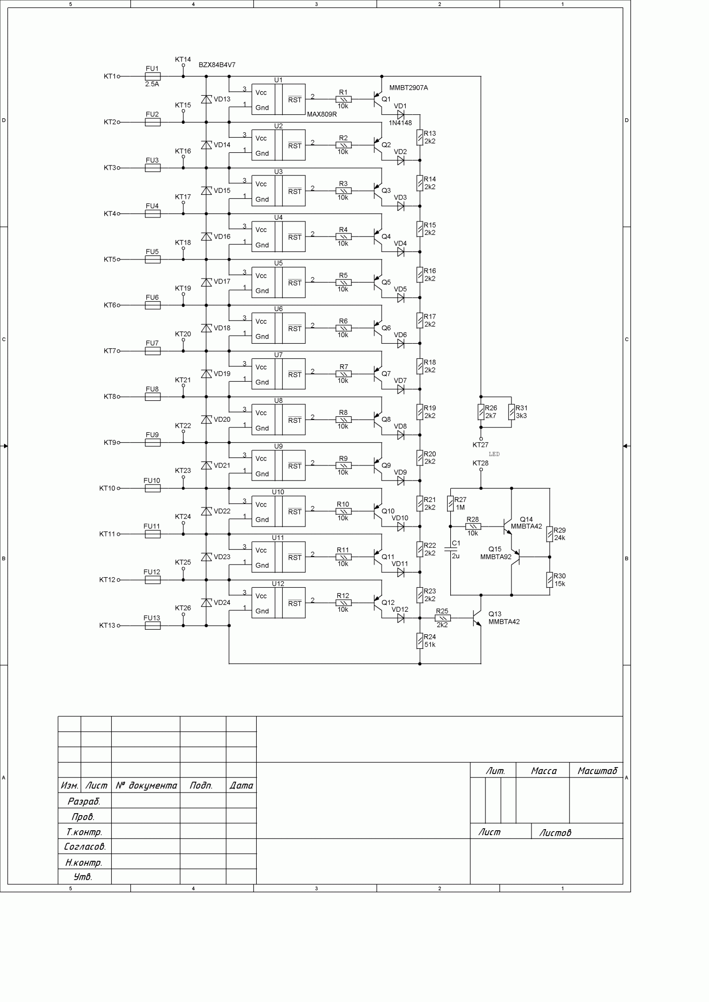
Вот мой крайний вариант БМС на тини13. Батарею буду делать типа 10S.



На сайте чип и дип подготовил заказ деталей, сумма вышла порядка 2000 р. На следующей неделе буду заказывать. :ah:

DimS

Я так понял, если одна ячейка сядет ниже 3,3 и её оптрон закроется, то остальные всё ещё открыты вместе с VT3 и VT4, ток отдаётся и ячейка добивается..  :pardon:

i

Цитата: DCDC от 08 Нояб. 2014 в 15:25
Вот мой крайний вариант БМС на тини13. Батарею буду делать типа 10S.
1.Ключи VT3-VT4 работают только на разряд (при заряде ток все равно будет течь через их паразитные диоды).
2.Ключи будут открыты пока открыт хоть один оптрон.
3.Нужны мелкие блокировочные конденсаторы (0,1мкФ), иначе микроконтроллер с ума сойдет.

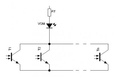
Для исправления пункта 2, можно выходы оптронов соединить последовательно(коллектор нижнего с эмиттером верхнего).
VOM можно заменить на стабилитрон 12V (коллектор верхнего оптрона подключить к резистору R10, а эмиттер нижнего к стабилитрону, подключенному затвор-сток). При таком подключении ключи будут открыты только пока открыты ВСЕ оптроны.

DCDC


i

VT9 никогда не откроется, так как нет тока базы. (резистор или изменить включение)
Даже если удастся его открыть, то оптроны не смогут закрыть его, просто потому, что на каждом из них будет падать напряжение и в сумме оно будет гораздо больше 0,6В открытого базового перехода. (изменить включение)
На затворы ключей нельзя подавать более 20В, иначе будет пробой. (стабилитрон)

DCDC