Полезная информация


avatar_Эдуард

Как собрать БМС самому?

Автор Эдуард, 29 Июнь 2013 в 15:19

« назад - далее »

0 Пользователи и 1 гость просматривают эту тему.

TRO

Цитата: DIVAS от 03 Июнь 2014 в 15:07
.... на старых добрых компараторах/операционниках и TL431 никто ничего не делал, или все стесняются заводить разговор на эту тему?
Я так прикинул, вроде не так уж плохо получается. Жрёт конечно многовато - 1-2 мА.
Но при емкости батареи 85 Ач это, на мой взгляд, несущественно.
.....
Утрируете. Этож каким надо быть скрягой, чтобы имея батарею 85 Ач собирать БМС на TL431.
Я предпочитаю допиливать заводскую (ей цена 30уе, допаиваю оптронов на балансиры и завожу это в зарядку).

Wahoo 2012 29er, +собран складной двухосис на раме"Land Rover" 69er с эл. мотором, и и МОНОКОЛЕСО

ДмитрийМver2.0

Все пробовали TL431 и (я по крайней мере) МС34161 и ещё некоторые Ис, НО потребление столь велико и количество обвязки для нескольких каналов начинает зашкаливать. Если говорить только о балансирах то имхо проще взять платку типа http://www.ebay.com/itm/261492766158 (4 готовых канала за 4 доллара) и поставить сколько надо. Если же задуматься о верхних/нижних порогах то дешевле буржуйской BMS всё равно не сделать. Проблема у них только с странно выбираемыми порогами по верху/низу/началу балансировки, иногда они никак не совпадают с рекомендациями по долговечности. Тут помогает смартБМС но там свои проблемы.
73! Дмитрий, RK3AOR.

DIVAS

#92
Цитата: i8086 от 03 Июнь 2014 в 15:40
TL431 не отличаются высокой термостабильностью. Соответственно точность балансировки у них оставляет желать лучшего.

Точность балансировки они должны обеспечить вполне достаточную, т.к. температура всей платы одинакова, а при равном отклонении температур отклонение напряжения тоже будет примерно однообразным.

Да и абсолютная точность в нашем диапазоне температур (-20...+50°С) при токе 0.7...1 мА у них вполне укладывается в 20 мВ, что вполне достаточно для защиты батареи от переразряда/перезаряда и балансировки.

Жрёт конечно много, но... При емкости батареи 85 Ач и даже 2мА общего потребления, батареи хватит ооочень надолго...

Много деталей - да, есть такое. Но эти много деталей я смонтирую куда быстрее, чем дождусь из Китая какую-нибудь готовую кривую БМС, которую надо будет дорабатывать.



Цитата: TRO от 03 Июнь 2014 в 15:46
Утрируете. Этож каким надо быть скрягой, чтобы имея батарею 85 Ач собирать БМС на TL431.
Я предпочитаю допиливать заводскую (ей цена 30уе, допаиваю оптронов на балансиры и завожу это в зарядку).

Дело не в стоимости. Если бы я нашёл БМС, на которую есть исчерпывающая техническая документация и по этой документации она бы полностью соответствовала моим требованиям - я бы её купил, при условии что она бы стоила разумных денег. Но ни на одну БМС я не нашёл адекватной документации, которая бы описывала адекватный алгоритм работы. Мне ведь БМС нужна не "для галочки", а для надёжной защиты батареи, поэтому никакого "кота в мешке" я туда никогда не поставлю.


БМС я решил сам собирать потому что так и не разобрался в широчайшем ассортименте готовых вариантов - я не нашёл достаточной информации о подробностях их работы. А для того чтобы быть спокойным за свою батарею, мне нужно на 100% точно знать, как работает БМС, которую я использую.
Покупать все доступные и методом тестирования выбирать лучшую я не хочу - нет лишего времени на это.
Кроме того, меня не устраивет ток балансировки 30мА и пороги 4.35В, а сведений о возможности регулировки этих порогов я не нашёл. Также я не нашёл данных о гистерезисе включения/выключения балансировочных цепей. Единственное, что очевидно - так это то что для увеличения 30 мА до нормального тока нужно припаивать ещё одну плату с резисторами и транзисторами - т.е. проще с нуля сделать, чем дорабатывать готовые.

Если я соберу БМС сам, пусть даже на таких попсовых примитивных ИМС, как TL431 и LM393, я буду точно знать её режимы работы и смогу точно подстроить все рабочие параметры так как мне нужно для моей батареи.
Я бы может быть собрал БМС на чём-нибудь другом, но на чём?
Программировать контроллеры я не умею, а искать по всему миру какую-нибудь единственную экзотическую ИМС не хочу.
К примеру, Seiko S-8241ADDMC-GDDT2 или S-8241AEPMC-GEPT2, которые единственные из известных мне ИМС более-менее подходят, трудно найти даже в Китае.
А других ИМС, да ещё таких чтобы продавались в магазине за углом, я не знаю.
Именно поэтому я и решил поднять эту тему и задать в ней это направление - чтобы узнать, кто, как и на чём собирал БМС, кроме контроллеров.


Цитата: ДмитрийМver2.0 от 03 Июнь 2014 в 22:18
Все пробовали TL431 и (я по крайней мере) МС34161 и ещё некоторые Ис, НО потребление столь велико и количество обвязки для нескольких каналов начинает зашкаливать. Если говорить только о балансирах то имхо проще взять платку типа http://www.ebay.com/itm/261492766158 (4 готовых канала за 4 доллара) и поставить сколько надо. Если же задуматься о верхних/нижних порогах то дешевле буржуйской BMS всё равно не сделать. Проблема у них только с странно выбираемыми порогами по верху/низу/началу балансировки, иногда они никак не совпадают с рекомендациями по долговечности. Тут помогает смартБМС но там свои проблемы.

В том-то и дело, что со всеми готовыми вариантами есть какие-то проблемы. То какие-то левые пороги, то "свои проблемы", то вообще требует такой доработки, что проще с нуля собрать.
Брать китайские балансирные модули и к ним прикручивать контроль порогов - тоже затея сомнительная, т.к. режим балансировки этих модулей также неизвестен, а количество работы по навешиванию дополнительного обвеса соизмеримо с созданием БМС с нуля.
Kugoo M4 Pro 18Ah (2020)

Peoner

#93
Цитата: TRO от 03 Июнь 2014 в 15:46
Этож каким надо быть скрягой, чтобы имея батарею 85 Ач собирать БМС на TL431.
Я предпочитаю допиливать заводскую (ей цена 30уе, допаиваю оптронов на балансиры и завожу это в зарядку).
мож ему нравится сам процесс ;)
ты вот предпочитаешь допиливать, а он - собрать с нуля.

Добавлено 04 Июн 2014 в 15:54:31

Цитата: DIVAS от 03 Июнь 2014 в 15:07
А что, на старых добрых компараторах/операционниках и TL431 никто ничего не делал, или все стесняются заводить разговор на эту тему?
Я так прикинул, вроде не так уж плохо получается. Жрёт конечно многовато - 1-2 мА.
Но при емкости батареи 85 Ач это, на мой взгляд, несущественно.
ловить единицы миллиампер при емкости в десятки ампер, действительно, не айс.
Раньше я выбирал самый короткий путь, а теперь - где меньше ям. http://forum.simbike.ru

TRO

Если поставить в конце сезона батарею на хранение в полуразряженном состоянии, то эти еденицы милиампер могут к началу следующего сезона отправить батарею на тот свет (можно конечно отключать БМС целиком при хранении). Во вторых после выкатывания до отсечки батарею нужно будет сразу заряжать, забывать разряааженную на недельку-другую уже будет категорически нельзя (не дай боже зарядка сдохнет, до покупки новой разряженная батка может не дожить, снова надо высмыкивать БМС). Все это конечно крайние случаи, но человеческий фактор лучше исключить максимально.

Wahoo 2012 29er, +собран складной двухосис на раме"Land Rover" 69er с эл. мотором, и и МОНОКОЛЕСО

VVK

Я несколько месяцев назад выкладывал схему балансира на контроллере с исходником. Там нужно добавить к контроллеру внешние ключи. Остальное просто копируете, и все должно работать:
https://electrotransport.ru/index.php?topic=21183.0 

TRO

Судя по этой схемке одно только потребление оптрона сигнализирующем о разряде 2.5мА, отличный способ добить уже и так севшую батарею.

Wahoo 2012 29er, +собран складной двухосис на раме"Land Rover" 69er с эл. мотором, и и МОНОКОЛЕСО

redimer

как сказал мой друг ZAP ставьте вместо TL431 более экономичную TLV431 и потребление снизится до 0.1 мА
icq: 424-297-058 (Мой двухподвес)
Мах: 105.7 км/ч на плоскаче 2011 - 2015г. - 46000км
LiPo 20s5p (84в25ач / 1850Втч) более 750 полных циклов

VVK

Цитата: TRO от 04 Июнь 2014 в 17:43
Судя по этой схемке одно только потребление оптрона сигнализирующем о разряде 2.5мА, отличный способ добить уже и так севшую батарею.
Оптрон для примера, вместо него можно поставить любую гальваноразвязку. Просто она дороже будет. В основном потребление определяется резистивными делителями и bias-током (~0,1mA) стабилизатора.

DIVAS

#99
Контроллеры, контроллеры...

На данный момент я не имею никакого опыта их программирования и достаточного представления об особенностях их работы.
Да, я понимаю, что с контроллерами можно очень существенно уменьшить количество деталей и очень существенно упросить процессы калибровки и настройки.
Я также понимаю, что многие из Вас, уважаемые форумчане, уже сделали кучу разработок в этой области.

Но мои тараканы в голове мне не позволяют использовать в роли БМС устройство, принцип и алгоритм действия которого эти тараканы не знают или не понимают в достаточной степени. Поэтому я не могу просто взять и тупо повторить какую-нибудь готовую разработку. А вникать в основы работы контроллеров и их программирования мне сейчас совсем некогда. Не потому что тороплюсь БМС сделать, а потому что свободного времени мало. Поэтому я не могу разработать на контроллерах что-то своё.

В общем, видимо, сделаю для начала то что задумывал - на TL431 (TLV431) и компараторах.

Что до переразряда батареи потреблением БМС, то тут есть два нюанса.
1. При 85 Ач это не так страшно, как при 5 Ач. При токе потребления 1.5 мА батареи хватило бы на 5 лет, да только она сама раньше разрядится.
2. Никто не мешает подключать балансир с помощью 14 полевиков при включении системы ключом "зажигания", и только по разрешающему сигналу БМС включать бортовую сеть. Аналогично и при зарядке, только сигнал брать не с замка, а с зарядного разъёма, например. При такой системе и 10мА при 5Ач никакой погоды не сделают - со включенным замком никто никогда свой транспорт надолго не оставляет.
3. Аналогично п.2, только чтобы БМС отключала и нагрузку и саму себя по выходу за пороги без самовключения обратно. Но второй вариант мне более интересен.
Kugoo M4 Pro 18Ah (2020)

tony16

кто подскажет что нужно перерезать чтобы этот 8s buzzer не брал питание от певой ячейки а только внешнее с точек VDD и GND.
и сколько ему максимум можно подавать В?

Илья73

Два диода справа возле выводов, их отпаять и там где они были припаяны на дальний конец от штырьков там где был минус диодов припаять проводок и подать 5 - 9в может и больше можно но не нужно. Минусом будет первый вывод.

TheMarshall

Ребят, а кто-то рассматривал микросхему BQ78PL114RGZR или BQ78PL116  в качестве базы для постройки БМС?  Вроде готовое решение до 12-16 ячеек с активной балансировкой. даташит http://www.ti.com/lit/ds/symlink/bq78pl116.pdf и http://www.ti.com/lit/ds/symlink/bq78pl114.pdf

TheMarshall

Список различных специализированных микросхем для создания BMS  с характеристиками http://liionbms.com/html/BMS_IC_table.html

DCDC

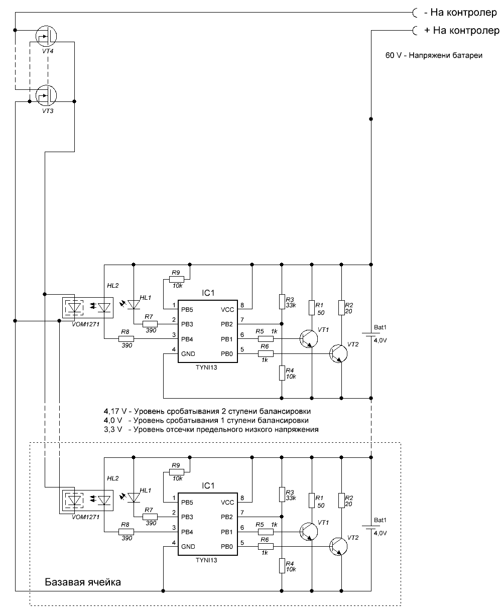
День добрый. Вот решил поделиться своим вариантом БМС. На данном этапе остановился, не могу придумать управление оптопара - мосфет транзисторы. Подскажите. Номиналы резисторов и уровни напряжения уточняются.


i


DCDC

#106
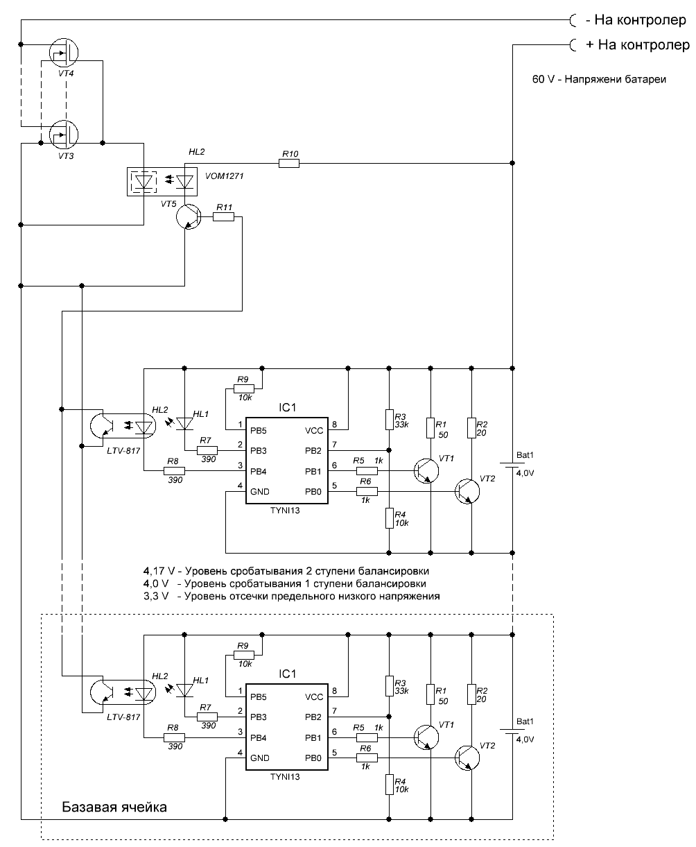
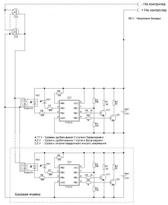
Вот применил Ваш совет. Есть два варианта куда ставить. Но vom1271 довольно дорогой драйвер, есть что подешевле? Батарея будет на 16S Li-Pol
Вариант 1



Вариант 2


i

В первом варианте VOM совсем не нужен, достаточно подать 10-15в на затворы от первых 4-х ячеек (или DC-DC).
Во втором варианте сплошное неработоспособное расточительство (нельзя VOMы параллелить).
VOM интересен тем, что имея всего 1.5-2 вольта можно открыть обычный мосфет, хоть вверху, хоть внизу. В последнем случае есть простые и известные решения.

P.S. Рвать минус не лучшая идея. К тому же ключи будут закрыты только в одном направлении, на разряд, а для заряда они всегда открыты.