avatar_Павел Валерьевич

Моргалка от Павел Валерьевич.

Автор Павел Валерьевич, 24 Окт. 2015 в 17:38

« назад - далее »

0 Пользователи и 1 гость просматривают эту тему.

Павел Валерьевич

Графики испытаний моргалки на МК.
Сигнал с модуляцией снятый с драйвера мосфета:


Сигнал снятый с клемм акб на добивке:



KIE

#1333

Откуда такая модуляция на нижней полке? Наводки на щупах от DC-DC инвертора? Не должны, как думаю, быть на клеммах.

Павел Валерьевич

[user]KIE[/user], хороший вопрос, шумит как оказалось юсб порт. Выясняя это столкнулся с тем, что UNO не исполняет скетч при подключении через стаб на борту платы, но норм работает если подать 5 вольт непосредственно на юсб порт. И я вспоминаю, что в прошлом уже встречался с этой проблемой но не стал заморачиваться.
Наверное и сейчас заморачиваться не буду, потому что код уже готов практически, просто перейду на плату про мини с практически голым процом, которую и планирую использовать в устройстве, а про организацию питания на уно почитаю потом.

KIE

#1335
Цитата: Павел Валерьевич от 02 Март 2018 в 12:46шумит как оказалось юсб порт.
50% на 50%.
Не утверждаю, но мне кажется что это пролазит питание от DC_DC конвертера.
Попробуйте  сигнальный провод осцилоскопа через хороший конденсатор (прим. 1мкФ) соединить с общим проводом осцилоскопа. Конструкция пусть работает.
........................
По поводу плат ардуино, скорее всего уровни сигналов не согласованы. Но я с ардуинкой не работаю, архитектуру плат знаю поверхностно.

Павел Валерьевич

С уно потом разберусь, а пока продолжим, первый скрин- это работа 42 секунда, пауза- 7 секунд:



Второй скрин- это добивка, в данном случае включение происходит по падению до нижнего порога напряжения, есть ещё условие по которому включение добивки происходит по паузе 7 секунд, это когда уже АКБ заряжена и напряжение не падает до 13,2 вольта очень долго.



вот скрин, когда добивка включается через 7 сек, а не по нижнему порогу напряжения




Павел Валерьевич

Бредборд-зло  >:D >:D >:D
Любые экперименты даже на скорую руку- только паять!

Massa75

я на макетке паяю. быстро, дешево, сердито. а главное - изменить подключения легко.
Самая большая глупость – это делать тоже самое и надеяться на другой результат.

KIE


Конечно, немного не в тему, но...
Интересно было бы сравнить зарядку с 35Гц и без.
Что бы закрыть вопрос о её необходимости на здоровых АКБ. Она увеличивает время процесса, а это не есть хорошо.

Павел Валерьевич


eretic

А есть реальные подтверждения десульфатации этой моргалкой?
Хочу повторить, мне надо 2 аккумулятора погонять такой моргалкой. Какой вариант лучше.

Павел Валерьевич

Да есть, но не 100%. Не панацея, впрочем как и все остальные ЗУ.

eretic

Тогда можно, пожалуйста, ткните носом в тот вариант который подойдёт мне для зарядки 140 А/ч АКБ. Я так понял второй вариант моргалки, боле мощный?

Павел Валерьевич

#1344
Алгоритм у моргалки один, поэтому варианты равнозначны. В вашем варианте нужен блок питания, который в состоянии отдать ампер 20 в батарею и в моргалке мосфет на такой ток. Тот же распространённый IRF3205 вполне справится, или поставьте пару тройку мосфетов снятых с неисправной материнской платы, там минимум двадцатипяти амперники стоят. Выбирайте мосфет с запасом по току и по минимуму сопротивления.

Павел Валерьевич

Характеристики моргалки на МК.
Заряд:
Включение на 42 сек, выключение на 7 сек.
Переключателем можно включить модуляцию 30 Гц 70% заполнение.
При достижении 14,4 в, отключение, включение через 7 сек или по падению до 13в, что раньше произойдёт.
Разряд:
Подключение нагрузки на 42 сек, выключение на 7 сек.
Переключателем можно включить модуляцию 30 Гц 70% заполнение.
Переключение на заряд произойдёт, когда напряжение на АКБ не будет подниматься выше 11,7в в паузе, без разрядной нагрузки.
Переключить устройство в режим одного КТЦ можно разово нажав на кнопку в любой момент заряда.

Пока написан такой алгоритм. Отправляю на испытания.

Branimir

Прочитал ветку по моргалкам и удивляюсь, что никому не потребовалось устройство для лечения отдельных банок в АКБ.
Или я что-то пропустил?
У меня все три десятка подопытных (17Ah AGM АКБ от ИБП) требуют именно лечения отдельных банок, в которых емкость сильно ниже остальных.
Из-за чего и при общем разряде АКБ и при его заряде возникают проблемы:
неравномерность напряжения на банках и как следствие - их недозаряд или перезаряд (и емкость можно забирать с АКБ только равняясь на слабую банку).
Обычными способами (IMAX, BL1204, БОШ C7, лабораторный блок питания CC-CV, в т.ч. с КТЦ отдельных банок)
пока не удается решить задачу поднятия емкости отдельных банок.
Но мне неясно, поможет ли в моем случае использование моргалки-добивки, если применять процедуру ко всему АКБ, а не к отдельной банке?

Павел Валерьевич, хотелось бы узнать Ваше мнение и еще:
- был ли у Вас опыт работы с отдельными банками (и вообще с AGM)?
- можно ли Ваше чудо-устройство приспособить к отдельной банке?

Павел Валерьевич

Цитата: Branimir от 08 Март 2018 в 17:01- был ли у Вас опыт работы с отдельными банками
Был. Давно. В большинстве случаев нормально подключиться к банке невозможно, были у меня и взрывы водорода из за искрения. Так же, как показала практика, если банка неисправна, то работа с ней не стоит времени.
Моргалка призвана скорее правильно и безопасно заряжать АКБ, тем самым продлевая жизнь батарее до максимально возможного предела. Вообще лечение- исправление батареи возможно пока батарея ещё не убита и неубитые банки вполне себе вытягиваются добивкой всей батареи.
Цитата: Branimir от 08 Март 2018 в 17:01- можно ли Ваше чудо-устройство приспособить к отдельной банке?
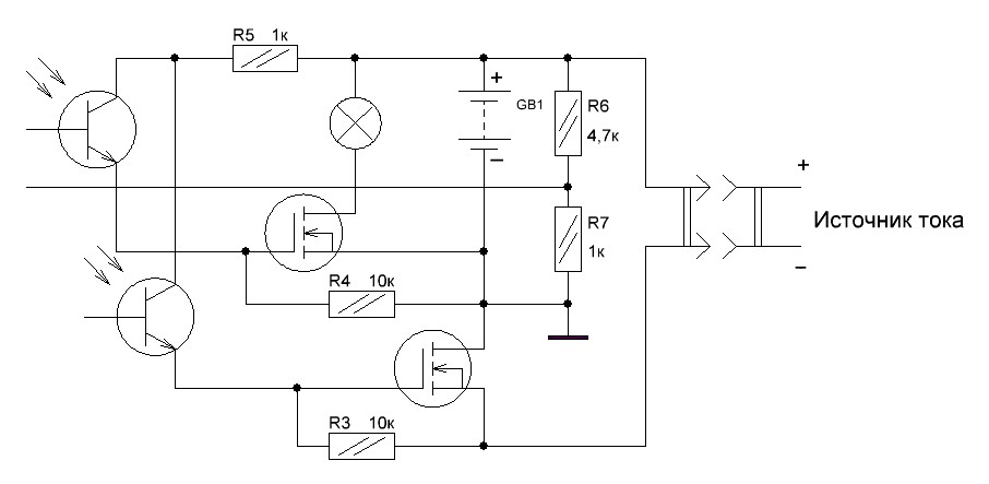
Можно, моргалку на МК приспособить можно на любое напряжение просто пересчитав делитель вольтметра. Мосфеты опторазвязаны от АКБ, можно использовать соответствующий источник тока.
На форуме много материала по работе с отдельной банкой.

Mikhail2623

#1348
Всех приветствую!!
Цитата: Branimir от 08 Март 2018 в 17:01Обычными способами (IMAX, BL1204, БОШ C7, лабораторный блок питания CC-CV, в т.ч. с КТЦ отдельных банок)
пока не удается решить задачу поднятия емкости отдельных банок.
У меня все три десятка подопытных (17Ah AGM АКБ от ИБП) требуют именно лечения отдельных банок, в которых емкость сильно ниже остальных.
[user]Branimir[/user], Суть этой проблемы в том, что Ваши акб типа AGM/Gel (и прочие Ca/Ca) повреждены на физическом уровне, очень понятно написано в материале: https://www.drive2.ru/l/5914573/
ЦитироватьОфициальные рекомендации от Мазды гласят, что если плотность электролита аккумуляторной батареи составляет менее 1,17 г/см3 (Battery SOC составляет менее 25%, что соответствует напряжению менее 12В), то такая батарея подлежит замене новой, так как в этом случае восстановить нормальное функционирование аккумуляторной батареи с помощью её заряда уже невозможно (!).
Акб состоит из нескольких банок, если в одной из них напряжение село ниже критического минимума, восстановить нормальное функционирование этой ячейки батареи с помощью ее заряда уже невозможно.
Поэтому [user]Павел Валерьевич[/user],  чётко пишет:
Цитата: Павел Валерьевич от 08 Март 2018 в 17:45Моргалка призвана скорее правильно и безопасно заряжать АКБ, тем самым продлевая жизнь батарее до максимально возможного предела.
Вообще лечение- исправление батареи возможно пока батарея ещё не убита и неубитые банки вполне себе вытягиваются добивкой всей батареи
Интересуюсь всем по не многу.
Сейчас осваиваю электричество.

Павел Валерьевич