avatar_Павел Валерьевич

Моргалка от Павел Валерьевич.

Автор Павел Валерьевич, 24 Окт. 2015 в 17:38

« назад - далее »

0 Пользователи и 1 гость просматривают эту тему.

KIE

Номинал R3,R4 не стоит уменьшить?
Емкость затворов не маленькая, ПТ лишнее тепло начнет выделять при закрытии. Ток оптопары позволяет.

Павел Валерьевич

Сейчас у меня стоит 560 и 10к , окрывается и запирается норм, транзисторы IRF3205, экспериментирую пока, стояли как в схеме, тоже всё ок.

Mikhail2623

#1352
Всех приветствую!!
Проверял работу своего зарядника, результат получил, но не могу понять почему так получается.
Условия: АКБ ИБП CSB BATTERY UPS 12360 7 F2 12V360W/Pcs/9.6V/5Min, датой выпуска 07.13 года, и остаточной ёмкостью около 3 А.Ч., вода долита до насыщения матов.
Спойлер
Акб Заряжен и стоит на добивке (с разрядкой в паузе лампой 5 ватт) напряжение отсечки 14.22 Вольта, максимальный ток ограничен 1,4А (это 2С).
Заряжаю по вечерам/ночам дома на кухне под столом ))
Результат 1: Добивка идёт без отсечки по напряжению
Спойлер
Результат 2: Добивка идёт с быстрой отсечкой по напряжению.
Спойлер
Результат 1 и 2 периодически чередуются  :bn:
Захожу посмотреть: отсечка по напряжению, через часик или в другой вечер зарядка без отсечки :bn:
Может быть кто подскажет как это интерпретировать?  :bw:
Интересуюсь всем по не многу.
Сейчас осваиваю электричество.

Серик

Приветствую Всех Форумчан!
Здравствуйте, Уважаемый Павел Валерьевич!
Возник вопрос, можно ли изменить Вашу схему с первой страницы таким образом, что бы на всем протяжении процесса заряда аккумулятора отслеживалась бы дельта U,   например, 0,6В, и соответственно, наступала бы пауза?
Конечно, Моргалка на МК более совершенный вариант, но хотелось бы иметь в запасниках и вариант с наступлением паузы по превышению дельта U на аналоговой базе.
Хочу Вас поблагодарить за Ваш проект/тему : " Моргалка от Павел Валерьевич", благодаря этой схеме впервые узнал на практике преимущества импульсного адаптивного заряда ( конечно, надо не забыть вариант от fable691! )!
Но все таки алгоритм немного жестковат, пмсм, вот и появился вышеозначенный вопрос.
Разве нет возможности решения этой задачи на аналоговой базе?

Alex_Soroka

Цитата: Mikhail2623 от 14 Март 2018 в 20:05
Акб Заряжен и стоит на добивке (с разрядкой в паузе лампой 5 ватт) напряжение отсечки 14.22 Вольта, максимальный ток ограничен 1,4А (это 2С).
это 0.2С а не 2С  :hello:

ЦитироватьРезультат 1: Добивка идёт без отсечки по напряжению
Результат 2: Добивка идёт с быстрой отсечкой по напряжению.
Результат 1 и 2 периодически чередуются  :bn:
ваш АКБ периодически срывается в теромразгон?
может вы просто не успеваете увидеть отсечку?

Павел Валерьевич

Цитата: Серик от 31 Март 2018 в 18:47на всем протяжении процесса заряда аккумулятора отслеживалась бы дельта U,   например, 0,6В, и соответственно, наступала бы пауза?
Немного не понял, дельта между чем и чем?

Серик

Приветствую Всех Форумчан!
Здравствуйте, Уважаемый Павел Валерьевич!
Про дельту написано очень много, например:
https://electrotransport.ru/index.php?msg=995403
и далее.
Возможно  ли это реализовать на аналоговой базе?

Павел Валерьевич

Считаю морочиться с дельтой не имеет смысла. Если уж делать адаптивное ЗУ, то надо брать вторую производную. То есть скорость изменения напряжения. И это только на МК.

KIE

Цитата: Серик от 08 Апр. 2018 в 01:25Возможно  ли это реализовать на аналоговой базе?
Реализовать то можно (плюс жесткая логика). Будет сложно, много и дорого.
Оно Вам надо?

Серик

Цитата: KIE от 08 Апр. 2018 в 12:42Реализовать то можно (плюс жесткая логика). Будет сложно, много и дорого.
Оно Вам надо?
Здравствуйте, Уважаемый KIE!
C Праздником Вас!
Эх, сложно, много и дорого-извиняюсь за затронутый вопрос, сожалею.

Shinchik

Цитата: Павел Валерьевич от 28 Фев. 2018 в 23:06Тому, кто не особо дружит с паяльником или не хочет заморачиваться, скоро предложу платку моргалки на Атмеге в исполнении pro mini, баксов около десяти, сегодня дописали часть кода, отвечающего за заряд, начал обкатку с АКБ от упсов, что у нас стоят у нас на складе, работает отлично. Хочу ещё прикрутить КТЦ и будет годный бюджетный продукт.
Приветствую!Не готова ли Ваша моргалка на продажу? Я бы приобрел.

Andrey_Man

Цитата: Shinchik от 03 Авг. 2018 в 20:17Приветствую!Не готова ли Ваша моргалка на продажу? Я бы приобрел.
Приветствую Форумчан!
Присоединюсь к вопросу)

Branimir

Цитата: Shinchik от 03 Авг. 2018 в 20:17Приветствую!Не готова ли Ваша моргалка на продажу? Я бы приобрел.

Также присоединюсь к вопросу

treet

Присоединяюсь к вопросу о покупке mini pro.

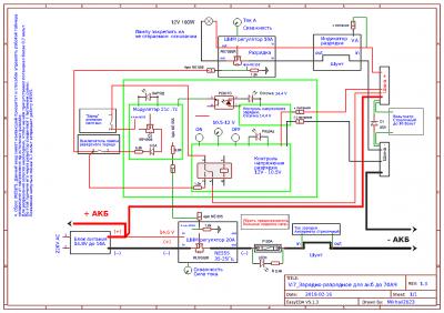
Mikhail2623

#1364
Приветствую всех!!
[user]Павел Валерьевич[/user],  спасибо за простую и надёжную схему моргалки  :wow:
Почти допилил свой зарядник, остался вопрос с компактным и мощным источником тока.
Зарядник собрал из модулей, при желании к нему можно пристроить ардуинку.
Писать в этой теме полное описание зарядника будет наверно неправильным, закину немного под спойлер, и ссылку на текст.
Спойлер
Интересуюсь всем по не многу.
Сейчас осваиваю электричество.

НПП Орион

Цитата: Павел Валерьевич от 06 Апр. 2018 в 16:12
Немного не понял, дельта между чем и чем?
Возможно имелось ввиду, показывать разницу напряжения между выдаваемом от ЗУ и самой АКБ. Но я тоже не понял  :-D
Да и смысл - главное что ЗУ работает и максимально успешно. Не зря же Вудбридж в 1935 году закон сформулировал
Производитель автоэлектроники

MaXl

[user]Павел Валерьевич[/user], есть ли возможность приобрести Вашу моргалку в исполнении pro mini

sanich