Li-Force Программа логирования режимов работы Кулон-912 от vlallax - Страница 3
 
avatar_vlallax

Программа логирования режимов работы Кулон-912 от vlallax

Автор vlallax, 26 Нояб. 2019 в 13:26

« назад - далее »

0 Пользователи и 1 гость просматривают эту тему.

vlallax

Цитата: silandser от 03 Дек. 2019 в 16:26А параллельно мануал пишется?
Отдельного мануала нет. Есть описание в первом посте. Остальное вроде бы интуитивно понятно  :ah:. Если будут возникать вопросы, непонятные моменты добавлю к описанию.

silandser

Цитата: vlallax от 03 Дек. 2019 в 16:35
Отдельного мануала нет. Есть описание в первом посте. Остальное вроде бы интуитивно понятно  :ah:. Если будут возникать вопросы, непонятные моменты добавлю к описанию.
Лучше написать мануал. Интуиция это хорошо, но описание разных плюшек это круто и правильно
Был исключён из "Настоящих аккумуляторщиков" 21.06.2020 г.
Вышел из всех ТГ-каналов по АКБ 21.02.2025 г.

vlallax

Цитата: silandser от 03 Дек. 2019 в 16:42Лучше написать мануал.
Может быть, когда примет более-менее законченный вид (хотя бы в плане интерфейса). Сейчас же после каждого изменения все переписывать, это просто застрелиться можно.

silandser

Цитата: vlallax от 03 Дек. 2019 в 16:58
Может быть, когда примет более-менее законченный вид (хотя бы в плане интерфейса). Сейчас же после каждого изменения все переписывать, это просто застрелиться можно.
Совершенно верно. Ждем.
Был исключён из "Настоящих аккумуляторщиков" 21.06.2020 г.
Вышел из всех ТГ-каналов по АКБ 21.02.2025 г.

Fernak

Кулон работал на предыдущм режиме, с отключением питания 220 на ночь, без снятия клемм.
Утром скачал новую версию программы. Через некоторое время решил поменять режим.
Нажал "стоп", затем выбрал интересующие меня настройки (основного заряда). При попытке нажать "старт" из окна настроек получил такое сообщение.
Спойлер
Аналогично и при попытке "Старта" из основного окна.
Спойлер

Через веб морду, все работает. Прибор на связи.

vlallax


Fernak

[user]vlallax[/user], решил проверить повторяемость.
Действия:
1) Запускаем заряд акб через веб морду.
2) Прога в режиме монитора
3) в проге жмем, стоп.
4) В проге жмем заряд

проблема повторяется.

Хотелка:
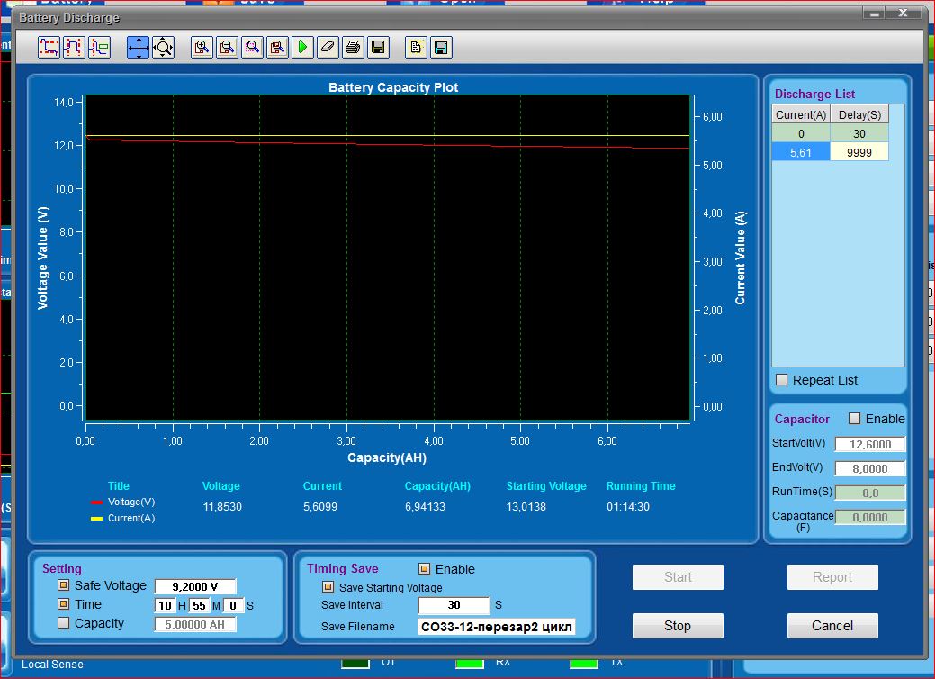
1) А можно строчку с ёмкостью разместить снизу под строчкой с часами? При изменении размера экрана под ширину программы от Imax данная информация теряется.
2) В закладках Лог появилась история. это круто. а есть возможность на автомате сохранять еще и сам лог напряжения и тока? Т.е. захожу во вкладку, выбираю интересующую строчку, дважды жмякаю левой кнопки и вижу график.
Если я наглый, то так и скажите. За прогу на самом деле огромное спасибо.

vlallax

Цитата: Fernak от 04 Дек. 2019 в 12:28строчку с ёмкостью разместить снизу под строчкой с часами?
Не совсем понял о какой строчке идет речь. Там где отмечено на скриншоте?
Спойлер



Цитата: Fernak от 04 Дек. 2019 в 12:28на автомате сохранять еще и сам лог напряжения и тока?
Подумаю как это можно сделать.

Fernak

[user]vlallax[/user], да. Разбить бы ее по типу.
Время работы: __:__:__
Ёмкость           : _______Ah

vlallax


Fernak

[user]vlallax[/user], огромное спасибо.
Странно, что прога прикольная а хотелки озвучиваю я один. Еще раз спасибо за программу.

gairat

Цитата: Fernak от 04 Дек. 2019 в 14:01Странно, что прога прикольная а хотелки озвучиваю я один
Правильные хотелки. Остальные не успевают озвучить.

tortortor28

Можно сделать отображение значений на графике внятным, а то все сливается. Отображать не все значения  через интервал времени (как сейчас), а  только значения больше предыдущего на 0,01В допустим?

vlallax

Цитата: tortortor28 от 04 Дек. 2019 в 15:22сделать отображение значений на графике внятным
Подумаю, что с этим можно сделать.

Serber

может  как у Maynuo  разнести:
управление сверху,  а измеряемые значения снизу?
Спойлер

vlallax

Цитата: Serber от 05 Дек. 2019 в 09:21управление сверху,  а измеряемые значения снизу?
Может быть. Компоновка не окончательная. И в том виде, как сейчас, мне и самому не очень нравится. Работа над этим постепенно идет.

Fernak

в 1.0.3. баги теже.

После окончания разряда выскакивает такая билеберда вместо времени разряда, и ёмкости.
Спойлер
так в закладках "Логи"
Спойлер
Пробуем сохранить лог, перезагрузить лог, загрузить лог.
Спойлер
А помогает только остановление цикла через веб морду и включение заново.
Спойлер

Простите, если достал уже. Я не придираюсь, просто в силу возможностей бетта-тестирую.
Как понимаю такая проблема вылазит из-за того что меняется первая рамочка в веб морде.

vlallax

Цитата: Fernak от 12 Дек. 2019 в 12:55выскакивает такая билеберда
Спасибо за тесты и сообщения об ошибках! Да, есть такое. Это режим сервиса АКБ. Я его поддержку еще не вводил. Будет позже, сейчас просто катастрофически не хватает времени (очень много работы).