Разрыватель цепи питания

Автор LWW, 17 Фев. 2011 в 02:07

« назад - далее »

0 Пользователи и 1 гость просматривают эту тему.

stark cobra

 Завтра попробую высунуть его на улицу . Если это поможет , то сделаю корпус для батареи из алюминия и к нему приделаю контроллер снаружи - будет как радиатор :-)

Добавлено 01 Апр. 2023 в 19:12

Цитата: aviator79 от 01 Апр. 2023 в 19:06Если на контроллере нет вентилятора, то можно его поставить.
Вентилятора нет

stark cobra

У мотора троллейбусный звук - это норм ?

Андрей_72

Смотря какой мотор и какой мощности. У меня первый мотор был редукторный 500 Вт, и слышно было при езде, как гудит. Я потому в шутку называл свой элвел "мой персональный троллейбус". При ремонте мотора была убрана родная смазка, а взамен поставлена другая, но меньше по количеству, и гудеть стало сильнее, но всё равно, в пределах комфорта. Если же у Вас гудит слишком сильно, смотрите на скорость - если она существенно ниже той, что должна быть при Вашей мощности и колёсах, тогда есть повод задуматься. У меня был случай, когда присланный с магазина комплект не подошёл, и были как раз такие симптомы; пришлось менять фазы двигателя.

stark cobra

мотор 350 Вт ,как гудит слышно , но не напрягает . Колёса 26 , скорость норм - летит аж страшно становится . На ощупь -км наверное 25-35 . Надо шлем покупать  :-)   Вытащил контроллер из сумки на улицу - он даже не тёплый .

Воффка

У меня, судя по внешнему виду и надписи на раме S9 - DISIYUAN S9.
Гудит он сильно на асфальте, но это звук от крупного протектора шин. Но когда отпускаешь ручку газа, то слышен какой-то странный негромкий призвук типа дребезжания, что-ли. Длиться он около секунды.
Может это обгонная муфта между мотором и колесом? Я начал подозревать о её наличии когда после снятии тяги мотора на спидометре быстро скорость падает до нуля, хотя вел катится. То есть на холостом ходу спидометр не работает. Тахометр то на моторе находится, насколько я понимаю. И сей короткий призвук это срабатывание обгонной муфты. Сделано это, как я понимаю, чтобы облегчить педалирование и уменьшить износ мотора, когда аккумулятор разрядится. У Corrd Control спидометр работал всегда.
Кстати, у моего нового S9 мотор, на ощупь, совсем не греется ау Corrd Control после поездки он был заметно тёпленьким. Градусов 40-45.
А в моём старом Corrd Control отключение аккумулятора организованно группой параллельно соединённых мосфетов, с управлением от маленького тумблера. Находятся сей блок в корпусе аккумулятора.

Андрей_72

Да, всё верно, это звук остановки мотора.

Flar

Всем привет, такой вопрос был китайский аккумулятор в пластиковом кейсе на 36в 10к ач было написано но при разборе оказалось что там 30 штук по 2500 итого 7500 стал мало брать заряда отдал на ремонт заменили полностью элементы на 3500 стал 10500, бмс остался старый велик ожил но во первых стали большие просадки по напряжению под нагрузкой раньше если снизилось напряжение из 5 горит 4 кратко может в гору до 3 проседало делений а тут чуть в гору и уже не 5 делений а 3 а как нагрузка пропадает до 5 поднимается делений шкала заряда. И выключатель на коробке аккума перестал выключать его. Что включен что выключен велик все равно работает хотя в састерской сказали что все так и было только ячейки поменяли провода выключателя не трогали. То есть получается он все время включен и цепь питания не прерывается. В чем может быть причина?

дотошный_крендель

mxus3k 3витка MTX39 26"(maxxis dhf minion) + kls-7230s 80А/160А + ANT BMS 130A + lipo 10s1p 21Ah 20-25C + (avid code + avid G2 CleanSweep 203mm)+zoom680+raceface780*35.

edw123

Цитата: sdenis2023 от 06 Май 2025 в 19:28:laugh: извините :-)
Может быть. Но будут слаботочные.

Mike 372

Выключатель управляет BMS-кой. Либо она не работает, либо провода от выключателя от нее отсоединились.

дотошный_крендель

Цитата: Mike 372 от 06 Май 2025 в 20:35Выключатель управляет BMS-кой. Либо она не работает, либо провода от выключателя от нее отсоединились.
чуть не клеется :-) выключатель размыкает питание БМС - в дешевых это "отвод" от четвертой параллели - поэтому она вообще не работала бы.
mxus3k 3витка MTX39 26"(maxxis dhf minion) + kls-7230s 80А/160А + ANT BMS 130A + lipo 10s1p 21Ah 20-25C + (avid code + avid G2 CleanSweep 203mm)+zoom680+raceface780*35.

дотошный_крендель

Цитата: edw123 от 06 Май 2025 в 20:11Может быть. Но будут слаботочные.
дык человек и отписался что огромные просадки - поэтому и логичный исход когда ставят такие ячейки.
mxus3k 3витка MTX39 26"(maxxis dhf minion) + kls-7230s 80А/160А + ANT BMS 130A + lipo 10s1p 21Ah 20-25C + (avid code + avid G2 CleanSweep 203mm)+zoom680+raceface780*35.

LENAR_116RUS

Цитата: yurgen от 15 Март 2023 в 00:39электронный разрыватель не устраняет искру ( а точнее скачек тока зарядки электролитов контроллера).
Этот запредельный скачек есть, просто его не видно и не слышно, но свое негативное воздействие на контроллер он производит.
Не зря же в инструкциях правильных контроллеров говорится об обязательном  предзаряде.
Кондеры по-моему имеет очень большой ресурс таких вкл/выкл.
А вот вопрос, если после выключателя с искрой стоит ДСшка, ей кирдык не будет?
Tribe Drakkar Апгрейд 84В 100А

aviator79

Цитата: LENAR_116RUS от 25 Май 2025 в 05:14ей кирдык не будет?
От чего кирдык? - Конечно, ей ничего не будет.

LENAR_116RUS

Цитата: sdenis2023 от 07 Май 2025 в 18:54чуть не клеется :-) выключатель размыкает питание БМС - в дешевых это "отвод" от четвертой параллели - поэтому она вообще не работала бы.
Это как можно сделать выключатель в БМС? У меня как раз дешевая с балансирами. Где там найти 4ю параллель?
Tribe Drakkar Апгрейд 84В 100А

LENAR_116RUS

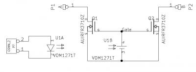
Цитата: i от 11 Май 2021 в 12:05Это решается встречным включением транзисторов.
Например так

Кроме того получается еще и гальваническая развязка, и возможность управлять ключами от 3-5В.
Давно этой схемой пользуюсь.
А эта схема кушает ток?
Tribe Drakkar Апгрейд 84В 100А

aviator79


LENAR_116RUS

Цитата: aviator79 от 28 Май 2025 в 08:39В среднем 20мА сам светодиод. Здесь расчет гасящего резистора.
1. В среднем как любая ДСшка? Они тоже по-моему 20мА
2. А в выключенном состоянии тоже кушает, как ДСшка?
Tribe Drakkar Апгрейд 84В 100А