зарядить LiFePO4 ёмкостью 5000 ватт часов за 2 часа

Автор sergey83, 22 Янв. 2023 в 22:35

« назад - далее »

0 Пользователи и 1 гость просматривают эту тему.

aviator79

Это источники напряжения и их необходимо дорабатывать, чтобы превратить в зарядное устройство со стабилизацией тока и иметь возможность его изменять.

sdenis2017

[user]aviator79[/user], доработки минимальные

Добавлено 24 Янв. 2023 в 23:04

Цитата: aviator79 от 24 Янв. 2023 в 22:03Это источники напряжения
комбинированные всё же
и как раз расчитаны для зарядки акумов и паралельного питания телекомов
1кВт  ДД 273-й + Келли kls-s 7230 + лифер 32700 12s4p + антбмс 8-24S 100А

aviator79

Цитата: sdenis2017 от 24 Янв. 2023 в 23:02
доработки минимальные
комбинированные всё же
и как раз расчитаны для зарядки акумов и паралельного питания телекомов
То-есть у них присутствует стабилизация тока?   В таком случае с какой целью производятся минимальные доработки?

sdenis2017

Цитата: aviator79 от 24 Янв. 2023 в 23:09В таком случае с какой целью производятся минимальные доработки?
если вас устраивает зарядный ток в 56 Ампер - то дорабатывать ничего не надо
1кВт  ДД 273-й + Келли kls-s 7230 + лифер 32700 12s4p + антбмс 8-24S 100А

sergey83

56 ампер на 48 вольт  - это мощность 2688 ватт.

David555

#41
Цитата: sergey83 от 25 Янв. 2023 в 00:05это мощность 2688 ватт.
в 2 часа и уложится можно-но лутше наверное зарядку на 3кило-если влаживатся в 2 часа
уверен?-действуй

yurgen

У  Delta ESR-48-30 например, ничего дорабатывать не надо.
У нее есть подстройка и тока и напряжения.
Самовар , Кваньшунь 3 кВт , келли 200А,  LG E48 3кВтЧ.
80км/ч     
> 70 000 км

kommunist

Цитата: yurgen от 25 Янв. 2023 в 11:28У  Delta ESR-48-30 например, ничего дорабатывать не надо.
У нее есть подстройка и тока и напряжения.
Ну ну, горят как семечки на максимальном токе :fool:  Вы явно не осознали величину проблем у человека, которому необходимы предельно простые и надёжные решения, буквально для выживания.

aviator79

Цитата: kommunist от 25 Янв. 2023 в 18:02
необходимы предельно простые и надёжные решения, буквально для выживания.
В таком случае, лучше всего подходит только сварочник.  Проще и дешевле вариантов нет. 

kommunist

Цитата: aviator79 от 25 Янв. 2023 в 18:37В таком случае, лучше всего подходит только сварочник.  Проще и дешевле вариантов нет. 
Причём, ещё и не инверторный,  а старый добрый транформаторный.  30-амперный 20-килограмовый ЛАТР, картинку которого Сденис выложил, тут я приобрёл за 2000руб, состояние идеальное. А что ему будет то? Перегрузок по току не боится, только дуй на него вентилятором, если более 30А качать будешь.

aviator79

Сколько будет стоить трансформатор на 3 - 3,5 квт ?  Плюс к этому нужно будет собрать выпрямитель и схему стабилизации тока и напряжения.  Это если для повторения такого варианта.

yurgen

Цитата: kommunist от 25 Янв. 2023 в 18:02Ну ну, горят как семечки на максимальном ток
я лет 8 пользуюсь,  весьма доволен.
А если у кого то  мозгов нет, то его проблемы.

Добавлено 25 Янв 2023 в 19:28

Цитата: aviator79 от 25 Янв. 2023 в 18:37В таком случае, лучше всего подходит только сварочник.  Проще и дешевле вариантов нет.
сварочник - это ширпотребный ширпотреб.
А Дельта - относится к профоборудованию.
Это как мерс и запор.
Да и к тому же сварочник без доработки непрокатит.
Самовар , Кваньшунь 3 кВт , келли 200А,  LG E48 3кВтЧ.
80км/ч     
> 70 000 км

aviator79

Цитата: yurgen от 25 Янв. 2023 в 19:26
сварочник - это ширпотребный ширпотреб.
А Дельта - относится к профоборудованию.
Да и к тому же сварочник без доработки непрокатит.
Схемотехника преобразователя у сворочника и у Дельты совершенно одинаковая. Разница есть только в наличии фильтрации  выходного напряжения и фильтрации на входе 220В, чтобы помехи от преобразователя не попадали в сеть.  Для источника питания разных серверов выходная фильтрация необходима, а для сварочника и для зарядного устройства она совсем ни к чему.  Вот и вся разница.
Вся доработка сварочника заключается в замене постоянного резистора, отвечающего за выходное напряжение, на переменное. Ещё можно дополнить аппарат цифровым ампервольтметром.  При этом все функции сварочника полностью сохраняются.
Цитата: yurgen от 25 Янв. 2023 в 19:26
Это как мерс и запор.
Скорее как топор и колун.  То-есть, у них назначение разное, а по качеству исполнены одинаково. 

sdenis2017

Цитата: aviator79 от 25 Янв. 2023 в 19:51Схемотехника преобразователя у сворочника и у Дельты совершенно одинаковая.
питаются от 220 - это всё что у них то общее

Добавлено 25 Янв 2023 в 20:30

Цитата: kommunist от 25 Янв. 2023 в 18:5930-амперный 20-килограмовый ЛАТР, картинку которого Сденис выложил, тут я приобрёл за 2000руб
у вы я свой купил за 3500 грн
1кВт  ДД 273-й + Келли kls-s 7230 + лифер 32700 12s4p + антбмс 8-24S 100А

sdenis2017

Цитата: sergey83 от 25 Янв. 2023 в 00:05
56 ампер на 48 вольт  - это мощность 2688 ватт.
там то 54 Вольта на выходе
а вообще блок держит стабильно нагрузку 2900 Ватт
1кВт  ДД 273-й + Келли kls-s 7230 + лифер 32700 12s4p + антбмс 8-24S 100А

aviator79

Цитата: sdenis2017 от 25 Янв. 2023 в 20:29
питаются от 220 - это всё что у них то общее
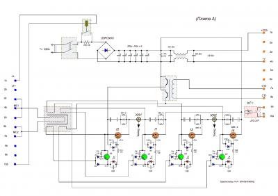
Давай сравним. Вот схема сварочника. Выкладывай Дельту. Если её нет, то хотя бы примерно похожую и другой мощности или прокомментируй на словах, чем она отличается от сварочного преобразователя?
Спойлер





sdenis2017

Цитата: aviator79 от 25 Янв. 2023 в 21:11Выкладывай Дельту.
к сожалению тут и двух страниц не хватит чтоб она поместилась

Добавлено 25 Янв. 2023 в 22:08

Цитата: aviator79 от 25 Янв. 2023 в 21:11чем она отличается от сварочного преобразователя?
да хотя бы тем что у Дельты есть двухфазный APFC а не тупо мостик с банками
1кВт  ДД 273-й + Келли kls-s 7230 + лифер 32700 12s4p + антбмс 8-24S 100А

yurgen

Цитата: sdenis2017 от 25 Янв. 2023 в 22:06да хотя бы тем что у Дельты есть ..
[user]sdenis2017[/user], тут походу бесполезно чегото объяснять.
Ну не понимают люди разницу в профдевайсах и ширпотребе.
Самовар , Кваньшунь 3 кВт , келли 200А,  LG E48 3кВтЧ.
80км/ч     
> 70 000 км