avatar_Alex_Soroka

Зарядное устройство от Alex_Soroka

Автор Alex_Soroka, 26 Окт. 2009 в 09:38

« назад - далее »

0 Пользователи и 1 гость просматривают эту тему.

I_004

Цитата: AlexAi от 05 Сен. 2016 в 16:34
К примеру, чтобы при токе нагрузки равным нулю, ЗУС переходил в режим заряда спустя, допустим, 30мин.  :hello:

Ну, тут, однако, надо определить(ся) что есть "нагрузка, равная нулю"? Потому как если нагрузка менее 1А, то ЗУС (в текущей редакции) её не регистрирует, но, тем не менее, она есть. Просто, с таким нововведением, рискуют пойти лесом все малые нагрузки и АКБ (коих у меня, к примеру, большинство)...

AlexAi

Цитата: I_004 от 06 Сен. 2016 в 08:24
Потому как если нагрузка менее 1А, то ЗУС (в текущей редакции) её не регистрирует, но, тем не менее, она есть. Просто, с таким нововведением, рискуют пойти лесом все малые нагрузки и АКБ (коих у меня, к примеру, большинство)...
Странно. У меня при токе 0,7А  показывает около 0,8А. Откалибруйте.
Nikola100+, KS18XL, inmo v8.

I_004

Если принимать во внимание инструкцию, то у ЗУС большие погрешности при измерении тока менее 1А, но и ладно - можно вручную пересчитать, да и у меня при токе 0.7А что-то показывает, а при токах 0.35А, 0.17А - уже ничего... Да, попалось пару АКБ 6В 3.2Ач, потому и токи такие.

К слову - эти АКБ 94 года выпуска, стояли в светильниках аварийного освещения, по идее заряд буферный, но на токе ~ 0.1С даже полную ёмкость отдали (доливал). С другой стороны, таких АКБ (в таких же светильниках) было ещё полтора десятка - все погремушками стали.

LesNik

Цитата: Architek от 05 Сен. 2016 в 22:04
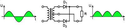
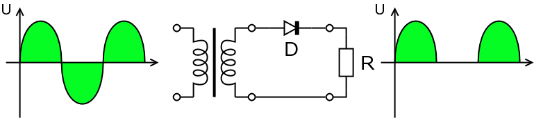
Далее мы проверили частоту "танковой" зарядки и показало 100 Герц!!!
в чем собака...?
Однополупериодный выпрямитель: на входе 50гц - на выходе 50 гц пульсирующий

Схема Гретца (мостовая) выпрямитель: на входе 50гц - на выходе 100 гц пульсирующий

Схема Миткевича (со средней точкой) выпрямитель: на входе 50гц - на выходе 100 гц пульсирующий




Alex_Soroka

Цитата: Architek от 05 Сен. 2016 в 22:04
в чем собака...?
скорее всего в том что моё ЗУ подготовило аккум под прием заряда, а "кипятильник" тупо, не обращая внимания на напряжения, вливал с кипением всё что мог.

Вы вообще-то могли попробовать мой режим S_Ca  :hello: вместо вашего кипятильника...

Alex_Soroka

Пока - предварительный анонс  :hello:
( основное постараюсь завтра )

После почти полугода разработки и отладки в разных режимах,
подготовлена к мелкосерийному (паяю у себя в офисе) выпуску новая ЗУ
рабочее название "Версия5-Профи"
( просто "профи" уже была в 2009 году, из-за нетехнологичности не прижилась в производстве).

Из основного нового:
1) Применен, наверное впервые в практике создания ЗУ, квазирезонансный преобразователь с синхронным выпрямителем во вторичке, что позволило поднять КПД до 90-92%, убрать практически нагрев деталей, убрать "звон" помех по ЭМИ.  Диапазон работы по напряжению сети повышен до 250В.
2) токи заряда до 30А постоянно, в пиках(кратковременно) до 100А. Из-за этого пришлось полностью отказаться от применения "шунтов", токи измеряются на "переходах" полевиков. Да, это вносит неточность, но повторяемую, зато убирает проблему перегрева.
3) два разных выхода: для 12в АКБ и для 6В, 4в(литий), 2В(свинец). (одновременно только один выход работает)
4) режимы "по названиям" такие-же как в Версии4 (для удобства), но добавлено два режима "пользователь сам впишет", в которых можно двигать "реперные точки" не меняя основную логику работы ЗУ(потому что не надо трогать логику, она доказала что правильная).
5) внесена цепь измерения внутреннего сопротивления АКБ. Перед зарядкой ЗУ проводит замер вн.сопр. и показывает его на ЖКИ.  (...много интересного проявилось в связи с этим)
6) разрядная цепь как и у Версия4, токи разряда до 10А, более мощный радиатор, полевик с меньшим сопротивлением.
7) трансформатор применен с вторичкой из ленточного провода. Мощща должна выходить свободно, никаких круглых проводов :)
8 ) Удалось уместиться в корпус такой-же как и у Версии4 по габаритам. Вес порядка 750грамм. Выход - двойной провод сечением 2*4мм2, оканчивается "клемма под болт"

Крокодилы искрят и возможно возникновение дуги как у сварки, потому я не советую рисковать.
9) изза большого тока, ЗУ наконец-то стало возможно применять как "быстрый подзаряд" для автомобильных АКБ ранга 40-90Ач емкости. Суть в том что за полчаса-час ЗУ в состоянии "накидать" до 30А в АКБ, что позволит например на техстанции "быстро подзарядить" АКБ клиентам у которых машины подсели из-за догого стояния.

Сейчас у меня только "рабочий образец" на котором я делал опыты и все проверил, с учетом замечаний уже в работе три первых ЗУ(платы) и жду трансформаторов для них (новое изделие). По готовности трансов собираю первые серийные экз.

По цене все немного печально... Изза примененых "новых технологий" и микросхем-контроллеров себестоимсоть ЗУ поднялась, так что цена предполагаемая на сегодня 4000 грв.
В продаже и близко нет ничего подобного из ЗУ :wow:
тем более в такую цену.
...разве что "пускозарядные" кипятилки (CCCV) размерами с тележку и весом под 50кг.  ;-D

в общем сейчас хочу наконец-то завершить с программой, и начну делать под заказ.
Спрос на мощное ЗУ пока непонятный, так что посмотрим...
Принимаются предзаказы  :hello:

Версия4 производство не прекращается, будет разделено применение:
Версия4 - аккумы от 7Ач до 90Ач.
Версия5 - аккумы от 40Ач до 300Ач. (малые токи проблематично контролировать)

UriBas

Цитата: Alex_Soroka от 06 Сен. 2016 в 18:143) два разных выхода: для 12в АКБ и для 6В, 4в(литий), 2В(свинец). (одновременно только один выход работает)
Класс!  Можно поработать с банками отдельно,  6В тоже пригодится.  С литием - на какой тип ориентация? (титанат, лифер или ион?) 
Цитата: Alex_Soroka от 06 Сен. 2016 в 18:145) внесена цепь измерения внутреннего сопротивления АКБ. Перед зарядкой ЗУ проводит замер вн.сопр. и показывает его на ЖКИ.  (...много интересного проявилось в связи с этим)     
Конечно интересно,  ведь можно по этому параметру определять эффективность того или иного режима!
В качестве доп бонуса, можно было бы и выход на комп сделать (делать логги)..  по моему, особенно для СТО пригодилось бы, да и не только..  почти у каждого, кто покупает ЗУС, тут на форуме, возникают десятки вопросов, на словах объяснить проблему трудно..  а так лог скинули и 50-99% инфы уже есть.
.. Еще хорошо бы и в четвертой версии такие режимы были, хотя бы частично,..
Восточная мудрость - "Шакал воет - караван идет"  Эл.вел. 350Вт.   Верую в Иисуса Христа, НЛО.  тема "продвинутой моргалки" https://electrotransport.ru/index.php?msg=1669651

ihor

Очень любопытно...сУрьёзная машина, а фото можно?

us2idr

Планировался как то режим блока питания? Но интересней добавить калибровку тока и напряжения (для измерения внутреннего сопротивления актуально). Управление просится добавить кнопку;  + - выбор режима. Индикацию желательно расширить ( выход на компьютер полезная функция) с усреднением параметров и историей. Сохранение данных КТЦ (при пропадании сети) не помешает с использованием внешнего  источника питания или испытуемого аккумулятора. Модернизация ЗУ радует и хочется пожелать Alex_Soroka успехов.

AlexAi

Цитата: Alex_Soroka от 06 Сен. 2016 в 18:14
2) токи заряда до 30А постоянно, в пиках(кратковременно) до 100А. Из-за этого пришлось полностью отказаться от применения "шунтов", токи измеряются на "переходах" полевиков. Да, это вносит неточность, но повторяемую, зато убирает проблему перегрева.
Я на шунты в версии4 поставил термопрокладку с радиатором, сейчас 15А среднего держит сутками. Нагрев конечно приличный, но так и шунты на 170 градусов по цельсию рассчитаны.
И давно хотел спросить почему на токовых шунтах в версии4 вы применяете SMD резисторы, а не выводные?
Nikola100+, KS18XL, inmo v8.

Alex_Soroka

#2296
Цитата: UriBas от 06 Сен. 2016 в 21:23
Цитата: Alex_Soroka от 06 Сен. 2016 в 18:145) внесена цепь измерения внутреннего сопротивления АКБ. Перед зарядкой ЗУ проводит замер вн.сопр. и показывает его на ЖКИ.  (...много интересного проявилось в связи с этим)     
Конечно интересно,  ведь можно по этому параметру определять эффективность того или иного режима!
не все так просто оказалось  6_6
сразу после заряда, сопротивление выше примерно в 1.2-2 раза, а вот если дать постоять, хоть полчаса - сопротивление падает. Для сравнения - обычный поношенный АКБ 7Ач у меня кажет 0.043-0.052 Ома. Если его подзарядить и дать отстояться - получаем 0.023-0.025 Ома... Обьяснение у меня есть, и называется оно "перераспределение газов", ЗУ работает на грани кипения, так что отстой приводит к выравниванию концентраций, и сопротивление падает.

ЦитироватьВ качестве доп бонуса, можно было бы и выход на комп сделать (делать логги)..
обойдетесь  :hello:
...все кому-то свербитт получить полный лог зарядного алгоритма  ;-D
не будет выхода на комп. По двум причинам. Первая - в работе это нафиг не надо никому из пользователей, потому что "дятел должен долбить" а не красивые картинки показывать. Вторая - перетекание токов комп-ЗУ-земля будет, и кто-то что-то сожжет обязательно... Рисковать не буду. А вставка полных опторазвязок это + к итак немалой цене, причем "+" бесполезный для 99% пользователей.
Цитироватьвозникают десятки вопросов, на словах объяснить проблему трудно..  а так лог скинули и 50-99% инфы уже есть.
в СТО в этом никто разбираться не будет - посоветуют купить новый АКБ...
Цитировать.. Еще хорошо бы и в четвертой версии такие режимы были, хотя бы частично,..
я думал перевести Версия4 на квазирезонанс, но не нашел дешового решения.
а то что на рынке продвигается - не всегда квазирезонанс в его истинном научном понимании. Я горы литературы и даташитов перевернул на эту тему...

в догонку к посту:
https://electrotransport.ru/index.php?topic=2721.msg890731#msg890731

в Версия5-Профи применени FSFA2100 преобразователь, предельная мощность до 450Вт.
Но у него особенность: защиты триггерные, не самовосстанавливающиеся. Поэтому на плате пришлось создавать отдельный блок питания, для FSFA и для микропроцессора и вентилятора.
В результате ЗУ теперь имеет независимое питания процессорной части, и при срабатывании мощных защит теперь показания не сбрасываются  :hello: Т.е. процессор сидит на отдельном питании и наблюдает за процессом не боясь вдруг остаться без питания.

Еще к слову - мне ни разу не удалось сжечь FSFA2100 в работе (чего не скажешь про Версия4) - защиты работают молниеносно, и каждый импульс преобразователя контролируется.

Если "на пальцах" рассказать, то классика преобразователей просто тупо как пулемет - лупит частоту 130кГц или 60кГц, и только меняет заполнение импульса. При этом ТОР250 (и ихе с ними) не интересует что там в магнитном поле транса произошло - т.е. если вдруг исчезла нагрузка, и сердечник еще намагничен, то все равно полетит импульс. (пулемет стреляет с частотой преобразования и пофигу что пули все еще ствол не покинули). А если сердечник насыщен и перенасышен, то это будет как "удар об воду"(несжимаемая преграда) - будет "большой бабах" :(
в квазирезонансных все по - другому: по аналогии с пулеметом, получается что они дают импульс и ждут пока "пуля покинет ствол" (сердечник трансформатора размагнитится, отдаст энергию) - заметим КАЖДЫЙ ИМПУЛЬС "покинет ствол"! частота при этом что 60кГц что 130кГц что 500кГц, не важно - работает одинаково.
Так что если вдруг нагрузку отключили то "второй пули в стволе не будет", потому что сердечник не размагнитился.
...я вообще-то не рекомендую это проверять  B-) потому что при искрении и 30А подводимых тут-же загорается дуга в месте искрения... лучше не рисковать: сначала левой кнопкой ЗУ вводить ЗУ в "паузу" а потом снимать клемму. Дуга это не шутки , оплавление контактов это неправильно.

Alex_Soroka

Цитата: ihor от 06 Сен. 2016 в 22:47
Очень любопытно...сУрьёзная машина, а фото можно?
фото будет серийного образца.
То что сейчас - оно ... не очень красиво смотрится  :ah: там перепайки были и перемычки 4мм2 проводом пришлось ставить, я не хочу портить картинку.
Печатная плата усиленная - 35 микрон толщина по меди. Вынужденная мера - обычные платы (18 микрон) греются сильно в силовых дорожках :( пришлось менять технологию.

Отдельно по выпрямлению. Применен "синхронный выпрямитель" http://www.chipdip.ru/video/id000286275/
кратко:
Диодный выпрямитель прямоугольного напряжения, выполненный на теоретически идеальных диодах, не может иметь КПД выше ~94.6% . Такой же выпрямитель на реальных диодах с падением напряжения 0.8В не позволяет получить КПД выше 86.2%. Диоды Шоттки с падением напряжения 0.5В позволяют получить КПД 90%.
Применение синхронного выпрямителя (СВ) на полевых транзисторах с падением напряжения 0.1...0.2В повышает КПД до 96.2% и более
.

Схема в итоге получилась практически холодной на токах 5-12А, греются немного только выходные ключи и сам трансформатор. 
...но вентилятор в ЗУ я все равно ставлю.

Alex_Soroka

Цитата: us2idr от 07 Сен. 2016 в 07:56
Планировался как то режим блока питания?
планировался, но я решил отказаться.
потому что стабилизация напряжения при непонятной нагрузке требует отдельного геморроя с программой.
FSFA2100 это "реактивный истребитель", я вот думаю все-же оставить "экспериментальный режим STD2" в котором она успевает выдавать пачки импульсов в 30-60А(!) с частотой любимой "шаманчиком"(ник на форуме) от 35Гц до 400Гц.  ;-D  Ничего подобного я с другими преобразователями не видел и не смог получить.

ЦитироватьНо интересней добавить калибровку тока и напряжения (для измерения внутреннего сопротивления актуально).
в этой теме где-то с месяц назад я приводил формулу расчета.
На плате стоит 5Ом и 10Ом резисторы и два ключа. Процессор включает 10Ом дает успокоиться напряжению, меряет, потом включает 5Ом, дает успокоиться и меряет. Потом вычисляет Rвнутр.
как показала практика, этого даже для лития хватает, там порядка 0.008 Ома у меня получалось на подушатанных аккумах.

ЦитироватьУправление просится добавить кнопку;  + - выбор режима.
управление  - три кнопки с передней панели.
сейчас дописываю "интерфейс управления".  Опыты с сиовой частью давно закончил, а вот "рюшечки" отнимают много времени.

Добавлено 07 Сен. 2016 в 10:03

Цитата: AlexAi от 07 Сен. 2016 в 09:03
И давно хотел спросить почему на токовых шунтах в версии4 вы применяете SMD резисторы, а не выводные?
1) потому что их удобнее паять.
2) потому что от них хорошо отводить тепло в дорожки платы
3) потому что они меньше размерами(меньше наводки) и гаранитруют 2Вт :)

...выводные резисторы надо обдувать, и они как грелка работают, были случаи оплавления краски снаружи резисторов...

UDAV

Выбор - это хорошо!  :wow:     Но я подожду   версию с USB-портом,   очень  хочется  наблюдать за процессом  через комп  :pardon:
Подпись ;)

I_004

Если "сигнальная", относительно слаботочная, часть питается отдельным БП, может быть есть смысл предусмотреть возможность подключения резервного источника питания именно к ней? При отключении "главного рубильника" показания всё равно не сохраняться же.  Или какой-нибудь ионистор конкретно на проц, чтоб конкретно показания/счётчики сохранить в памяти. Просто мысли на тему...

Сэм_N

Цитата: Architek от 05 Сен. 2016 в 22:04

После того, как ЗУСом зарядил, уже в третий раз, АКБ 55А кальций, который принял 6-7А, который после этого два раза запустил стартер 150А и сдох.

когда по зиме выжав всё из АКБ(не крутит почти) 10Ач влазило
но крутило не раз и не два-три

Alex_Soroka

Цитата: UDAV от 07 Сен. 2016 в 10:17
Но я подожду   версию с USB-портом
с УСБ не будет зарядок.
почему - описал выше.

UriBas

Цитата: Alex_Soroka от 07 Сен. 2016 в 11:40с УСБ не будет зарядок. почему - описал выше. 
Прошу прощения Алекс, что опять по этому вопросу..  согласен, что этот режим налагает определенные трудности, которых Вам и так хватает с головой..  но в плане сохранения секрета алгоритма и нужно ли? - возражу еще раз (обещаю последний)..  кто хочет содрать алгоритм, тот сделает логг в любом случае.. особенно если хоть немного силен в этом деле.  Чтобы сохранить алгоритмы в секрете, можно делать логг, скажем,  по средним показателям хотя бы..  По эл. безопасности - прикрутить беспроводной.. 

Тем кто вплотную занимается с АКБ, логг нужен для анализа АКБ как воздух!  Можно конечно колхозить свой логг, но имея такую машинку как ЗУС-5 это не серьезно..с.  ..это как иметь мерседес, но после покупки надо еще прикручивать спидометр.   Абсолютно уверен, что все тут на форуме, кто заинтересован в Ваших ЗУСах согласятся с нужностью этой опции!! 

В заключении хочу сказать, что всякие там рюшечки" очень сильно облегчают, радуют и без того тяжелую - свинячую" жизнь аккумуляторщиков и хочу пожелать от всех пользователей ЗУСов,  чтоб дальнейшие версии 4,5..N  порадовали дружелюбным (а не суровым) интерфейсом и разными приятностями  - успехов Вам Алекс!
Восточная мудрость - "Шакал воет - караван идет"  Эл.вел. 350Вт.   Верую в Иисуса Христа, НЛО.  тема "продвинутой моргалки" https://electrotransport.ru/index.php?msg=1669651