Переделка компьютерного БП в зарядное.

Автор Олег., 23 Нояб. 2015 в 19:30

« назад - далее »

0 Пользователи и 1 гость просматривают эту тему.

Серик

#990
Приветствую Всех Форумчан!
Знающие люди, подскажите пожалуйста, вот такой БП 24В 1А подойдет для дежурки в самодельный инвертор с самопитанием?
Спойлер
Спойлер
На корпусе этого блочка написано: вход 100-240АС, выход 24В 1А.
Спойлер
Вопрос возник, потому что на плате нет микросхемы-шимконтроллера, на выходе стоит TL431- стабилизирует напряжение?Чем в первичке?
А как в таких БП может быть организована защита по току, от КЗ и прочие..?

green99

WERAS:
RC цепочка на стоке применяется для уменьшения ЭМИ (помех приёму радио-тв по-русски). Чаще без резистора, просто конденсатор. В кинескопных тв стоит ВО ВСЕХ блоках питания, ёмкость обычно 500-1500 pF. Без этого конденсатора на кране тв  - помехи в виде наклонных линий. Часто приходится уменьшать до 330-470 pF, так как бОльшая ёмкость вызывает приличный нагрев силового ключа даже без нагрузки и снижает надёжность БП.
Про ёмкость на выходе. Не следует ставить на большое напряжение, т. к. при прочих равных более высоковольтный конденсатор имеет конструктивно больший ESR. Допустимое напряжение должно быть близким к реальному напряжению на конденсаторе при работе схемы, а вот ёмкость - чем больше - тем меньше ESR - тем лучше. Разумно будет выходной конденсатор  ставить на меньшее напряжение и за счёт этого при тех же габаритах  - на бОльшую ёмкость.

ihor

Цитата: Серик от 06 Май 2018 в 08:52Вопрос возник, потому что на плате нет микросхемы-шимконтроллера, на выходе стоит TL431- стабилизирует напряжение?Чем в первичке?
А как в таких БП может быть организована защита по току, от КЗ и прочие..?
Не там защит.
Хотите защиту ? Поднимите на 431-й подбором резистора напряжение на выходе БП до 27-28в и дальше классика жанра...LM317 и нужное напряжение (или ток)на выходе и соответственно защита от кз и С*. Или сразу готовую 7824 поставить.

Кass

Цитата: WERAS от 15 Май 2018 в 23:50По всему интернету обшарил по ТОР250 для ЗУ.Ну нет ни единого человека кто бы собирал ЗУ на тор 250

А можно вопрос? А зачем? Ну наверное и на дрель можно приклеить монетку, что бы можно было гвоздь забить. Но зачем? Молоток то удобнее и надежнее. :)
АРМ стенда онлайн: http://scada.kontar.ru Пользователь: Электротранспорт, Пароль: 111111

Гербалайф от всех болезней, Кашпировский лучший врач,  Орифлейм самая лучшая косметика, а МММ самый лучший способ вложения денег. Кто бы спорил. ;)

Кass

#994
[user]WERAS[/user], причем тут вообще Сорока? Мне интересны именно ваши мотивы взять микруху, производитель которой позиционирует ее для меньших мощностей и пытаться из нее что то выжать. Я Сороку вообще не упоминал. Тут тема то [b-b]"Переделка компьютерного БП в зарядное."[/b-b] Перечитайте несколько раз название темы. У фанатов Сороки какая то проблема с пониманием смысла? Мало того, что вы начали флудить в не профильной теме и влезли в нее не с компьютерным БП, а с вашей поделкой, так начинаете еще хамить на невинный вопрос и рекламировать Сороку. Я вас чем то обидел? :-)

Вы абсолютно верно заметили, что абсолютно никто в мире не делает ЗУ на ТОР250, как не делают на них ни компьютерные БП, ни вообще ни какие мощные БП. Ибо в мире подобными разработками занимаются люди, не находящиеся в конфликте со здравым смыслом. Если вы уж упомянули мой БП, то 10А он выдавал спокойно и до переделки. Я переделывал с той лишь целью, что бы он так же спокойно выдавал 20-25А среднего значения. Амплитуда импульсов бывает более 100А. На подобной же элементной базе у меня работают и Вымпелы, у которых тоже долговременно 20А, и никаких проблем нет.  :hello:

Если вам сильно хочется поделиться результатом ваших экспериментов, то создайте отдельную тему "БП для ЗУ на ТОР250" и пишите. ... Зачем тут то захламлять тему ТОРом?
АРМ стенда онлайн: http://scada.kontar.ru Пользователь: Электротранспорт, Пароль: 111111

Гербалайф от всех болезней, Кашпировский лучший врач,  Орифлейм самая лучшая косметика, а МММ самый лучший способ вложения денег. Кто бы спорил. ;)

Alex_Soroka

Цитата: WERAS от 16 Май 2018 в 23:11
здесь народ такой единоличные, просто каждый сам себя.
я вас попросил в личке прислать мне фото вашей платы и схему точную,
вы мне проигнорировали.
раз так - то тогда сами разбирайтесь  :pardon:

Кass

Цитата: WERAS от 16 Май 2018 в 23:11Новую тему? Я уже понял,если даже новая тема ,тут ни кто ни единого путевого слова не подскажут нужном направлении! Потому что здесь народ такой единоличные, просто каждый сам себя.

Зря вы так думаете. Ну есть несколько человек, которые блюдут коммерческие интересы и все остальное хаят. Игнорьте их и все. Но есть много толковых людей, которые могут что то подсказать, но не хотят флудить. Кто то просто не заходит в какие то темы, которые ему не интересны, и возможно кто то из тех, кто вам бы что то реально подсказал как раз не заходит в тему компьютерных БП.

Так же для того, что бы к вам присоединились собеседники, попробуйте избегать манеры общения того же Сороки. Общайтесь с людьми уважительно и они вам ответят тем же. :)

Цитата: WERAS от 16 Май 2018 в 23:11Вымпер он по моему при 14..15 в 20А выдает.

Ну к примеру самый мой древний вымпел выдает 20А и в режиме БП 19В. Если поставить побольше транс, то можно сделать и 40 и 60А. Я потому и ограничился в 20-25А, что понимаю пределы транса. Либо нужно его менять, либо остановиться.
АРМ стенда онлайн: http://scada.kontar.ru Пользователь: Электротранспорт, Пароль: 111111

Гербалайф от всех болезней, Кашпировский лучший врач,  Орифлейм самая лучшая косметика, а МММ самый лучший способ вложения денег. Кто бы спорил. ;)

Кass

Цитата: WERAS от 19 Май 2018 в 09:49вполне могли бы подсказать правильном направлении, ведь не сложно тыкнуть пальцем на ту сторону куда я должен двигаться,а не кружиться вокруг вокруг кольца .

Так в том то и дело, что для того, что бы подсказать и в тему, нужно знать конечную цель, что именно вы хотите получить. Если нужен мощный блок питания для моргалки или импульсного ЗУ, то это одна задача, если просто вытащить из ТОР максимум мощности и поставить рекорд, то это другая задача. В виду различий в задачах я и задал вопрос, почему именно вы пытаетесь выжать максимум из ТОРа. Это вполне безобидный вопрос, который может подсказать людям, в каком направлении подсказывать. :)
АРМ стенда онлайн: http://scada.kontar.ru Пользователь: Электротранспорт, Пароль: 111111

Гербалайф от всех болезней, Кашпировский лучший врач,  Орифлейм самая лучшая косметика, а МММ самый лучший способ вложения денег. Кто бы спорил. ;)

TOM

[user]WERAS[/user], просто создай отдельную тему. Преимущество ТОРа - довольно простая "горячая" часть БП. Может быть, и получится найти способ заставить работать её правильно.
Осциллограмы с нагрузкой или без?

Vladimirlugansk

Можно из этого блока сделать зарядное для наливных акумов до 90 А/ч?






hrpankov


Кass

Цитата: Vladimirlugansk от 01 Июнь 2018 в 18:51Можно из этого блока сделать зарядное для наливных акумов до 90 А/ч?

Легко! :)
АРМ стенда онлайн: http://scada.kontar.ru Пользователь: Электротранспорт, Пароль: 111111

Гербалайф от всех болезней, Кашпировский лучший врач,  Орифлейм самая лучшая косметика, а МММ самый лучший способ вложения денег. Кто бы спорил. ;)

Vladimirlugansk

#1002
фотки после разборки корпуса


Схему на него конечно я не нашел. Этому девайсу 23 года)) Контроллер DBL494.

Серик

Приветствую Всех Форумчан!
Здравствуйте, Уважаемый  Vladimirlugansk!
Ваш блок, похоже, мог бы быть базой для переделки по такому варианту:
http://kazus.ru/forums/showthread.php?t=15129

Кass

Цитата: Vladimirlugansk от 06 Июнь 2018 в 20:39Схему на него конечно я не нашел. Этому девайсу 23 года)) Контроллер DBL494.

Да схема обычная, на TL494 с ОС на транзисторах, а не на LM. У меня что то подобное. Там основные элементы легко находятся на плате. В принципе БП хороший, так как даже входные фильтры имеют место быть. Обычно вместо них перемычки стоят. Для начала нужно посмотреть какие диоды стоят входные и выходные, и какие транзисторы силовые, и в зависимости от того, что вы хотите от него получить уже смотреть. Если мощность его устраивает и токи нужны не очень большие, до 10А, то там ничего менять не нужно. Выпаивая лишние выходные цепи не нужных напряжений можно освободить место на плате в левом верхнем углу, и потом добавить кондеров на нужное напряжение, если планируется под моргалку. Схема у меня где то дома есть.
АРМ стенда онлайн: http://scada.kontar.ru Пользователь: Электротранспорт, Пароль: 111111

Гербалайф от всех болезней, Кашпировский лучший врач,  Орифлейм самая лучшая косметика, а МММ самый лучший способ вложения денег. Кто бы спорил. ;)

WERAS

Перенесено;


Моргалка на Attiny13
« Ответ #941 : Вчера в 18:42 »
В закладкиОтветЦитировать (выделенное)ИзменитьИзменитьУдалитьУдалить2
Цитата: vsyako писал Вчера в 14:21
У меня с такой две пары силовых транзисторов выгорели при настройке .  Работает , но слишком медленно .
Только поцикловая защита с трансформатором тока в первичке.
Ну что сказать ,наверное кому как повезед. Я собирал Б/П   с регулировкой отсюда 
https://www.drive2.ru/b/2445147   
Давайте для начала так:
1) До разборки TL494 питается порядка 22..23в
  2) у меня с 12в от дежурки,а у вас как?
  3) до переделки Б/П питание Шим 22..23в, встаем осцилом относительно косички на 8 и 11 ногу,затем на транс раскачки  низкой стороны сохраняем и фоткаем рисунки.
4) Теперь в место 23в подаем 12в и все так же сверяем картинки перед снятым,что мы видим,какие различия есть? Вот именно при низком питание Шим просто напросто напруги не хватает для полноценного раскачки силовиков. При питание ШИМ от 12 в даже есть ступенька,которая исчезает более 17вольтах. Переделанные блоки при 12 в  шим как бы нормально работают,а вот иногда ни стого всего без БАХ перестают работать.  При этом,после прозвонки один из силовых ключей не пробито,а утечка К_Э Я добился подбором резисторов так: снятые осцилограммы при 23в смотрю на его фору и подбирал резистор  в базовой цепи С945 на плюс питание шим ,который в схемах стоят от 2,7К..3,8К я их снижал до 1,6к,а от базы на землю оставил так же 1К.Далее,от питание 12 в схемах резистор 1,5к и через диод идет на среднюю точку.Вот этот резистор снизил до 560 Ом.  Вот таком плане я добился такой результат как при питание Шим 23в. И больше у меня больше ни когда ключи не вылетали. По той ссылке выше в форуме снижали сопротивление ,т.е на силовых ключах Б-Э 2,7К на 1..1,5К и каких то случаях помогло!

Паяка

Спойлер
[user]vsyako[/user], именно так. Отслеживание пикового тока ключа и дроссель-трансформатора позволяют избежать насыщения сердечника и перегрузки ключа. Ниже простейший пример с однотактным преобразователем, отсюда.


Для мощных УМЗЧ, работающих с нормированной амплитудой на нормированные динамики, сложилась практика собирать простейшие двухтактные прямоходы без какого-либо контроля тока и мощности. Для ЗУ так делать нельзя, ведь у АКБ очень широкий диапазон вольтамперных характеристик, в зависимости от состояния на текущий момент.

У "народных" однотактных ИИП Rsense есть по умолчанию, а в двухтактные необходимо добавлять стабилизатор/ограничитель тока, вторичного или первичного. Зависит от логики работы ЗУ, определяемой методом заряда.
GT TF1 60V 20Ah Chilwee DZF

Паяка

#1007
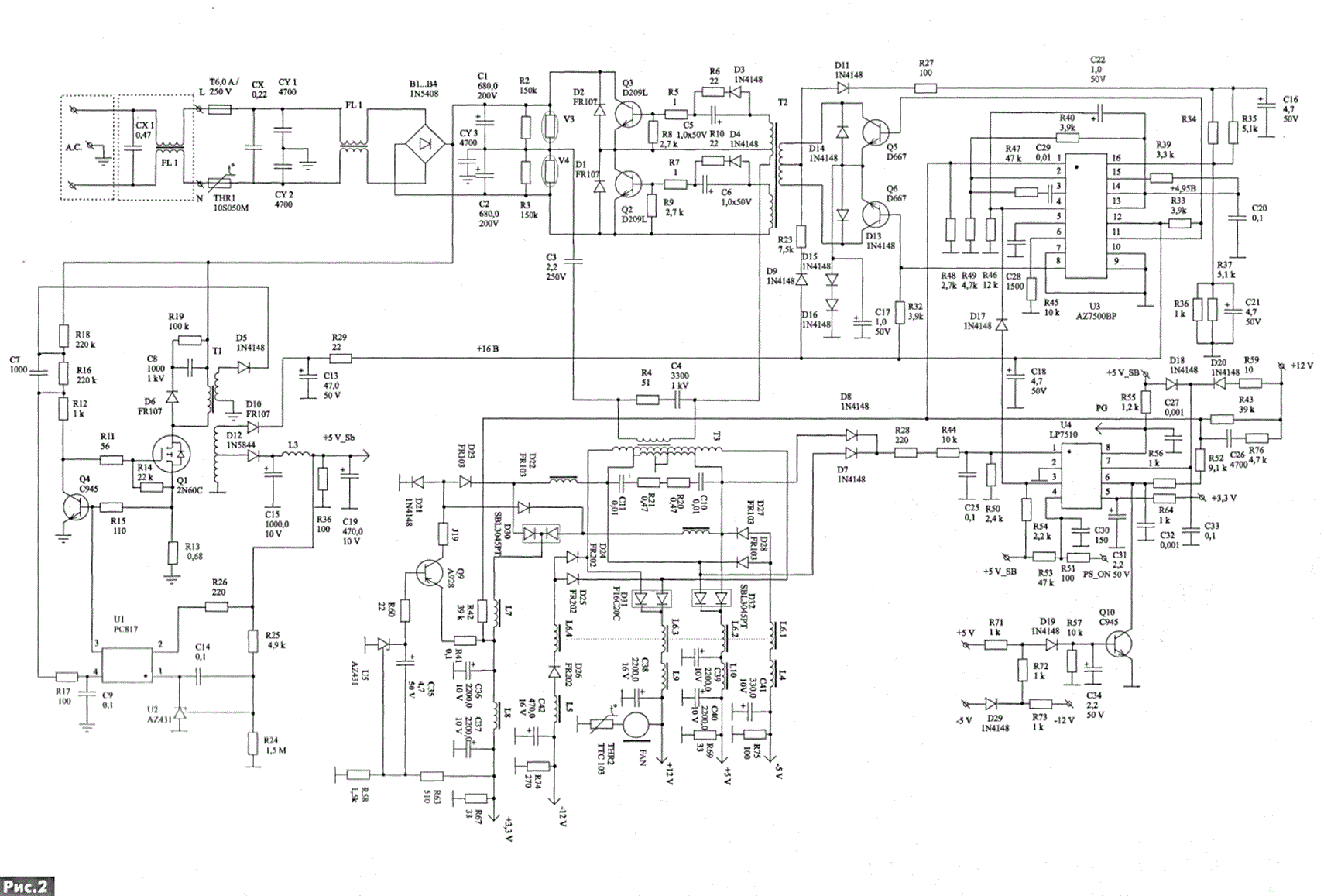
Переделываем в ЗУ Best Power LC-B300.

Обмотки и диоды линии +12В позволяют ток 16А, чего нам более чем достаточно, хоть для 6 или 7.2-амперного, хоть для 14,5-амперного ЗУ.
Плата БП до переделки
БП на AZ7500, аналог TL494, супервизор питания LP7510.
Исходная схема
Способ переделки таких БП общеизвестен. В отличие от более продвинутых, на специальных контроллерах питания ATX, чей встроенный супервизор приходится обманывать, достаточно выпаять лишние компоненты, удостовериться, что выходной электролит выдержит 15 вольт, (заменить на 25-вольтовый), и перенастроить ОС по напряжению с бывшего +12В канала на 14.8 вольт.
Модифицированная схема
Но прежде чем приступать к переделке, предложу сохранить одну очень полезную вещь, а именно, возможность включения и выключения силового преобразователя по сигнальной цепи. Для этого, не выпаиваем D17 и R54, а в отверстия 2 и 3 посадочного места U4, освободившегося от выпаянного LP7510, впаяем провода к маленькому тумблеру или кнопке с фиксацией. Это даст возможность включать и выключать наше ЗУ без искрения, помех и износа контактов.
Мой вариант модификации
Когда контакт U4 pin 3 соединён с общим проводом, механическим выключателем или выходом с открытым коллектором, силовой преобразователь включен, когда висит в воздухе - выключен. Только не перепутайте с выводом 3 KA7500! Его соединение с землёй приведёт к отключению обратных связей, и преобразователь пойдёт вразнос.

Таким образом, появляется возможность реализовать ту или иную моргалку без лишних силовых ключей, управляя БП с компаратора, микроконтроллера или той или иной логики, через выход с открытым коллектором. Дежурка при этом остаётся включенной, выдавая свои 5 вольт, от которых можно запитать управление моргалки.

Но при заглушенном силовом преобразователе, АКБ будет разряжаться через резистор холостого хода, в качестве которого на схеме представлен вентилятор, грамотно включенный через термистор. Чтобы этого избежать, проще всего поставить между +14.8В и +АКБ ещё один диод на достаточный ток, соответствующим образом скорректировав выходное напряжение в сторону увеличения на величину прямого падения на этом диоде.

Кстати, с вентиляторами разное случается, и по моему скромному мнению, не помешает добавить с +14.8В ещё и настоящий резистор холостого хода 330-470 Ом, на всякий случай.

В данном ЗУ на базе БП ATX будет использоваться плата управления-коммутации Бережок-Авто, имеющая на борту силовые ключи, защиты от переполюсовки, КЗ, перенапряжения и статики, а также встроенный шунт с задатчиком тока, предоставляющий на выбор прямой и инверсный выходы усилителя ошибки. Прямой выход предназначен для подключения к уже упоминавшемуся выводу 3 TL494 или KA7500, (для ИИП с контроллером, гальванически развязанным от электросети), а инверсный с открытым коллектором - для БП с ОС через оптопару.
Плата управления, 97x44 мм
Плату управления достаточно подключить к модифицированному БП двумя силовыми проводами и одним сигнальным, и ещё двумя проводами к АКБ. ЗУ будет готово, останется оформить должным образом корпус и терминалы.

Продолжение
GT TF1 60V 20Ah Chilwee DZF