Li-Force Преобразователь напряжения 40-60 в в 12 в 10А
 
avatar_alpatov

Преобразователь напряжения 40-60 в в 12 в 10А

Автор alpatov, 08 Дек. 2015 в 12:18

« назад - далее »

0 Пользователи и 1 гость просматривают эту тему.

alpatov

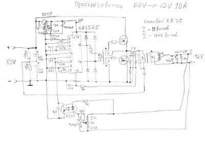
По многочисленным просьбам выкладываю свой преобразователь напряжения.







По себестоимости этот преобразователь выходит в пределах 500 руб. Он имеет защиту по току, спалить его у меня не получилось. Единственное что я изменил, это поставил дежурку на 12 в, а не стабилизатор как по схеме я выкладовал, для питания микросхемы и ТГР. Ток потребления преобразователя на холостом ходу 40 ма. Дежурка нужна для того, чтобы под нагрузкой запустился преобразователь, так как ток потребления в момент пуска 0.5 А пол секунды. Можно вместо дежурки поставить обычный стабилизатор на резисторе и стабилитроне, но стабилитрон должен быть д815, на ток 1 А. В основном все детали использовались с негожего компьютерного БП. Рассчитать преобразователь можно на любое входное и выходное напряжение и ток.

Силовой транс первичка 8 витков, вторичка 10+10 витков.
Надежное ЗУ https://electrotransport.ru/index.php?topic=31814.msg750878#msg750878
Преобразователь напряжения https://electrotransport.ru/index.php?topic=31601.0
Реверс трайк https://electrotransport.ru/index.php?topic=33036.0
Электромобиль https://electrotransport.ru/index.php?topic=21852.0
Линейно-импульсный эквивалент нагрузки с ОБР https://electrotransport.ru/index.php?topic=44200.0

alpatov

ТГР 25 витков на кольце  феррита 16 -20 мм 2000МН сложенных вместе в 3 провода 0.3 мм . Можно использовать провод с витой пары и т.д. Настройка: замеряем ток потребления микросхемы без ТГР, например, 20 ма. Берете кольцо, мотаете 30 витков и подключаем. Меряем ток потребления он должен быть на 20 ма больше, то есть 40 ма. И в зависимости от тока потребления отматываем или доматываем витки ТГР. Дальше выставляем на выходе 12.5 вольт. Все!
Надежное ЗУ https://electrotransport.ru/index.php?topic=31814.msg750878#msg750878
Преобразователь напряжения https://electrotransport.ru/index.php?topic=31601.0
Реверс трайк https://electrotransport.ru/index.php?topic=33036.0
Электромобиль https://electrotransport.ru/index.php?topic=21852.0
Линейно-импульсный эквивалент нагрузки с ОБР https://electrotransport.ru/index.php?topic=44200.0

TRO

[user]alpatov[/user], А зачем последовательно с первичкой стоит конденсатор непонятной емкости?

Wahoo 2012 29er, +собран складной двухосис на раме"Land Rover" 69er с эл. мотором, и и МОНОКОЛЕСО

alpatov

Потому что нельзя подключать первичную обмотку напрямую на среднюю точку входных конденсаторов. Все номиналы и обозначения приведены на печатной плате. Распечатывайте печатку и собирайте по ней, там все понятно.
Надежное ЗУ https://electrotransport.ru/index.php?topic=31814.msg750878#msg750878
Преобразователь напряжения https://electrotransport.ru/index.php?topic=31601.0
Реверс трайк https://electrotransport.ru/index.php?topic=33036.0
Электромобиль https://electrotransport.ru/index.php?topic=21852.0
Линейно-импульсный эквивалент нагрузки с ОБР https://electrotransport.ru/index.php?topic=44200.0

alpatov

Надежное ЗУ https://electrotransport.ru/index.php?topic=31814.msg750878#msg750878
Преобразователь напряжения https://electrotransport.ru/index.php?topic=31601.0
Реверс трайк https://electrotransport.ru/index.php?topic=33036.0
Электромобиль https://electrotransport.ru/index.php?topic=21852.0
Линейно-импульсный эквивалент нагрузки с ОБР https://electrotransport.ru/index.php?topic=44200.0

alpatov

#5
Делать себе преобразователь никто не будет, жаль...Я думал, что надежность превыше всего, но для людей приоритетней китайская штамповка, которая палит всю электронику. Я себе даже БМС не покупал, по причине бесполезности. Собрал свою - обошлось в 1000 рублей: ЗУ + Балансиры + отрубалка. Вот и вся БМС, которую мне предлагали без ЗУ за 5000 рублей.
Надежное ЗУ https://electrotransport.ru/index.php?topic=31814.msg750878#msg750878
Преобразователь напряжения https://electrotransport.ru/index.php?topic=31601.0
Реверс трайк https://electrotransport.ru/index.php?topic=33036.0
Электромобиль https://electrotransport.ru/index.php?topic=21852.0
Линейно-импульсный эквивалент нагрузки с ОБР https://electrotransport.ru/index.php?topic=44200.0

Ghozt

А как пересчитать его, скажем, под 90в-100в на входе и 12в 20-30а на выходе?

Garpun

ЦитироватьБалансиры + отрубалка. Вот и вся БМС, которую мне предлагали без ЗУ за 5000 рублей.
Поделись ссылкой где брал супервизоры. В твоей схеме на 2,7в? На Али я замучился искать. Что забить в поиск?
GM Megawatt 2 Eltreco /48v 10Ah лифер. Продано.
* ЛеилиБокс  в строю* ДД 1000W 48v/20Ah LiFe.
Переделал -теперь ДД 3000W 52V \ 43Ah Li Ion.

alpatov

Пересчитать легко: на 220 в первичка 38 витков, на 110 в 19 витков. По току 5А - на 1 мм кв, то есть на 20А  провод 5 штук вместе 0.63 мм. Чтобы провод влез в транс нужно брать высокий сердечник или большего сечения транс. Супервизоры в Луганске по 30 рублей от 2.7 в до 4.5 в при курсе доллара 66 руб.
Надежное ЗУ https://electrotransport.ru/index.php?topic=31814.msg750878#msg750878
Преобразователь напряжения https://electrotransport.ru/index.php?topic=31601.0
Реверс трайк https://electrotransport.ru/index.php?topic=33036.0
Электромобиль https://electrotransport.ru/index.php?topic=21852.0
Линейно-импульсный эквивалент нагрузки с ОБР https://electrotransport.ru/index.php?topic=44200.0

unicoleg

#9
А вот наш вариант исполнения. Размер 58, 30, 90 мм, гальваническая развязка.












алабам

Цитата: unicoleg от 19 Май 2016 в 18:32
А вот наш вариант исполнения. Размер 58, 30, 90 мм, гальваническая развязка.







а можно подробнее , диапазоны рабочих напряжений , ток , регулировки, и  вообще , все ТТХ , и цена ?

Да , и еще , я не нашел там оптрона обратной связи , или ее нет?
Киев, полный привод, Поларис 500вт +Кроха 3 кВт ,Хедвей 19s2p

unicoleg

#11
Цитата: алабам от 29 Сен. 2017 в 10:16
Цитата: unicoleg от 19 Май 2016 в 18:32
А вот наш вариант исполнения. Размер 58, 30, 90 мм, гальваническая развязка.







а можно подробнее , диапазоны рабочих напряжений , ток , регулировки, и  вообще , все ТТХ , и цена ?

Да , и еще , я не нашел там оптрона обратной связи , или ее нет?
Здравствуйте, да в общем-то все просто, вход может быть любым, как намотаете трансформатор, держит до 10А при 12В, USB до 1А при 5В. Обратной связи нет, регулировок тоже, есть гальваническая развязка. Собиралось для себя, а не для продажи. Вот обновленная плата.


hrpankov

А схема Алпатова или с изменениями?

TEXNIK


sykt

Очень полезная тема. С удовольствием просмотрел. Просьба поподробней рассказать о трансформаторах и их сердечниках. Откуда что выковыривать.  У меня тяговое питание 65 вольт, бортовую батарейку заряжаю с помощью параметрического стабилизатора. Понятно, что не рациональное расходование энергии.  Буду планировать сборку. Жду инфу по сердечникам.

Добавлено 15 Окт. 2019 в 19:48

Цитата: TEXNIK от 08 Нояб. 2018 в 14:12
.    Ir2153
У неё обвязка другая. Схему опубликуйте.
Сайт популяризации технического творчества: http://samodelkin.komi.ru/index1.html

Паяка

Цитата: alpatov от 08 Дек. 2015 в 12:40Потому что нельзя подключать первичную обмотку напрямую на среднюю точку входных конденсаторов
Не помешает добавить для повторяющих схему, что через этот конденсатор "качается" вся мощность, как через пусковой и рабочий в асинхронных электродвигателях. Потому он должен быть плёночным, рассчитанным на такую работу.

Известны случаи, когда в дешёвых импульсных преобразователях при полной нагрузке выходили из строя именно эти конденсаторы, которые были установлены неподходящие.
GT TF1 60V 20Ah Chilwee DZF

alexpv

Я использовал такой импульсник http://www.avrobot.ru/product_info.php?products_id=4780 , работает начиная от 60v постоянки, ниже не проверял, у меня диапазон 60-100v. Входные защитно-выпрямляющие цепи удалил.


kor

Цитата: алабам от 29 Сен. 2017 в 10:16Да , и еще , я не нашел там оптрона обратной связи , или ее нет?
Походу у него нет стабилизации выходного напряжения и защиты по току, сгорит при случайном к.з. на выходе.