Полезная информация


avatar_inetchik

Балансир для LTO.

Автор inetchik, 16 Март 2017 в 19:50

« назад - далее »

0 Пользователи и 4 гостей просматривают эту тему.

Tymmmi

Цитата: VladNSK от 01 Апр. 2017 в 07:35
Цитата: Tymmmi от 01 Апр. 2017 в 07:32
Супер!  Если померить напряжение на банках точным вольтметром, какой разброс?
Разброс определяется точностью резисторов (8.16К). Они имеют точность 0.1%. Соответственно, разброс составил 2 мВ.

Отличный результат, возможно ли заказать изготовление данного девайса? :)

ВИЙ

Я правильно понимаю, что получился регулируемый балансир?
Тогда точность балансировки еще будет ведь зависеть не только от точности сопротивлений, а еще и от точности подстройки DC/DC адаптера?
Жопа-это универсальный интерфейс. Поскольку все через нее можно сделать.
Виталий. ВИЙ - это сокращение.

VladNSK

Цитата: Gryzchik от 01 Апр. 2017 в 10:13
А какой ток балансировки длительный по данной схеме ?
Имеется ввиду максимальный длительный ток?
Зависит от регулировки и возможностей DC-DC.  300 мА по выходу держит длительно в комнатных
условиях. При достижении баланса ток, естественно, снижается.

Добавлено 01 Апр. 2017 в 17:32

Цитата: ВИЙ от 01 Апр. 2017 в 11:28
Я правильно понимаю, что получился регулируемый балансир?
Тогда точность балансировки еще будет ведь зависеть не только от точности сопротивлений, а еще и от точности подстройки DC/DC адаптера?
Нет. Подстройка DC-DC задаёт максимальный ток и, одновременно верхнюю границу диапазона балансировки. Сейчас я выставил 5.2В, чтобы балансировка работала до 2.6В на банке.

VladNSK

Цитата: Tymmmi от 01 Апр. 2017 в 11:05
Цитата: VladNSK от 01 Апр. 2017 в 07:35
Цитата: Tymmmi от 01 Апр. 2017 в 07:32
Супер!  Если померить напряжение на банках точным вольтметром, какой разброс?
Разброс определяется точностью резисторов (8.16К). Они имеют точность 0.1%. Соответственно, разброс составил 2 мВ.

Отличный результат, возможно ли заказать изготовление данного девайса? :)
Не у меня, и где не знаю...
Для желающих поработать могу выложить рисунок печатной платы для лазерно-утюжной технологии.

Gryzchik

ЦитироватьОтличный результат, возможно ли заказать изготовление данного девайса?
У любого знакомого радиолюбителя схема не сложная.

inetchik

Цитата: VladNSK от 01 Апр. 2017 в 17:37..... рисунок печатной платы для лазерно-утюжной технологии.
Желающие поработать будут. ;-)
Файлик туда: https://electrotransport.ru/index.php?action=downloads, ссылочку сюда. :bravo:
SF8. B1-Р600 с ЛЖФ15S-19.5АЧ.
KUGOO-S2(MS) c переклеенными магнитами+Лифт+ПУ+DCfS v2.0.KUGOO-S2(LS) c Лифтом+ПУ.
Мы на карте.BR, Dmitry.

VladNSK

Цитата: inetchik от 02 Апр. 2017 в 10:59
Цитата: VladNSK от 01 Апр. 2017 в 17:37..... рисунок печатной платы для лазерно-утюжной технологии.
Желающие поработать будут. ;-)
Файлик туда: https://electrotransport.ru/index.php?action=downloads, ссылочку сюда. :bravo:
Картинка печатной платы. Плата кривоватая, но 100% рабочая.
https://electrotransport.ru/index.php?action=downloads;sa=view;down=859

VladNSK

#43
Добрый день!
Для балансира важно, как он расходует энергию при поддержании равенства напряжений элементов батареи.
Без балансира у моей батареи была скорость разряда 22.4 мВ/сутки, в среднем на элемент 22.4/6=3.73 мВ/сутки.
Если бы DC-DC балансир переливал заряд со 100% эффективностью, то и с балансиром батарея  разряжалась бы со скоростью порядка 22.4 мВ/сутки. Однако измерения показали, что скорость разряда батареи составляет 34.6 мВ/сутки.

Разряд батареи с  DC-DC балансиром:
3.04.17   13.684
4.04.17   13.647
5.04   13.613
6.04   13.580

Отсюда можно предположить, что эффективность перекачки заряда составляет 22.4/34.6=0.65.
Для скорости разряда с DC-DC балансиром можно записать:

                                     


Скорость разряда с простым (без DC-DC) балансиром:
         

Если выбирать балансир, приводящий к меньшей скорости разряда батареи, то получается, для  k≤1.5  лучшим выбором будет простой балансир.
Теперь опишу, как что делать. Выравниваем банки, как описано в FAQ.
После этого измеряем напряжение каждой банки каждые сутки примерно в одно и тоже время.
Рассчитываем скорости разряда в мВ/сутки для каждого элемента. У меня были такие значения:
11.2,  5.2,  3.2,  0.8,  1.4,  0.6.
Рассчитываем среднюю скорость разряда элементов. У меня: 22.4/6=3.73.
Определяем коэффициент k . У меня k=11.2/3.73=3. Если k≤1.5, то, однозначно выбираем схему простого балансира. Если k>1.5, то думаем и взвешиваем все остальные факторы.
Для проверки был собран простой балансир по схеме:



Проверка показала, что скорость разряда с ним, в моём случае, составляет примерно 60мВ/сутки, что приведёт к разряду примерно 30% ёмкости батареи за месяц. Думаю, что выбрать, т.к. более простая схема должна быть более надёжной, печатную плату меньших размеров легче изолировать от влаги и пыли.

VladNSK

#44
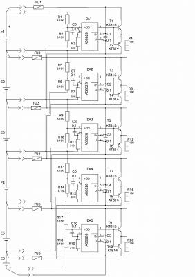
Картинка для ЛУТ приведена https://electrotransport.ru/index.php?action=downloads;sa=downfile&id=862
По поводу деталей:
Резисторы делителей 8К16 могут выбираться в диапазоне 5 .. 20 кОм. Важно их выбирать в пары одинаковыми.
Резисторы 10 Ом должны иметь мощность 1Вт.


Внешний вид:


ВИЙ

А что за проволочка вокруг резисторов?
Жопа-это универсальный интерфейс. Поскольку все через нее можно сделать.
Виталий. ВИЙ - это сокращение.

VladNSK

Цитата: ВИЙ от 07 Апр. 2017 в 10:26
А что за проволочка вокруг резисторов?
Это предохранители такие.

Tymmmi

#47
[user]VladNSK[/user], подскажите пожалуйста, вот этот преобразователь подойдет? https://ru.aliexpress.com/item/10pcs-MT3608-DC-DC-Step-Up-Converter-Booster-DC-Power-Supply-Module-Adapter-Output-2A-28V/32720950755.html 
Как понял из вашего мануала, должен быть определенный тип микросхемы
И еще вопрос - на схеме обозначена микросхема, а на фото готового балансира ее не видно?

Shtirlitz

Если речь про простой балансир, то там микросхема с другой стороны платы. На картинке под лут ее видно. Она маленькая, в корпусе sot-23-5

VladNSK

#49
Цитата: Tymmmi от 10 Апр. 2017 в 03:47
[user]VladNSK[/user], подскажите пожалуйста, вот этот преобразователь подойдет? https://ru.aliexpress.com/item/10pcs-MT3608-DC-DC-Step-Up-Converter-Booster-DC-Power-Supply-Module-Adapter-Output-2A-28V/32720950755.html 
Как понял из вашего мануала, должен быть определенный тип микросхемы
И еще вопрос - на схеме обозначена микросхема, а на фото готового балансира ее не видно?
DC-DC - подойдёт. Сразу придумайте, как будете защищать всю печатную плату от влаги и пыли. Это важно, т.к. утечки по плате могут перекосить
напряжения сравнения и балансир начнёт "разгонять" банки. Я пока не придумал и поставил простой балансир в термоусадке и с запечатанными термоклеем торцами.
Микросхема AD8628 - это чудо для подобных схем. Единственное, что надо помнить - её напряжение питания не должно превышать 6В !, т.е. для железофосфата такая схема не пойдёт.

nil001

Добрый день!
Я бы дополнил вашу схему балансира одним понижающим DC-DC преобразователем, заряжающим нижнюю по схеме банку и запитаным от всей батареи. Сигнал ENABLE можно взять с выхода DA5.

VladNSK

Цитата: nil001 от 16 Апр. 2017 в 04:57
Добрый день!
Я бы дополнил вашу схему балансира одним понижающим DC-DC преобразователем, заряжающим нижнюю по схеме банку и запитаным от всей батареи. Сигнал ENABLE можно взять с выхода DA5.
Согласен, такая схема будет более универсальной, сможет с большей эффективностью выравнивать
банки с произвольным построением в батарею. Однако, в режиме поддержания равновесия, экономия будет менее заметна. Пробуйте.

VladNSK

Прошло чуть больше месяца эксплуатации 6S1P титанатной, 30 Ач, батареи в качестве основной, стартерной на бензиновом 2 л двигателе.
Сегодня замерил напряжения не банках.
2.3792
2.3787
2.3791
2.3789
2.3793
2.3788
Полёт нормальный.

Shtirlitz

#53

Выкладываю модифицированный вариант печатки простого балансира в формате Sprintlayout 6. Убраны лишние провода и перемычки.