avatar_Кass

Стенд для исследования АКБ на базе ПЛК

Автор Кass, 11 Июнь 2017 в 15:44

« назад - далее »

0 Пользователи и 1 гость просматривают эту тему.

Alex_N

Прочитал, вообще то. Может что упустил. 90% темы, к сожалению, - словесная перепалка и переписка на отвлечённые темы.
Тяжело сосредоточиться, может что и упустил. Но в проге я что то HELP не заметил.

ИС-Х

Цитата: SanSanich от 22 Дек. 2017 в 17:42есть существенное отличие от других зарядок. В том же кулоне, всё классно, а вот ШИМ по выходу их БП не додумались сделать.
Что такое ШИМ по выходу? А по входу разве нельзя? В чем разница для АКБ?
Цитата: SanSanich от 22 Дек. 2017 в 17:42Вот он и "кипятильник", регулирует напряжением ток. У smiley Кass же ШИМ.
Вообще не понял о чем речь. И как это влияет на кипячение.

Моя первая моргалка: https://electrotransport.ru/index.php?msg=588520
Вторая моргалка: https://electrotransport.ru/index.php?topic=31184.0
Третья моргалка: https://electrotransport.ru/index.php?msg=1130718
Еще в багажнике валяется BL1204 на всякий пожарный...

Кass

#650
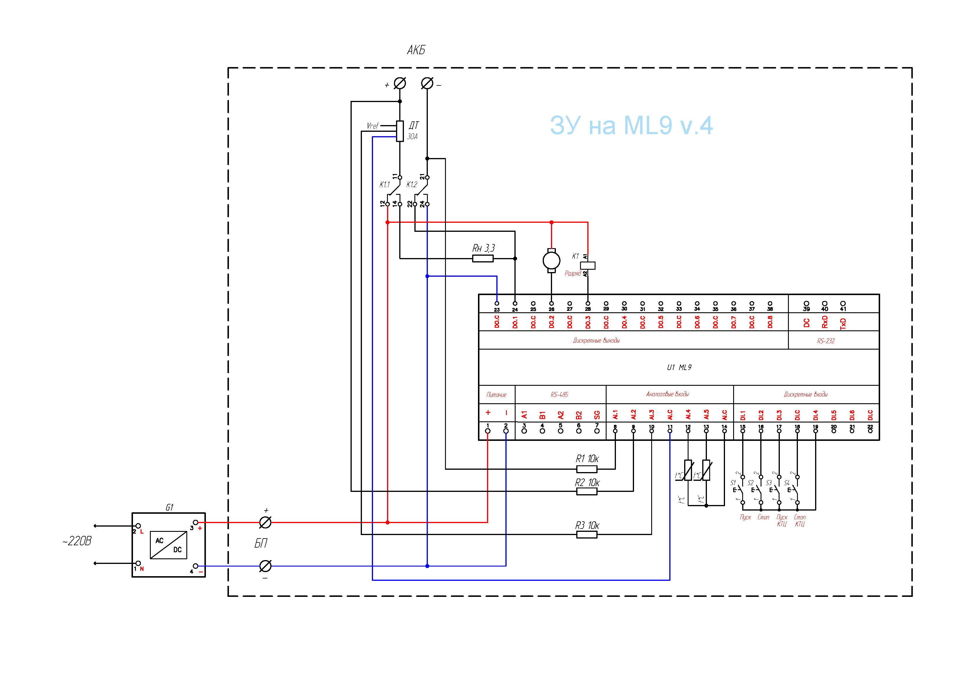
Цитата: SanSanich от 22 Дек. 2017 в 17:16Кass, так как всё же подключено сопротивление разряда, нарисуйте хоть на бумажке или на схеме, что я сделал?

Ну вот нарисовал как есть сейчас по факту:

Спойлер

Тут просили фото стенда. Сфотографировал, правда телефоном, потому как есть.

Спойлер

Снизу два ЛБП, от одного сейчас запитан стенд. Четь далее в корпусе ЛБП 1502 переделанный из компьютерного, но он сейчас на модернизации. Радиатор от АМД процессора, вентилятор от него же.

Все кроме радиатора собрано на DIN рейке. В принципе изначально хотел вставить в пластиковый бокс с прозрачной дверцей, одев на морду контроллера пульт. Сейчас уже есть мысли другие.
АРМ стенда онлайн: http://scada.kontar.ru Пользователь: Электротранспорт, Пароль: 111111

Гербалайф от всех болезней, Кашпировский лучший врач,  Орифлейм самая лучшая косметика, а МММ самый лучший способ вложения денег. Кто бы спорил. ;)

Кass

Цитата: Alex_N от 22 Дек. 2017 в 17:24
С ШИМ всё понятно. Я спрашивал про первоначальное напряжение. А оно из каких соображений установлено 16В ?
Возможно из соображений обеспечения необходимым током. Кому то 16 достаточно, а кому то надо и поболее ?

Ну вот как бы именно 16В и выше позволяет выставить средний ток в соответствии с заданием и не париться с сульфатацией. ;)  Тут ведь не раз пишут, что сильно засульфатированный труп просто не желает брать ток. Но если поднять напряжение выше 16В, то вроде как начинает просыпаться, но напряжение высокое, и может получиться так, что на электролиз энергии пойдет больше, чем на заряд. В итоге имеем как тут многие говорят "иголки тока". Только мы эти иголки специально не генерим. Они получаются в ШИМ сигнале, при малых значениях заполнения. В итоге мы вроде и импульсами этими заряжаем, но если брать средние значения, то и по науке, используя стандартные профили. ;)

Но если не включать тумблер CCCV, то в правых панелях Режим 1 - это подготовительный, Режим 2 - это основной заряд с переменной (как тут любят говорить адаптивной) паузой, Режим 3 - это либо качели, либо импульсы заданного периода и скважности. Это я все делал для проверки идей, предлагаемых форумчанами, по тем же паузам. Если в настройках поставить на всех порогах заполнение 100, то будет фактически мой режим, который использую лет 15. Правда еще нужно добавить стадию CV.

В общем режимы с паузами мне пока никаких плюсов не дали. Возможно за счет того, что паузы в ШИМе уже все свое дело сделали. Поэтому возможно в Режиме 2 нужно оставить профили CCCV, IUoU или IUI с возможностью выбора.
АРМ стенда онлайн: http://scada.kontar.ru Пользователь: Электротранспорт, Пароль: 111111

Гербалайф от всех болезней, Кашпировский лучший врач,  Орифлейм самая лучшая косметика, а МММ самый лучший способ вложения денег. Кто бы спорил. ;)

Яков93

Цитата: Кass от 22 Дек. 2017 в 21:39
Тут просили фото стенда. Сфотографировал, правда телефоном, потому как есть.
Красота  :wow: У самого сейчас похожая катавасия на столе, новый "комбайн" который день собираю.
Поставил бы плюс куда-нть, но какая-то ошибка вылезает  :facepalm:

SanSanich

Цитата: ИС-Х от 22 Дек. 2017 в 19:16Что такое ШИМ по выходу? А по входу разве нельзя? В чем разница для АКБ?
Это значит что на выходе стабилизированного источника напряжения стоит ключик, управляемый ШИМ с чистотой от сотен Гц, а не сам источник управляется. Есть разница.
ЗУК "ЖУЖА" Самодельный измеритель Rвн https://electrotransport.ru/index.php?msg=1280851

SanSanich

[user]Кass[/user], не стыкуется схема с фото стенда. Клемма 10 ПЛК. 11 это общий? А куда с датчика тока? Кнопки на схеме и на фото? Маленький кондер куда? На ДТ?
Теперь понятно что за реле.
Мне интересен проект, но с такими "неточностями" сложно будет делать конструктив.
ЗУК "ЖУЖА" Самодельный измеритель Rвн https://electrotransport.ru/index.php?msg=1280851

ИС-Х

Цитата: SanSanich от 23 Дек. 2017 в 02:09
Цитата: ИС-Х от 22 Дек. 2017 в 19:16Что такое ШИМ по выходу? А по входу разве нельзя? В чем разница для АКБ?
Это значит что на выходе стабилизированного источника напряжения стоит ключик, управляемый ШИМ с чистотой от сотен Гц, а не сам источник управляется. Есть разница.
Еще раз.
[user]Кass[/user], слепил свой стенд из того что было. Поскольку он использовал стандартный источник НАПРЯЖЕНИЯ (модульный или DIN-реечный, не важно), то теперь, чтобы вписаться в кривые профиля, вынужден одновременно регулировать и ток и напряжение одним воздействием - скважностью ШИМа для ключа. Одним аргументом управлять двумя функциями, которые часто мешают друг другу! Ведь, скажем, повышая напряжение одновременно будет повышаться и ток, а нам это не нужно в данный момент. Так не делают, ибо неизбежны конфликты регулирования!
Ну да ладно, это можно как-то извратиться, но зачем штаны через голову одевать? В таких случаях используют управляемый источник ТОКА.
Но вопрос не в этом.
Цитата: SanSanich от 22 Дек. 2017 в 17:42а вот в этом и есть существенное отличие от других зарядок. В том же кулоне, всё классно, а вот ШИМ по выходу их БП не додумались сделать. Вот он и "кипятильник", регулирует напряжением ток. У smiley Кass же ШИМ.
А в чем принципиальная разница с точки зрения АКБ? Ему по барабану где регулировать, ему выдай нужный ток и напряжение, а как - плевать. 
А почему "не додумались" см. выше.
И при чем здесь кипятильник-некипятильник - не понятно... Они оба кипятильники.
Моя первая моргалка: https://electrotransport.ru/index.php?msg=588520
Вторая моргалка: https://electrotransport.ru/index.php?topic=31184.0
Третья моргалка: https://electrotransport.ru/index.php?msg=1130718
Еще в багажнике валяется BL1204 на всякий пожарный...

Кass

Цитата: SanSanich от 23 Дек. 2017 в 02:28Кass, не стыкуется схема с фото стенда. Клемма 10 ПЛК. 11 это общий? А куда с датчика тока?

Ну так на 10 и 11 клемму и подключается датчик тока, 10 - это сигнальный, 11 - общий.

Цитата: SanSanich от 23 Дек. 2017 в 02:28Кнопки на схеме и на фото?

Я их просто не подключал. Их копии есть в АРМе. Я там включаю и отключаю.
Цитата: SanSanich от 23 Дек. 2017 в 02:28Маленький кондер куда?

Электролит с +питания на вентилятор. Сглаживает пульсации ШИМ на вентилятор, что бы при очень малых заполнениях он не издавал звуки. Сугубо косметическое назначение. В итоге вентилятор включается с 3%.
АРМ стенда онлайн: http://scada.kontar.ru Пользователь: Электротранспорт, Пароль: 111111

Гербалайф от всех болезней, Кашпировский лучший врач,  Орифлейм самая лучшая косметика, а МММ самый лучший способ вложения денег. Кто бы спорил. ;)

Кass

Цитата: Vova_n от 20 Дек. 2017 в 14:44Просто складывается впечатление, что у вас акб с другой планеты

Ну вот и у меня такое ощущение, что мы по разному понимаем понятие аккумулятор.
Цитата: ИС-Х от 23 Дек. 2017 в 11:21Кass, слепил свой стенд из того что было. Поскольку он использовал стандартный источник НАПРЯЖЕНИЯ (модульный или DIN-реечный, не важно), то теперь, чтобы вписаться в кривые профиля, вынужден одновременно регулировать и ток и напряжение одним воздействием - скважностью ШИМа для ключа. Одним аргументом управлять двумя функциями, которые часто мешают друг другу! Ведь, скажем, повышая напряжение одновременно будет повышаться и ток, а нам это не нужно в данный момент. Так не делают, ибо неизбежны конфликты регулирования!

O_O  Какие конфликты регулирования? Нет никаких конфликтов. Это типичные методы теории автоматического регулирования, которые мы используем каждый день. Аналогично и ЛБП имеет один регулятор ШИМ, к примеру TL494, хоть и самый примитивный, и регулирует и по напряжению в CV и по току в СС. Или вы думаете что там два отдельных регулятора стоит? :)

Я думал сделать регулирование путем управления сразу блоком питания. Можно как путем управления через ту же TL494, или вообще можно сразу выдавать импульсы вместо TL494. Но тогда на выходе будет практически постоянка, а я хотел сделать именно НЧ ШИМ, что бы совмесить импульсы тока со стандартными профилями. Именно поэтому решение вполне осознанное, использовать CV БП с постоянкой на выходе, и потом его модулировать, поддерживая средние значения как тока, так и напряжения в соответствии с требованиями стандартов. ;)
АРМ стенда онлайн: http://scada.kontar.ru Пользователь: Электротранспорт, Пароль: 111111

Гербалайф от всех болезней, Кашпировский лучший врач,  Орифлейм самая лучшая косметика, а МММ самый лучший способ вложения денег. Кто бы спорил. ;)

ИС-Х

[user]Кass[/user], давайте соблюдать терминологию.
Вы не можете одновременно регулировать, т.е. выставлять и ПОДДЕРЖИВАТЬ сразу два параметра - и ток и напряжение.
К примеру, на нагрузке 10 ом нельзя выставить 10 вольт и ток 5 ампер одновременно.
Поэтому, в любой момент времени может работать только один регулятор, а второй превращается в спящий ограничитель. Но они могут меняться местами.
В той же TL494, по сути, имеются два регулятора, т.е. два независимых ОУ с общим выходным драйвером, но они развязаны диодами и всегда работает только один их них.
Моя первая моргалка: https://electrotransport.ru/index.php?msg=588520
Вторая моргалка: https://electrotransport.ru/index.php?topic=31184.0
Третья моргалка: https://electrotransport.ru/index.php?msg=1130718
Еще в багажнике валяется BL1204 на всякий пожарный...

Кass

Цитата: ИС-Х от 23 Дек. 2017 в 18:51Кass, давайте соблюдать терминологию.
Вы не можете одновременно регулировать, т.е. выставлять и ПОДДЕРЖИВАТЬ сразу два параметра - и ток и напряжение.

Давайте соблюдать. Если вы внимательно посмотрите на аббревиатуру CC/CV, то заметите, что на подразумевает два различных цикла, где в одном регулируется ток, в другом напряжение. Так происходит в любом стандартном ЗУ, ЛБП, и так прописано в стандартах.

Цитата: ИС-Х от 23 Дек. 2017 в 18:51К примеру, на нагрузке 10 ом нельзя выставить 10 вольт и ток 5 ампер одновременно.

А это требуется?

Цитата: ИС-Х от 23 Дек. 2017 в 18:51Поэтому, в любой момент времени может работать только один регулятор, а второй превращается в спящий ограничитель. Но они могут меняться местами.

В любой момент в моем алгоритме работают оба. Один регулирует ток, постоянно, другой регулирует задание тока в зависимости от задания напряжения, третий регулирует температуру радиатора.

Добавлено 23 Дек. 2017 в 19:11

Цитата: ИС-Х от 23 Дек. 2017 в 18:51В той же TL494, по сути, имеются два регулятора, т.е. два независимых ОУ с общим выходным драйвером, но они развязаны диодами и всегда работает только один их них.

В TL494 нет ни одного ПИД регулятора. Там есть в некотором приближении П регулятор, не более. Там все иначе. Это более тупое устройство, но им можно управлять. Это как в принципе частотный регулятор, кто то им пробует что то регулировать или управлять, но в наших проектах на это табу. Только исполнительное устройство и не более.
АРМ стенда онлайн: http://scada.kontar.ru Пользователь: Электротранспорт, Пароль: 111111

Гербалайф от всех болезней, Кашпировский лучший врач,  Орифлейм самая лучшая косметика, а МММ самый лучший способ вложения денег. Кто бы спорил. ;)

SanSanich

#660
Цитата: Кass от 23 Дек. 2017 в 14:55Ну так на 10 и 11 клемму и подключается датчик тока, 10 - это сигнальный, 11 - общий.
Посмотри очень внимательно на своё фото стенда

На вход 10 (AI.3) ML9 подключен только вывод резистора, а второй его вывод подключен на общий 11 (AI.C). Получается вход тупо зашунтирован этим резистором. Может ракурс такой на фото, допускаю, что ко второму выводу этого резистора подпаен проводок от сигнального вывода датчика тока и он не подводится на 11. Так и должно быть. Но на схеме тоже самое, резистор шунтирует вход, но при этом к первому выводу этого резистора напрямую подключен сигнальный вывод датчика тока. При этом общий вывод сигнальных входов 11 (AI.C) соединён только с минусом датчика тока, но не соединён с общим минусом. Так как всё же правильно???

ЗУК "ЖУЖА" Самодельный измеритель Rвн https://electrotransport.ru/index.php?msg=1280851

ИС-Х

Цитата: Кass от 23 Дек. 2017 в 19:07В любой момент в моем алгоритме работают оба. Один регулирует ток, постоянно, другой регулирует задание тока в зависимости от задания напряжения, третий регулирует температуру радиатора.
Ну вот и получается, что у вас единственный регулятор регулирует ток постоянно, а если вмешивается ограничитель в лице напряжения, то регулятор всего лишь меняет свою уставку и продолжает работать в новом режиме.
В любом случае аргументов может быть много, а регулятор у вас один с единственным регулирующим воздействием в виде ШИМа.
А по поводу температуры я не знаю как у вас сделано:  то ли это независимый регулятор с воздействием на ток вентилятора, то ли это еще один ограничитель на регулятор тока.

Моя первая моргалка: https://electrotransport.ru/index.php?msg=588520
Вторая моргалка: https://electrotransport.ru/index.php?topic=31184.0
Третья моргалка: https://electrotransport.ru/index.php?msg=1130718
Еще в багажнике валяется BL1204 на всякий пожарный...

Кass

Цитата: SanSanich от 24 Дек. 2017 в 00:46На вход 10 (AI.3) ML9 подключен только вывод резистора, а второй его вывод подключен на общий 11 (AI.C)

Не, то я срисовывая схему накосячил. Резистор включен последовательно. Дело в том, что входов 0-10В по умолчанию два, и они заняты измерением напряжения. Остальные 3 аналоговых замеряют сопротивление, потому я использовал один резистор во встроенном делителе, а другой прицепил снаружи. Чуть позже исправлю схему.
АРМ стенда онлайн: http://scada.kontar.ru Пользователь: Электротранспорт, Пароль: 111111

Гербалайф от всех болезней, Кашпировский лучший врач,  Орифлейм самая лучшая косметика, а МММ самый лучший способ вложения денег. Кто бы спорил. ;)

Кass

#663
Цитата: ИС-Х от 24 Дек. 2017 в 10:35Ну вот и получается, что у вас единственный регулятор регулирует ток постоянно, а если вмешивается ограничитель в лице напряжения, то регулятор всего лишь меняет свою уставку и продолжает работать в новом режиме.

Я не  знаю как вам проще объяснить. Давайте на основе ассоциаций. Представьте, что ПИД регулятор, это типа операционного усилителя (ОУ), где вход «+» это задание тока, а вход «-» это значение тока, выход от 0 до 100% или 0-10В. Вот теперь представьте, что на вход  «+» подключен выход другого ПИД регулятора, у которого вход «+» это задание напряжение, вход «-» это значение напряжения, а выход у него от 0 до задания тока. То есть выход одного регулятора на вход другого. Вот это в итоге один регулятор, два, но работает в каждый момент два, или все же два одновременно работающих регулятора?

Так вот оба они работают всегда, и еще постоянно работает третий, который регулирует температуру радиатора. Он тоже не отключается. Я со временем хочу на него и фет поставить, и потому вентилятор может работать как при заряде, так и разряде. И никакого отношения этот регулятор не имеет отношения к первым двум.

И это не самое сложное. Если мы хотим регулировать еще и по скорости или 2пр, то можно подключить еще один или два регулятора, и одновременно будет работать вся эта цепочка.

Это довольно типичная реализация сложных регуляторов в промке. Нет никаких проблем регулировать через одно воздействие по нескольким различным параметрам, с разными коэффициентами усиления, тау, интегр. и диф. коэффициентам, с различным выходным диапазоном каждого отдельного регулятора, и объединять регуляторы можно через любые функции или линейные преобразования.
АРМ стенда онлайн: http://scada.kontar.ru Пользователь: Электротранспорт, Пароль: 111111

Гербалайф от всех болезней, Кашпировский лучший врач,  Орифлейм самая лучшая косметика, а МММ самый лучший способ вложения денег. Кто бы спорил. ;)

Кass

Вот как выглядит этот фрагмент:

Спойлер

То есть желтый провод к контроллеру не подключен. Он припаян к ножке резистора и только.

Вот исправил схему:

Спойлер
АРМ стенда онлайн: http://scada.kontar.ru Пользователь: Электротранспорт, Пароль: 111111

Гербалайф от всех болезней, Кашпировский лучший врач,  Орифлейм самая лучшая косметика, а МММ самый лучший способ вложения денег. Кто бы спорил. ;)

ИС-Х

[user]Кass[/user], Это вопрос терминологии. Я отождествляю регулятор с регулирующим воздействием, т.е. одно воздействие - один регулятор. По крайней мере так учили в начале 70-х. Поэтому и писал:
Цитата: ИС-Х от 24 Дек. 2017 в 10:35аргументов может быть много, а регулятор у вас один с единственным регулирующим воздействием в виде ШИМа.

Ценность ваших изысканий вижу в том, что можно применять любые БП - источники напряжения, которых как грязи, да, хотя бы, даже зарядник от ноута на 16-19В (если они позволят ШИМиться без возбуда).  В отличие от источников тока, мало доступных широкой публике.
Моя первая моргалка: https://electrotransport.ru/index.php?msg=588520
Вторая моргалка: https://electrotransport.ru/index.php?topic=31184.0
Третья моргалка: https://electrotransport.ru/index.php?msg=1130718
Еще в багажнике валяется BL1204 на всякий пожарный...