avatar_zap

Системы управления аккумуляторной батареей (BMS)

Автор zap, 15 Нояб. 2010 в 21:12

« назад - далее »

0 Пользователи и 1 гость просматривают эту тему.

ranger

#3186
Цитата: crond от 21 Дек. 2021 в 05:27
левый в смысле поддельный? если верхний (от плюсовых ячеек)  выдернуть, то будет работать, почти как ни в чём не бывало.  Если нижний - тот что ближе к минусовым ячейкам вынуть, а верхний оставить - возможно появление неисправностей в одной и даже в нескольких tl431 и шестиногих детекторах напряжения на обратной стороне..

у меня наоборот - при вытаскивании на фото верхнего (к плюсу ближе) нагрузка отключается. Вынимание же нижнего ничего не дает. На счет tl431 есть опыт подобный? По идее при любом отключении одной или нескольких ячеек не должно быть выходов платы из строя, т.к пропадения канала это штатный режим работы бмс. Если не кривить конечно шлейф. Тут фундаментальный вопрос вынимание шлейфов это правильный минимальный тест бмс? Дальше я проверяю верхний порог и нижний.... Но в этот раз вынул правый шлейф и начал вспоминать другие сборки, и понял что на всех бмс по разному. На тех что покруче вынимай провод хоть один все гаснет, на других нет. На третьих еще и восстановится при подключении.

Вопрос про конкретно данные типовые самые простые бмски. Как они работают? Или если нету напряжения то сравнивать нечего и поэтому вынимание шлейфа не дает результат?

я правильно понимаю что компараторы стоят паралельно и при появлении сигнала хоть с одного транзисторы закрываются полностью соотвествующие? И в связи с этом пытаюсь понять при общей симметричной схеме почему вынимание верхнего дает результат, а нижнего нет.

При этом шлейф - просто разбиение канала для удобство монтажа. Т.е могло быть единым шлейвом а могло быть 2-3-4. В этой связи не совсем понял почему вынимание может различные эффекты производить.

или там схема условно сравнения? И если тащу правую то выходит аварийных режим, т.к на компараторы идет большее напряжение? Но и это не возможно, ведь в каждом канале одни элементы..... и напряжение 3в на 1 канал +-1.2в

есть где то описание схемотехники бмски? допустим вот оптотроны они для этого, вот компараторы они для этого :) а то я как бы понимаю но не до конца. Т.к если бы понимал вопрос бы не возник....

вспомнил что у меня где то стенд есть тестовый на 20 банок.. надо врубить и банками пожонглировать в нем :) но вообще удивительно, те кто понимает всем очевидно, кто не понимает тот знает общий принип. Это как спроси как компьютер работает. А никто не понимает про главный цикл и то комп скорее похож на мясорубку чем на что то другое :)

вот и я задумался что знаю общий принцип. Компараторы на заряд и разряд, управление ключами. А почему работает без нижнего шлейфа не пойму. Причем вспомнил что такое уже видел. Пороги работают корректно. причем....
Добавлйтесь в друзья https://vk.com/electricus_me

TRO

Цитата: ranger от 21 Дек. 2021 в 11:15т.к пропадения канала это штатный режим работы бмс. ...
Какое то извращенное понимание слова "штатный". Штатный для большинства БМСок, это когда ни один из балансирных не в обрыве, и ни один элемент ни в КЗ. Для меня даже банальные передергивания разъемов это уже повод проверить БМС на отсчки и балансировку в составе батареи.

Цитата: ranger от 21 Дек. 2021 в 11:15... Тут фундаментальный вопрос вынимание шлейфов это правильный минимальный тест бмс?
Это вообще не тест, это садомазохический процесс, который нормальные люди стараются избегать и производят только при крайней необходимости (один раз обычно, у меня к примеру вообще разъемов нет, я провода припаиваю к БМС, а потом припаиваю по очереди к батарее).

Я сильно удивился когда после прочтения увидел кто автор поста, было впечатление что это настрочил залетный человечек с кашей в голове.
Информция к размышлению: в дешевых БМСках, компараторы питаются от самих измеряемых элементов, и если там ноль, то они ни черта не видят(ибо не запитаны) и соответственно не сигнализируют, (нет в мире совершенства).

Wahoo 2012 29er, +собран складной двухосис на раме"Land Rover" 69er с эл. мотором, и и МОНОКОЛЕСО

ranger

#3188
кашка то действительно не плохая получается, но как так если в ряду все плечи сравнения одинаковые а работают по разному?

я так понимаю при отсутствия напряжения у нас транзистор закрыт, ибо без шлейфа бмс не работает.

допустим при подаче напряжение на 13 и 14 канал мы получили условный сигнал порядок, ибо диапазон 3-4.2 соблюдается.

Как тогда происходит событие вынули справа - работает, вынули слева нет? почему коллега выше пишет что сгорание при том то на каждом канале у нас равное напряжение всегда? т.е когда канал 1-12 вынуты а 13 и 14 присутствует то работает, а когда 13 и 14 вынуты а 1-12 присутствуют то не работает пока не воткнешь обратно

хорошо, я могу принять ответ выдергивание шлейфа это не идеальный способ проверки бмс. Но это отличный ответ для конечного пользователя а не для тех кто хочет разобраться в вопросе ;)

мне кажется желание разобраться в вопросе не связано с числом сообщений и опытом. Ответ не проверять пороги еще лучше, я тоже такого мнения ибо трудоемкость подобной проверки обычно не вложена в бюджет сборки акб. Скажу более тестировать нужно каждый канал а не по общему событию ;)

я думаю это такой же сложный вопрос как последовательное соединение двух батарей с бмс. Пока не поймешь все полностью не поймешь почему так нельзя\

причем мы уподобляемся тем водителям которые пинают колесо слева или справа пытаясь понять что происходит ведут спор не протереть ли окно.  Теоретически такая плата это открытая книга для просветленного человека. Вот тебе резисторы, вот дорожки вот затвор транзисторов. Еще конечно сложность задать вопрос, понять ответ или объяснить ;)
Добавлйтесь в друзья https://vk.com/electricus_me

TRO

Цитата: ranger от 21 Дек. 2021 в 15:22Как тогда происходит событие вынули справа - работает, вынули слева нет? почему коллега выше пишет что сгорание
Информация к размышлению номер два. К БМС помимо шлефа подпаян силовой минус, а плюс - нет.

Wahoo 2012 29er, +собран складной двухосис на раме"Land Rover" 69er с эл. мотором, и и МОНОКОЛЕСО

ranger

Цитата: TRO от 21 Дек. 2021 в 15:47
Информация к размышлению номер два. К БМС помимо шлефа подпаян силовой минус, а плюс - нет.

вообще то это не верное утверждение. Последний канал в шлейфе это всегда плюс. Так что плюс всегда припаян с бмс когда там шлейф подключен. Но питание каждый канал берет со своего "плюса", что было сказано выше с чем я согласен. Допущу что там еще и диод где то есть чтобы большой бах не случился когда все плюсы в один затвор :)

вопрос чем так 13 и 14 лучше 12- 1 каналов :) можно тоже загадкой.

больше скажу есть бмс которые поддерживают не полное число каналов без каких либо доработок.
Добавлйтесь в друзья https://vk.com/electricus_me

TRO

Цитата: ranger от 21 Дек. 2021 в 17:11
ЦитироватьК БМС помимо шлефа подпаян силовой минус, а плюс - нет.
вообще то это не верное утверждение. Последний канал в шлейфе это всегда плюс. Так что ....
Так что.... выясняется что вам не до поиска истины, а спора ради.....
Вы не видите очевидного, при вынимании нижнего шлейфа к группе не подключенных каналов приложено общее напряжение (благодаря тому самому припаянному минусу), и поразмыслите как оно делится между не подключенными каналами (одни только гонки балансиров за звание царя горы чего стоят). При вынимании же верхнего шлейфа этого не происходит, там просто все каналы без напряжения. Плюс добавляются ньюансы от места запитки оперативных цепей (драйверов затвором ключей).....
за сим откланиваюсь..... успехов в самообразовании

Wahoo 2012 29er, +собран складной двухосис на раме"Land Rover" 69er с эл. мотором, и и МОНОКОЛЕСО

ranger

#3192
намек понятен, тем не менее кто то писал что каждый канал питается от отдельного провода. Не буду вдаваться в банальности, говорить о том что нету никакого общего напряжение, есть разность потенциалов которая считается между конкретными точками. Замечу что никакой новогодней иллюминации замечено не было. Возможно ваш опыт основывается на чем то другом... впрочем закрыли вопрос так закрыли, мнения принимаются если они будут ;)))

мне понятна мысль, что если бы мы делили питающее напряжение на каждый канал, то оно было бы разным для каждого канала. При простом последовательном подключении....  На 1 канал условно 58В, при 14 каналах - 3в. И тогда при отключении колодки у нас звонко бы бамкали радиоэлементы и ярко светили бы лампочки. Но это так не работает насколько я знаю. Зачем тогда гнать 14 плюсов если можно пригнать только общий а схема сама поделит?

между каждым плюсом и соседним плюсом -  константа  - 3-4В и не больше. Сделать где то выше можно только пригнав больший потенциал. Как правильно вы заметили его там нету вне шлейфов. ну либо я совсем тютю и не понимаю очевидного. Но я не вижу логики никакой....

наверное воспользуюсь советом про самообразование, ведь судя по всему компетентного ответа я не получу :)

и да, напряжение по идее никак не делится. Я поразмыслил. Минус на плате, плюсы в середине. Гальванически развязаны. Детальки то не бахают..

но концепция идеальной бмс мне понравилась. Даем туда + батарейный а она делит его разномерно на каналы. Отличная бмс выйдет универсальная на 3 провода всего...
Добавлйтесь в друзья https://vk.com/electricus_me

TRO

[user]ranger[/user], исправьте ваше цитирование так что бы ваши слова не выглядели как мои (первая строчка), и больше так не делайте.

В остальном, снова с вашей стороны привратное истолкование плюс бурные ложные фантазии(горе от ума), что печально так как является непреодолимой преградой к познанию истины. И вы в этом сверхпродуктивны, у вас пока одно заблуждение вытравишь, так вы сверху десяток других успеваете наслоить, тут тот случай когда необходимо просветление перед просвещением,а вы не готовы и подсознательно противитесь.  Это как летчиков из военной авиации в гражданку не брали, проще нового обучить чем этого переучивать.

Wahoo 2012 29er, +собран складной двухосис на раме"Land Rover" 69er с эл. мотором, и и МОНОКОЛЕСО

ranger

готово, извините коллега я не думал что вас нельзя никому цитировать не аккуратно. Впредь это не повторится. Добавил в игнор.
Мне так обидно стало 10 лет уже в ЭТ сколько сил на форум потратил и в ответ только стеб и неквалифицированные утверждения.
К счастью в вопросе разобрался, кому интересно могут написать в личку - если столкнуться с подобными эффектами. Ну или получить загадки тут и их поразгадовать, жалко что с неверными ответами :)
Добавлйтесь в друзья https://vk.com/electricus_me

crond

Цитата: ranger от 20 Дек. 2021 в 19:20Вот есть 20 каналов, вот комаратары стоят и резистор на травление... как это все командует ключем? при этом как может быть что оставил 2 канала а оно не отрубилось...
это управляемые стабилитроны, максимальное напряжение у выходного транзистора 37V и хорошо, что на референсном входе нет конденсатора, иначе точно какие-то из tl431 повышибает, особенно в случае  когда припаен -B и подключать разъём начиная с +В. Тут некоторое везение в схемотехническом решении: когда срабатывает стабилитрон с довольно низкоомной нагрузкой через резистор и Б-Э переход, то успевает зашунтировать "опасное напряжение 37V и выше" на самом себе. Все эти стравливающие цепи схемно одинаковы и почти идентичны по характеристикам, их, все 20 можно рассматривать как отдельный блок, и опять же почти не влияющий на работу BATTERY PROTECTOR(шестиножки). А почти - ибо в обратной полярности в стабилитроне имеется диод, и при неполном/корявом подключении шлейфов вполне может статься, что ток может протекать в непредназначенном направлении. 

    Следующий узел - это BATTERY PROTECTOR(sot23-6)
И вот здесь опять везение, что они нагружены на низкоомный резистор и светодиод оптрона, успевают зашунтировать самих себя от превышения напряжения, а работают они до 15 некоторые до 20V и без низкоомной нагрузки, да с таким издевательством по подключению как -В и первым воткнутым +В кирдык бы им (нескольким) пришёл однозначный. Надеюсь вам очевидно, что на всех последовательно установленных BATTERY PROTECTOR не может быть одинаковых напряжений, сами микросхемы разнятся по заводским допускам и RC цепочки по питанию каждой "микрухи". Благо низкоомная нагрузка, но и на это не стоит уповать,  ибо внутри BATTERY PROTECTOR быстродействие каждого детектора, логических элементов и ёмкости затворов выходных транзисторов может оказаться ниже чем поступившее на вход превышенное напряжение питания (в lm431 тоже есть задержки).

Следующий узел на счетверённом моп 2И-НЕ, который питается от четырёх ячеек. Вот именно он от 2 ячеек по 3.6лифер-4.2Vионки вполне спокойно может почти полностью открыть разрядные ключи, зависит от фетов - некоторые открываются полностью от 4V!, а иным и все 10V подавай.


   Ещё писать? Просто может оказаться "не в коня овёс")))

crond

Ещё нужно понимать, что BATTERY PROTECTOR устанавливают как в таких дурацких БМС с оптронной нагрузкой, так и в подавляющем большинстве более правильных с высокоомной нагрузкой в цепи базы PNP. А уж по какой целесообразности? разрабы решили использовать жрущие цепи в делителе для tl431, да и сама она с аппетитом 1-10мА пожирает аккум. Разве что для каких-нибудь 50-100аЧ акков сойдёт.

ranger

Цитата: crond от 22 Дек. 2021 в 12:57
   Ещё писать? Просто может оказаться "не в коня овёс")))

в целом не нужно. Я еще вчера понял что происходит, но на основании чуть более простой логики и по отслеживанию дорожки от 3 банки к питанию управляющей схемы.  и даташита на DK01 и пазл сложился.

но спасибо за подробное объяснение схемотехники, надо выпить стакан в пятницу и заняться его чтением :) процентов 30-40 уже понимаю :)

но получается что ваш уровень понимания значительно выше моего. На порядок. Мне достаточно понять как оно работает функционально, почему при вынимании одной колодки работает, другой нет. Все оказалось просто. Но на самом деле сложнее на несколько порядков ;) Вы же понимаете процесс изнутри, и не только на уровне логики и схемотехники, но и на уровне переходных процессов. Респект  :wow:

единственное я  не понял как реализован обмен данными между логикой "балансира" и логикой "драйвера". Т.е каким образом второй отслеживает ситуацию что например 1 канал не подключен при ситуации что оптотрон без входящего канала (соотв. напряжения B+(i)) и не закорочены измерительные ноги. Полагаю что есть одна последовательная цепь, скорее всего минус. Но могу ошибиться полностью
Добавлйтесь в друзья https://vk.com/electricus_me

crond

Цитата: ranger от 22 Дек. 2021 в 19:20не понял как реализован обмен данными между логикой "балансира" и логикой "драйвера".
Вы путаете балансир и балансирный провод.
Балансир срабатывает и разряжает ячейку, единственная связь с драйвером - паразитная, через не правильно подключённые провода части ячеек, или при переполюсовке.
Драйвер отключает заряд или разряд посредством мосфетов.

HPend

#3199
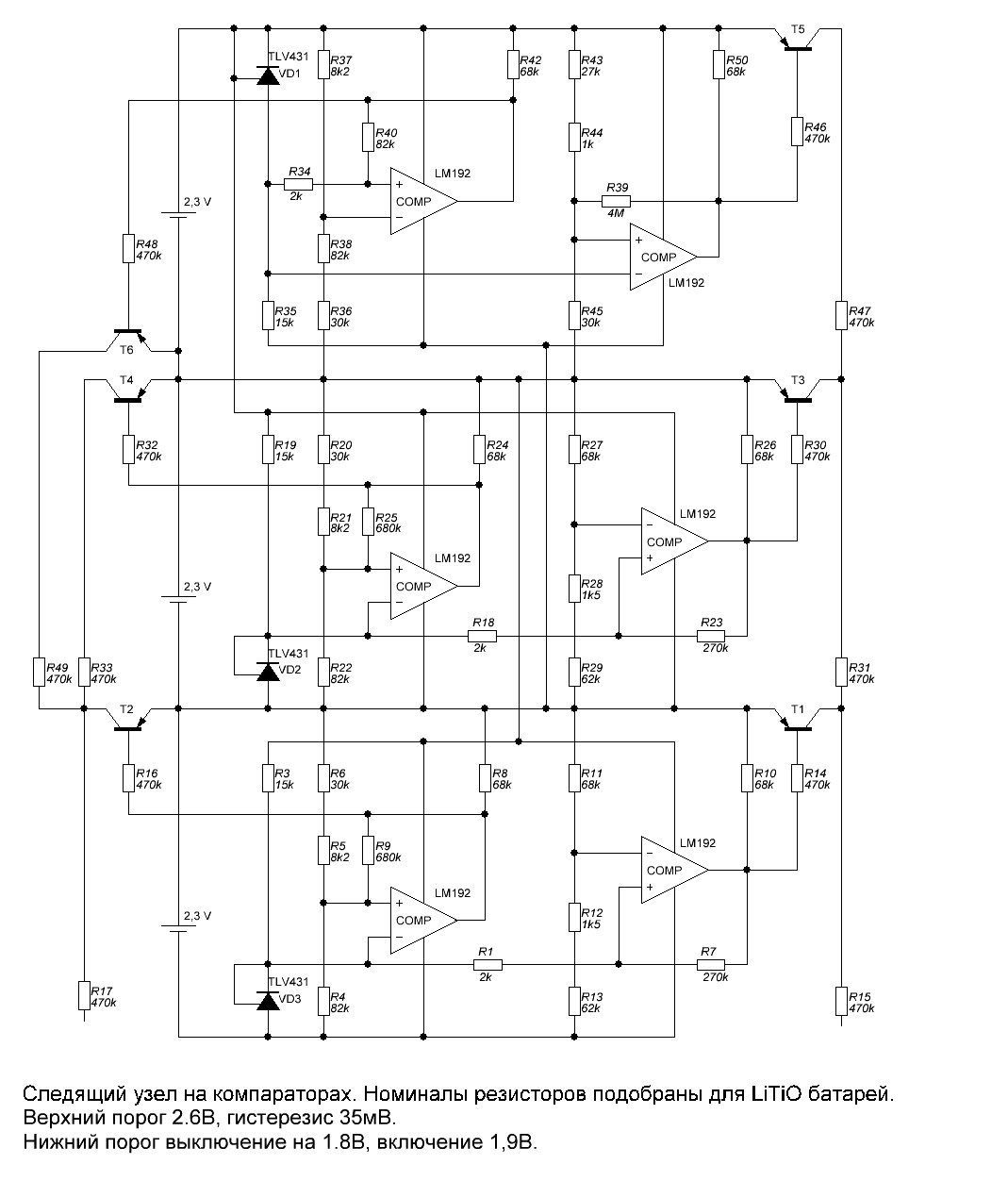
балин, а я уже второй месяц БМС на компараторах сочиняю, и именно с TLV431 в качестве ИОН. Поиск схем ничего не дал. У меня пока так



samsonovleha

Друзья подскажите кто разбирается, два АКБ соединены параллельно, на одном БМС симметричная на втором НЕсимметричная, вопрос такой, как правильно заряжать их, по общему запараллелиному разрядному порту или по зарядному на НЕсимметричной БМС ???

TRO

[user]samsonovleha[/user], Ну есть же несколько тем по параллельному использованию аккумуляторов , там по 10 раз все разжовано.

Wahoo 2012 29er, +собран складной двухосис на раме"Land Rover" 69er с эл. мотором, и и МОНОКОЛЕСО

sov8181

Цитата: TRO от 18 Янв. 2022 в 06:44Ну есть же несколько тем по параллельному использованию аккумуляторов
Я вот то же заинтересовался этим вопросом и попробовал поискать эти темы и ...       
ничего не нашёл(((
Можете дать конкретные ссылки?
Eltreco V1 (Kelly KLS7218S denzel + QS 45*4T) https://vk.com/club168465363
Ninja 300 electro (Kelly KLS14401-8080N + QS 45*4T)
отдам статор 55*3Т от QS 273 V3 45H 6000W (KTY83-122)

LeoDron

Цитата: sov8181 от 18 Янв. 2022 в 11:12
Я вот то же заинтересовался этим вопросом и попробовал поискать эти темы и ...       
ничего не нашёл(((
Можете дать конкретные ссылки?
Для начала ищем в ключевом разделе:
https://electrotransport.ru/index.php?board=69.0
И ключевые темы в каждом разделе. Там ответы на 95% вопросов  :exactly:

Спойлер
«Конёк Горбунoк»-Колёса: 16"; Single speed: 48/12T; 2MК (YOUE,250W,8Т); Kонтролёры: 2xКТ 14A; Батарея:36В/27Ач; Вес: ~150 кг; Макс. ск. : 28 км/ч
Симулятор: https://www.ebikes.ca/tools/simulator.html?bopen=true&motor_b=MG01_STD&motor=MG01_STD&batt=B3614_PF&batt_b=B3614_PF&autothrot=false&cont=cust_14_50_0.1_V&cont_b=cust_14_50_0.1_V&mass=150&mass_b=150&hp=0&hp_b=0&throt=100&grade=&grade_b=0&k_b=1&throt_b=100&whee&wheel_b=16i&wheel=16i&add=true&blue=Lbs