Kugoo g-booster 48V max 2400 Вт 20Ah/10Ah

Автор Superkurdysh, 06 Авг. 2018 в 08:51

« назад - далее »

0 Пользователи и 1 гость просматривают эту тему.

krekbrek

Цитата: Marcus81 от 09 Авг. 2019 в 20:13Это всё ложка мёда, а теперь ведро дёгтя.
[user]Hobby_t[/user],  Что скажешь? У тебя такой-же вроде. Есть данные глюки?

Marcus81

#7165
Прошу прощения заранее за панику, расковырял герметик сейчас попробую отпаять RX TX, посмотреть мож накосячил чего.

Kugoo-men

Цитата: Sokol21 от 09 Авг. 2019 в 20:36Странно   У меня работает без ошибок пока, Р3 это датчик скорости внутренний или внешний, у тебя считает внутренний ( количество магнитов и диаметр колеса), если нет сигнала о торможении на БК смотри концевики в ручках тормоза. Я подсоединял через переходник у меня все работает.
Покупал по этой же ссылке с али на 48в ? Я там же брал ещё не подключал жду переходник)

SokolRed

Цитата: Kugoo-men от 09 Авг. 2019 в 22:27
Покупал по этой же ссылке с али на 48в ? Я там же брал ещё не подключал жду переходник)
Купил там же , все работает , подключил через переходник.

Hobby_t

Цитата: krekbrek от 09 Авг. 2019 в 20:38
[user]Hobby_t[/user],  Что скажешь? У тебя такой-же вроде. Есть данные глюки?

Не совсем такой - мой типа на 52v  :kidding:, но не суть.

Из "косяков":
а) датчик скорости также не меняется в настройках и числится по дефолту "внешним" (очканул даже сначала когда настраивал) но, тем не менее, все работает - скорость и пробег считает.
б) БК отключается через какое-то время при бездействии (правда так было и на штатном), НО! После включения пропадает суточный пробег (((
То есть, если за день вы условно 100 раз выключали питание самоката (или оно отключалось само автоматом), то каждый раз суточный пробег будет показывать ноль км. Это конечно бесит.  :ireful:
Одометр (общий пробег) не обнуляется - уже хорошо. ))
в) курок более "дырявый"- ездить без гидроизоляции с ним под дождем не рекомендую! В этом плане наш штатный получше будет, хотя тоже не идеален в стоке.

В целом же синим курком доволен, ибо появился отличный рекуп, которого мне категорически не хватало; по буеракам ездить стало гораздо комфортнее (указательный палец, в отличие от большого, не трясет); стал более мощный подхват на старте. Не резкий, а именно мощный.
Одним словом плюсы перебарывают минусы. ))
Kugoo G-Booster "old new generation" 32Ah / 52V / 1300W x 2 = 2600W; > 4700 км продан.
Inmotion V12 HS (1750Wh / 100V) 5868 км продан. Begode A2 550 км продан.
Veteran Lynx 66 lbs > 3200 км - езжу и кайфую!

Marcus81

#7169
Всё, разобрался.
Везение 80-го уровня..... Когда запихивал толстые провода в плату порвал дорожку RX. Её частично закрывает собой экран, поэтому не заметил. Восстановлению не подлежит...
Начал разбираться что на плате. Большая микруха - экран. Маленькая - микропроцессор. Час наверное гуглил что это может быть, так и не нагуглил. В итоге прозвонил все ноги на предмет целого TX и нашел на 14-ой балластный резистор 500 Ом к TX. И о чудо, на случайной картинке из гугла TX0 интерфейса UART оказался тоже на 14ой ноге. 15ая - RX. Обзвоном нашел где дорожка уходит на другую сторону и кинул свой проводок с резистором в обход порванной дорожки...
Всё заработало..

Вот микруха курка:

Если у кого есть ресурсы — можно идентифицировать и дизассемблить. 4 огромных контакта на плате, как я понимаю, для программирования... (+5V, TOOL0, RESET, GND)

Даташит на процессор круглого курка.
Судя по распиновке это некий Renesas RL78/G13 в 20-ти пиновой версии.
(10,8 Мб PDF)https://www.glynshop.com/erp/owweb/Daten/Mikrocontroller/Renesas/Ren_Star_Aktion_Manuals/RL78G13_hm_rev310.pdf

SokolRed

#7170
Настройки для круглых экранов ( Цветной и синий)
Отключения экрана происходит если три минуты скорость на экране не менялась.
P0 диаметр колёс 10
Р1 настройка «колбаски» по напряжению( по умолчанию 41.5)
Р2 магнитная пара (по заднему колесу)настройка показаний скорости(у меня 16 по моим замерам более менее точно ,резина сток)
Р3 выбор источника скорости ( по умолчанию и не изменяемо 1 )
Р4 выбор показания скорости (мили или километры) 0 -км. 1 мили
Р5 режим запуска ( с толчка или курком) 0- курком 1 с толчка
Р6 Круиз контроль  0 выкл 1 вкл
Р7 Быстрый старт 0 выкл 1 вкл
Р8 Настройки ограничения скорости ( 100% максимальная скорость )
Р9 Электро тормоз 0 выкл 1 слабый ( срабатывает на низких скоростях) 2 сильный (срабатывает на большой скорости )


maxspiter79

Доброго времени суток всем,ребята ни кто стоковый БК не продает в Питере или может магазин кто то знает где продается,вчера экран разбил,без него ваще грустно как то

FightClub

#7172
Цитата: maxspiter79 от 10 Авг. 2019 в 13:54
Доброго времени суток всем,ребята ни кто стоковый БК не продает в Питере или может магазин кто то знает где продается,вчера экран разбил,без него ваще грустно как то


Цветной курок продаю в Питере. Если что пиши в личку.
Сообщество Kugoo G-Booster в телеграмм t.me/KGBooster
Помощь Online, тюнинг, запчасти

maxspiter79

[user]FightClub[/user], номер скинь или перезвани мне 89128867209

Сергей25

Куговоды приветствую. Подскажите не могу понять как посмотреть суточный пробег? общий вижу а суточный не указываеет, все облазил. Благодарю.

SokolRed

Цитата: Сергей25 от 10 Авг. 2019 в 16:21
Куговоды приветствую. Подскажите не могу понять как посмотреть суточный пробег? общий вижу а суточный не указываеет, все облазил. Благодарю.
Trip это суточные пробег.

Kugoo-men

Не помню выкладывал здесь или нет,  своё решение по заднему брызговику для тех у кого есть 3D принтер  ;-)  Нарисовал модельку и распечатал из флекса. Опробовал под дождем всё гуд  :wow: Ссылка на stl файл тут: https://vk.com/kugoo_g_booster?w=wall-183564247_43%2Fall





Сергей25

Trip это суточные пробег.
Я понимаю что трип это суточный но он почему то кажет как и одо, а почему так не понимаю.

FightClub

Цитата: Сергей25 от 10 Авг. 2019 в 17:29
Trip это суточные пробег.
Я понимаю что трип это суточный но он почему то кажет как и одо, а почему так не понимаю.
Его можно сбрасывать, а ODO нет. Сброс TRIP на штатных БК осуществляется зажатием верхней и нижней кнопки на 5 секунд. На круглых БК зажатием кнопки MODE до обнуления.
Сообщество Kugoo G-Booster в телеграмм t.me/KGBooster
Помощь Online, тюнинг, запчасти

Hobby_t

Цитата: Сергей25 от 10 Авг. 2019 в 16:21
Куговоды приветствую. Подскажите не могу понять как посмотреть суточный пробег? общий вижу а суточный не указываеет, все облазил. Благодарю.

Если речь идёт про круглый БК, то никак - показания TRIP обнуляются после каждого выключения питания. Это такой баг (((
Я писАл об этом чуть выше (пост #7150)
Kugoo G-Booster "old new generation" 32Ah / 52V / 1300W x 2 = 2600W; > 4700 км продан.
Inmotion V12 HS (1750Wh / 100V) 5868 км продан. Begode A2 550 км продан.
Veteran Lynx 66 lbs > 3200 км - езжу и кайфую!

Marcus81

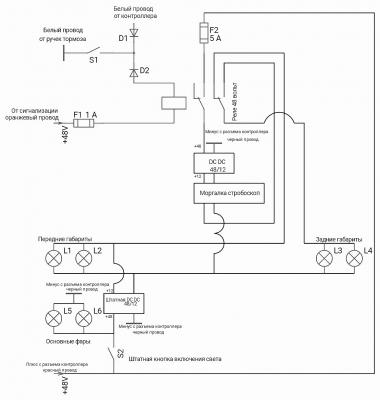
Цитата: FightClub от 05 Июль 2019 в 11:29Друзья!
Предлагаю Вашему вниманию активацию штатных стоп сигналов,
плюс стробоскопов на наших верных КГБ.

Правильно я понимаю, т.к. ручки коммутируют землю, то, в общем-то не важно, какое питание на них замыкать? Если ставить постоянно включенную от контроллера дисишку на 12В на габариты, то на ручки можно замыкать стопарь напрямую? (с разумным током потребления, конечно..)

Hobby_t

Цитата: Marcus81 от 11 Авг. 2019 в 05:37

Правильно я понимаю, т.к. ручки коммутируют землю, то, в общем-то не важно, какое питание на них замыкать? Если ставить постоянно включенную от контроллера дисишку на 12В на габариты, то на ручки можно замыкать стопарь напрямую? (с разумным током потребления, конечно..)

Если ручки коммутируют землю (что видимо так), то можно смело использовать для стопов обычное четырех контактное автореле на 12v.
Такую схему пару-тройку месяцев назад выкладывал наш коллега-бустеровод. Он практические сейчас тут не появляется, а было бы интересно узнать как его схема поживает на данный момент. Собираюсь сам в ближайшее время все это опробовать. Опробовал бы и раньше, но так не хочется вскрывать свою прогермеченную деку  :ah:
А так его вариант очень даже неплох: и просто, и дёшево, и легкозаменяемо в случае поломки.
Хотя там ломаться по сути нечему - реле держит ток до 50А (чего у нас нет и в помине) и стОит в автомагазине 100 с небольшим рублей. Надо только приобрести стробоскоп-модуль (тоже копеечные), если кому мало простого загорания стопов. Ну а в качестве стопов можно использовать все, на что хватит вашей фантазии.  Хоть фонарь от КамАЗа )))))
Kugoo G-Booster "old new generation" 32Ah / 52V / 1300W x 2 = 2600W; > 4700 км продан.
Inmotion V12 HS (1750Wh / 100V) 5868 км продан. Begode A2 550 км продан.
Veteran Lynx 66 lbs > 3200 км - езжу и кайфую!