avatar_Bolesky

Общие проблемы с моноколесами (технические, эксплуатационные) и их устранение

Автор Bolesky, 20 Авг. 2014 в 12:46

« назад - далее »

0 Пользователи и 1 гость просматривают эту тему.

EcoDrift

[user]Sr.FatCat[/user], на мсм4 были уже случаи неисправного Бт модуля с завода.

Sr.FatCat

Цитата: Semix от 09 Авг. 2016 в 23:14
Гарантию то дают,но геморрой действительно большой-доказать неисправность.Повоюю ещё.А смысл?Очень MCM4 понравился,но в Риге их нет.Есть только самое дешевое китайское и польское г.,чтобы побольше бабок срубить.Нам до России ещё тянуться и тянуться.Во всех смыслах
Прошу прощения - не обратил внимания, что Рига. Тогда понятно. Хотя, если бы поговорили с нашими продаванами - думаю, что вопрос решили бы как-то.

Sr.FatCat

Цитата: EcoDrift от 10 Авг. 2016 в 07:11
[user]Sr.FatCat[/user], на мсм4 были уже случаи неисправного Бт модуля с завода.
Нисколько не сомневаюсь. С подобными БТ-модулями имел дело в Ардуино-творчестве. И брака полно и умирают со старнными симптомами и прочие чудеса.
Просто, насколько я знаю, и Вы и [user]Ripido[/user] колеса перед отгрузкой обязательно проверяете, а вот нашим китайским али-партнерам самое незападло послать чуть ли не из отбраковки.
Был у меня случай, когда на али у продавана, у которого уже брал, заказал 10 RF-модулей. Все 10 пришли с практически неработающей ВЧ-частью. Я пишу - что за хрень? Он мне фотку платы - проверь все детали на месте. Смотрю - транзистора с обвязкой одного нет. Он мне - не то тебе послал, бракованые. Т.е. он знал, что у него есть брак и готовился кому-то отослать! Просто случайно на дотошного меня попал.

EcoDrift

[user]Sr.FatCat[/user], Не проверить китайские колесо перед отправкой это получить возврат на Х клиенте. И так будет постоянно не проверяя товар.
Есть исключения по заводам (найнбот, инмоушен...)

aMADs

Встретился с рижанином, всё ок с модулем, так , что зря наговариваете, программ на офф сайте уже просто много под каждое колесо, новому пользователю сложно разобратся какая программа для мсм2 , а какая для мсм4 и какая для мсупер и так далее, к томуже есть замарочки с андроид, только 5.1 не ниже. Вот правда батарея там 340wh и я реально понял , что такое мягкие педали, на моём колесе немного упругее они.
Bafang BBS02 750W, Gotway MSuper X 84v, Gotway MSuper V3 1640, MCM4 HS 680,noname wheel.

SergeyA

Цитата: George от 09 Авг. 2016 в 15:07
Цитата: Sr.FatCat от 09 Авг. 2016 в 14:32
Цитата: George от 09 Авг. 2016 в 13:30
Попробую разобратся с платой конроллера, проверю стабилизаторы и модуляторы, может кто из них сдох, сам контроллер похоже функционирует, раз датчики наклона отрабатывают и индикация заряда батареи нормальная.
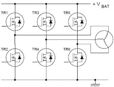
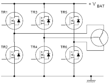
Ну микроконтроллер с обвязкой точно живой - это, да. А проверять начинайте с мосфетов. Горят в 90% случаев - они

Спасибо, начну с них, нашел схему включения )))


Ииииии????



Добавлено 13 Авг. 2016 в 21:35

Кто знает, как отличить колесо 350Вт от 500Вт?
Прозвонка пока не помогает. У моего UT71A при прозвонке крыша едет. Кажет плавающее сопротивление от 2 до 0,5 Ом.
Gotway MCM2s 680Wh, EYU V2 264 Wh

Sr.FatCat

Цитата: SergeyA от 13 Авг. 2016 в 21:30
Цитата: George от 09 Авг. 2016 в 15:07
Спасибо, начну с них, нашел схему включения )))
Ииииии????
Он же написал, что нашел один пробитый. Раз молчит - значит замена помогла или пока не поменял :)

SergeyA

Цитата: Sr.FatCat от 13 Авг. 2016 в 21:49
Цитата: SergeyA от 13 Авг. 2016 в 21:30
Цитата: George от 09 Авг. 2016 в 15:07
Спасибо, начну с них, нашел схему включения )))
Ииииии????
Он же написал, что нашел один пробитый. Раз молчит - значит замена помогла или пока не поменял :)
Дык я и спрашиваю - помогло? Такая неисправность может быть и при проблемах с холлами. Самому интересно.
Gotway MCM2s 680Wh, EYU V2 264 Wh

Sr.FatCat

Цитата: SergeyA от 14 Авг. 2016 в 20:18
Дык я и спрашиваю - помогло? Такая неисправность может быть и при проблемах с холлами. Самому интересно.

Вряд ли холлы. Он же писал:

Цитата: George от 08 Авг. 2016 в 11:59
Колесо не крутится.  Проверил датчики хола, при вращении колеса все три меняют напряжение с 0 до 3,3 Вт и обратно.

новосибиряк 2

Друзья подскажите где достать такой контроллер???! Мой похоже сгорел,когда включаеш реакции нет но сильно греются микросхемы.

Ninebot oneE. Электровелосипед Сибвелз Е 010.


новосибиряк 2

Благодарю,но надо максимально приближено к оригиналу. БМС в контроллере. Я не спец по перепайкам,результат моих переделок перепаял светодиод и перепутал разъем от батареи на бмс и сгорела плата.
Ninebot oneE. Электровелосипед Сибвелз Е 010.

Dmitrys

Gotway Tesla
Продаю Покрышки и камеры всех размеров на моноколеса
https://electrotransport.ru/index.php?action=fads;id=2249

EcoDrift


новосибиряк 2

Цитата: EcoDrift от 17 Авг. 2016 в 18:39
[user]новосибиряк 2[/user], это 111 чель?
это i100 неплохо ездил пока я в него не залез!

Добавлено 17 Авг. 2016 в 18:46

[user]Dmitrys[/user], Благодарю за  подсказку! Проблемка небольшая, по китайски не могу понять.
Ninebot oneE. Электровелосипед Сибвелз Е 010.

EcoDrift

[user]новосибиряк 2[/user], на ай100 плат нет, если только они на айпс 111/131 или айпс 112 не подходят.

Gresstsa

Всем привет. Модель колеса:              Wmotion W8
Кто знает какие динамики стоят в моноколесах? Сколько Ом? Сдохли, стали трещать сильно при громком звуке. Особенно на басе( :bn:

Sr.FatCat

Цитата: Gresstsa от 19 Авг. 2016 в 11:06
Всем привет. Модель колеса:              Wmotion W8
Кто знает какие динамики стоят в моноколесах? Сколько Ом? Сдохли, стали трещать сильно при громком звуке. Особенно на басе( :bn:
90%, что 8Ом, но на них небось написано. Или померить - треск этому не помеха. Треск или повреждение диффа или отклеилась катушка.