avatar_peat

E-TWOW S2 разбираем, собираем, затягиваем болты , делаем апгрейд.

Автор peat, 29 Авг. 2014 в 20:59

« назад - далее »

0 Пользователи и 2 гостей просматривают эту тему.

gde700

[user]Scooters2[/user], Вы правы. Холлы питаются от DC-шки на плате дисплея.
А ручное замыкание проводков только включает слаботочку контроллера, но не дисплейную плату.
Li-Ion microvast 55,5V 22Ah
DUAL-E-TWOW S2 15s1p 2x6fet nuclear! :)
Begode Tesla V2 литровая.

PeaceHaver

Цитата: gde700 от 10 Март 2015 в 19:05
[user]Scooters2[/user], Вы правы. Холлы питаются от DC-шки на плате дисплея.
А ручное замыкание проводков только включает слаботочку контроллера, но не дисплейную плату.
То есть надо воткнуть провода в плату и еще замкнуть их. Или как?

gde700

#1028
[user]PeaceHaver[/user], Вашу плату надо смотреть серьёзно... А для того, что-бы просто поехать, надо замкнуть провода + подать с контроллера +5 вольт на питание холлов. Это если без дисплейной платы.

[user]Scooters2[/user], да откуда на них возьмётся-то напряжение, если DC-шка его не выдаёт?
Кстати, вполне возможно, что ключ как раз работает, не работает DC-шка...
Li-Ion microvast 55,5V 22Ah
DUAL-E-TWOW S2 15s1p 2x6fet nuclear! :)
Begode Tesla V2 литровая.

Scooters2

#1029
Цитата: gde700 от 10 Март 2015 в 19:49
[user]Scooters2[/user], да откуда на них возьмётся-то напряжение, если DC-шка его не выдаёт?
Кстати, вполне возможно, что ключ как раз работает, не работает DC-шка...

Так я же этого не знал и определил по холлам, что проблема кроется на плате дисплея, а не на контроллере.
Да, я тоже думаю, что ДС-шка не выдержала фул батки и рекуперации на 30+ км/ч, хотя у пита всё норм и у меня до этого было норм. Но китай...

gde700

Угу... Это, если память не изменяет уже третья вылетевшая плата за последнее время...
Измеряется относительно (-) или чёрного провода. (О) - output (выход), (+) - питание +5 вольт.
Li-Ion microvast 55,5V 22Ah
DUAL-E-TWOW S2 15s1p 2x6fet nuclear! :)
Begode Tesla V2 литровая.

Scooters2

Цитата: gde700 от 10 Март 2015 в 19:59
Угу... Это, если память не изменяет уже третья вылетевшая плата за последнее время...
Измеряется относительно (-) или чёрного провода. (О) - output (выход), (+) - питание +5 вольт.

Я её хочу переделать на крепеж датчиков холла и крепеж проводки. Правильно ли я понял, что я могу тупо привести +5В из контроллера к ноге + холла, землю сразу на минус и дело в шляпе? напряжение само будет нужным и мне достаточно тупо подвести +5в? Просто пит, помню говорил, что там диапазон напряжений на холлах, но наверно это при их работе оно меняется...

gde700

К холлам (и всей дисплейной плате) подходит общий провод от контроллера (чёрный), сигнальные выходы с обоих холлов идут на контроллер (на них и изменяется напряжение от 0,8 до 4,2В), и подаётся питание с дисишки (около +4,2 ~ 4,5 В).
Li-Ion microvast 55,5V 22Ah
DUAL-E-TWOW S2 15s1p 2x6fet nuclear! :)
Begode Tesla V2 литровая.

Scooters2

#1033
Цитата: gde700 от 10 Март 2015 в 20:11
К холлам (и всей дисплейной плате) подходит общий провод от контроллера (чёрный), сигнальные выходы с обоих холлов идут на контроллер (на них и изменяется напряжение от 0,8 до 4,2В), и подаётся питание с дисишки (около +4,2 ~ 4,5 В).

Правило для вещей из низкокачественных деталей - чем проще или меньше деталей, тем надежнее. Пожертвую спидометром и одометром...Вольтметр итак заменяет индикатор батки уже давно.

А почему они с DCшки подают на холлы 4.2 ~ 4.5 В, а не 5 В? И могу ли я подавать постоянно +5 В или датчики тогда выдадут неверные выходные напряжения?
По даташиту датчик холла 49e Operating voltage: 3 ~ 6.5V при этом Quiescent Output Voltage: 2.25 ~ 2.75V



Значит DC-шка на плате дисплея не зря сделана? и +5V с контроллера не подойдут для датчиков? Контроллер тогда получит неверные напряжения от датчиков.

tpc

#1034
Цитата: Scooters2 от 10 Март 2015 в 18:19
Походу нельзя так, ведь питание холлы берут от DC на плате дисплея. Или вы имели ввиду, что придется подключить освободившийся проводок спидометра из контроллера с +5V к холлам в приборке? или заменить DC в приборке.
Я имел в виду, что можно запитать холлы с платы контроллера. Там для этого есть специальные площадки,
которые не используются. На них +5 В или на некоторых контроллерах +4.3 В, так как подключены они
бывают через диод. Через синий провод подать питание на холлы. Земля там и так есть (чёрный провод).
Между красным и жёлтым поставить выключатель, например замок зажигания. Штатный вариант питания
от отдельной DC-шки выглядит достаточно странно.


Добавлено 10 Мар 2015 в 21:39:56

Цитата: Scooters2 от 10 Март 2015 в 20:57
А почему они с DCшки подают на холлы 4.2 ~ 4.5 В, а не 5 В? И могу ли я подавать постоянно +5 В или датчики тогда выдадут неверные выходные напряжения?
Значит DC-шка на плате дисплея не зря сделана? и +5V с контроллера не подойдут для датчиков? Контроллер тогда получит неверные напряжения от датчиков.
Дык вот я и говорю, там обычно не +5В используется, а +4.3В для питания холлов. Если такой площадки нету, то можно подключиться к +5В, но через диод.


Вон тот ряд пустых дырочек справа, небось и есть питание холлов неиспользованое.

Scooters2

#1035
[user]tpc[/user], уже замеряю по вашему совету напряжение на этой прощадке. Надеюсь будет нужное...

Результат: 4.76V на всей прощадке. Многовато? Ой, а снизу платы у этой площадки подписано +5V...

gde700

Li-Ion microvast 55,5V 22Ah
DUAL-E-TWOW S2 15s1p 2x6fet nuclear! :)
Begode Tesla V2 литровая.

tpc

Цитата: Scooters2 от 10 Март 2015 в 18:19
- При нажатии на кнопку включения, напряжение проседает на 0.1V, так же было ранее до поломки при включении самоката, когда контроллер потреблял 0.06-0.07A. При отпускании кнопки включения ток потребления пропадает и просадка напряжения тоже. На исправном самокате при зажатии кнопки включения напряжение заметно(на 0.1V) проседало лишь через секунду, когда контроллер и дисплей включались, а сейчас сразу после нажатия кнопки и при этом не включаются.
То есть, самокат не пикает при включении, изображение не появляется ?

Тот buck-преобразователь, что на плате с экранчиком не только питание для холлов создаёт,
но и питает микроконтроллер блока управление, контроллер экрана и сам экран. Похоже,
что у вас проблема с ним. Я бы отключил плату от самоката, подал бы на неё питание и
попробовал включить. Скорее всего не включиться. Не помню, что там за buck, но скорее всего
микросхема со встроенным полевиком и внешним Шоттки. И скорее всего сломалась именно она.
Но, всё равно хорошо бы проверить диод Шоттки, внешний полевик (если такой есть) и сигнал на
его затворе (есть ли ШИМ). Если всё плохо, отключить этот buck и подать 5В. Если плата включиться,
то дело в buck-преобразователе.


Добавлено 10 Март 2015 в 22:15

Цитата: Scooters2 от 10 Март 2015 в 21:49
Результат: 4.76V на всей прощадке. Многовато? Ой, а снизу платы у этой площадки подписано +5V...
Я бы через диод включил. Но можно попробовать и так. Сломать врядли получится, но может не заработать
(защита сработает) или будет срыв какой-нибудь на максимальном газе, как у меня получилось с KU63.

Scooters2

Цитата: tpc от 10 Март 2015 в 22:11
Цитата: Scooters2 от 10 Март 2015 в 18:19
- При нажатии на кнопку включения, напряжение проседает на 0.1V, так же было ранее до поломки при включении самоката, когда контроллер потреблял 0.06-0.07A. При отпускании кнопки включения ток потребления пропадает и просадка напряжения тоже. На исправном самокате при зажатии кнопки включения напряжение заметно(на 0.1V) проседало лишь через секунду, когда контроллер и дисплей включались, а сейчас сразу после нажатия кнопки и при этом не включаются.
То есть, самокат не пикает при включении, изображение не появляется ?

Тот buck-преобразователь, что на плате с экранчиком не только питание для холлов создаёт,
но и питает микроконтроллер блока управление, контроллер экрана и сам экран. Похоже,
что у вас проблема с ним. Я бы отключил плату от самоката, подал бы на неё питание и
попробовал включить. Скорее всего не включиться. Не помню, что там за buck, но скорее всего
микросхема со встроенным полевиком и внешним Шоттки. И скорее всего сломалась именно она.
Но, всё равно хорошо бы проверить диод Шоттки, внешний полевик (если такой есть) и сигнал на
его затворе (есть ли ШИМ). Если всё плохо, отключить этот buck и подать 5В. Если плата включиться,
то дело в buck-преобразователе.

Да, признаков включения чего-либо нету. Но при нажатии кнопки питания сразу начинается потребление контроллером 60 мА.
Я тоже убежден что накрылся этот buck. Вы советуете не выбрасывать плату, а перезапитать её от контроллера в части где питалось от buck? Боюсь, что я в дорожках не разберусь, чтобы проделать такое. Иначе говоря, найти на плате выход питания +4.3 от buck я не смогу, чтобы там сделать обрыв и подать туда +5V. Наверняка там расходилось питание на кучу элементов...

tpc

Цитата: PeaceHaver от 07 Март 2015 в 13:08Потому что плата эта будет с китая только через месяц.
Такое ощущение, что нужно заказывать сразу десяток  :-\

Scooters2

Цитата: tpc от 10 Март 2015 в 22:17
Цитата: PeaceHaver от 07 Март 2015 в 13:08Потому что плата эта будет с китая только через месяц.
Такое ощущение, что нужно заказывать сразу десяток  :-\

Я на 32 км/ч подъезжал по проспекту к светофору и перекрестку, начинаю тормозить и сразу же вырубается самокат. Я проношусь мимо остановившихся машин на красный (((, но это фигня, на перекрестке я на этой бешеной скорости начинаю поворачивать, чтобы не впилиться в скорую выруливающую со встречки. Меня спасло, что перпендикулярно проспекту не было больше машин.
Вот такой опасный этот агрегат из Китая, случись такое при подъезде с тротуара к дороге и я был бы под машиной  :facepalm:

Народ советую заменить всё что можно в самокате на надежное, если вам дороги здоровье и жизнь.

tpc

Цитата: Scooters2 от 10 Март 2015 в 22:16
Иначе говоря, найти на плате выход питания +4.3 от buck я не смогу, чтобы там сделать обрыв и подать туда +5V. Наверняка там расходилось питание на кучу элементов...
Выход buck найти легко. Там на плате очень заметный элемент - индуктивность (катушка). Один из выводов катушки и есть выход buck-преобразователя.
Туда обычно подключен плюсом электролитический (танталовый) конденсатор. КО второму выводу катушки скорее всего подключен диод Шоттки.
Это такая чёрная прямоугольная здоровая деталь.


Добавлено 10 Март 2015 в 22:26

Цитата: Scooters2 от 10 Март 2015 в 22:23
Я на 32 км/ч подъезжал по проспекту к светофору и перекрестку, начинаю тормозить и сразу же вырубается самокат. Я проношусь мимо остановившихся машин на красный (((, но это фигня, на перекрестке я на этой бешеной скорости начинаю поворачивать, чтобы не впилиться в скорую выруливающую со встречки. Меня спасло, что перпендикулярно проспекту не было больше машин.
Вот такой опасный этот агрегат из Китая, случись такое при подъезде с тротуара к дороге и я был бы под машиной  :facepalm:

Народ советую заменить всё что можно в самокате на надежное, если вам дороги здоровье и жизнь.
Надо тренироваться пользоваться механическим тормозом, чтобы уверенно его применять в случае необходимости.

tpc

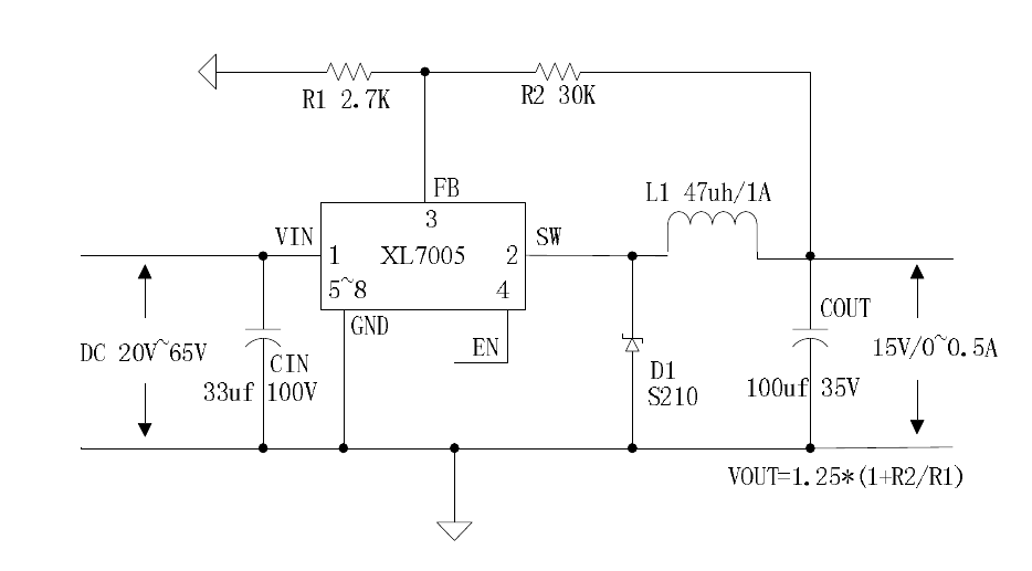
#1042


Микросхема XL7005 это и есть buck-преобразователь. Круглая с надписью 470 это катушка L1. Справа от микросхемы XL7005
большой прямоугольный это диод Шоттки D1. Здоровый конденсатор внизу подключенный плюсом к катушке это COUT.
Эта точка и есть выход buck-преобразователя. Чтобы отключить преобразователь достаточно отпаять катушку и на
эту точку подать +5В от другого источника. Второй здоровый конденсатор над HOLTEK-овской микросхемой это CIN.


Scooters2

Цитата: tpc от 10 Март 2015 в 22:24
Выход buck найти легко. Там на плате очень заметный элемент - индуктивность (катушка). Один из выводов катушки и есть выход buck-преобразователя.
Туда обычно подключен плюсом электролитический (танталовый) конденсатор. КО второму выводу катушки скорее всего подключен диод Шоттки.
Это такая чёрная прямоугольная здоровая деталь.

Надо тренироваться пользоваться механическим тормозом, чтобы уверенно его применять в случае необходимости.

Дорожку от плюса из катушки обрываю и припаяю к ней(к противоположной от катушки части дорожки) +4.7 с контроллера, а землю(черный) оставляю в разъеме стандартном? Весь дисплей заработает? Я боюсь, не произойдет ли на плате контроллера, откуда возьму +4.7V что-то из-за подключения к этому дисплею. Мне кажется, что buck накрылся из-за давно пробитого ключа звукового сигнала или еще из-за какого-то транзюка.

Механический тормоз на такой скорости вообще не помог, даже капельку, только помешал повернуть более резко, чем нужно было.