avatar_Павел Валерьевич

Моргалка от Павел Валерьевич.

Автор Павел Валерьевич, 24 Окт. 2015 в 17:38

« назад - далее »

0 Пользователи и 1 гость просматривают эту тему.

KIE

Цитата: Павел Валерьевич от 19 Фев. 2018 в 10:14
Реле- это плюс 30% стоимости. По цене дороже МК.
Омрон - две пачки сигарет.
Китайское, приличное -две штуки на одну пачку.
Стоимость понятие относительное.
Заоблачно низкая цена  м.контроллеров не должна определять примитивизм конструкции.
Но хозяин-барин.
Я в своем новоделе авто.моб. зарядки с ИБП+моргалка ( возможен любой алгоритм в конструкции), заложил концепцию любого беспорядочного действия пользователя. Что он включил первым, как в горячке провода подключил, живая или дохлая АКБ, жарко\холодно в гараже итд итп, на целостность  и работу  конструкции не должно влиять. О инструкции вспоминаем когда агрегат уже вышел из строя.
Человек может ошибаться, автомат нет. Теория кибернетики. Сложность только просчитать все возможные варианты ошибочных\правильных  действий.
Сегодня стоимость инженерной разработки + стоимость корпуса превышает многократно стоимость всех элект. комплектующих. Конечно можно из говна и палок, на дощечке и проводках.  Но такое  удовольствия уже не доставляет, ни для души, ни для сердца.

Павел Валерьевич


Alex_Soroka

занятно читать "сколько будет стоить" от тех кто никогда ничего в серию не запускал...
B-)
ребята, вы с паяльником в руках согласны сидеть сутки и получить за это всего 10 долларов?
да - нет ?
а теперь давайте план выполните: сделать 100 таких плат, с паяльником, за день-два, а зарплата та-же  :hello:
...советчики...

Dunkel

Цитата: Павел Валерьевич от 15 Фев. 2018 в 21:46Друзья, по просьбам форумчан предлагаю на продажу плату "моргалки" на микроконтроллере.

А где можно увидеть схему этой платы?
Многофункциональная облачная моргалка/логгер:
https://morgalka78.wordpress.com/

Павел Валерьевич

Я представляю себе объём работ, поэтому и говорю, что за десять баксов никаких допфункций не будет. Будет плата, проц и мосфет. Если кому то нужны защиты, корпуса и прочие ништяки- это в другой проект. Думаю, что такой простой поделкой можно закрыть бОльшую часть потребностей.
Кстати по переполюсовкам, никогда не сталкивался с такой проблемой, отчасти это решается автомобильными клеммами на проводах ЗУ, "+" и "-" разного диаметра, перепутать очень сложно, даже впопыхах. А крокодилы- зло.

Добавлено 19 Фев. 2018 в 12:01

Цитата: Dunkel от 19 Фев. 2018 в 11:56
А где можно увидеть схему этой платы?
Схема? Зачем? Какая может быть схема у МК + мосфет? Плюс резистивный делитель. Когда речь идёт о МК, то схема не важна, важны функции. Они будут такие же как у моргалки.

Павел Валерьевич

Цитата: Alex_Soroka от 19 Фев. 2018 в 11:39
а теперь давайте план выполните: сделать 100 таких плат, с паяльником, за день-два, а зарплата та-же  :hello:
Не думаю, что будут сотни. Закажу десяток плат, посажу студента с паяльником, пообещаю ему 3 бакса с платы, спаяет прошьёт и отнесёт на почту. Вот и вся коммерция.
Да и то, если будет десяток заявок. Потому что просьб помочь сделать моргалку на рассыпухе было много за это время, но это точно не ко мне, бо нема часу.

KIE

#1266
Цитата: Alex_Soroka от 19 Фев. 2018 в 11:39
занятно читать "сколько будет стоить" от тех кто никогда ничего в серию не запускал....
Огромное самомнение у человека. И ограниченный кругозор. Кругозор кустаря-одиночки.
"Серия" это не кустарное производство на коленках, в сарайчике, примитивной в инженерном отношении конструкции. С любительскими платами и неприглядным корпусом.
Причем зарплата монтажника к любительской, простенькой конструкции?
Цитата: Alex_Soroka от 19 Фев. 2018 в 11:39сделать 100 таких плат, с паяльником
Каких таких? 
Вам  отдохнуть надо, с психикой не совсем порядок, эмоции сдерживать надо.
........................................
Павел Валерьевич
Вы конструктор. Наше дело предлагать. Вам решать как лучше, что входит в вашу концепцию, что нет.


Добавлено 19 Фев 2018 в 12:15

Цитата: Павел Валерьевич от 19 Фев. 2018 в 12:05Закажу десяток плат
С акционными размерами (10см х 10см) на одной пластине можно несколько плат разместить.

Alex_Soroka

Цитата: KIE от 19 Фев. 2018 в 12:11
Огромное самомнение у человека. И ограниченный кругозор. Кругозор кустаря-одиночки.
"Серия" это не кустарное производство на коленках, в сарайчике, примитивной в инженерном отношении конструкции.
а вы лично своими руками что-то запускали ? показать можете ?
сидите тогда молча на диване и свои каменты при себе оставьте.
первый компутер был собран в гараже, как и первая серия компов  :hello:  Билл Гейт и Джобс забыли вас, диванных теоретиков спросить, как именно им серию делать.

KIE

#1268
Цитата: Alex_Soroka от 19 Фев. 2018 в 12:35
а вы лично своими руками что-то запускали ? показать можете ?
сидите тогда молча на диване и свои каменты при себе оставьте.
Могу.
Это не относится к теме форума и моей основной работе. Это хобби.
Контактная сварка, с микроконтроллерным управлением.



Кроме лазерной порезки металла все специально сделано домашней технологией, для самодельщиков, что бы не боялись повторить, в том числе и корпус.
И это  любительские поделки, для "себя любимого", а не на продажу.
Продолжать?Думаю, что не надо. Смысла нет. Скандал для Вас как ЗУ для АКБ, жизнь подпитывает. ;-D

Цитата: Alex_Soroka от 19 Фев. 2018 в 12:35Билл Гейт и Джобс забыли  как именно им серию делать
Билл Гейтс, Стив Джобс и Алекс Сорока. Это, мол. чек уже патология.
Но Билл Гейтс ни каким боком к железу первого ПК не стоял. Даже ни знаком был с этими ребятами. :fool:
....................
Наверное, модераторам надо удалить весь треп не по теме.
А, Вы Сорока что сделали, кроме своих коробочек?

Alex_Soroka

Цитата: KIE от 19 Фев. 2018 в 15:09
Могу.
Это не относится к теме форума и моей основной работе. Это хобби.
Контактная сварка, с микроконтроллерным управлением.
...
И это  любительские поделки, для "себя любимого", а не на продажу.
ну да, у вас вершина тех.дизайна и красоты  :hello:
я спрашивал про серийное изделие  :hello:
одну штуку вот так вот сделать не проблема - вы серию из 100 шт например, делали?
и про дизайн и прочее: мне вот тоже из металла гнуть и кисточкой красить? а потом это одоробло гнать почтой с космической оплатой за вес???
советчики, они такие советчики...  :facepalm:
проводки подтяните, они у вас наводки на себя примут + проводов получше-понадежнее не нашлось?

...и поповоду "чего сделал" - я много чего сделал с 1988 года  :hello: вам и не снилось.

KIE

#1270
Цитата: Alex_Soroka от 19 Фев. 2018 в 15:41
проводки подтяните, они у вас наводки на себя примут?
Не учи ученого, грамотей. Наводки устраняются правильным алгоритмом, а не подтяжкой штанов.
А то я влезу в темы с твоими поделками, такого понасоветую и накритикую, спать перестанешь. Обр. ходовые БП мой конек.
Цитата: Alex_Soroka от 19 Фев. 2018 в 15:41одну штуку вот так вот сделать не проблема - вы серию из 100 шт например, делали?
100шт это не серия, это испытательная партия. За ворота не выходит. Не путайте кустарщину с производством.
С 1988г. работаешь, а из сарайчика не вылез. Покойный С.Джобс за это время весь мир своими поделками завалил.

Alex_Soroka

все такие умные, только вот строем почему-то не ходят...  B-)
и не строят ничего сами, своими руками...

Павел Валерьевич

Да ладно спорить. Безусловно, выпустить даже мелкую серию, за которую не будет стыдно, та ещё работка.
Я сделаю несколько образцов, представлю тут. Срок беру приличный, много другой работы.
Алексу респект. Алгоритм вельми хорош.

11vetal

#1273
Спойлер
Цитата: Alex_Soroka от 19 Фев. 2018 в 15:41ну да, у вас вершина тех.дизайна и красоты
Я уже такое слышал :hello:. Интересно посмотреть, что для Вас является эталоном дизайна, и почему Вы это не используете в соих поделках?
Предлагаю разговор про эталон дизайна уважаемого Сороки вести в какой-нть другой теме. Что-нибудь поближе к гаражным войнам или хотя бы к ЗУСу.
Тебя оскорбили - забудь... Тебя унизили - прости... Тебя ударили - вспомни ... б**дь, всё ВСПОМНИ и накажи!!!

Mikhail2623

#1274
Приветствую всех!!
[user]Павел Валерьевич[/user], спасибо за простую и надёжную схему моргалки.
Повторил Вашу схему с небольшой доработкой.
Цитата: Павел Валерьевич от 16 Фев. 2018 в 17:59Как вариант, можно сделать "народную" приставку к кипятильникам или любому источнику тока-напряжения. Можно набросать коллективно функций, обсудить
Кратенько зачем мне зарядник.
Есть необходимость в тестировании акб обычных бесперебойников  12В  7Ач.
Суть обслуживания проста:
1. Снял, долил водички.
2. Зарядка.
3. Разрядка с замером отданных АЧ, фиксация данных на корпусе акб.
4. ""Правильная"" зарядка.
5. Если ибп с парой акб, поменять акб местами по подключению, замечено, что акб подключенный к ибп минусом, отстаёт по напряжению от соседнего, подключенного к ибп плюсом.
6. Через год повторить. ))
В дальнейшем, возможно сделаю приставку для авто акб.
На сегодня собрал тестовый стенд из китайских комплектующих, в процессе тестирования выявил свою ошибку, попытаюсь исправить.
Если интересна схема, выложу в следующем сообщении с основного компа, с бука скрин с экрана маленький, не видно ничего.
Спойлер





Интересуюсь всем по не многу.
Сейчас осваиваю электричество.

Павел Валерьевич

Да, наверное подсчёт отданных А·ч является необходимой функцией. Придётся её как то бюджетно прикрутить. Наверное как время*мощность/напряжение, поскольку измерение тока- сразу вылет за бюджет, да и все эти замеры относительны.

KIE

Цитата: Павел Валерьевич от 21 Фев. 2018 в 23:36Придётся её как то бюджетно прикрутить. Наверное как время*мощность/напряжение, поскольку измерение тока- сразу вылет за бюджет
А надо ли?
Потеряется первоначальный смысл - простота
+ направление ветра в измерениях + дисплей.

Mikhail2623

#1277
Приветствую всех!!
Цитата: Павел Валерьевич от 21 Фев. 2018 в 23:36подсчёт отданных А·ч
Для меня это практически единственный критерий состояния акб.
Размышляя на тему до какого напряжения разряжать акб ибп (они все кальциевые), пришёл к заключению:
Взять новый акб, провести КТЦ с разрядом до НРЦ 12.1 + - 0.1 вольта и полученный результат принять за 100% ёмкости,  далее состояние  прочих бу акб при КТЦ вычислять от этого результата.
При появлении новых акб тест обновить и записать в папочку )).
Результатом всех этих мероприятий вижу продление жизни акб и понятное состояние каждого акб.
В общей сложности бесперебойников не много, и я пока не распространяюсь в офисе о своей затее.
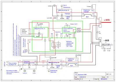
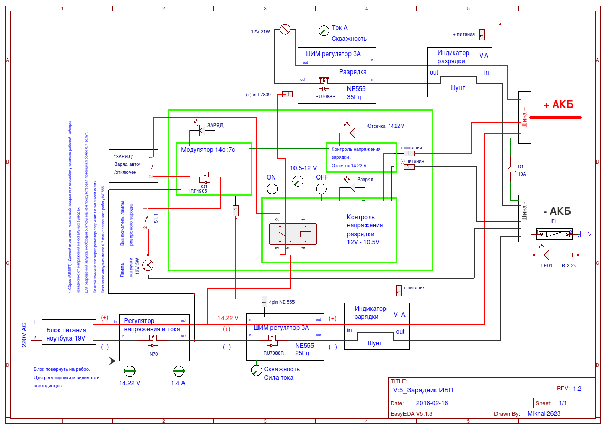
Под спойлером фотки моего "творения", и общую схему "зарядно - разрядного" немного исправил, нашёл несколько ошибок.
Спойлер





Шим 3А
https://ru.aliexpress.com/item/3A/32841696990.html?spm=a2g0s.9042311.0.0.njhM1R,  на разрядку поставил ШИМ на 25А, просто другого не было в наличии.
DC - DC CC CV  модуль на xl4015
https://ru.aliexpress.com/item/5A-DC-to-DC-CC-CV-Lithium-Battery-Step-down-Charging-Board-Led-Power-Converter-Lithium/32811197781.html?spm=a2g0s.9042311.0.0.njhM1R
Интересуюсь всем по не многу.
Сейчас осваиваю электричество.