Li-Force Переделка компьютерного БП в зарядное. - Страница 7
 

Переделка компьютерного БП в зарядное.

Автор Олег., 23 Нояб. 2015 в 19:30

« назад - далее »

0 Пользователи и 1 гость просматривают эту тему.

WERAS

#108
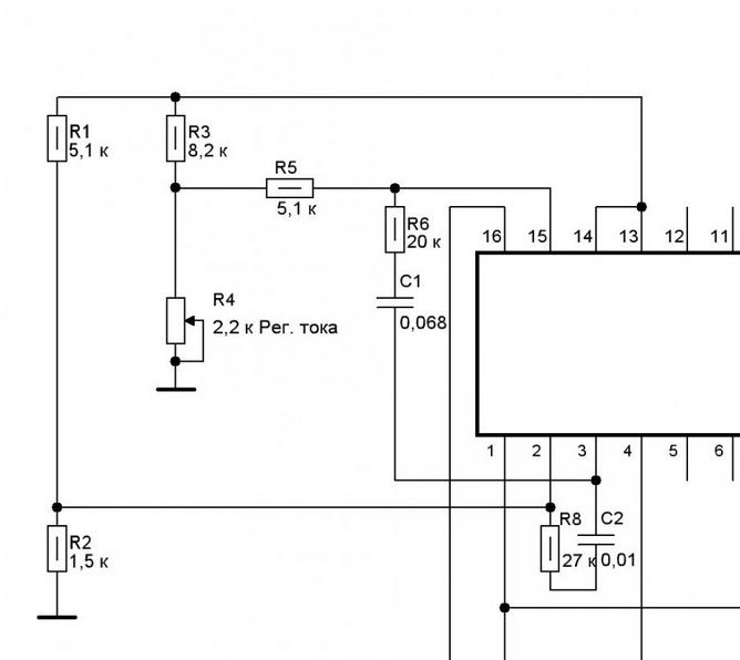
По схеме у товарища из Кемерово емкость 680mf/13009. У меня  комп блок питания.480 вт(680mf/силовой D4045)

Человек из Кемерово

      WERAS, ИС-Х спасибо за советы.
      Звиняюсь, ввел в заблуждение схемой. Схему передрал из обзора, а напряжение не поменял.
      Повторюсь, печатная плата один в один, схема совпадает процентов на 95.
      Мой БП 12 вольт 30 ампер.

      ИС-Х, понял, буду подбирать R40.

      WERAS, если можно "на пальцах" начинающему... Насколько понял, в мою схему нужно внести эти изменения???






WERAS

Да !По напряжению с подстроечником,а ток переменный резистор на лицевой панель.Если будете заряжать однотипные АКБ то подстроечник.Вам уже ответили то ,что от 36 в снижаете до 19 в будет потери мощности.Сначала попробуйте так собрать и снизить напругу.Если будут большие потери то отматывать витки.Это очень просто!Нет ни каких трудностей.Самое главное не ломая сердечник отклеивать друг от друга.Я транс кипячу с водой в чайнике(тефайл) и спокойно отделяются друг от друга.Удачи!

WERAS

Всем доброго вечера.Прошу не ругать не по теме! Сообщение потом удалю.Люди добрые помогите опознать,что за микруха.Во общем ИБП от 50 ватного светодиодного светильника. Силовой ключ стоит полевик STF7N60M (N-канал/600v/5A/.Светодиод в место того гореть моргает.Поменял выходной кондер то же самое.На высокой стороне то же поменял все так же моргает.Во общем ИБП не тянет.На ИБП подключил простую лампу 24в 21вт горит отлично.Повесил лампу 36в 100вт лампа моргает.В этой плате есть несколько сопротивлений несколько диодов и одна не понятная штука в CMD  корпусе как SO23 но пять ног.Ребята на нем кодовое обозначение 3106.Он управляет полевиком.Как можно узнать,что это такое и можно ли узнать по кодовому обозначению? Холостой ход ИБП 36в с всетиком падает до 30в.Сам светик подключил от другого ИБП 28 в светик горит.Или все же менять полевик?

Человек из Кемерово


ИС-Х

[user]WERAS[/user], если схемка простая, то легче ее срисовать и тогда проще определить назначение мс и ее тип.
Моя первая моргалка: https://electrotransport.ru/index.php?msg=588520
Вторая моргалка: https://electrotransport.ru/index.php?topic=31184.0
Третья моргалка: https://electrotransport.ru/index.php?msg=1130718
Еще в багажнике валяется BL1204 на всякий пожарный...

Человек из Кемерово

Еще вопрос. Можно ли в схеме пост 103 вообще убрать стабилизацию напряжения??

UstAlexei

[user]Человек из Кемерово[/user], проще не бывает. Нужно отключить провод идущий от плюса акб. Например, можно выпаять r39.

Олег.

Вместо 13009, какие еще можно поставить, близкие по параметрам и цене?

baton45

Вот параметры применяемых В ИБП АТ-АТХ.
http://www.rom.by/node/15254 Может чего и подберете. Там ещё форум, советы спецов. Я по этому форуму научился ремонтировать сгоревшие блоки.

Человек из Кемерово

[user]UstAlexei[/user], Что еще надо заменить, чтоб БП в таком режиме нормально работал??

baton45

[user]Человек из Кемерово[/user],  я не пойму зачем вам блок курочить. Скоро вы его и так сожжёте, и делу конец.
   Он нормально работает до  вашего вмешательства. Пока.
   Изюминкой импульсников является их хорошая стабильность на выходе при плавающем напряжении в сети. В этой схеме вроде ещё и защита по току стоит. Я не говорю о рабочих токах и малом весе устройства.
    Хотите методом тыка? Давайте. Подстроечный резистор вам вытягивает до 14,8В. Что вам мешает запомнить в каком состоянии подстроечника  как выставляется напряжение. Переменник на перспективу оставьте в покое, нужно менять резистор последовательный с ним.
     В микрухе 7500 на 1,2,15,16 ножкаХ компараторы стоят, срабатывают на переход 2,5В (вроде того), а вы хотите лишиться стабилизации по напряжению. Да сама схема по принципу ещё не взорвалась т.к. четко стабилизируется обратной связью с выходным напряжением. Это как у самолета в полете сломать автопилот и вырвать штурвал, летите ...
    Определитесь с подстроечником (в каком КРАЙНЕМ положениии, какое напряжение на выходе БП и на самом переменнике) и  соседним резистором (какое его сопротивление). Подозреваю, что нужно допаять до баластного резистора что либо параллельное, дабы занизить делитель напряжения на микросхему.
    И вообще. Сложно делать операцию аппендицита по телефону. :-) Схему то не вижу толком.
З.Ы. Регулировка тока  зачем, для защиты от случайных КЗ? Должно хватить и родной.

Человек из Кемерово

#120
            [user]baton45[/user], спасибо за содержательный ответ :-)
            Учитывая, что в детстве радиокружок я обходил стороной, сейчас эта наука дается с трудом... А задавать вопросы "великим гуру" на спецфорумах типа радиокота все равно, что зубы драть без наркоза (ИМХО конечно).
           
            Вот определился, основной вопрос - на моем БП отключить стабилизацию напряжения и сделать регулировку тока насколько сложно??? Ибо по мотивам этого форума, как я понял, это самый феншуйный БП для зарядки АКБ...
            С напряжением уже экспериментировал, до 20 вольт выкручивается... На 16 в, по китайскому мультиметру, работал под нагрузкой 10 А 20 минут нагрев минимальный. Но это уже не интересно.... %-)
Цитата: baton45 от 18 Фев. 2016 в 23:51
З.Ы. Регулировка тока  зачем, для защиты от случайных КЗ? Должно хватить и родной.
производитель обещает 30 ампер, АКБ 75...
схему лучшего качества чот не получается вставить....

baton45

Пуффффф-ф-ф-фф. %-)
Так, с напряжением поиграть смогли. Зачем убирать стабилизацию? Может в смысле хотите сделать регулировку напряжения с выносом регулятора на переднюю панель?
Ток регулировать зачем? У вас есть лимит защиты по току 30А --- работайте, будет КЗ, схема ограничит на 30А. Хотите импульсы в 1000А? Так они будут и так формироваться в схеме моргалки на коротких наноимпульсах. Большего и не надо.
Цитата: Человек из Кемерово от 19 Фев. 2016 в 02:43
производитель обещает 30 ампер, АКБ 75...
Здесь какая связь? В АКБ емкость 75Ач (амперчасов), БП выжимает до 30А (ампер), хотя хватит и 10-15А.
   Вы током 1С хотите шмалять? Заряжать АКБ за 1-2 часа? Не получится, бабахнет что то (выбирайте: ЗУ, АКБ, проводка поплавиться).
   Обьясните, плиз, для чего не стабилизировать напряжение и что будете делать с ограничением токов? Если выставите к примеру 6А, то нагрузка более мощная (способная потянуть и 10А) больший ток не потащит, только и всего. Вместо этого начнет проседать напряжение на выходе. Только этим могу обьяснить желаемое токоограничение. Но это всё  для активной нагрузки.
   С АКБ вообще не прогнозирую процессы заряда или антизарада.  :eureka: Так что для моргалки ставите напряжение питания, по току тапок в пол. Режимами управляет моргалка или зарядное устройство.
   Можно и регулятор тока аналогично вольтажу вывести. Будет лабораторный ИБП. Туда бы ещё цифровой показометр на ток и напряжение, цены бы ему не было.
Вот пример смотреть первые 4 минуты:
https://www.youtube.com/watch?v=6CfGXGi-e_E

vitov

Цитата: Человек из Кемерово от 19 Фев. 2016 в 02:43
           
            Вот определился, основной вопрос - на моем БП отключить стабилизацию напряжения и сделать регулировку тока насколько сложно??? Ибо по мотивам этого форума, как я понял, это самый феншуйный БП для зарядки АКБ...
            С напряжением уже экспериментировал, до 20 вольт выкручивается... На 16 в, по китайскому мультиметру, работал под нагрузкой 10 А 20 минут нагрев минимальный. Но это уже не интересно...
Напряжение выставил на максимум - считай, что стабилизация отключена.
R21-68k - добавляешь последовательно сопротивление (подстроечник, дискретные резисторы с галетником :-) или т.п. из того что есть), получаешь регулировку=(ограничение, стабилизацию) тока в сторону уменьшения от максимального.

Человек из Кемерово

           [user]baton45[/user], Вы меня поняли с точностью до наоборот,или совсем :-)
Цитировать
[напряжение на зарядном учитывать вообще не стоит, вы можете заряжать свой акк даже из розетки. Учитывать стоит только ток. Что касается напряжения, то его нужно не превышать на клеммах аккумулятора. Например холостой ход вашего зарядного может быть 220 вольт, для правильного заряда вы регулируете ток в цепи и следите, что бы в конце заряда напряжение на клеммах вашего аккумулятора не превысило паспортное. Причем не важно, одна это ячейка или батарея из 20 ячеек, правила одинаковы.
Китайцы делают неправильные ЛЕД драйверы, при повышении нагрузки, БП до последнего стабилизирует напряжение, а потом сгорает :-D (касаемо моего БП и ему подобных, если интересно могу дать ссылку) Хотя как он будет работать в режиме моргалки не знаю...
Я за то, чтоб убрать стабилизацию вообще

              Касаемо тока
Цитировать
Сила тока должна быть обязательно постоянной и она может быть много больше 1С, прерывистый заряд позволяет это делать. Однако на форуме не предлагаю никому ставить большие токи, во избежание. Если кто то хочет экспериментировать, пусть делает это на свой страх и риск.
На примере 75а/ч АКБ, магическая цифра 0,1С, 7,5 ампер.... Можно конечно попробовать и 30А, но хотелось бы иметь возможность заряжать в разных режимах...

Добавлено 19 Фев. 2016 в 23:51

[user]vitov[/user], спасибо, будем попробовать

Человек из Кемерово

Цитировать
Напряжение выставил на максимум - считай, что стабилизация отключена.
В этом чот я не уверен :bn:

TOM

Цитата: Человек из Кемерово от 19 Фев. 2016 в 23:46
...Китайцы делают неправильные ЛЕД драйверы, при повышении нагрузки, БП до последнего стабилизирует напряжение, а потом сгорает :-D ...
...Я за то, чтоб убрать стабилизацию вообще...
В импульсных БП стабилизацию убирать нельзя. Если убрать стабилизацию напряжения, на выходе может появиться напряжение, в несколько раз превышающее допустимое. Выйдут из строя конденсаторы или выпрямительные диоды на выходе БП. Если не будет ограничения по току, возможен выход из строя из-за перегрузки, примерно как в упомянутых ЛЕД драйверах.