Полезная информация


avatar_borliandii

Детский Wrangler

Автор borliandii, 03 Апр. 2016 в 17:04

« назад - далее »

0 Пользователи и 1 гость просматривают эту тему.

serleopold

Цитата: NickelMan от 13 Окт. 2016 в 17:22

Можете подкинуть каких ссылок про последовательное / параллельное подключение щеточных электромоторов? А то я погуглил, не нашел. Тема-то интересная - неужели можно вот так просто соединить два мотора в ряд и не париться с выравниванием скоростей?
В нормальном режиме электродвигатели соединены последовательно. Таким образом получаем электродифференциал.
В последовательной цепи сила тока во всех потребителях одинакова, а падение напряжения зависит от сопротивления каждого отдельного потребителя.

При равной нагрузке каждый мотор имеет примерно одинаковое сопротивление, которое складывается из активного и реактивного.
Активное сопротивление - это сопротивление обмоток без учета индукции в электродвигателе.
Реактивное - электрическое сопротивление, обусловленное передачей энергии переменным током электрическому или магнитному полю (и обратно).
Активное сопротивление исправного электродвигателя постоянное. А реактивное сопротивление меняется в зависимости от нагрузки.
Так при увеличении нагрузки на вал двигателя реактивное сопротивление уменьшается, общее сопротивление уменьшается и при неизменном напряжении растет потребляемый ток.

Как сказано выше - в последовательной цепи ток потребителей одинаковый.
Общее напряжение неизменно, но напряжение на каждом моторе разное, которое в сумме равно общему напряжению.

Т.е. при замедлении одного колеса - его полное сопротивление падает, падение напряжения уменьшается, в то же время второму мотору достается бОльшее напряжение и он начинает вращаться быстрее.


Цитата: NickelMan от 13 Окт. 2016 в 17:22
И еще такое интересует - если есть два мотора на каждое из задних колес, и пусть даже они сами по себе (за счёт подключения) крутятся синхронно, не будет ли пробуксовки и потери мощности в поворотах? Ведь колеса едут по дугам разной длины, а значит и обороты должны быть разными?
Потери мощности не будет. Будет перераспределение мощности. Грубо говоря крутящий момент с отстающего колеса перескакивает на обгоняющее.

Следует учесть лишь одно - если один двигатель полностью заблокирован, то на другой двигатель поступает почти удвоенное напряжение. А в заблокированном двигателе обмотка не совершает работы и греется как нагревательный элемент.

Так что без фанатизма схема "последовательного дифференциала" работает как часы

serleopold

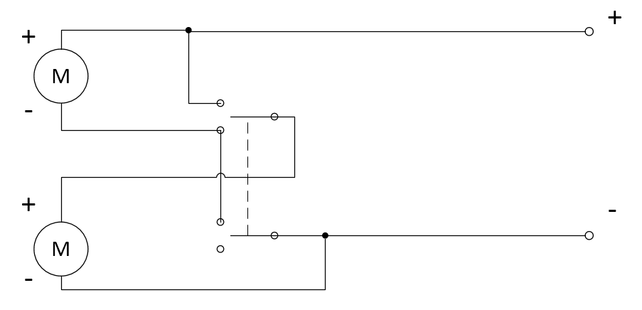
Вот схема, посредством которой можно имитировать блокировку дифференциала

Т.е. переключать сему включения моторов из последовательной в параллельную

При том следует помнить, что блокировка - это временная мера! И при этом на моторы приходиться удвоенное напряжение, которое при длительном воздействии может вывести их из строя.
Как выход - не давать полный газ длительное время или чуть усложнить схему и ввести в цепи контроллера цепь для ограничения максимального напряжения как в проекте виллис 1 у [user]pchelomor[/user],

borliandii

Простите, я наверное что-то пропустил. А что в схеме 1го виллиса? Добавочное сопротивление? У меня 2 схемы есть и там тупо переключатель стоит на переключение с параллельного на последовательное соединение :-(

serleopold

Цитата: borliandii от 14 Окт. 2016 в 21:06
Простите, я наверное что-то пропустил. А что в схеме 1го виллиса? Добавочное сопротивление? У меня 2 схемы есть и там тупо переключатель стоит на переключение с параллельного на последовательное соединение :-(
Да. Именно добавочное. Стоит оно в цепи педали газа. В режиме дифференцала оно замкнуто контактоми переключателя блокировки. А в режиме блокировки дифференциала, т.е. при параллеельном соединении двигателей, оно включено последовательно в цепь педали газа, тем самым ограничивая напряжение на выходе контроллера

achuser

А что будет при 4вд схеме  в таком случае?

Как быть с межосевым?

4 мотора соединять последовательно?

serleopold

Тоже об этом размышлял. В идеале да. Но при этом источник питания нужен высоковольтный. Свинец отпадет сразу из-за тяжести, а литиевые аккумуляторы не всем по карману.
Также можно рассмотреть не полноценный полный привод, в частности механически подключаемый передок - по принципу автомобильных хабов
или велосипедную трещотку - хотя вариант спорный - вперед 4вд, назад 2 вд.
Зато при этих комбинациях можно отключать передние два мотора.

А по существу - если нужен 4вд, то это для серьезного бездорожья, поэтому дифференциалами можно пренебречь и назад поставить 1 мотор на 36в 500вт к примеру, а на перед 2 мотора по 36 в 250вт. И вес авто будет в районе 100 кг, в лучшем случае 80, если быть крайне оптимистичным. Или переходить на 1 мотор и гидропривод + каждому колесу гидромотор как тут https://www.youtube.com/watch?v=P5NqT8LHk3g&list=LL-XwlVeHis01FQuwgLNhbfw&index=3

Я считаю, что блокировки и 2вд вполне достаточно. В качестве развлечения лучше использовать лебедку. Будет баще!

Александр CRV

большинству хватает одного ведущего колеса. Рассуждать о полном приводе можно а вот делать мало кто станет. А мне вот по своему опыту кажется, что все это переключение последовательного в параллельное это ненужное баловство. Подключил параллельно и забыл. Плюсы это проходимость а минусов на глаз не увидишь. Езда в развороте не заметно проблем. Если там и есть какое то напряжение излишнее да и пусть. Это мое мнение, спорить не обязательно, делайте как знаете.

Piramidon

Цитата: Александр CRV от 16 Окт. 2016 в 07:03
большинству хватает одного ведущего колеса. Рассуждать о полном приводе можно а вот делать мало кто станет. А мне вот по своему опыту кажется, что все это переключение последовательного в параллельное это ненужное баловство. Подключил параллельно и забыл. Плюсы это проходимость а минусов на глаз не увидишь. Езда в развороте не заметно проблем. Если там и есть какое то напряжение излишнее да и пусть. Это мое мнение, спорить не обязательно, делайте как знаете.
Рассуждают те, кто не делал ни тот ни другой привод, тот кто сделал, знает, что это баловство от лукавого /:-)

serleopold

При езде по грунтам не так и сильно заметно параллельное соединение в плане руления, по асфальту не пробовали.
Ведь параллельное соединение -это не жесткая ось. Каждому колесу возможно вращаться с разной скоростью, но при этом более медленное колесо потребляет бОльший ток.
Такую схему использовать можно вполне безболезненно, если не допускать полной блокировки одного из колес. На счет КПД не уверен, точных замеров не проводил. Но есть одно наблюдение - когда моторы в параллели, то при вращении одного колеса - другое вращается в противоположную сторону. При этом один мотор - генератор, другой - потребитель.

Stalker

Цитата: Piramidon от 16 Окт. 2016 в 08:13
Цитата: Александр CRV от 16 Окт. 2016 в 07:03
большинству хватает одного ведущего колеса. Рассуждать о полном приводе можно а вот делать мало кто станет. А мне вот по своему опыту кажется, что все это переключение последовательного в параллельное это ненужное баловство. Подключил параллельно и забыл. Плюсы это проходимость а минусов на глаз не увидишь. Езда в развороте не заметно проблем. Если там и есть какое то напряжение излишнее да и пусть. Это мое мнение, спорить не обязательно, делайте как знаете.
Рассуждают те, кто не делал ни тот ни другой привод, тот кто сделал, знает, что это баловство от лукавого /:-)
Хоть один завершенный проект 4х4 на форуме есть ?
А то желающих много было , а вот результата не помню .

Александр CRV

[user]Stalker[/user], есть тут такое. но сделано на китайских моторредукторах пластмассовых. просто поставил 4 шт.

achuser

На видео так понимаю, бензиновый мотор и 4 гидромоторчика. Схема для вездеходов очень дельная, но тут видно по песку когда идет, что при всей серьезности конструкции слабовато идет, т.к. колеса вывешиваются и буксует как на свободном дифе, хз как там распределители работают и есть ли вариации по изменению момента на тот или иной ГП.

Для электро схемы - это нецелесообразно. 1. низкий кпд, 2. большой вес, 3. выше цена (т.к. нам примедтся все равно ставить мотор, например на 1 квт, проще поставить те же 4 на 0.25 квт, ценник по итогу раза в 2 ниже будет, и инерция нулевая практически)

Как на видео - полноценный автомобиль по сути, но если машинка поменьше, настолько критично ли этот "заблокированный" диф? И несмотря на механическую развязку - прямо получается электрический "лом"?
Какие мысли по универсальной схеме дифа с "автоблокировкой" или "повышенного трения" так скажем? Чтобы к примеру, контроллер убавлял ток до 50%, но не было ситуации, когда один крутит, второй стоит?


Что по 4 вд, наверное, пренебречь межосевым будет не критично. Попросту схему 2+2, при этом можно легким движением руки делать привод отключаемым, только перед, только зад, перед+зад. При весе и скоростях авто, это не критично совсем будет, тем более, что механики нет, ломаться нечему.

Александр CRV

Цитата: achuser от 16 Окт. 2016 в 17:29
Что по 4 вд, наверное, пренебречь межосевым будет не критично. Попросту схему 2+2, при этом можно легким движением руки делать привод отключаемым, только перед, только зад, перед+зад. При весе и скоростях авто, это не критично совсем будет, тем более, что механики нет, ломаться нечему.

очень очень очень плохое решение иметь 4 мотора а использовать два. Скорее всего это будут моторредукторы с сопротивлением и два мотора будут толкать ТС преодолевая сопротивление отключенных двух. Как я уже писал рассуждать о полном приводе на детском ТС мало практически полезно.

achuser

при жестком подключении редукторного к колесу, конечно, отключать смысла нет. но в плане электроподключения - эта схема универсальна, позволит и "дрифтануть" на заднем, и поездить на переднем, так и на полном, что даст больше радости ребенку от эксплуатации.

можно на колеса хабы сообразить, паразитной нагрузки тогда от редукторов-моторов не будет.

у меня ребенку 1.3 года еще :) Пока он даже на толкаре не особо катается, на днях к машинке приладил моторчик от дворников с 5 двери иномарки, там есть свои тонкости, т.к. вал не прямой, а маятниковый на привод поводка дворника.

В планах, через годик сделать небольшую машинку, возможно на тех же моторах, только с лобового стекла, и с 4 моторами в случае внедорожника, оно будет заметно веселее, схема как раз 2+2, диф, думаю, свободный будет на "мостах".  Как минимум, 2 колеса будут крутиться всегда все равно.

serleopold

#122
Думаю будет интересно взглянуть на уже готовую вашу,[user]achuser[/user],  идею https://electrotransport.ru/index.php?topic=9043.0;all

achuser

Интересно, но автор пропал надолго, может ответит, так думаю, у него все 4 мотора параллельно воткнуты, т.о. ни одного "дифа" в машинке нет, что еще раз доказывает, что на таких скоростях и при столь простых конструкциях оно не шибко и нужно. Вот км-ов 12-15 в час, думаю в повороте это будет ощущаться уже...

borliandii

Я тут! Идея с 4вд классная, но я ее отбросил.
Вообще задумка изначальна была сделать копию Виллиса, но...
В виду тех дорог, где этот транспорт будет кататься, было решено сделать "аля Виллис" только с работающей подвеской.
К чему я это все... а вот к чему, на маленькой машинке (как в теме ввше) отсутствие "дифа" нисказывается никак. Т.к. скорость маленькая, радиусы поворотов маленькие (ввиду узкой колии) наружное колесо загребать ощутимо не должно.
Все это не оч приминимо к моему проекту.
Кстати изначально вообще хотел сделать сзади неразрезной вал. Отговорили :exactly: