Li-Force Как проверить работоспособность ЗУС? - Страница 23
 

Как проверить работоспособность ЗУС?

Автор Dutch1981, 07 Фев. 2017 в 14:40

« назад - далее »

0 Пользователи и 1 гость просматривают эту тему.

Alex_Soroka

#396
Цитата: asd-f от 22 Июнь 2017 в 20:09
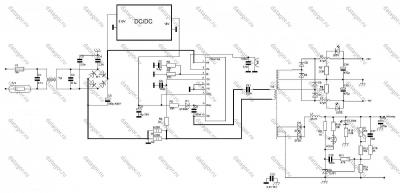
Картинки -  все подписано. Отличаются от предыдущих. Возможно из-за того, что 680 нФ х 250В (две штуки) заменены на 470 нФ х 630 В, К73-17 2 шт.
обращаю внимание на важность "качества" конденсаторов. Я не знаю что такое К73-17 и почему вы именно этот тип ставите, у меня в опытах были отрицательные результаты (пробой) с конденсаторами вот такого вида(фото):
http://audioportal.hi-fi.ru/attachment.php?attachmentid=28319
поэтому стоят такие как сейчас у меня на ЗУ - во всех опытах показали свою надежность.
насчет общей емкости.
расчеты (прога имени производителя FSFA) дают рекомендованный цифру =1350наноФ., и говорят что можно ставить 1500наноФ. Зачем вы уменьшили емкость? Вы уверены что ваши конденсаторы имеют ту емкость которая на них написана?

ЦитироватьПервая картинка желтым это управление затвором MOSFETа в оригинальной схеме автора, т.е. питание IR1167A от плюс АКБ.
"от плюса АКБ"  :hello: т.е. по сути это "вывернутое" измерение. Напоминаю что управление силовой вторичкой происходит ключеванием вторичной обмотки транса "на землю" IRFB4110, и IR1167A работает "от земли до питания".
При силовых импульсах напряжения "от плюса" будут отличаться измеренным "от земли".

ЦитироватьОбратите внимание на рост управляющего напряжения на затворе до 20 В.
это относительно "земли" вторички?
ЦитироватьНиже питание IR1167A заведено от плюс вентилятора
это неправильное решение... появилась гальваническая "петля" по элементам платы, при импульсах это может привести к непредсказуемой работе ЗУ...
ЦитироватьIR1167A выдает слабый плюс в Сток (D), очевидно для определения момента открытия встроенного диода
это образовалась паразитное гальваническое перетекание токов :( не надо придумывать "супермозг" для 1167.

ЦитироватьНа этой картинке выброс зеленого (дотягивается до 120 В
относительно "земли"?  Если в ымеряете относительно (+) АКБ, то неудивительно - там конец свободно висящей обмотки , при выключении 4110.

ЦитироватьПеремычку убрали, чтобы не сжечь 4110.
Перемычка "на землю" нужна.

какое Rвн АКБ показывало ЗУ? что было вообще подключено в качестве нагрузки к ЗУ?
какими проводами ?

Alex_Soroka

Цитата: YagMort от 22 Июнь 2017 в 22:47
Александр, вот Вам простой вопрос. Я покупал зус5, где написано, рабочее 170-240 вольт. Так вот, при 220 вольт в сети оно не работает от слова НИХРЕНА.
"уважаемые ученые, у меня в подвале какой-то подземный стук"...
Я проверяю КАЖДОЕ ЗУ на своей сети в которой 228в. По схеме и расчетам, Версия5 работает и при 230-240в в сети.
Для того чтобы вам помочь вы пишите недостаточно данных - одно могу сказать, что это ненормально, Версия5 должна работать от 220в.
Могу показаться нудным но: Проверьте сеть 220в, "искрение" проводов, как идут провода, их сечение. При работе ЗУ нет ли резкой просадки в 220в ? пришлите в Емыл мне пожалуйста фото "как все подключено" с ЗУ на вашем столе(месте) и, если можно, фото сверху платы ЗУ, если вы его раскрывали.
Эти данные позволят больше понять про ваш случай.  :hello:


Добавлено 23 Июнь 2017 в 09:32

Цитата: YagMort от 22 Июнь 2017 в 23:20
Ранее ставили тор254 и по отзывам работало нормально. Так зачем туда было нужно поставить тор258? От которого все беды?
Не надо сказок!  тор258 просто чуть мощнее. От него не может быть бед!

Alex_Soroka

Цитата: YagMort от 22 Июнь 2017 в 23:29
уважаемый "создатель" уже передумал рекомендовать использовать режим АВТО для аккумов больше 20ач. Поэтому " заряжает за 3 часа" забудьте.
Опять сказки.  режим АУТО я не рекомендую потому что на убитых и "относительно нормальных" АКБ ЗУ пытается вытягивать ток повыше, а если не может, то сваливает ток в минимум (1-2А) с периодической проверкой.
Заряд за "три часа" в опытах о которых я говорил и показывал фото происходил в режиме STD
так что не надо сказок про мои ЗУ пожалуйста.
Если вы лично чем-то недовольны то не надо вешать ярлыки на все что движется не так как вам хочется.

YagMort

[user]SanSanich[/user], с ЛАТРа подаю 170-180 вольт.

AlexAi

Цитата: YagMort от 23 Июнь 2017 в 10:28
[user]SanSanich[/user], с ЛАТРа подаю 170-180 вольт.
Кстати, есть у меня одна в5, которая нормально работает только при пониженном напряжении. При номинальном жуткая магнитострикция, режим 50Ач и выше постоянно в защиту слетает, из модуляций работает только 1. модуляция 2 и 3 сразу в защиту.  При напряжении 160-180В работает нормально.

Пересмотрел всё, кроме силового транса... Возможно, скоро и его махну с заведомо рабочей в5.
Nikola100+, KS18XL, inmo v8.

SanSanich

Цитировать
Старые картинки я снимал больше мес. назад еще с конд. 684 х 250. Совершенно точно помню, что FSFA начинает цикл с включения нижнего ключа (тем самым заряжает конденсатор драйвера верхнего ключа), при этом на выходе FSFA был не ноль как сейчас на синем и в этот момент включения летел импульс тока в первичку.
Сейчас на пин 10 (выход) почти ноль, т.е. мои К73-17 заряжены.
И самое интересное, что когда выход FSFA летит к +310 В, то начинает открываться MOSFET. Вроде все как у флайбэка.
Эх, жаль поленился взять 4-й канал на ток первички((.....
Мое мнение такое: не хватает двух полупериодного выпрямления.
Наши выводы совпали, особенно по флайбеку!
Я чуть выше картинку выложил, там как раз реализован двух полупериодный выпрямитель. Но нам это не подходит.
А что Вы скажите по такому включению транса, коллега!

ЗУК "ЖУЖА" Самодельный измеритель Rвн https://electrotransport.ru/index.php?msg=1280851

SanSanich

Цитата: AlexAi от 23 Июнь 2017 в 10:32
Пересмотрел всё, кроме силового транса... Возможно, скоро и его махну с заведомо рабочей в5.
Что значит махну? Поменяете?
ЗУК "ЖУЖА" Самодельный измеритель Rвн https://electrotransport.ru/index.php?msg=1280851

asd-f

СанСаныч, насколько я понял этуму волшебному флайбэку надо куда-то девать вторую полуволну.

YagMort

Цитата: Alex_Soroka от 23 Июнь 2017 в 09:29
Цитата: YagMort от 22 Июнь 2017 в 22:47
Александр, вот Вам простой вопрос. Я покупал зус5, где написано, рабочее 170-240 вольт. Так вот, при 220 вольт в сети оно не работает от слова НИХРЕНА.
"уважаемые ученые, у меня в подвале какой-то подземный стук"...
Я проверяю КАЖДОЕ ЗУ на своей сети в которой 228в. По схеме и расчетам, Версия5 работает и при 230-240в в сети.
Для того чтобы вам помочь вы пишите недостаточно данных - одно могу сказать, что это ненормально, Версия5 должна работать от 220в.
Могу показаться нудным но: Проверьте сеть 220в, "искрение" проводов, как идут провода, их сечение. При работе ЗУ нет ли резкой просадки в 220в ? пришлите в Емыл мне пожалуйста фото "как все подключено" с ЗУ на вашем столе(месте) и, если можно, фото сверху платы ЗУ, если вы его раскрывали.
Эти данные позволят больше понять про ваш случай.  :hello:


Добавлено 23 Июнь 2017 в 09:32

Цитата: YagMort от 22 Июнь 2017 в 23:20
Ранее ставили тор254 и по отзывам работало нормально. Так зачем туда было нужно поставить тор258? От которого все беды?
Не надо сказок!  тор258 просто чуть мощнее. От него не может быть бед!

Я в теме про зус5 выкладывал видео, как оно "заряжает" при нормальном напряжении в сети. Ещё раз повторю, вся электропроводка разведена медью не ниже 1.5 квадрата и алюминием не ниже 2.5 квадрата. У зуса провод питания 0.35 квадрата.

Про проверяю, если 4-ка пришла с обжатыми проводами, то 5-ки пришли с девственно чистыми проводами(изоляция по всей длине) отсюда вопрос, как вы их тестировали? Припаивали другие провода, а потом меняли? Поэтому незнаю как другие, а мои точно не проверялись.

P.S. Да и про учёных Вы погорячились)) Не дотягиваете Вы до них от слова "совсем".

SanSanich

Цитата: asd-f от 23 Июнь 2017 в 10:40
СанСаныч, насколько я понял этуму волшебному флайбэку надо куда-то девать вторую полуволну.
Ну типа того. Только как флайбек он будет работать в том случае, когда работает верхний ключ. В данном включении
ЗУК "ЖУЖА" Самодельный измеритель Rвн https://electrotransport.ru/index.php?msg=1280851

AlexAi

Цитата: SanSanich от 23 Июнь 2017 в 10:40
Цитата: AlexAi от 23 Июнь 2017 в 10:32
Пересмотрел всё, кроме силового транса... Возможно, скоро и его махну с заведомо рабочей в5.
Что значит махну? Поменяете?
да.

Добавлено 23 Июнь 2017 в 10:46

Цитата: asd-f от 23 Июнь 2017 в 10:40
СанСаныч, насколько я понял этуму волшебному флайбэку надо куда-то девать вторую полуволну.
ну наконец-то.  :-)
Nikola100+, KS18XL, inmo v8.

SanSanich

[user]YagMort[/user],  Давайте по конструктиву, иначе уйдём опять в телешоу

Добавлено 23 Июнь 2017 в 10:48

Цитата: AlexAi от 23 Июнь 2017 в 10:45
ну наконец-то.  :-)
Ваши предложения?
ЗУК "ЖУЖА" Самодельный измеритель Rвн https://electrotransport.ru/index.php?msg=1280851

SanSanich

Цитата: AlexAi от 23 Июнь 2017 в 10:45
Цитата: SanSanich от 23 Июнь 2017 в 10:40
Что значит махну? Поменяете?
да.
Ну мне проблематично было бы это сделать в Севастополе, да я и не надеялся что это было возможно впринципе.

Добавлено 23 Июн 2017 в 10:54

Так что Вы скажите по такому включению транса??? В первичке, вторичную не берём пока.

ЗУК "ЖУЖА" Самодельный измеритель Rвн https://electrotransport.ru/index.php?msg=1280851

AlexAi

[user]SanSanich[/user], демпфировать предложил [user]asd-f[/user], это в уже выпущенных устройствах. А в новых переделывать схему. как и предлагал [user]asd-f[/user], двухполупериодный выпрямитель.
Nikola100+, KS18XL, inmo v8.

SanSanich

[user]asd-f[/user],  А Вы можете снять сигнал с кондёров, насколько они разряжаются-заряжаются относительно земли (пин 5,6 FSFA)?
ЗУК "ЖУЖА" Самодельный измеритель Rвн https://electrotransport.ru/index.php?msg=1280851

YagMort

[user]SanSanich[/user], по конструктиву, на одной 5-ке заменена оптопара на 817а, увеличено сопротивление с 240 до 315 кОм, добавлены 2 электролита. В данный момент, можно сказать, оно работает идеально, но только при входном напряжении 170-180 вольт. Вопрос, как это победить? Есть ещё вторая пятерка, с ней пока ничего не делалось. Скоро заберу её для опытов.

SanSanich

Цитата: AlexAi от 23 Июнь 2017 в 11:02
[user]SanSanich[/user], демпфировать предложил [user]asd-f[/user], это в уже выпущенных устройствах. А в новых переделывать схему. как и предлагал [user]asd-f[/user], двухполупериодный выпрямитель.
Тогда придётся отказываться от синхронника
ЗУК "ЖУЖА" Самодельный измеритель Rвн https://electrotransport.ru/index.php?msg=1280851

SanSanich

#413
К сожалению, я дней на 10 потеряюсь, но постараюсь отслеживать тему и что нибудь поделать. Это с завтрашнего дня. Хочу попробовать вместо сетевого питания подать внешнее вольт 20 и снять сигналы всей силовой части (есть такая возможность, 24 луча до 3 МГц).

Добавлено 23 Июн 2017 в 11:20

Цитата: asd-f от 23 Июнь 2017 в 11:08
Было бы здорово, если мне кто-нибудь прислал зу5 в ремонт (на доработку, для опытов).
Поддерживаю. Я бы и свой отдал, но хочется самому тоже повозиться. Тем более они как то по разному себя ведут, нагрузка так сильно не должна оказывать влияние.
Надо проверять доработки на разных, добиться повторяемости ЗУ
ЗУК "ЖУЖА" Самодельный измеритель Rвн https://electrotransport.ru/index.php?msg=1280851