avatar_inetchik

Балансир для LTO.

Автор inetchik, 16 Март 2017 в 19:50

« назад - далее »

0 Пользователи и 1 гость просматривают эту тему.

BigAleksey

Цитата: Tymmmi от 14 Янв. 2018 в 11:33А таблицу вообще легко нарисовать имея вольтметр, до покупки прибора так и делал:) заряжал,  ставил нагрузку и периодически снимал значение напряжения
Не все так просто, нужна нагрузка СС или резистор с не плывущим от температуры сопротивлением и потом пересчитывать ток/ёмкость через него на всех точках при разных напряжениях. А учитывая желание сделать это на малых токах еще и время 10-30 часов...

VladNSK

Цитата: rusmax от 14 Янв. 2018 в 12:00Но график был бы показательнее
По Вашим данным построил графики начала, конца разряда и общий.




VladNSK

#326
Добрый день!
Изготовлена новая печатная плата.
При её изготовлении я постарался учесть все пожелания участников форума.
На этой плате можно собрать разные полезные функции, но, к сожалению, не все сразу.
Самый простой, базовый, вариант имеет практически прежний функционал.
Отличия небольшие:
1.   Поставлен один двухрядный разъём 4.2 мм. Так что все провода
теперь на одну сторону. В комплектацию входит ответный разъём.
Провода придётся паять или обжимать самостоятельно.

     Стоимость базового варианта получилась для 6S - 877р, для 5S – 738р.

Доступна опция – ответный разъём с проводами не тоньше 22AWG, 30см (+130 р)
(Эта опция будет доступна, пока на Али есть продавец с таким товаром.)

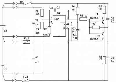
2.   Выходной каскад теперь выполнен по схеме с общим эмиттером, что привело к удвоению числа мощных резисторов.
Такая схема более безопасна в случае пробоя мощных транзисторов, т.к. при этом токи не будут превышать штатных значений.
     Кроме того, в такой схеме можно установить функцию  выключения балансировки (уменьшения тока до уровня менее 1 мА)
при напряжении на элементе менее 1.4В.   (Опция, бесплатно.)
     Принципиальная схема одного канала балансировки показана на рисунке.



3.   Другой вариант сборки платы имеет защиту ОУ от переполюсовки, превышения напряжения питания и обрыва проводов (опция +50р).
Здесь выходной каскад выполнен на полевых транзисторах по схеме с ОИ.
Предусмотрено место для установки разъёма подключения дополнительной платы усилителя тока балансировки.
(Значение максимального тока балансировки при установке усилителя возрастёт до 1 .. 2 А в зависимости от варианта применённых мощных резисторов).

На плате предусмотрены места под самостоятельную установку резисторов  и светодиодов для индикации работы каналов на максимальном токе.
Вещь, на мой взгляд, мало полезная, но посмотреть забавно. Кто не будет паять, может посмотреть работу индикатора здесь:
https://www.youtube.com/watch?v=JLcHXpunyGo
https://www.youtube.com/watch?v=-M8kY-pF0gI


4.   Предусмотрена возможность переключения 6S -> 5S перерезанием перемычки и подключением туда (через разъём)  тумблера заказчика.

На фотографии показана плата с полевыми транзисторами и защитой ОУ.




rusmax

[user]VladNSK[/user], эти варианты на TSX7191A? Удалось разобраться с гуляющим дисбалансом на новых микросхемах?
Можно будет свою поменять на новый вариант?
Приус 20 (Tosiba SCiB 60Ah 3p5s;Бинар-5Б-Компакт) + i-miev (титатантка)

VladNSK

#328
Нет. Эти варианты на микросхемах МСР606, МСР6421, МСР6071.
В переписке я предлагал варианты по решению проблемы с Вашим балансиром:
ремонт или замена на годный (новый вариант).

VladNSK

#329
Добрый день!
Принципиальная схема варианта на полевых транзисторах и дополнительной платы усилителя показана на рисунке.



Благодаря "нулевому" входному току выходного каскада балансира и малому
току потребления ОУ удалось реализовать его защиту достаточно просто: с помощью резистора и
стабилитрона в цепи питания.

Усилитель тока балансировки собран на двух полевых транзисторах и мощном резисторе.
Он подключается к балансиру с помощью "гребёнки" с шагом 2.54 мм.




Печатная плата усилителя позволяет выбрать разные по току и цене варианты мощных резисторов.
Самый предпочтительный вариант - это подключить с помощью разъёмов внешние резисторы в металлических
корпусах, установленных на общий радиатор.



В таком варианте можно получить ток балансировки порядка 2 .. 3А (зависит от напряжения на элементе АКБ)
Стоимость усилителя определяется набором применённых деталей. С металлическими резисторами, 10 Вт - 1011 р,
с цементными, 5 Вт (ток 1А)  - 760р, с ЧИП  2512  на биполярных транзисторах (ток 0.4А) - 456 р.
Тут надо отметить, что последние два варианта предусматривают
установку резисторов на плату усилителя, что приведёт к его разогреву.

SerKornet

#330
[user]VladNSK[/user], а можно фото платы балансира с обратной стороны ?
Ту, куда должны напаиваться диоды для индикации ...

VladNSK

Цитата: SerKornet от 23 Янв. 2018 в 09:49
[user]VladNSK[/user], а можно фото платы балансира с обратной стороны ?
Ту, куда должны напаиваться диоды для индикации ...
Есть с уже напаянными диодами.


GLR

Добрый день,
Извиняюсь за глупые вопросы, планирую использовать фугасы 55Ah титаната 10S3P или 12S3P в связке с инвертором МАП Энерегия 2кВт для получения 220В, ответьте пожалуйста:

1. Можно ли Ваши балансиры на 6 банок соединять последовательно?
2. Можно ли у балансира использовать не все вывода, а оставить 1-2 не подключенными (для 10 или 11 ячеек)
3. Не понял что такое ОУ и ОИ :ah:
4. Подойдет ли балансир с малым током балансировки для ячеек с большой емкостью?
5. Какое у балансира напряжение начала балансировки элементов и является ли оно предельным? То есть, если напряжение балансировки 2,4В означает ли это что зарядить элементы допустим до 2,7В не удастся?

Какую конфигурацию балансира можете мне посоветовать? Заряжать батарею планирую током около 50А
Благодарю!

VladNSK

Цитата: GLR от 23 Янв. 2018 в 15:401. Можно ли Ваши балансиры на 6 банок соединять последовательно?
2. Можно ли у балансира использовать не все вывода, а оставить 1-2 не подключенными (для 10 или 11 ячеек)
3. Не понял что такое ОУ и ОИ
4. Подойдет ли балансир с малым током балансировки для ячеек с большой емкостью?
5. Какое у балансира напряжение начала балансировки элементов и является ли оно предельным? То есть, если напряжение балансировки 2,4В означает ли это что зарядить элементы допустим до 2,7В не удастся?
Спасибо за вопросы. Попробую ответить по-порядку.
1. Теоретически можно. Например, так:
https://electrotransport.ru/images/4/1bcjkmv.jpeg
Практически никто не проверял.
2. Можно, только незадействованные каналы необходимо отключить, перерезав перемычку.
3. ОУ = операционный усилитель, ОИ = общий исток
4. Этот балансир прежде всего предназначен для выравнивания перекоса элементов по напряжению, возникшего из-за разных токов саморазряда. Если разность токов саморазряда "банок" не превышает 100 мА, то балансир рано или поздно
справится с любой ёмкостью.
5.  Максимальное напряжение, суммарное для двух соседних ячеек не должно превышать 5.6, либо 6.2 В в штатном рабочем режиме. Если напряжение будет больше,
то сработает защита ОУ и его питание станет несимметричным относительно общей точки двух соседних элементов, что не должно сильно сказаться на точности регулировки (будет зависеть от величины перекоса). Подозреваю, что Вы рассуждаете в логике ограничивающих балансиров, у которых есть напряжение ограничения. Если у них напряжение ограничения 2.4 В, то зарядить до 2.7 не получится.
Предлагаемый здесь балансир работает как весы, выравнивая напряжения соседей
(по меньшему значению). Поэтому зарядить с таким балансиром можно и до 2.7В.
Причём, балансировка будет продолжаться не только во время заряда, но и потом.

VladNSK

Цитата: GLR от 23 Янв. 2018 в 15:40Какую конфигурацию балансира можете мне посоветовать? Заряжать батарею планирую током около 50А
Зависит от свойств банок. Нужно измерить их токи саморазряда. До какого
напряжения планируете заряжать - разряжать? Какое время цикла заряд-разряд
предполагается?

GLR

Банки у меня пока в пути, будут где-то через 3-4 недели, так что измерить пока ничего не могу.
Разряжать планирую до 1,8 Вольт, заряжать до 2,6. Число ячеек буду подбирать под диапазон напряжений для генератора на АКБ 24В, так как МАП Энергия проектировался для кислотных АКБ, это где-то 19-30вольт, но точно смогу сказать только когда все будет у меня на руках.
Время на заряд не более 5 часов, время на разряд около 3 часов

VladNSK

Цитата: GLR от 23 Янв. 2018 в 16:42
Банки у меня пока в пути, будут где-то через 3-4 недели, так что измерить пока ничего не могу.
Разряжать планирую до 1,8 Вольт, заряжать до 2,6. Число ячеек буду подбирать под диапазон напряжений для генератора на АКБ 24В, так как МАП Энергия проектировался для кислотных АКБ, это где-то 19-30вольт, но точно смогу сказать только когда все будет у меня на руках.
Время на заряд не более 5 часов, время на разряд около 3 часов
Не очень нравится 2.6 В.
По "фугасам" есть материал https://electrotransport.ru/index.php?topic=44402.0
Почитайте.

GLR

Спасибо за ссылку.
Цитата: VladNSK от 23 Янв. 2018 в 17:22Не очень нравится 2.6 В.
Да мне в общем-то не принципиально, 2.5-2.45В подойдет.
Подскажите, а возможно мне для бОльшей мобильности своего АКБ разбить его на две последовательно сборки 6S, каждая со своим балансиром, и соединить сборки последовательно, а то 12S сложновато перемещать будет из-за его веса. Заряжать тоже в последовательном виде можно будет?

SerKornet

Цитата: GLR от 24 Янв. 2018 в 17:01для бОльшей мобильности своего АКБ разбить его на две последовательно сборки 6S, каждая со своим балансиром, и соединить сборки последовательно, а то 12S сложновато перемещать будет из-за его веса. Заряжать тоже в последовательном виде можно будет?
12S будут весить 15 кг, много ?
Разделить и заряжать, то можно, но у вас же система на 24 В !!! ?

VladNSK

Цитата: GLR от 24 Янв. 2018 в 17:01Подскажите, а возможно мне для бОльшей мобильности своего АКБ разбить его на две последовательно сборки 6S, каждая со своим балансиром, и соединить сборки последовательно, а то 12S сложновато перемещать будет из-за его веса. Заряжать тоже в последовательном виде можно будет?
Всё возможно. Только две батареи по 12В придётся балансировать между собой. На рынке есть
балансиры для батарей, составленных из 12 В АКБ. Например: http://e-veterok.ru/balancer-12V.php

rusmax

Цитата: VladNSK от 23 Янв. 2018 в 09:30
Добрый день!
Принципиальная схема варианта на полевых транзисторах и дополнительной платы усилителя показана на рисунке.



Благодаря "нулевому" входному току выходного каскада балансира и малому
току потребления ОУ удалось реализовать его защиту достаточно просто: с помощью резистора и
стабилитрона в цепи питания.
Есть ли в нём защита от обрыва проводов в любом сочетании как в TSX7191A?

Цитата: VladNSK от 25 Янв. 2018 в 05:25
Всё возможно. Только две батареи по 12В придётся балансировать между собой. На рынке есть
балансиры для батарей, составленных из 12 В АКБ. Например: http://e-veterok.ru/balancer-12V.php
Простите за отвлечение от темы. Существуют ли такие же для свинца на -220В (17х12В)? По работе надо.
Приус 20 (Tosiba SCiB 60Ah 3p5s;Бинар-5Б-Компакт) + i-miev (титатантка)

VladNSK

Цитата: rusmax от 25 Янв. 2018 в 06:00Есть ли в нём защита от обрыва проводов в любом сочетании как в TSX7191A?
Да. Защита ОУ по питанию работает при обрыве проводов в любом сочетании.

Балансиры 17х12В не встречал ( и не искал).
Но, думаю, такой можно собрать из 16шт. балансиров на 2 батареи.
Конечно, надо прорабатывать вопросы надёжности и защиты от аварийных ситуаций.