avatar_Denzel Motors

Асинхронный двигатель ASPP

Автор Denzel Motors, 12 Фев. 2018 в 18:58

« назад - далее »

0 Пользователи и 2 гостей просматривают эту тему.

vicar21

Полевые тесты для мотоцикла Тур с ДА90С.
Для поездки по льду и снегу лучший режим это "ЭКО", не так проскальзывает.
DA90 начал мёрзнуть, а вот грязь к нему и мокрый снег не прилипает  ;-)
После поездки температура мотора  превысила температуру замёрзшей руки  на пару градусов.



Но кроме шуток, Алекс предпочитает по снегу ездить на ДА90-м в эко режиме, не так опасно при старте на светофорах, когда под колёсами лёд или слякоть. Для ДА100 в такую погоду нужны АБС и всякая всячина как на авто  :-)
Ну заодно и тест для открытого мотора в грязь и слякоть.
Тестирование моторов со «Славянкой» https://electrotransport.ru/index.php?topic=43516.0
электро двигатели АСПП со Славянкой  https://electrotransport.ru/index.php?topic=52943.0#topmsg

max_x_20

Поделитесь пожалуйста, по ощущениям ДА90 на какой мот похож по динамике разгона 250сс или выше и при каких токах?
Kingsong 18a 1400 W/h
Kingsong 18 1450 W/h с контроллером вектор

kor

Цитата: NextFaer от 08 Дек. 2018 в 13:10Выкладываю для анализа семейство граффиков для модернизированного в Славянку мотора АДМ63В6. Я думаю, эта инфа очень наглядно демонстрирует, как правильно рассчитать обмотку, для получения максимальной эффективности мотора, для его нагрузки. нижняя синяя линия - КПД классики на 380в. потом идет семейство линий для Славянки с напряжением 350,360,370,380в Данный двигатель намотан на повышенную индукцию.
Могли бы вы привести и для классики тоже, семейство графиков при разном напряжении (как для славянки на вашем графике)?

And1

Цитата: max_x_20 от 08 Дек. 2018 в 15:55Поделитесь пожалуйста, по ощущениям ДА90 на какой мот похож по динамике разгона 250сс или выше и при каких токах?
Наткнулся недавно ещё раз на видео от East GEM:

rush 3 с DA90S
на 6м 53сек - разгон со светофора. Не знаю уж насколько максимальный, но при 120 А похоже бмс отключило батарею ) Крайне не приятная фигня.

В комментах засветился покупатель. Не то Tornado, не то rush 3. Можете у него спросить ощущения или сравнения, если ездил на бензине.
За 5400 $ говорит взял.
Надеюсь за эту цену ему продали Tornado и с батареей с увеличенными токами.
Потому что если это rush 3 да ещё и с обычной батареей, то чуваку крайне не повезло. Сейчас то rush 3 в 1,5 раза дешевле отдают, за 2200 без батареи.

And1

[user]East GEM[/user], в новых видео тоже было ведь про то как бмс отключили батарею после 100 с чем-то ампер. Вы говорили, что у клиентов такого не будет. Какие характеристики по токам (номинал/макс) у ваших стандартных батарей, бмс?

Denzel Motors

Цитата: And1 от 11 Дек. 2018 в 15:08
[user]East GEM[/user], в новых видео тоже было ведь про то как бмс отключили батарею после 100 с чем-то ампер. Вы говорили, что у клиентов такого не будет. Какие характеристики по токам (номинал/макс) у ваших стандартных батарей, бмс?
Два варианта: либо уменьшаем токи на контроллере либо увеличиваем емкость батареи и ставим БМС 200А = выбирайте решение какое Вам нравится
Принимаем оплаты в биткоинах

And1

Цитата: East GEM от 11 Дек. 2018 в 17:38Два варианта: либо уменьшаем токи на контроллере либо увеличиваем емкость батареи и ставим БМС 200А = выбирайте решение какое Вам нравится
Ок, понял! Просто подумал, что бмс для клиентов (в стандарте) посильнее, чем на видео.

Цитата: NextFaer от 11 Дек. 2018 в 17:33НО Я как СТАРЫЙ ПРОЖЖЁНЫЙ ТОРГАШ=НАЧАЛЬНИК МАРКЕТИНГОВОГО ОТДЕЛА.... ооочень крутой госструктуры вижу и чую НИЩЕТУ
Значит не такой уж и прожженный торгаш )
Сильно ошибаешься.

max_x_20

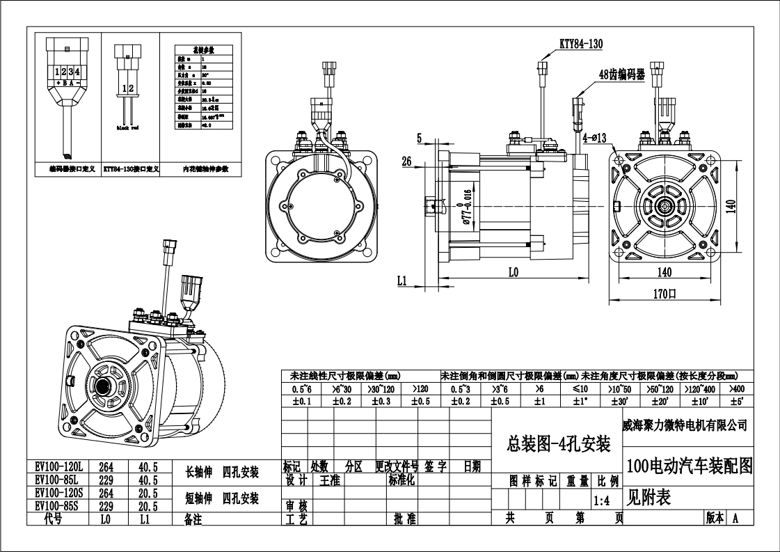
ДА100 имеет такие же посадочные места под болты как ДА90?
Kingsong 18a 1400 W/h
Kingsong 18 1450 W/h с контроллером вектор

vicar21

Цитата: max_x_20 от 12 Дек. 2018 в 20:07ДА100 имеет такие же посадочные места под болты как ДА90?



нет, этот двигатель создавался с креплением на редуктор автомобиля, таких как Пикман и Мини.
Как я уже сообщал, существуют два партнёра которые в ходят в состав АСПП Вейхай. Одна из них EastGEM, а вторая Hydrogen Power Train Co. LTD занимающаяся чисто направлением автомобильным (пока), они по Русски не могут, их и на форуме нет. Но автомобили с ДА100 готовятся как раз этой компанией. Оси моторов выполняются как для авто так и для мотоцикла.
Сейчас только прорабатывауются крышки с таким же креплением как у ДА90 для мотоцикла. Если заметили раньше, что даже эти движки были с двумя разными крышками, как для мотоцикла, так и для авто. Отличия не только ось. По этому у кого  уже есть Пикман или наподобии авто с такими же Китайскими редукторами, то нужно и фланец другой не только ось

DA100 будут ещё под другой автомобильный фланец, для более мощных редукторов.


Вчера как раз на Мини был установлен рекорд расхода на дальность поездки. В троём в этом авто и при применении печки, пересчёт составил 94,7 км.
Постараюсь на этой неделе, если не будет снега, сделать полный пробег на полную батарею (точнее две батареи по 42 Ач от Алексея, с двумя БМС, что соответственно позволяет на подъёмах тянуть токи продолжительно и без отключения бмсками)
Авто оснащено 84 Ач батареей на 72 В и мотором ДА100 с 120 мм ротором. Вес мотора 21 кг.
Расчётная номинальная мощность 7 кВт.  Этот миник гоняет теперь до скорости 70 при загрузке 3 человека.
Расход по моему подсчёту составил примерно на 17-20% меньше чем на легендарном Твизи который сейчас находится в СоВЭлМаш в Зеленограде.
Вес автомобилей - сопоставим. Расход нет.  ;-)
Тестирование моторов со «Славянкой» https://electrotransport.ru/index.php?topic=43516.0
электро двигатели АСПП со Славянкой  https://electrotransport.ru/index.php?topic=52943.0#topmsg

max_x_20

Объясните пожалуйста, откуда у ДА 90 взялась номинальная мощность в 3 кВт, когда максисальный рабочий долговременный ток 90А а напряжение 110в. Тут почти 10ка в номинале. Да и графиков с 3х кВт я нигде не встречал.. тот же ДА 100 будет 11кВт. А не 5.
Kingsong 18a 1400 W/h
Kingsong 18 1450 W/h с контроллером вектор

vicar21

Цитата: max_x_20 от 13 Дек. 2018 в 03:11Объясните пожалуйста, откуда у ДА 90 взялась номинальная мощность в 3 кВт, когда максисальный рабочий долговременный ток 90А а напряжение 110в. Тут почти 10ка в номинале. Да и графиков с 3х кВт я нигде не встречал.. тот же ДА 100 будет 11кВт. А не 5.
уважаемый "макс", я для этого специально сделал видео на моём канале. делаю сейчас вторую версию.
Я не телевизионист извените за качество

Почитайте вообще как считается мощность на валу трёхфазного мотора, и не умножайте больше напряжение батареи и ток одной фазы.
И на три фазы это напряжение не стоит умножать, а то мощность вообще зашкалит.
Есть физика 8 класа и там всё начинается. Эти школьные вопросы становятся смешными на форуме технарей.
извеняюсь за прямоту. Разъяснялось уже десятки раз и не только на этой ветке.
Поинтересуйтесь и не поленитесь в поисковиках эти темы поизучать "мощность трёх фазных моторов", не дс моторов с двумя проводами.
Это не только вас касается
Тестирование моторов со «Славянкой» https://electrotransport.ru/index.php?topic=43516.0
электро двигатели АСПП со Славянкой  https://electrotransport.ru/index.php?topic=52943.0#topmsg

vicar21

Цитата: max_x_20 от 13 Дек. 2018 в 04:26110в он поедет 90км/ч и поедет не 5 мин верно
вы вроде бы не глупый человек.
во первых поедет, а не использовать на этой скорости до полной просадки батареи.
Максимальная мощность при 72 В 9,4 кВт.
Максимальные возможности и разумное использование похоже для вас где то эти границы размыты.
Если вам лошадь дать, то вы её загоните то смерти, даже отдыха не дадите. Повесить на вас гири 100 кг и заставить тащить до изнеможения.
Вы даже не посмотрели интернет где вам посоветовали посмотреть.
Ищите интернет по следующему вопросу, разница мощности моторов от напряжения.
Обмотки греются от тока протекающего по ним и сопротивления в этих обмотках.
Вы же технарь занимающийся батареями. Не опасно ли их нагружать предельными пиковыми токами до полной просадки?
Или это разные области понимания?
Тестирование моторов со «Славянкой» https://electrotransport.ru/index.php?topic=43516.0
электро двигатели АСПП со Славянкой  https://electrotransport.ru/index.php?topic=52943.0#topmsg

_claw

Цитата: Genadi от 13 Дек. 2018 в 08:51Предельные режимы допускаются только в пиковых нагрузках
я вот тоже думаю, если на бензинке гнать тапка в пол 100%, насколько движка хватит?

vicar21

Цитата: _claw от 13 Дек. 2018 в 09:46я вот тоже думаю, если на бензинке гнать тапка в пол 100%, насколько движка хватит?
всё правильно, для этого и придуманы понятия номинальный и пиковый. Пик сть пик, а не ровнина на горе.
Но для желающих тестить экстремы, мы и делаем эти отверстия, что бы при желании сделать можно было эфективное охлаждение.
ДА100 готовится версия тоже с отверстиями. Для автомобильных, стандарт, без них.
То есть для эксперементатарства поле деятельности есть.
Тестирование моторов со «Славянкой» https://electrotransport.ru/index.php?topic=43516.0
электро двигатели АСПП со Славянкой  https://electrotransport.ru/index.php?topic=52943.0#topmsg

edw123

Цитата: max_x_20 от 13 Дек. 2018 в 17:50
бензиновый и электро сильно отличаются.. не для кого не секрет что форсаж ДВСа это полюбому в ущерб ресурсу!!
Да нет - любой форсаж есть ускоренная деградация чего-нибудь. Иначе не был бы форсажем. Подшипников, батареи, денег...

eTyson

Спойлер
Цитата: NextFaer от 15 Дек. 2018 в 21:48
https://www.youtube.com/watch?v=oWpbNFYOJkI От [b-b]Маклауда[/b-b]  :wow:  Выставка авто технологий | Электротранспорт 2018!  :wow: Интересно, познавательно! Много электробайков.
Какое отношение к данной теме?

Добавлено 15 Дек. 2018 в 23:19

Цитата: NextFaer от 14 Дек. 2018 в 14:11
И ЧТО КУРЯТ дизайнеры ZETTA  O_O O_O O_O
Наверное остатки бычков дизайнеров Твизи...
Ultron T118. Тандем. E-Kross (Чоботар), 20" MagicPie3SE, Ядреный 12F, LG MJ1 72В/63Ач, 85км/ч, запас хода 200км
Regal Raptor (5кВт Quanshun 14", АКБ 72В/158Ач LG HE2/MJ1, Max-E, 100км/ч, до 250км.

niksat62

Цитата: eTyson от 15 Дек. 2018 в 23:17Какое отношение к данной теме?
на видео в 7.02 - показывают задний мост дилижанса типа кареты.
Внешне точная копия двигателя DA100. Хотя кто его знает, что там.
А на счет бычков для дизайнев Твиззи - согласен на 100%.
Так они и не скрывают для кого дизайн сделан. Азиаты - они вроде котов - оставь открытую коробку и отвернись на минуту - уже занят весь объем. Чем квадратней - тем лучше.

niksat62

Цитата: NextFaer от 13 Дек. 2018 в 21:26рассказали о красивом дизайне их , в часности о DENZEL TOUR
Вы серьёзно? 150 лет развития образа TOUR побоку.
Для кроссового пойдет - 15 мин гонки и весь в грязи. Для TOUR хотя бы крылья над колёсами опустите и щиток над рулем поставте. Или планируете это за отдельные деньги делать.
Примеры правильного дизайна  - на каждом шагу навалом - https://batop.ru/10-luchshih-elektromotociklov-kotorye-mozhno-kupit-pryamo-seychas