Li-Force Кулон-912, доработка, ремонт - Страница 19
 

Кулон-912, доработка, ремонт

Автор UstAlexei, 21 Июль 2016 в 13:25

« назад - далее »

0 Пользователи и 1 гость просматривают эту тему.

evan

Цитата: krottor от 13 Фев. 2020 в 09:22Я автор канала "Just life"
Я в комментарии под вашим видео спрашивал, не из за irf3415 ли может не работать разряд. Выпаял его, проверил мультиметром отдельно диод и с активацией затвора. Вроде работает. Обвязка в виде резисторов все на месте. Molvas на странице проекта говорил что 604 операционник на пределе работает и надо его менять на два. Как его проверить, не знаю, ну видимо точно он сдох?

Цитироватьвместо 604-го счетверенного операционника установлены два сдвоенных, например 358, у них и питание не 6 вольт, а то 604-й по питанию на пределе.

MOV

#325
Цитата: evan от 24 Фев. 2020 в 21:00... 604 операционник на пределе работает и надо его менять на два. Как его проверить, не знаю, ну видимо точно он сдох?
Не так. По напряжению питания 604-й в предельном режиме, это правда. На два 602-х заменил чтобы легче выполнить трассировку платы ограниченного размера. Но прямая замена на 358-й без изменения схемы невозможна. 
  Установка величины тока разряда идет по цепи от контакта 1 разъема через R50 на неинвертирующий вход 10 U4, а с выхода 8 через R15 на затвор VT2.  Остальные три операционных усилителя в регулировке тока разряда не участвуют.

evan

Не, я не к тому, что мне его обязательно менять на два. А к тому, что раз вы пишете 6в он на пределе, то видимо он потенциальный виновник. Погуглил, как тестить Оу, мне легче попробовать его поменять. Правда не могу найти где купить. У меня стоит MCP604E/SL. Таких нигде нет. Везде только I/SL, а они ещё на меньшее напряжение, до 5,5.
На что можно заменить?
Lm324 по напряжению и выводам вроде подходит. Только у него частота 1мгц, а 604 на 2,8.

MOV

Цитата: evan от 24 Фев. 2020 в 22:49На что можно заменить?
Это очень хороший операционник, rail-to-rail. С очень низким напряжением смещения на входах, иначе возникают проблемы при установке и измерении малых токов порядка 100 мА. Подбирайте по этим параметрам.

krottor

Цитата: evan от 24 Фев. 2020 в 21:00Я в комментарии под вашим видео спрашивал, не из за irf3415 ли может не работать разряд. Выпаял его, проверил мультиметром отдельно диод и с активацией затвора. Вроде работает. Обвязка в виде резисторов все на месте. Molvas на странице проекта говорил что 604 операционник на пределе работает и надо его менять на два. Как его проверить, не знаю, ну видимо точно он сдох?
Вот часть интересующей тебя схемы:
https://pastenow.ru/2312e4ab84a402400c7a1073bf0ef700

А в чём проблема найти и купить вот держи:
https://www.chipdip.ru/search?searchtext=MCP604E%2FSL
Пока жив, значит норм

trmntr

Добрый день! Вопрос по работе устройства: Кулон 912 в режиме БП простоял полдня, питал светодиод от лазерной указки, но суть не в этом.
Напряжение 2,9В, ток потребления в пределах 0,06А. На момент отключения Кулона, его радиаторы нагрелись, но особенно тот на котором два транзистора, его температура была около 60 градусов.
Почему в режиме БП не включается вентилятор? В настройках установлена минимальная мощность, при которой он должен включаться. При включении Кулона в сеть кулер отрабатывает тестовый режим.

trmntr

Дополню: даже без нагрузки (выставил в режиме БП 12В) Кулон довольно таки нормально греется, вентилятор включается редко и на очень короткий промежуток времени...

krottor

А что ты хочешь вентилятор включается по алгоритму и настройкам, твой светодиод ничтожный потребитель (кулон не считает его нагрузкой) и нагрев 60градусов это нормально не чего им (деталям) не будет.

Добавлено 09 Март 2020 в 11:40

Цитата: xeus от 24 Дек. 2019 в 13:49
[user]krottor[/user],Спасибо за видео. Схему опубликовать сможете? Многим пригодится в ремонте.

Как и обещал:

Моя схема  не лишена недостатков и возможно неточностей, номиналы деталей приведены в кодовом виде SMD, работа над схемой  продолжается.

Ой чувствую мой черновик представленный здесь разлетится по инету :)
в сем удачи.
Пока жив, значит норм

Alekc45

Я тут мимо проходил. Решил зайти к вам уважаемые форумчане и предложить вашему вниманию очередной вариант схемы Кулон-912.
Если бы не правило двух сообщений то схему можно было бы выложить хоть сейчас. А так придется подождать.


Alekc45

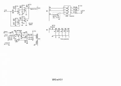
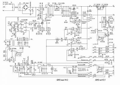
xeus. Прошу прощения. Подвис ПК. Силовая плата Q912 main V4.2 плата управления Q912 ind V3.1 Дополнения в основном касаются  платы управления и ее связей с силовой
платой


Alekc45

 xeus Заменен длинный радиатор. Заменен родной вентилятор на EB60251B1 с переносом на место предназначенное для проводов.  Установлен доп. вентилятор
HA50151V4-1000U внутри  корпуса.  Установил выключатель сети, держатель предохранителя. Как у всех

Alekc45

Схема появилась в результате ремонта моего зарядника Кулон-912 моим приятелем, который отремонтировал
устройство и дополнил  схему Кулона силовой платы схемой платы управления, показав связи между элементами и
конкретными ножками микропроцессора МС1. Спасибо всем форумчанам и отдельно rixnet, krottor.
Подскажите марку LCD индикатора установленного в Кулоне-912.
Всем удачи














krottor

#338
Твоя схема красивее уважуха, я только начал  с  мордочкой разбираться, а тут уже часть сделана.

Кстате вот правильная нумерация выводов трансформаторов
https://prnt.sc/rj95x0
Откорректируй схему.
Стоит ли  выкладывать более отработанную схему? в своём варианте?
(лично думаю нафиг плодить похожие схемы)
Пока жив, значит норм

rixnet

Цитата: Alekc45 от 19 Март 2020 в 20:18Подскажите марку LCD индикатора установленного в Кулоне-912.
Если неисправен штатный, то его вполне заменит TO-5050BC-MRPBFGF, Светодиод SMD 5050 RGB 120°. Цена в Чип и Дип 8 руб/шт. Скорее всего он там и стоит. Даташит во вложении.

trmntr

Расскажите, можно ли в Кулоне-912 применить вместо родного кулера два кулера, но по 5В 0.25А, соединённые последовательно?
И если так подсоединить их, какой будет у них общий ток потребления?

ivan80

#341
Цитата: trmntr от 20 Март 2020 в 15:32но по 5В 0.25А, соединённые последовательно?
И если так подсоединить их, какой будет у них общий ток потребления?
Общий ток будет в районе 0.25А,а это на пределе возможностей "железа" - я бы не стал рисковать. А что мешает взять один нормальный на 12В?  - не так они дорого и стоят :bn: