Li-Force Кулон-912, доработка, ремонт - Страница 17
 

Кулон-912, доработка, ремонт

Автор UstAlexei, 21 Июль 2016 в 13:25

« назад - далее »

0 Пользователи и 1 гость просматривают эту тему.

silandser

Цитата: АндрейRZN от 01 Фев. 2020 в 18:46
хочу спросить, там в настройках стоит включение вентилятора от мощности. По умолчанию 10 Вт. менять нужно или так оставить?
У меня вентилятор молотит всегда. Выставлено или 1Вт, или 3Вт. Не могу посмотреть, ЗУ в работе.
Пусть охлаждает. Его поменять если что, то очень просто, нежели если сгорит что-то в схеме.
Был исключён из "Настоящих аккумуляторщиков" 21.06.2020 г.
Вышел из всех ТГ-каналов по АКБ 21.02.2025 г.

xeus

Гарантию пусть отработает, потом решите.
[user]UstAlexei[/user],  он обороты сам регулирует, порогами, на разряде на всю катушку.

ivan80

Поделитесь пожалуйста у кого как закреплены нештатные радиаторы - по выложенным в теме фото непонятно как это реализовано

inetchik

#291
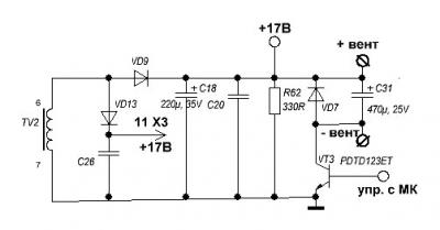
[user]krottor[/user], что "коротит" R62 (ревизия платы .....V4.1), даже с отключенным вентилятором ?

Ну и загадка для всех присутствующих,  B-):



Почему на контактах под вентилятор на 12В такое напряжение ?



Есть огромное желание удалить этот R62, а взамен, вколхозить на постоянку нешумный дополнительный вентилятор,  :bw:.

Зы:
Спойлер

SF8. B1-Р600 с ЛЖФ15S-19.5АЧ.
KUGOO-S2(MS) c переклеенными магнитами+Лифт+ПУ+DCfS v2.0.KUGOO-S2(LS) c Лифтом+ПУ.
Мы на карте.BR, Dmitry.

rixnet

Цитата: inetchik от 06 Фев. 2020 в 11:28Почему на контактах под вентилятор на 12В такое напряжение ?Есть огромное желание удалить этот R62, а взамен, вколхозить на постоянку нешумный дополнительный вентилятор,  .
Это не загадка.
Спойлер

Вентилятор запитан от дежурного источника. Оборотами управляет VT3 изменяя ток через вентилятор, ну и в результате падение напряжения на нем. R62 - нагрузка данной обмотки TV2 на случай когда вентилятор не работает. Добавляя вентилятор не забудьте, что мощность дежурного источника не безгранична.

krottor

И транзистор ограничен по току предел 0.4А  по даташиту. По факту 0.3.
А если убрать R62 у тебя свободного времени немного поубавится )))
Так как схема включения ШИМ (TNY254GN) дежурки несколько не стандарта (опять же смотри даташит)
Пока жив, значит норм

krottor

Цитата: ivan80 от 05 Фев. 2020 в 14:17Поделитесь пожалуйста у кого как закреплены нештатные радиаторы - по выложенным в теме фото непонятно как это реализовано
Смотри мой ролике по доработке Кулон 912 на  16 странице данного форума там вроде видно как я крепил.
Пока жив, значит норм

trmntr

Цитата: rixnet от 06 Фев. 2020 в 19:26Добавляя вентилятор не забудьте, что мощность дежурного источника не безгранична.
Цитата: krottor от 07 Фев. 2020 в 02:37И транзистор ограничен по току предел 0.4А  по даташиту. По факту 0.3.
Так если установлен родной кулер с параметрами 12V 0,12А, то его можно заменить на другой с током потребления не более 0,3А?

krottor

Почему нет вполне, до 0.3 пожалуйста Тем более на этом форуме много таких примеров полистайте..
Пока жив, значит норм

trmntr

[user]krottor[/user], на одном форуме https://forum.nag.ru/index.php?/topic/147461-zaryadnoe-ustroystvo-dlya-obsluzhivaniya-akb-kulon-912/&do=findComment&comment=1586609 у человека сгорел Кулон. Я его направил сюда, но он что-то стесняется писать сообщение ) Сейчас его пытается восстановить и вот цитирую его сообщение: "В Кулоне-912 на панели управления сгорел в уголь полевой транзистор IRF8788 VT7. VT2 (IRF8788) звонится накоротко. Рядом диод VD5 тоже накоротко. Прошу помощи! Чем заменить, или распознать VD5. Может хотя бы напряжения относительно минуса замеряете на нем, что бы понять, может это стабилитрон?"

На мой вопрос что привело к такой поломке ответил следующее: "К кулону подключал аккум засульфатированый полностью, думал раскачать хоть немного. В режиме заряда кулон отказывался заряжать. В режиме БП установил импульс 0,5сек на 1сек пауза, ток 6А. Кулон работал часа 4. Затем хлопок и белый дым. ШИМ 3845, обвязка ШИМ (R8,13,9,29,51,46,22),  полевик stb10nk60z все выгорело. После замены Кулон запустился, но отказывался заряжать (по моему писал батарея заряжена или заряд окончен). Затем в один момент эксперементов по оживлению кулона,после заряда начался автоматический разряд и из IRF8788PbF пошло пламя. Дальше вы знаете уже писал выше.
У меня большая просьба к вам. Замеряете пожалуйста напряжения на выводах VD5, дабы узнать на какое напряжение стабилитрон. Есть инфа, что на 13В (BZV55C13). Но есть сомнения почему 13В, а не 16-17В, т.к. силовая выдает 17В. Он у вас с синей полосой? не могу разглядеть. Осталось совсем чуть, для полного восстановления!
"

Что известно про этот диод VD5?
Спойлер


MOV

#298
Цитата: krottor от 07 Фев. 2020 в 02:37... у тебя свободного времени немного поубавится )))
А чтобы сократить масштабы возможных разрушений на время экспериментов советую выпаять VD8 на плате управления - по крайней мере контроллер уцелеет.
Этот диод в мирное время обеспечивает подпитку контроллера при пропадании питающей сети, подавая питание с заряжаемого аккумулятора.

VD5 - BZV55C13 - с синей полосой. Почему на 13 вольт? Ключи IRF8788 на затворах более 20 вольт не держат, а дежурка на цепь управления подает питание ... короче с C30 силовой платы может прийти и поболе. Вот не от хорошей жизни там стабилитрон. Почему 13? Унификация с VD16 силовой платы, и 13 вольт вполне достаточно.
К длинному списку потерь добавил бы оптопару U6. Она главный источник всех бед после ремонта. Для выключения силового источника она коротит вывод 1  U1 3845 на общий провод (вывод 5 U1). Если этого нет по любой причине силовой источник выдает сколько сможет и спалит всё указанное.

trmntr

[user]Molvas[/user], спасибо, переслал "потерпевшему" )

trmntr

#300
Цитата: Molvas от 11 Фев. 2020 в 21:47VD5 - BZV55C13
замерил в своем Кулоне на нем напряжения: на выводах около 13В, если мерить относительно минусовой клеммы, то со стороны полоски около 25,5В, с противоположной стороны - 12В (и на нем, как я не всматривался, вижу не синюю. а чёрную полоску))
Получается если его пробьёт то хана этим двум ключам (VT2 и VT7) что рядом стоят?
Этот элемент достаточно надёжен или его можно заменить на что-то более надёжное?

MOV

Цитата: trmntr от 12 Фев. 2020 в 10:55если мерить относительно минусовой клеммы
Источник питания этой цепи "плавающий" - подводится к контактам 6 (плюс) и 8 (минус) 16-контактного разъема от обмотки TV2, подключенной к VD14 C24 C30.
Измерять напряжение относительно минусовой клеммы нет смысла. Стабилитрон по параметрам оптимален.

trmntr

[user]Molvas[/user], ссылаясь на причину поломки кулона у человека в предыдущих моих постах (стоял четыре часа в режиме блока питания с импульсами), я хочу понять что конкретно повлекло к выгоранию ключей? Какой элемент в этой части цепи является слабым звеном?

дмитрон

Всем доброго времяни суток. Благодарю за помощь!
Могу пояснить как появилось пламя из VT7, может поможет победить Кулон.
К кулону подключал аккум засульфатированый полностью 9Ач, думал раскачать ....
После замены ШИМ3845, обвязки ШИМ (R8,13,29,51,46,22),  полевика stb10nk60z. Кулон был подключен к сети. Экран засветился, вентилятор отработал. Все как всегда. Начал проверку режимов работы. Подключил аккум 9Ач (хороший живой аккум). Установил заряд. Напряжение на батарее показывал. Заряд заканчивался не начавшившись. Время заряда 00. Отдано 00. Начался отсчет паузы перед разрядом. Кнопка стоп. Убрал паузу перед разрядом. Запуск заряда. Повтор картины "Заряд заканчивался не начавшившись. Время заряда 00. Отдано 00". Начался разряд. Моментально пламя VT7. На мобилке нажал стоп и выдернул вилку из розетки.
VT7 уголь, VT2  звонится накоротко. VD5 накоротко.
ШИМ 3845, обвязка ШИМ (R8,13,29,51,46,22),  полевик stb10nk60z целы. Токовый датчик R9 ШИМ3845 не звонится. Но R9 скорее всего сдулся еще раньше, на первом этапе ремонта (не заметил).

krottor

#304
АХТУНГ  B-)  trmntr
Цитата: trmntr от 11 Фев. 2020 в 22:04
[user]Molvas[/user], спасибо, переслал "потерпевшему" )
Я с ним переписывался " потерпевшим" ты как будто в мою почту залез и даже фотку из моей почты достал)))
Я автор канала "Just life"

И хватил лазить в моей личной переписке  :-D
Пока жив, значит норм

trmntr

[user]krottor[/user], извини, но ничего не понял O_O... "Потерпевшего" я имел в виду Дмитрона с его Кулоном 912