Разрыватель цепи питания

Автор LWW, 17 Фев. 2011 в 02:07

« назад - далее »

0 Пользователи и 1 гость просматривают эту тему.

Efseeff83

А фирму и где приобрести ещё подскажите.

newsky526

[user]Efseeff83[/user], на Али купить, я брал тут:
Спойлер
1 P DC 6A 10A 16A 25A 32A 40A 50A 63A DC выключатель солнечной выключатель постоянного тока нагрузки
http://s.aliexpress.com/BBJzqQBR?fromSns
Миникрошка 4 витка
5.0KW max Kelly KLS7218S +Чуп@сос

Dimm5


Nennko

Добрый день, форумчане!

Прошу вашей помощи в виду очень низкой экспертности в вопросе. Есть конфиг 108 вольт литий-титаната, и соответственно токи в номинале 200А в пике 400-500А, контроллер позволяет. Подскажите, что использовать в таком случае, т.к. автоматы уже далеко не справятся с задачей.

Заранее спасибо!!

draco

Цитата: Nennko от 15 Окт. 2018 в 13:43Заранее спасибо!!

я бы к электрикам сунулся.
при таких токах, мне кажется, нужен уже весьма сурьёзный прибор с дугогасительной камерой и прочими чудесами, и ниразу не дешёвый....Ж\
"Иметь, а не быть" - главнейший тезис гниения! (с)

sjaovay

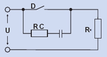
Кто подскажет, что в этих цепях с выключателем питания делают конденсаторы?  ;-)



Snaiper

Не позволяют подниматся напряжению на контактах реле/контактора до появления дуги во время разьединения контактов.
Конхис 1кВт Infineon 12fet 16s 40152

sjaovay

Цитата: Nennko от 15 Окт. 2018 в 13:43Прошу вашей помощи в виду очень низкой экспертности в вопросе..токи в номинале 200А в пике 400-500А, контроллер позволяет. Подскажите, что использовать в таком случае, т.к. автоматы уже далеко не справятся с задачей.
https://electrotransport.ru/index.php?msg=1465528  6_6

DragonTM

Цитата: Efseeff83 от 07 Июнь 2018 в 11:42
Господа, прошу рекомендаций по подбору автомата на АКБ, напряжение сети 60v, ток 50А
Наверное такой

хотя эту фирму обычно никто не рекомендует, но у меня с ней проблем не было...
Мои байки - https://electrotransport.ru/index.php?topic=35001.0
Новый проект электромотоцикла - https://electrotransport.ru/index.php?topic=51461.0

av404

Я для разрывания давно использую разъём XT-90S. Мама крепится на аккумуляторе и ставится в разрыв провода + (можно и -). Папа оформляется как съёмный брелок в карман - дополнительная противоугонка. На папу впаивается нужный предохранитель, можно брать автомобильные или другие подходящие.
Минимальные габариты и вес. Выполняет все необходимые функции. Никаких искр при коммутации. Рекомендую

Green City Jet New 16''. Мотор - 24в/250вт. АКБ - литиево-ионный 48в/16ач 13s5p 18650

Surf_el

Цитата: av404 от 16 Апр. 2019 в 12:30Никаких искр при коммутации
А вы под нагрузкой пробовали комутировать/разкомутировать?
MAC 8t, 16ач Li-on, 5ач LiPo, Mark II от e4bike, 2 шт. NinebotOne E+ и S2, Ninebot ES2, Inmotion V10F

MoRoman

Цитата: Surf_el от 16 Апр. 2019 в 14:03А вы под нагрузкой пробовали комутировать/разкомутировать?
это S-ка, она с сопротивлением внутри... 

newsky526

Цитата: Surf_el от 16 Апр. 2019 в 14:03
А вы под нагрузкой пробовали комутировать/разкомутировать?
А под нагрузкой,это как? Вваливаешь,килловата 3 в мотор вливаешь,потом мысль: а давай -ка я ,разомкну питание!   :laugh:
Миникрошка 4 витка
5.0KW max Kelly KLS7218S +Чуп@сос

av404

А зачем под нагрузкой то? Может я не в курсе каких то новых развлечений от дома-2...
Green City Jet New 16''. Мотор - 24в/250вт. АКБ - литиево-ионный 48в/16ач 13s5p 18650

dyadya sasha

Цитата: newsky526 от 16 Апр. 2019 в 14:24А под нагрузкой,это как?
У нас че палата №6 приехала?

dyadya sasha

#789
Цитата: Dimm5 от 08 Июнь 2018 в 09:11IEK за 100 руб.
ГЕ собачье!

Добавлено 18 Апр 2019 в 19:13

Цитата: sjaovay от 15 Окт. 2018 в 16:44Кто подскажет, что в этих цепях с выключателем питания делают конденсаторы?
А какой идиот эту схему сваял?
там резистор должен быть в паралели  с кондесатором
в цепях  постоянного тока должен стоять электролит
с рабочим напряжением  превышающим напругу процентов на 25 а лучше на 100
чем больше емкость тем быстрее погасит дугу  -10-20Мкф

sjaovay

Цитата: dyadya sasha от 18 Апр. 2019 в 19:10там резистор должен быть в паралели  с кондесатором
в цепях  постоянного тока должен стоять электролит
Неполярный конденсатор одноимённой ёмкости всегда лучше полярного (тем более в цепях, где при коммутации возникают искры).
Если сделать так, как вы описали, то что будет при:
1) включении тумблера и подаче энергии с батареи на контроллер?
2) выключении тумблера\питания системы?

dyadya sasha

Цитата: sjaovay от 18 Апр. 2019 в 19:511) включении тумблера и подачи энергии с батареи на контроллер?
2) выключении тумблера\питания системы?
Цитата: sjaovay от 18 Апр. 2019 в 19:511) включении тумблера и подачи энергии с батареи на контроллер? Ничего не произойдет т.к. конденсатор зарядится мгновенно  и роли не играет
2) выключении тумблера\питания системы?
При разрыве питания разомкнется выключатель и основной удар тока заберет на себя конденсатор, в этом состоянии его надо разрядить! для этого и служит резистор в параллель   где то 1-2МгО / 0,5Вт


Добавлено 18 Апр. 2019 в 20:08

Цитата: sjaovay от 18 Апр. 2019 в 20:05еполярный конденсатор одноимённой ёмкости всегда лучше полярного
НЕТ!!!