Разрыватель цепи питания

Автор LWW, 17 Фев. 2011 в 02:07

« назад - далее »

0 Пользователи и 2 гостей просматривают эту тему.

i

Цитата: sdenis2017 от 11 Май 2021 в 18:56в таком балансире другие(намного дороже)
Не вижу маркировки, опознать не могу.

Добавлено 12 Май 2021 в 10:43

Цитата: yurgen от 11 Май 2021 в 19:07А почему не  4410 ?
Да какие купил, такие и поставил. Покупал для других целей, а там был важен размер корпуса. Да и емкость затвора поменьше.

elektrik73

#847
Цитата: i от 11 Май 2021 в 12:05Давно этой схемой пользуюсь.
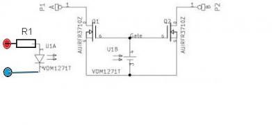
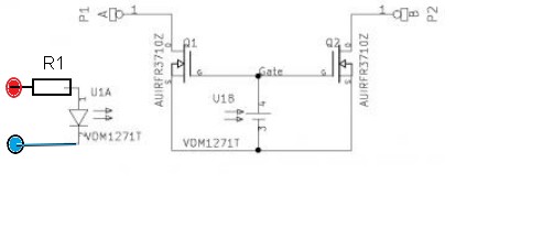
Подскажите пожалуйста вы используете именно мосфеты с низковольтным управлением в затворе? Они хороши для управления с процессора. А так и простые подойдут отлично. Сколько ставите транзисторов в параллель? У вас управление транзисторов через оптрон. Не вижу смысла в гальванической развязке.  У меня рекомендованное подаваемое напряжение на затворы 10вольт Макс 20. У вас я так понял 2-4 вольта всего. Электронный ключ у меня решает главную проблему))))) Нет искры при подключении АКБ к велосипеду.) Когда я ставлю на зарядку АКБ искры нет при подключении. Но надо тумблер "массы" не выключать. Иначе мое зарядное устройство теоретически не может до конца зарядить АКБ. т.к. за счёт падения напряжения на диодах транзисторов АКБ не получает 42.5 -43 вольта. Выдаваемые моим ЗУ. По сути можно схему ключа собрать и на одном транзисторе и двух резисторах. Минимальная комплектация))))) И даже не нужно делать плату для резисторов а сделать навесным монтажом! Но даже в шуруповертах делают ключи на 2-3х транзисторах в параллель.

yurgen

Цитата: elektrik73 от 15 Май 2021 в 05:07Не вижу смысла в гальванической развязке.  У меня
Вы не поняли суть применения фотовольтаика.
Она заключается в простоте управления двумя  N-канальными полевиками ,  поставленными в качестве верхнего ключа. Сделать это проще , не представляется возможным
Самовар , Кваньшунь 3 кВт , келли 200А,  LG E48 3кВтЧ.
80км/ч     
> 70 000 км

elektrik73

#849
Цитата: yurgen от 15 Май 2021 в 09:43Вы не поняли суть применения фотовольтаика
Спасибо за подсказку. Честно не знал про такой компонент. Думал что это оптрон. А это оптоизолятор( свето+фото элемент) Но тогда надо ещё схему городить для управления светиком оптоизолятора?

yurgen

Цитата: elektrik73 от 16 Май 2021 в 09:36надо ещё схему городить для управления светиком оптоизолятора
Резистор + тумблер , вот и все горожение.
Это сможет осилить даже гуманитарий ,
или вы какую "схему" имели ввиду *?
Самовар , Кваньшунь 3 кВт , келли 200А,  LG E48 3кВтЧ.
80км/ч     
> 70 000 км

elektrik73

#851
Да. Я имел ввиду схему управления оптоизолятором. Я так понял она по входу совместима с логикой. То есть можно подавать на него до 5 вольт точно. Значит надо по входу ставить делитель из двух резисторов. Или один токоограничевающий резистор.? У вас питание оптоизолятора от выхода АКБ? А как быть с большим перепадом напряжения АКБ 37 вольт номинального. С разницей в 12 вольт ? В заряженном состоянии и разряженном. Не повлияет ли такой разбег в напряжениях на стабильность всей работы схемы? Схема выложенная ранее администратором не полная. Я же указал полный перечень элементов своего ключа.

yurgen

#852
Цитата: elektrik73 от 16 Май 2021 в 21:27. Не повлияет ли такой разбег в напряжениях на стабильность всей работы схемы? Сх
Расчет схемы простой .

Берем график ВАХ  из даташита

И смотрим значения  входного тока на рабочей части графика.
Выбираем среднюю часть графика  , допустим 20 мА.
Рассчитываем резистор что бы  этот ток был  при минимальном рабочем напряжении вашего аккума.
Максимальное напряжение литиевого аккума  обычно составляет еще   +40% .
Соответственно ток то же возрастет на эти же 40%  и составит  20мА + 40% = 28 мА.
Этот ток вполне укладывается в рабочий диапазон вольтаика.
Мощность резистора  расчитать то же не трудно ,  28мА * ( ваше верхнее напряжение ) допустим 50В  ,  0028*50 = 1, 4 Вт.
Ну вот как бы все.
Самовар , Кваньшунь 3 кВт , келли 200А,  LG E48 3кВтЧ.
80км/ч     
> 70 000 км

yurgen

Цитата: elektrik73 от 16 Май 2021 в 21:27Схема выложенная ранее администратором не полная. Я же указал полный перечень элементов своего ключа.
Дорисовать резистор и выключатель , ?  ;-)



Теперь понятно  ;-D
Самовар , Кваньшунь 3 кВт , келли 200А,  LG E48 3кВтЧ.
80км/ч     
> 70 000 км

elektrik73

Я так и предполагал. Надо очень точно подбирать токоограничевающий резистор. Иначе можно и Светик спалить. Это ладно когда разбег по напряжению всего в 12 вольт. Как у меня АКБ 10S. А если это АКБ например 20S или более? Там разбег в напряжениях будет в 25 вольт и более. Сможете посчитать резистор для такого режима работы АКБ? А почему сразу не поставить делитель из двух резисторов на затворы мосфетов минуя оптоизолятор? которые выдерживают большие перепады по напряжению на затворы? А если поставить ещё и стабилитрон к нижнему плечу делителя напряжения то и получится простейший стабилизатор напряжения.)

TRO

Я в такой схеме, вместо этого редкого фотодрайвера использовал подручные средства: или дисишку, или в качестве дисишки дешевую зарядку от мобилы (она при замене одного резистора работает от низких входных напряжений).

Цитата: elektrik73 от 17 Май 2021 в 03:43А почему сразу не поставить делитель из двух резисторов на затворы мосфетов минуя оптоизолятор?
Потому что в зависимости от вкл-выкл затворы там плавают относительно питания, и для полного открытия N канальный ключей в плюсовом разрыве питания - нужно управляющее напряжение выходящее за пределы питания.

Wahoo 2012 29er, +собран складной двухосис на раме"Land Rover" 69er с эл. мотором, и и МОНОКОЛЕСО

yurgen

Цитата: elektrik73 от 17 Май 2021 в 03:43Надо очень точно подбирать токоограничевающий резистор. Иначе можно и Светик спалить. Э
Я же вам дал пример расчета .
У светика запас по току  150% , а диапазон значений вашего аккума  ( от полностью разряженного до полностью заряженного ) только 40%.
Ничего там не сгорит.
Можете поставить делитель на 2 резисторах , но принципиально это ничего не меняет.
.
Цитата: elektrik73 от 17 Май 2021 в 03:43А если это АКБ например 20S или более? Там разбег в напряжениях будет в 25 вольт и более. Сможете посчитать резистор для такого режима работы АКБ?
Да пожалуйста ,
Минимальное рабочее напряжение на аккуме 20S будет :  20* 3В = 60В.
R гасящее = U\I , = 60В\002 = 3 кОм.
При полностью заряженном аккуме  напруга на нем будет 20*4,2=84В.
Ток через всетик составит 84/3000=28мА.
А предельный ток через светодиод вольтаика согласно даташиту 50 мА.
Почему он должен сгореть от 28мА?
В остальном ТРО вам все правильно обьяснил.
Или вольтаик или внешний источник питания , или как то  организовывать вольтодобавку как у ДС\ДС преобразователей.

Самовар , Кваньшунь 3 кВт , келли 200А,  LG E48 3кВтЧ.
80км/ч     
> 70 000 км

TRO

Цитата: elektrik73 от 17 Май 2021 в 03:43А если это АКБ например 20S или более? Там разбег в напряжениях будет в 25 вольт и более. Сможете посчитать резистор
Так что бы по простому, у светодиода коридор трехкратный 15-45мА, а у батареи всего полуторакратный (40-60в), и эта кратность батареи от количества S не зависит. По итогу при любом S надо попасть полутораметровым мячом в трехметровые ворота (1 к 2), это даёт двухкратный запас для выбора номинала резистора.

Wahoo 2012 29er, +собран складной двухосис на раме"Land Rover" 69er с эл. мотором, и и МОНОКОЛЕСО

elektrik73

Да действительно. Глянул тоже в калькуляторе. Светодиод работает в тех диапазонах напряжений про которые я говорил.) Спасибо за комментарии! Разъяснения))))) Только не пойму для чего делать вольтодобавку на затворы мосфетов? Если я наоборот делаю понижайку на резисторах?!

yurgen

Цитата: elektrik73 от 17 Май 2021 в 19:03Только не пойму для чего делать вольтодобавку на затворы мосфетов? Если я наоборот делаю понижайку на резисторах?!
Кто же знает , что вы там делаете .
Нарисуйте схему того что делаете , может вам действительно вольтодобавка не нужна .
Самовар , Кваньшунь 3 кВт , келли 200А,  LG E48 3кВтЧ.
80км/ч     
> 70 000 км

elektrik73

Действительно. Надо было мой первый комментарий схемой показать. Извиняюсь))))

sdenis2017

вольтодобавка нужна для n-канальных в разрыве плюса
1кВт  ДД 273-й + Келли kls-s 7230 + лифер 32700 12s4p + антбмс 8-24S 100А

elektrik73



У меня в разрыв минуса после BMS.

Добавлено 17 Май 2021 в 21:04

У меня в разрыв минуса после BMS. Моя схема с тремя транзисторами в параллели.  Рабочая! Вторая схема ваша- переделанная. Будет работать? как думаете?

elektrik73

#863

Вернее так)))) Будет работать?