"Моргалки" для заряда/разряда АКБ

Автор arslaman, 20 Янв. 2013 в 22:10

« назад - далее »

0 Пользователи и 20 гостей просматривают эту тему.

Иван77

#2916
Цитата: iztexkomu.za.40 от 11 Фев. 2020 в 19:314Т.
Мост? Если нет, то можно поподробней или ссылку?
Спасибо.
Ездю и ездю.


Иван77

[user]iztexkomu.za.40[/user], спасибо, примерно так и думал, но для определения полезности метода соберу схему попроще.
Ездю и ездю.

Spasatel_66

 :hello:   Приветствую уважаемое собрание... Не ругайте "чайника" если что не так ляпну, но у меня есть вопрос к специалистам, а вернее просьба: объясните по-пензенски разницу между  "долбилкой" как таковой и  зарядом короткими импульсами...
Поясню из-за чего сыр-бор... Имею зарядное устройство для аккумуляторов бренда FOXSUR с пульсирущим режимом дозаряда, как мне кажется...  Пересмотрел кучу всего в сети, но даже мне понятно что сами обзорщики понятия не имеют о том что делает это ЗУ в пульсирующем режиме режиме, одни предположения...
     Для понимания с чем имеем дело дам ссыль на видео, где на 10-й минуте подробно промывают внутренности этой китайской штуковине. / https://clip-share.net/video/VUgRteE3DUU/...видео.html
... из личного опыта: на полностью заряженном аккуме, с подозрением на сильную сульфатацию, имеем по  тестеру АКБ: Uрц=12,89В;  Rвн=6,87мОм;   ENsli=445А; SOC=98%; SOH=85%... Уровень электролита в норме.... а Побаночная плотность от "минуса" к "плюсу": 1.25; 1.26; 1.26; 1.26; 1.26; 1.25.
3 раза КТЦ а плотность не поднимается... Сейчас в дозаряде на пульсе стоит с 14,8V а ток скачет от 0,25 до 0,35 А, (но мультимерты у меня простенькие).
... Надеюсь  на снисхождение к начинающему...  :ку:

Spasatel_66

Цитата: Spasatel_66 от 02 Дек. 2020 в 18:07Для понимания с чем имеем дело дам ссыль на видео, где на 10-й минуте подробно промывают внутренности этой китайской штуковине. / ссылка...видео.html
... ссылка косячная получилась... даю другую...
https://www.youtube.com/watch?v=VUgRteE3DUU&feature=emb_logo

Branimir

Цитата: Spasatel_66 от 02 Дек. 2020 в 18:07
... из личного опыта: на полностью заряженном аккуме, с подозрением на сильную сульфатацию, имеем по  тестеру АКБ: Uрц=12,89В;  Rвн=6,87мОм;   ENsli=445А; SOC=98%; SOH=85%... Уровень электролита в норме.... а Побаночная плотность от "минуса" к "плюсу": 1.25; 1.26; 1.26; 1.26; 1.26; 1.25.
3 раза КТЦ а плотность не поднимается... Сейчас в дозаряде на пульсе стоит с 14,8V а ток скачет от 0,25 до 0,35 А, (но мультимерты у меня простенькие).
[user]Spasatel_66[/user], Ваш АКБ банально недозаряжается
(судя по плотности, если замеряли ее после качественного перемешивания с целью устранения расслоения и после достаточно длительного отстоя до 2 суток, если замер плотности вели ареометром, а не рефрактометром).
На данном ЗУ (с его Umax=15,5v) полностью зарядить кальциевые АКБ и устранить расслоение НЕВОЗМОЖНО, т.к. требуется более высокий предел Umax заряда (16,2-16,5v) ---> хоть 10 КТЦ сделайте...
На основном заряде при 14,7v ток должен снизиться до 0,1-0,2% от номинальной емкости (т.е. 1/1000=0,001С), а плотность увеличиться до 1,285-1,29.
Тогда на дозаряде током 2-3%=0,02-0,03С напряжение на АКБ за 5-15 минут легко и непринужденно поднимается до 16,2-16,5v
и далее, в зависимости от выставленного ограничения Umax снижается до 1,5%-1%-0,5%,
что может характеризовать
- величину разбаланса банок,
- наличие расслоения электролита
(и, значит потребности в десульфатации низа пластин, если есть сульфатация, для дальнейшего подъема плотности до мах изначальной ее заводской величины).
Поведение тока на основном заряде и дозаряде много может рассказать о текущем состоянии заряженности АКБ или о его текущих проблемах.
Почитайте https://electrotransport.ru/index.php?topic=60312.0 для просветления, если есть желание.

iztexkomu.za.40

Цитата: Иван77 от 09 Фев. 2020 в 20:03на более высоких частотах
[user]Иван77[/user], как "проверка временем" (я о идеях, задумках)?
Я сам реализовал свою задумку в одном агрегате. 10 Гц от сети, фазовый регулятор зарядного тока и соответственно, формирователь коротких высоковольтных импульсов. После открытия силового тиристора в определённый момент с некоторой задержкой "подмешивается" высоковольтный в той-же полярности. Но так как силовой ещё открыт, образуется в контуре обратный выброс, практически той-же амплитуды. Получается один период импульсной "переменки" на каждый импульс зарядного. Такой как-бы "токовый рывок" с крутыми фронтами- короче, то что "доктор прописал". Успел опробовать на гелевых 7а/ч, 55а/ч с жидким электролитом. Даже на кадмии и li-on(был один элемент из шурика в обрыве, простучал его-смотрю очухался). Точными измерениями до и после не заморачивался-ориентировался в основном по меньшему нагреву сульфатированных банок при последующей зарядке и увеличению отдачи. 

Иван77

#2923
[user]iztexkomu.za.40[/user], приветствую.
   Неоднозначно все, остановился пока на 45 вольтах и малом заполнении ШИМ, средний ток от 0,3 до 3А, частоты от 1 до 20 кГц, с разрядной составляющей и без.  Заметил уменьшение Rвн, без изменения емкости, на одном акке после применения асимметрии упала банка, те появился разбаланс, но точно утверждать нельзя, акк в оч плохом состоянии.
   Все это занимает очень много времени, которого мало.
   На достигнутом не останавливаюсь, продолжаю по возможности изучать эту тему.
   Если можно, поподробней о Вашем агрегате и результатах.
Ездю и ездю.

iztexkomu.za.40


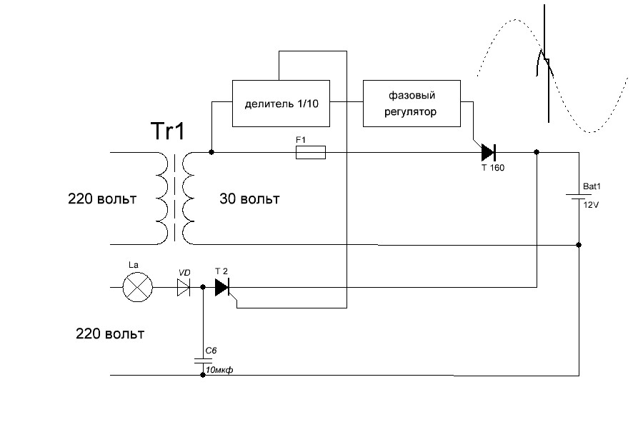
Вот похожая структурка, для понимания принципа работы.Была задумка разместить на склоне три таких импульса, но пока остановился на одном ( чего-то , думаю, слишком много шоковой терапии ). Собран в корпусе от бесперебойника.Сам агрегат сейчас на работе-фото позже. Кстати возникла в нём необходимость. Как выйду -погоняю на нём ni-ca от шурика( чего-то начали сдавать).

Иван77

#2925
[user]iztexkomu.za.40[/user], на 30 вольтах конденсаторов нет? Фазоимпульсная регулировка обычная? Или что то добавилось, по напряжению? Обратной связи нет, правильно, долбаю, пока не устану?)
   В любом случае, отлично, лишь бы результаты радовали.
   У мну появилась мысля, думаю ёё теперь, а что если так: в процессе заряда не пихать пинками, а сгонять ими, разряжать, коротко, но мощщно? Образовывать в местах наиболее концентрированного эл-лита, образовавшегося в процессе заряда, удары взад, только не в перед, а взад, вынуждая начинать работать участки с повышенным сопротивлением, сульфатированные?
   Попытка не пытка.(С)
Ездю и ездю.

iztexkomu.za.40

Конденсаторов по питанию(как я предполагаю) никаких нет-они тут ни к чему. Фазоимпульсная регулировка привязана к одной выделяемой полуволне напряжения(запускается счётчик и в зависимости от установленной тактовой частоты генератора происходит открытие силового тиристора). Этим достигается прецизионность установки угла. И уже к этому импульсу привязан импульс для долбилки от того-же счётчика.
Цитата: Иван77 от 05 Янв. 2021 в 20:02Обратной связи нет, правильно, долбаю, пока не устану?
Обратная связь умозрительная-по вольтметру, т.к. в зависимости от установленного тока и состояния время окончания будет разным.


iztexkomu.za.40

Для предметности разговора.




iztexkomu.za.40


iztexkomu.za.40

Раскачал ni-ca акб шуруповёрта до номинала циклов за десять(сравнивал с исправным рабочим). Сейчас после заряда штатным зарядником и охлаждения(благо за окном минус) держит две фарных лампы 55w 12в семь минут без "ступенек" до 9в. Ради прикола поставил заряжать через две лампы последовательно четыре алкалиновых батарейки АА-заряжает(цешка на пределе 1.5А-полное отклонение). Перед морозами заряжал автомобильный акб- после отстоя нескольких дней на машине крутит заметно шустрее, да и по открытию замков слышно разницу.

Alex_Soroka

Цитата: iztexkomu.za.40 от 08 Янв. 2021 в 14:50
Для предметности разговора.
Совет дружеский вам:
1) увеличьте сечение проводов силовой части (того что "моргает"),
2) сократите в разы длину проводов, уберите все эти "гирлянды" проводников внутри.
и увидите как ваше изделие станет работать лучше и эффективнее заряжать.

iztexkomu.za.40

Цитата: Alex_Soroka от 22 Янв. 2021 в 11:16увеличьте сечение проводов силовой части (того что "моргает")
Сечение проводов силовой части, а особенно для того что "моргает", для данного конструктива( приходилось вписываться в размеры корпуса) достаточное для автомобильных акб. А вот уже дальше ему уже тяжеловато. От стоамперника начинает подогреваться вторичка и сердечник. Почему и вентилятор. Если работать на улучшение характеристик и возможностей-то сначала более мощный транс на кило и корпус в виде этажерки. Транс наверху с минимальными выводами а акб вдвигается снизу. Единственная проблема с предохранителем-без него нельзя, а его сечение будет портить картину.

gvf56

Еле осилил эту тему... Зашёл почитать про то как развивалась тема моргалок, а пришлось читать флуд о долбилках и ещё черт знает о чем. У них нету своей темы? Создайте и описываете все ваши мытарства с ними в своей теме. Я под всеми роликами на ютьюбе по ЗУ для свинцовых АКБ оставляю свои комментарии и отсылаю писак, и авторов роликов тоже, на этот форум с целью покурить его, а здесь такой срач развели (извините за мой французский).
Из всего что я сделал с этого форума, так это усеченная Моргалка от Павел Валерьевич и собственную плату разрядного для КТЦ на Tl431 с цепью измерения и одного реле - вот и все. Задумал ещё одну моргалку небольшую сделать, вот и пришёл сюда знания почерпнуть, но, - смотри выше.
Моргалка, как правило (программируемые не рассматриваю), имеют два этапа заряда: собственно Моргание до 14,4В и импульсная Добивка после касания этого напряжения. Импортные "продвинутые" ЗУ в начале заряда дают десульфатирующие импульсы, а затем уже зарядный ток, вот и у меня возникла мысль, а не применить этот приём с моей второй моргалкой. По совету Alex Soroka, я не ставил микросхему для моргания теми 35 Гц, вот и думаю, может поставить через тумблер  конденсатор малой емкости чтобы были не моргающие импульсы, а десульфатирующие. Какие параметры импульсов должны быть при напряжении постоянного тока ЗУ ~15В для для первичной десульфатации? Что скажете?

gvf56

Цитата: Spasatel_66 от 02 Дек. 2020 в 18:16
... ссылка косячная получилась... даю другую...
https://www.youtube.com/watch?v=VUgRteE3DUU&feature=emb_logo
В догонку к предыдущему сообщению. Видел я этот ролик тоже. Это пример того как надо делать обзор девайса, хотя..., при таком количестве аппаратуры мог бы и осциллографом потыкать на выходное напряжение и выходной ток на шунте показать. На Али есть и более мощные подобные ЗУ. И у меня сразу возник вопрос, а как мозги, кроме ключевания тем фетом, управляют ещё и током? Неужели через оптопару все режимы регулируются? Просто крутится все время мысль, а может тумблером отключить управляющий сигнал с мозгов на БП и подключить  управление через ту же моргалку?  Ну и сигнал с клемм АКБ на Tl431 моргалка заводить по четырехпроводной линии. Будет два варианта использования кетайской коробочки - штатное и моргающее. Утопия?