Десульфататоры, самодельные и покупные

Автор Дм., 12 Янв. 2019 в 15:03

« назад - далее »

0 Пользователи и 1 гость просматривают эту тему.

Alex_Soroka

Цитата: denkisan от 03 Фев. 2020 в 12:43
проверить наличие генерации захватил МН-03  - неонку,  И когда подключил  радиолу и увидел что накал  на лампу подан значит  генератор должен работать, когда решил поднести неонку к вибратору
ну и зачем всё это внутри АКБ ? а что делать с банкой у которой 5-6 пластин ?
как в каждую из них правильно "максимумы" и "пучности" тока-напряжения затолкать ? ...особенно не зная точных размеров в милиметрах  ;-D :-D
баловство это все... и молчок про 6 банок внутри АКБ. Резонансы чего мерять ? между чем и чем ?  B-)

ЦитироватьПардоньте за оффтоп, но на форуме Рлоцман  тема так и заглохла, хотя  в тепличном хозяйстве такая подсветка была бы очень экономной.
а КПД вы правильно посчитали?
проще сделать светодиодную подсветку сейчас, потому что все "волновые процессы" это потери на КПД, и весьма большие.
Вот если-бы вы жили под ЛЭП - тогда другое дело - "воровайки" типа игрушки Капанадзе - очень бы зашли тогда для освещения теплиц :)

UriBas

#163
Цитата: Дм. от 03 Фев. 2020 в 12:15Только чего еще кроме разогрева Вы ожидаете от применения СВЧ?   Есть такое народное выражение: "от балды".
Да хотя бы даже просто разогрев, разогрев будет изнутри а не снаружи.. естественно подавать облучение малыми порциями, чтобы АКБ не взорвался и после каждой порции делать замеры температуры и всех остальных параметров.   Например, как при этом поведет себя эл-т с разной плотностью?  Как это скажется на кипячении, на начало (пороги) электролиза и на его интенсивность?..   

Если облучение даст положительный результат на устранение расслоения (за пару облучений), это уже будет прорыв и значительно сократит время восстановления - десульфации.   Кроме того, облучение наверняка окажет разное действие на разные по заряженности участки в АМ..   Конечно действовать надо не от балды" а по методике - давать малыми порциями и снимать характеристики разных по состоянию АКБ.  Хорошо бы в этом случае применить методику, что делает Киберпапа - пластины в стаканчике, чтобы было видно, что там творится..   
Спойлер
Само собой должна быть техника безопасности.
Интересная тема  -  СВЧ-метод борьбы с шашелем - https://www.stroimdom.com.ua/forum/showthread.php?t=200084  .. а может скоро появится тема и "свч метод восстановления (десульфации) АКБ" ...
Восточная мудрость - "Шакал воет - караван идет"  Эл.вел. 350Вт.   Верую в Иисуса Христа, НЛО.  тема "продвинутой моргалки" https://electrotransport.ru/index.php?msg=1669651

Vova_n

[user]UriBas[/user], Юрий во первых в СВЧ синусоидальные без прерывные колебания, единственное чего вы добьётесь это добьёте магнитрон или акб.
Начали бы вы с рации 27мГц в качестве источника ВЧ излучения например с дешбанской Си-Би ват на 10ть, удовлетворились бы и успокоились, оно как то и для здоровья безопасно и для акб.

UriBas

Цитата: Vova_n от 03 Фев. 2020 в 14:58[user]UriBas[/user], Юрий во первых в СВЧ синусоидальные без прерывные колебания, единственное чего вы добьётесь это добьёте магнитрон или акб.
На опыты и на разные приборы уже убил столько, что СВЧ бу печь за 10 долл - это семечки..  в крайнем случае, буду ей потом жуков уничтожать -))..   АКБ тоже есть для опытов - не жалко.  "Чует сердце - "птички летят туда не зря.." (Земля Санникова)"
Цитата: Vova_n от 03 Фев. 2020 в 14:58Начали бы вы с рации 27мГц в качестве источника ВЧ излучения например с дешбанской Си-Би ват на 10ть, удовлетворились бы и успокоились, оно как то и для здоровья безопасно и для акб.
По моему с печкой проще будет..   А синусоидальные (думаю) тут не имеет особого значения..  в крайнем случае, не мешает подавать и импульсами.. 
Восточная мудрость - "Шакал воет - караван идет"  Эл.вел. 350Вт.   Верую в Иисуса Христа, НЛО.  тема "продвинутой моргалки" https://electrotransport.ru/index.php?msg=1669651

denkisan

 Я спустя лет 10 повторно собирал этот генератор , но тогда появились энергосберегающие лампы,  а сейчас просто прикинул  Армстронговские светильники для подвесных потолков что стары люминесцентные, что новые светодиодные жрут по 36 -48 ватт,  А тот же ламповый генератор потреблял всего  суммарно (6,3в х0,3 а (накал) + 150 в х 0,03 ампера анодное) т.е 2 вт накал + 4,5 ватт по аноду   пусть сучётом КПД транса и выпрямителя 6,5 вт/0.8  и то  8 ватт.      - 40 и 8 ватт разница ощутимая? не на проценты а в разы! 
   Другое дело  ионизация газов, и совсем другое жидких электролитов.  Но ведь у Торнадо  нет СВЧ, они обошлись  ВЧ инициализацией, даже  можно сказать ударной.  Схема Торнадо 4 имется в интернете, правда только силовой части , без контроллера управления и датчиков.


   И купить магнетрон не проблема,   в б.у запчастях недавно брал для ремонта микроволновки всего за 500 р, это новый он стоит в 3-5 раз дороже. И если стрелять импульсами, то сгодится и элекрошокер,

serggio

Цитата: denkisan от 03 Фев. 2020 в 12:43Пардоньте за оффтоп
Вы бы хоть для приличия свои воспоминания под спойлер спрятали...

UriBas

Цитата: denkisan от 03 Фев. 2020 в 15:25Другое дело  ионизация газов, и совсем другое жидких электролитов.  Но ведь у Торнадо  нет СВЧ, они обошлись  ВЧ инициализацией, даже  можно сказать ударной.  Схема Торнадо 4 имется в интернете, правда только силовой части , без контроллера управления и датчиков. 
Спойлер
Судя по схеме, это что-то типа SEPIC преобразователь с разрядным модулем и прочее,  а применение внешнего СВЧ облучения это уже  как бы другая тема пошла, отдельно от Торнадо. 
Цитата: denkisan от 03 Фев. 2020 в 15:25..И если стрелять импульсами, то сгодится и элекрошокер, 
Это уже точно экстрим.. 
Восточная мудрость - "Шакал воет - караван идет"  Эл.вел. 350Вт.   Верую в Иисуса Христа, НЛО.  тема "продвинутой моргалки" https://electrotransport.ru/index.php?msg=1669651

denkisan

  Тут ведь возможно и нетрадиционный подход нужен, типа шарахнуло, все ионы  попрятались и расслабились и в это время их расслабленных  не сильным но обширным потоком смывает фигурально выражаясь.   
Спойлер
А в описаниях изобретений и тем более патентов автор должен застолбить возможно и общими фразами совокупность свойств и признаков , чтобы затруднить  последователям возможность доказательства приоритета.  Паскудное это занятие, во времена СССР проще было десяток рацпредложений внедрить и получить за них приличное вознаграждение, чем вести патентный поиск на глубину 25 лет, да еще по 5-10 передовым странам. Одно изобретение начал оформлять но таскать домой стопки высотой по полметра и весом по 10-15 кг уже через две недели надоело, на пол пути всё бросил, написал несколько рацух и успокоился.  Ведь иной раз идея например обеспечения герметизации электронной аппаратуры в широком температурном диапазоне уже запатентована совсем в другой отрасли, даже не подумаешь -  герметизация гробов!

Паяка

Цитата: denkisan от 03 Фев. 2020 в 12:43по схемам и чертежам из 4 номера журнала Радио за 1964 год
Спойлер
Это как раз генератор Зворыкина. Очень похож на тот, что смастерили в школе.

В старых комплектах оборудования кабинетов физики был генератор Зворыкина на меньшую частоту, больше размером, на октальных лампах. Один или два триода использовались, не помню.
GT TF1 60V 20Ah Chilwee DZF

Cyberpapa

Цитата: Vova_n от 03 Фев. 2020 в 03:11По мне так тут всё просто надо, что бы напряжение на пластинах достигало очень высоких значений и при этом акб не успевал вскипеть вот именно для этого нужны короткие высокие по напряжению импульсы и подавать их дозировано контролируя напряжение на акб.
[user]Vova_n[/user], как ЗУ узнает идет или не идет электролиз ?
Не знаю как у кого, однако в моих экспериментах с короткими импульсами большой амплитуды, при одинаковом токе и одинаковом напряжении на баретках, банка может выделять газ так, что электролит становится как молоко и может вообще не выделять. При этом эпюра напряжения почти не меняется и выглядит так :
Импульс ~ 100 нс + борода.



Период следования ~ 2мкс.




Vova_n

Цитата: denkisan от 03 Фев. 2020 в 15:25Схема Торнадо 4 имется в интернете, правда только силовой части , без контроллера управления и датчиков.
Это старая схема и не факт, что актуальная, эта больше похожа на обычную понижайку, а для мощных импульсов с индуктивности надо иметь диодную развязку с акб и конец дросселя обращённый к акб закорачивать на землю во время накачки дросселя. В общем я думаю схема не актуальна.
Цитата: Cyberpapa от 04 Фев. 2020 в 01:11как ЗУ узнает идет или не идет электролиз ?
Электролиз там всегда присутствует, вопрос в его интенсивности, узнать просто по напряжению и скорости его спада.
А для этого импульсы надо дозированно подавать и после пачки смотреть за уровнем напряжения и как быстро она спадает, как понимаете отдельно за банками там ник то не смотрит.


denkisan

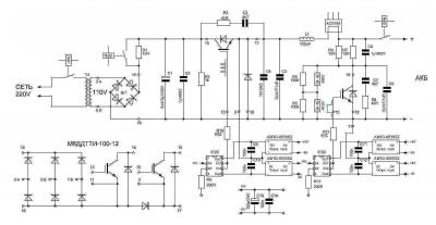
У транзисторов модуля напряжение 12 класс (1200вольт) ток 100 ампер, и от обратки диод уже встроен.  От того что вы думаете что схема не актуальна , хотя прекрасно работает в таком виде.  Основная изюминка которую повторить не зная алгоритма управления  - это контроллер, и даже при наличие его схемы без софта это бесполезно. Естественно патентообладатель не заинтересован в раскрытии всех тонкостей,  - это их хлеб!   Совокупность датчиков и обработка их сигналов это тоже ноу-хау.
Спойлер
У нас в 1975-1980 годах был закуплен в Японии завод по производству рентгеновских и фототехнических плёнок,  в то время отечественные технологии позволяли получить высокую чувствительность при нанесении эмульсий с содержанием серебра порядка 12-18 грамм на м2, по закупленной технологии которая при общей стоимости контракта в 49 млн $  оценивалась почти в 5 млн $ .нанос серебра снижался до 8- 10 грамм, это огромная экономия при массовом производстве!  Заполучив технологические карты и рецептуры наши технологи  принялись в лаборатории колдовать с новыми рецептурами, Но  нашим химикам так и не удалось до начала работ с японцами добиться наноса ниже 11-12 грамм.   Даже на стажировке в Японии когда наши технологи старались всё контролировать и не упустить какие то тонкости  результаты были не сильно лучше, Японцы отвлекли их предложив попить чая , и в это время их работник вылил в аппарат для варки эмульсии  буквально 200 мл какой то гадости,   Параметры плёнки взлетели !
  Позже при пусконаладке просто внесли изменение в рецептуру. Но даже пройдя стажировку на заводах Консироку (Кonica) и впитывая каждую заметную специалисту тонкость получить заявленный результат  не удалось!  Да. конечно за время подготовки и строительства производственных корпусов наши технологи тоже заметно снизили расход серебра, но ноу-хау в виде 8 толстых папок с рецептурой и регламентами стоимостью в 5 миллионов долларов, ещё тех которые были по 65 копеек. действительно стоил и того! Таким образом подстраховались ,чтобы до окончания сдаточных испытаний мы не могли получить выгоду от этого  контракта.

UriBas

Цитата: denkisan от 04 Фев. 2020 в 09:43У транзисторов модуля напряжение 12 класс (1200вольт) ток 100 ампер, и от обратки диод уже встроен.  От того что вы думаете что схема не актуальна , хотя прекрасно работает в таком виде.  Основная изюминка которую повторить не зная алгоритма управления  - это контроллер, и даже при наличие его схемы без софта это бесполезно. Естественно патентообладатель не заинтересован в раскрытии всех тонкостей,  - это их хлеб!   Совокупность датчиков и обработка их сигналов это тоже ноу-хау.   
В принципе, схема рассчитана на резонансное формирование импульсов заряда и разряда, при желании и умении можно примерно высчитать, на какие диапазоны частоты и напряжения настроена..  ну а формирование самих зарядных импульсов настраиваются на вторую производную напряжения и тока, т.е. на приращение скорости повышения или понижения и их взаимных пропорций..  что в принципе, правда в более простом виде, реализовано тут на форуме - в моргалках и других ЗУ.    Конечно ребята с Торнадо постарались, молодцы..  видно, что неплохие спецы по схемотехнике (и других областях).
Восточная мудрость - "Шакал воет - караван идет"  Эл.вел. 350Вт.   Верую в Иисуса Христа, НЛО.  тема "продвинутой моргалки" https://electrotransport.ru/index.php?msg=1669651

Cyberpapa

Цитата: Vova_n от 04 Фев. 2020 в 01:44А для этого импульсы надо дозированно подавать и после пачки смотреть за уровнем напряжения и как быстро она спадает, как понимаете отдельно за банками там ник то не смотрит.
[user]Vova_n[/user], Вы пробовали наблюдать за газовыделением обеих пластин у потрепанных батарей ?
Думаю никто не заморачивается с газовыделением, т.к. у всех активаторов батарей напряжение на клеммах поднимают значительно выше заявленного производителем АКБ.
Цитата: denkisan от 04 Фев. 2020 в 09:43У транзисторов модуля напряжение 12 класс (1200вольт) ток 100 ампер,
[user]denkisan[/user], если рассматривать опубликованную вами схему как П-контур (С4+С5, L1, C6+C8), то при плохом согласовании линии с нагрузкой (с АКБ) - напряжение на элементах может улететь за тысячи вольт, не зря же разработчик установил разрядники.
Спойлер

На всю жизнь запомнил, т.к. из-за громкого звука в момент прострела боялся близко находится с передатчиком:
На контур подается + 8 000 В, ток 8 А. Все работает без аномалий, четко и красиво, на протяжении нескольких часов. Однако, в какой-то момент происходил прострел с контура на корпус, искорка яркая, длиной 150-200 мм, звук напоминал выстрел пистолета. После прострела выбивало предохранители ввода, если не ошибаюсь - 100-150 А на каждую фазу.
Цитата: denkisan от 03 Фев. 2020 в 12:43Когда вылез опять на крышу и поднёс  трубку к вибратору она сразу вспыхнула, по всей длине и даже ярче чем от сети!
В аппаратных с работающими передатчиками, где все сделано правильно и вроде бы всё согласованно - при выключенном освещении люминесцентные лампы моргали в такт с морзянкой.

Vova_n

Ну, что будем испытывать  :-)
Отдельная благодарность [user]denkisan[/user], за, то что показал как работает промышленный десульфататор и к чему надо стремится при проектировании импульсного ЗУ :exactly:
Переделал силовую часть своей моргалки, вооружил её на этот раз не пульсациями, а импульсами.
Спойлер

Разница в пике импульса и среднего действующего напряжения 1в и выше и это средний ток всего лишь 1,2ампера, акб исправный не труп, пиковые значения тока превышают средний ток в 12-14раз.
Есть два отличных пациента на реанимацию, всё думал в какой опыт их пустить, а тут и база модернизированная подоспела :-)
flyback converter рулит.

WERAS


Владимир,что это  с красным кружком. .Это тот самый случай ,как вы меня говорили Клапирирование нет совсем? Пока я не перебирал выходной Снабер,у меня был такой длинный хвост.

Vova_n

[user]WERAS[/user], Если есть у тебя борода ты не услышишь слово Да  :-D
Спойлер
Уже убрал эту бороду, ни к чему её нюхать микроконтролеру.
Да к стати это напряжение на клеммах акб, в пике уже 15,5в а среднее 13,6в, вот сейчас по идее для десульфатации напряжение выше 15в подымать не придётся оно и так уже счекочет эту планку имульсами.

WERAS

Цитата: Vova_n от 05 Фев. 2020 в 08:23Уже убрал эту бороду, ни к чему её нюхать микроконтролеру.
Это я к тому,что торнадо почему то не режет бороду.Там ведь тоже частота преобразования похож как на Обратноход и ихнему БП борода не помеха.