Электро-транцевые колеса для лодки. Прошу помощи...

Автор Александр П, 19 Фев. 2019 в 09:53

« назад - далее »

0 Пользователи и 1 гость просматривают эту тему.

TRO

#54
А вообще, у китайцев полно интересных моторколес , например

Но использовать моторколеса для черепашьей езды расточительство.

Я бы купил парочку вот таких моторов

(эти конкретно для инвалидной коляски,
вроде с двухступенчатым редуктором,
и креплением колес прямо на ось)
Напердолил на них бы уже имеющиеся колеса, и горя бы не знал.



Wahoo 2012 29er, +собран складной двухосис на раме"Land Rover" 69er с эл. мотором, и и МОНОКОЛЕСО

kor

Цитата: TRO от 23 Фев. 2019 в 04:35Я бы купил парочку вот таких моторов
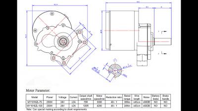
Похожи на коллекторные MY1016 только с двойной редукцией, надо узнать какой коэффициент редукции у них, если 25 и более то точно хороший вариант.

inetchik

На алике есть варианты по запросу: мотор инвалидной коляски.
К примеру https://s.click.aliexpress.com/e/btG7jTbc и  https://s.click.aliexpress.com/e/5ZUUXyQ с описанием характеристик.
SF8. B1-Р600 с ЛЖФ15S-19.5АЧ.
KUGOO-S2(MS) c переклеенными магнитами+Лифт+ПУ+DCfS v2.0.KUGOO-S2(LS) c Лифтом+ПУ.
Мы на карте.BR, Dmitry.

inetchik

SF8. B1-Р600 с ЛЖФ15S-19.5АЧ.
KUGOO-S2(MS) c переклеенными магнитами+Лифт+ПУ+DCfS v2.0.KUGOO-S2(LS) c Лифтом+ПУ.
Мы на карте.BR, Dmitry.

kor

https://ru.aliexpress.com/item/24v36v48v72v-balancing-Electric-Scooter-brush-gear-motor-Permanent-magnet-DC-motor-2-Wheel-Self-balancing-Electric/32783264722.html?spm=a2g0v.10010108.100008.2.860c20f5g5eE5l&pvid=19cdbd6d-507a-4c80-b2d8-a1681c1b5e9f&gps-id=pcDetailLeftTrendProduct&scm=1007.13438.124483.0&scm-url=1007.13438.124483.0&scm_id=1007.13438.124483.0
  Вот например: с редуктором 1:17 при 100об/мин от 12в (тот что 230об при 24в) и 13"колесах даст 6км/ч примерно. Момент номинальный самого мотора навскидку 1.5-2нм, с редуктором 1:17 даст примерно 25-35нм. А есть еще вариант с редуктором1:19.

andreykng

[user]inetchik[/user],
Цитата: inetchik от 24 Фев. 2019 в 09:36На алике есть варианты по запросу: мотор инвалидной коляски.
К примеру ссылка и  ссылка с описанием характеристик.
интересно а в них какая нибудь обгонная муфта стоит? иначе как катать руками, колеса то крутиться не смогут

Piramidon

Цитата: andreykng от 03 Март 2019 в 11:52
[user]inetchik[/user], интересно а в них какая нибудь обгонная муфта стоит? иначе как катать руками, колеса то крутиться не смогут
На том, что на фото никакой обгонной муфты нет, там блокировка между осью и колесом находится в ободе колеса, на червячных редукторах в самом редукторе стоит муфта на шлицах и с зубчиками для зацепления, она двигается рычажком по валу и входит в зацепление с другой половинкой вала.

1953kama

#61

Всем привет ,тоже больная тема для меня, года берут своё и катать лодку до берега стало тяжело, сначала хотел купить мини культиватор ,,Землячок,, ,поставить вместо фрез колёса и приспособить его для буксировки лодки ,но у него червячная передача и колёса в холостую крутится не будут. Сейчас хочу купить  мотопривод от садовой мото тачки ,
Вот мотопривод от тачки хочу приспособить для транспортировки лодки от гаража до берега, 700 м с двумя горками.
Буду смотреть где его приспособить с сзади или спереди лодки.
Конечно злектра колёса хорошая идея ,но надо искать подходящие под наши условия ,чтобы могли закатить лодку в горки и скорость на ровном участке должна быть не более 5 км/час.
Вот готовый вариант, испытал и очень доволен ,две горки и 800 метров до воды и обратно еду ,а не тащу лодку на себе.

и7

Приветствую всех участников форума!
Нашел единственную данную ветку в интернете об электрических транцевы колесах для лодки и та заброшена(
Автор, удалось ли решить задачу?
Попробую поднять данную тему, которая может быть интересна не только мне.
Задача: вывозить лодку на транцевых и носовом колесе ИЗ ВОДЫ на берег и завозить. Т.е. метров 20-30 с пешей скоростью. Вес лодки с мотором и шмурдяком 250кг, кантовать руками ее нереально. Берега бывают с разным уклоном.
Прошу посоветовать ВОДОНЕПРОНИЦАЕМЫЙ ЭЛЕКТРОДВИГАЛЕЛЬ, который можно установить на транцевые колеса, а ,может, и на носовое.
Идея содбрать нечто подобное sealegs. Пока без актуаторов конечно.
https://www.youtube.com/watch?v=6OdNxpn_U0E
Раньше на такие лодки ставили гидромоторы, но уже ставят электрические.
Также попалось видео с использованием мотор колеса для транспортировки лодки, может, кому поможет: https://youtu.be/UeVK6HhvM4c
Китайцы продают электрические подкатные колеса для прицепов 12 вольт, теоретически можно приколхозить к лодке для перемещения по земле, но скорость у них маловата конечно https://aliexpress.ru/item/1005003892373026.html?sku_id=12000027404034615&spm=a2g2w.productlist.i7.1.51ca7578rrobTb
Заранее благодарю за советы. Сильно не пинайте, на этом форуме пишу впервые.


ГенаКрокодил

Пару слов с точки зрения пользователя лодки.
Ну, во первых, дополнительная конструкция передвижения по суше лодки только в качестве помощника. Порой, особенно на песчаных поверхностях или травяной покров или обилие ям - так не хватает помощника, чтобы стронуть или разогнать для преодоления препятствия. Кто таскает - поймёт. Чтоб сама катила или толкала практически в любых условиях - это удорожание и повышение массы на десятки килограмм и стоимости в разы.
Второе - цена. Повышение требований: абсолютная водонепроницаемость, бОльшая мощность, улучшенный сервис - готовьтесь выкладывать денежку, удовольствие из недешевых.
Третье: спектр возможных вариантов - от гироскутерных до реально дорогих спецколес с Али, Амазона или других. Зависит от кошелька, грузоподъёмности, необходимого режима использования при спуске-вытаскивании и пр.
Единого универсального дешёвого варианта на все или многие случаи жизни не существует.

slav

Цитата: ГенаКрокодил от 03 Июль 2022 в 07:15Единого универсального дешёвого варианта на все или многие случаи жизни не существует.

Он есть - сила есть , ума не надо . ;-)  Шутю.  :-)

7ambrion

продаются спец наборы для электрофикации кэмпингов (дом-прицеп)) все работает от 12ти вольт и позволяет катать кемпинг с пульта ) там моторы с ректурами, вал от которых просто спец механизмом прижимается к колесам и крутит их )) все максимально просто и достачно успешно справляется с задачей даже в горах ) рекомендую обратить внимание на такое решение )

Лодочник_А

Цитата: ГенаКрокодил от 03 Июль 2022 в 07:15

Единого универсального дешёвого варианта на все или многие случаи жизни не существует.
дешёвого нет.Трим денег стоит, гидростанция не дешёвое удовольствие..
Работа  - последнее прибежище тех, кто больше ничего делать не умеет.  Оскар Уайльд.

aviator79

Для этих целей нужны ступичные моторы с большой редукцией, а такие используются на такелажных электро тележках. Но они довольно дорогие. Их необходимо будет доработать, установив сальник на ось колеса.

и7

Цитата: 7ambrion от 03 Июль 2022 в 09:20
продаются спец наборы для электрофикации кэмпингов (дом-прицеп)) все работает от 12ти вольт и позволяет катать кемпинг с пульта ) там моторы с ректурами, вал от которых просто спец механизмом прижимается к колесам и крутит их )) все максимально просто и достачно успешно справляется с задачей даже в горах ) рекомендую обратить внимание на такое решение )
Можете хоть какую-нибудь ссылочку кинуть, чтобы понять, о чем вы говорите? Простой поиск результатов, к сожалению, не дал.

7ambrion

вот у этих ребят ставил - https://xn--smrepunkt-m8a.no/campingmover/ )

а они где то в китае их заказывают ) предположительно на алике тоже есть )

Татос

Цитата: ГенаКрокодил от 03 Июль 2022 в 07:15абсолютная водонепроницаемость
Этот пункт лучше исключить. Довозить до берега, поднимать колёса и заталкивать лодку в воду вручную.
Ром? Джин? Сэр, я на службе . Ясно, значит Виски.

ГенаКрокодил

Цитата: Татос от 04 Июль 2022 в 10:04
Этот пункт лучше исключить. Довозить до берега, поднимать колёса и заталкивать лодку в воду вручную.
Увы, это в идеале. Порой сам подъезд к воде или из воды сильно осложнен: рыхлый песок с глиной, поверхность с ямами, растениями, плюс шквалистый ветер, плюс волна, плюс дождь, плюс случайно сорвавшееся, провалившееся в воду мотор-колесо, и (вишенка на торте) когда ты один без помощника. Именно когда один, проблемы возрастают в разы. При спуске-подьеме в одиночку приходится многократно перевыгружать грузы, мотор, горючку, особенно осложняется при плохой погоде, дожде, когда у берега трудно оставить лодку из-за нахлеста воды через борт. А ведь так охота побыстрее и при минимальных усилиях))).
Если рассмотреть с точки зрения минимального вложения средств типа использования гироскутерных колес в качестве помощника при буксировке резинок с грузом в одиночку, то стоит тщательно залачивать обмотки и покрывать лаком магниты. По-любому вода и влага будут проникать внутрь, следует пытаться максимально исключить ржавление и КЗ.
Чисто моё мнение из личного опыта - делать подобные устройства имеет смысл лишь при частых одиночных вылазках и то лишь когда надо быстро в одиночку переместить лодку с точки начальной выгрузки или, наоборот,  при окончании путешествия, когда лодку переместить в точку окончательной стоянки или перевоза. Далеко не на всех стоянках есть возможность подъехать прямо к водоёму для разгрузки-погрузки. Тогда и не нужно возить с собой в лодке колеса, аккумы и электронику. Брать с собой - лишний вес, заботы, проблемы. Повторюсь, чисто личное мнение.