Li-Force E-TWOW электроника, механика, ремонт и модернизация. FAQ. - Страница 20
 

E-TWOW электроника, механика, ремонт и модернизация. FAQ.

Автор us__007, 25 Апр. 2014 в 00:56

« назад - далее »

0 Пользователи и 1 гость просматривают эту тему.

Slider

Кто-нибудь в Питере сможет помочь победить двойные мигания в контроллере?
ЗЫ. Холл в заднем тормозе отрезан уже более года и раньше его отсутствие ни на что не влияло...
Eltreco TT - компактность и комфорт. 70 в + MaxController + МАС 6Т = 55 км/ч. Электросамокат Е-Twow S2 Booster plus.

Scooters2

[user]Slider[/user],
1. "упала максималка. Максималка теперь 20 км/ч на холостом и не больше 16 на дороге"
2. "перестал работать рекуперативный тормоз"
3. "теперь при включении кнопки питания дисплее полностью гаснет"

Красный светодиод, насколько я помню, сигнализирует о включении слаботочки и вообще контроллера. Боюсь не замкнули ли вы что-то, как и я, могла тоже выйти из строя контроллерная микросхема. Я просто прозвонил все транзюки и резисторы, потом отпаивал от ног контроллера все газы и тормоза и подавал свои сигналы, так узнал, что помер контроллер в части главной микросхемы.

jwh

Крепеж красного фонаря на заднее крыло:



Материалы:
Фонарь с лазерами: http://ru.aliexpress.com/item/2014-HIGH-QUALITY-2-Laser-5-LED-Cycling-Bicycle-Bike-Taillight-Warning-Lamp-Flash-Alarm-Light/32241711894.html?spm=2114.031020208.3.1.JSVyq4&ws_ab_test=searchweb201556_9_71_72_73_74_75,searchweb201527_4,searchweb201560_9
Поликапролактон: http://robocraft.ru/shop/index.php?route=product/category&path=36 (рекомендую, очень классный материал!)

Делаем две полоски из пластика, одной "охватываем" заднее крыло, второй - фонарь. Затем при помощи фена склеиваем обе полоски вместе.






Единственный минус - для того, чтобы сложить самокат, фонарь приходится снимать. Уверен, можно сделать более практичные решения, но и это работает отлично!)

Scooters2

Уже давно придумал вариант не требующий извлечения, на одной зарядке на несколько месяцев хватает и регулируется яркость. Три режима работы, включая 2 строба.
Крепится на штатные винтики самоката с двух сторон.

https://electrotransport.ru/index.php?topic=23628.msg611553#msg611553


PeaceHaver


Scooters2

#347
Цитата: PeaceHaver от 29 Окт. 2015 в 14:30
Единственный вопрос: зачем?

Архиважно для езды по дорогам, особенно в темное время суток. При остановках у светофора на красный свет, водители показывают большой палец вверх и говорят, что меня видно. Иногда и велосипедистам на тротуаре помогало держать дистанцию позади самоката.
Даже в метро, видя работающие габаритники сзади, пассажиры больше не задевают брызговик заднего крыла. А самокат я хоть и могу складывать, но не делал этого уже много месяцев :) Я наоборот облокачиваюсь на руль и катить удобнее в разложенном виде. Вешаю вещи на руль, пока минут 40 трясусь в вагоне.

PeaceHaver

Цитата: Scooters2 от 29 Окт. 2015 в 14:33
Цитата: PeaceHaver от 29 Окт. 2015 в 14:30
Единственный вопрос: зачем?

Архиважно для езды по дорогам, особенно в темное время суток. При остановках у светофора на красный свет, водители показывают большой палец вверх и говорят, что меня видно. Иногда и велосипедистам на тротуаре помогало держать дистанцию позади самоката.
Даже в метро, видя работающие габаритники сзади, пассажиры больше не задевают брызговик заднего крыла. А самокат я хоть и могу складывать, но не делал этого уже много месяцев :) Я наоборот облокачиваюсь на руль и катить удобнее в разложенном виде. Вешаю вещи на руль, пока минут 40 трясусь в вагоне.
Что-то мне подсказывает, что светоотражающий жилет в смысле заметности куда как круче.

Эка у Вас свободно в метро-то, я давно такого счастья не видал, хоть и не в час пик выезжаю.

gde700

Светоотражающий жилет круче, но красные задние фонари всем привычнее и заметнее. К тому-же почти постоянно попадаются велосипедисты вообще без световых приборов... Да и по дорогам "призраки" с нерабочим освещением как-то регулярно встречаются....
Li-Ion microvast 55,5V 22Ah
DUAL-E-TWOW S2 15s1p 2x6fet nuclear! :)
Begode Tesla V2 литровая.

PeaceHaver

Цитата: gde700 от 29 Окт. 2015 в 16:12
Светоотражающий жилет круче, но красные задние фонари всем привычнее и заметнее. К тому-же почти постоянно попадаются велосипедисты вообще без световых приборов... Да и по дорогам "призраки" с нерабочим освещением как-то регулярно встречаются....
Ну, не будем о каличных коллегах. Все же фонари привычнее метровой высоте, а не на уровне подошвы. И все же ничто не вызывает такуюпаническую реакцию на дороге как зеленый светоотражающий жилет имени сотрудников ДВС - уж поверьте. Организм так реагирует жестко, что никаким лампочкам не снилось.

Scooters2

А я одеваюсь так, как я хочу, самокат самодостаточен и на меня дополнительно "вешать" ничего не нужно. Еще спереди самоката есть мощная фара , которая в режиме строба видна в зеркала заднего вида. А мощный звуковой сигнал спасал уже 3 раза меня от аварии, когда машина наплевав на других участников либо вылетала наперерез на дорогу либо ехали прямо по тротуару.

gaaa

Цитата: PeaceHaver от 29 Окт. 2015 в 16:24
И все же ничто не вызывает такуюпаническую реакцию на дороге как зеленый светоотражающий жилет имени сотрудников ДВС - уж поверьте. Организм так реагирует жестко, что никаким лампочкам не снилось.
:laugh:  Это пять!  :wow:

jampa

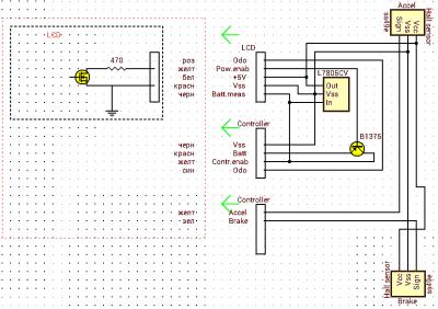
Цитата: us__007 от 11 Май 2014 в 17:38
Наконец то перерисовал схему включения электросамоката.
Что бросилось в глаза, нет конденсаторов в обвязке линейного стабилизатора. Я бы от себя еще добавил супрессор по цепи 5В.



Частенько стали задавать вопросы про датчики холла, в самокате стоят аналоговые датчики SS49E, проверить их можно следующим образом:
Нужно вскрыть дисплей (4 самореза - 2 длинных и 2 коротких)и на включенном самокате вольтметром измерить  напряжения на проводах желтого (газ) и зеленого (тормоз) цветов двух-контактного разъема, относительно черного провода в четырех-контактном разъеме. Так-же измерить напряжение на белом проводе (+5В) пяти-контактного разъема относительно черного провода четырех-контактного разъема - оно должно составлять 4,5 - 5,5В.
Напряжения на желтом и зеленом проводах должны быть в пределах 0,3 - 0,7В при отпущенных ручках газа и тормоза и 4 - 5,5В при полностью нажатых, а также плавно изменяться при нажатии на ручки. При отличии напряжений от указанных, а также отсутствии изменения напряжения при нажатии - необходимо заменить датчик холла. При отклонении напряжения +5В на белом проводе от указанного диапазона необходимо заменить линейный регулятор L7805CV. см. схему.

Это точная схема?
Хочу выбросить плату с датчиками холла и спаять заново, так как в ней трудно разобраться,
Все дорожки потрескали. Если по этой схеме все спаяю, будет работать, выводы транзистора , преобразователя и датчиков холла там правильно отображены?

Добавлено 30 Окт. 2015 в 15:10


Цитата: jampa от 30 Окт. 2015 в 15:09
Цитата: us__007 от 11 Май 2014 в 17:38
Наконец то перерисовал схему включения электросамоката.
Что бросилось в глаза, нет конденсаторов в обвязке линейного стабилизатора. Я бы от себя еще добавил супрессор по цепи 5В.



Частенько стали задавать вопросы про датчики холла, в самокате стоят аналоговые датчики SS49E, проверить их можно следующим образом:
Нужно вскрыть дисплей (4 самореза - 2 длинных и 2 коротких)и на включенном самокате вольтметром измерить  напряжения на проводах желтого (газ) и зеленого (тормоз) цветов двух-контактного разъема, относительно черного провода в четырех-контактном разъеме. Так-же измерить напряжение на белом проводе (+5В) пяти-контактного разъема относительно черного провода четырех-контактного разъема - оно должно составлять 4,5 - 5,5В.
Напряжения на желтом и зеленом проводах должны быть в пределах 0,3 - 0,7В при отпущенных ручках газа и тормоза и 4 - 5,5В при полностью нажатых, а также плавно изменяться при нажатии на ручки. При отличии напряжений от указанных, а также отсутствии изменения напряжения при нажатии - необходимо заменить датчик холла. При отклонении напряжения +5В на белом проводе от указанного диапазона необходимо заменить линейный регулятор L7805CV. см. схему.

Это точная схема?
Хочу выбросить плату с датчиками холла и спаять заново, так как в ней трудно разобраться,
Все дорожки потрескали. Если по этой схеме все спаяю, будет работать, выводы транзистора , преобразователя и датчиков холла там правильно отображены?

Локтионыч

После покупки прокатал 420 км при весе 93 кг+рюкзак 5-10кг и понял, что при том, что я снова" не разбирая узлов все, что можно посмазал, пора основательно перетряхнуть и усилить подвеску. Начал с задка, но там все просто: втулку резино-полиуретановую собственного литья вложил, еще раз смазал и порядок. А вот когда разобрал, наконец, после некоторых мучений передок, я увидел, что пространство добрых 1,3мм по кругу между штоком и стальной втулкой амортизатора вообще ничем не занято (хотя может быть и было кем-то когда-то запланировано), то есть я все это время ездил только на одном сальнике, призванном лишь сдерживать смазку O_O. И я так понял, что ситуация повальная :-(. Короче, выход на самом деле простой, надежный и бесплатный, к сожалению для некоторых :-P :hello: Идем на помойку, если дома таковой нет, выламываем кусок с ладошку стеклопластикового покрытия какой нибудь старой совковой кухни, далее доводим его до 1,3 мм (снять где-то всего пару десяток) и нарезаем резаком для оргстекла из него восемь полосок 8,5х60 мм и перед сборкой приклеиваем к штоку ам-ра на  его густую смазку и спокойно запихиваем весь этот пирог обратно во втулку(если плотновато, не страшно, притрется - хуже прослабить). Материал нереальной прочности на сжатие и на истирание, хим. стойкий. А для больших и тяжелых людей нужно в стандартную пружину внутрь ввинтить еще одну от механизма открывания зонтика, она как раз туда в аккурат заходит, особенно если откусить ее начальный прижатый виток что бы лучше ввинчивалась. Длина хода полностью сохраняется. Я с рюкзаком встаю проседает на 1 см. Можно конечно это чудо точить из капролона, или вообще линейные подшипники поставить, но  в этом электро-костыле и кроме этой хватает еще незаткнутых дыр, и я всерьез намереваюсь их все заткнуть, о чем буду писать дополнительно. :-) 

gde700

[user]Локтионыч[/user], там должна стоять втулка. Описание, обсуждение и заказ этого чуда здесь: https://electrotransport.ru/index.php?topic=28825.0
Li-Ion microvast 55,5V 22Ah
DUAL-E-TWOW S2 15s1p 2x6fet nuclear! :)
Begode Tesla V2 литровая.

ReSharVladimir

Я его сообщение как раз из той темы в эту перенес. В той теме, все же, заказ втулок обсуждается. Но если таким способом получится решить проблему - почему нет?
Кто хочет делать - находит средства, кто не хочет - ищет оправдание. (С.П.Королев)
Качественные электросамокаты, мотор-колеса для самокатов, велосипедов и мотоциклов продаются тут.
http://elsamokat.narod.ru/

gde700

Понял... Но может лучше тогда не из кусочков собирать, а выклеивать из стеклоткани? Да и нормальные втулки на подходе....
Li-Ion microvast 55,5V 22Ah
DUAL-E-TWOW S2 15s1p 2x6fet nuclear! :)
Begode Tesla V2 литровая.

Slider

Потихоньку продолжаю ковыряться со своим самокатом, снова разобрал дисплей и обнаружил не присоединенный черный провод. Осмотр платы дисплея никаких мест, откуда бы он мог отвалиться, ничего не дал. Вроде все на месте. Кто может сказать куда он должен быть присоединён или как это установить?
Фото:

Провод на фото на самом верху
Eltreco TT - компактность и комфорт. 70 в + MaxController + МАС 6Т = 55 км/ч. Электросамокат Е-Twow S2 Booster plus.

Slider

Посмотрел, два красных повода выходящих из этой дырки спаяны вместе к одной точке. Спаял также оба черных. Ничего не поменялось.
Прозвонил все провода с контроллера на дисплей - все нормально.
Посмотрел холлы, питание на них есть, при нажатии на курок напряжение меняется в пределах 0-4,95. Так что похоже в порядке. Но контроллер при включении продолжает мигать светодиодами...
Eltreco TT - компактность и комфорт. 70 в + MaxController + МАС 6Т = 55 км/ч. Электросамокат Е-Twow S2 Booster plus.