Li-Force ЗУС 4 обзор и опыт эксплуатации - Страница 6
 
avatar_ИС-Х

ЗУС 4 обзор и опыт эксплуатации

Автор ИС-Х, 24 Фев. 2016 в 16:47

« назад - далее »

0 Пользователи и 1 гость просматривают эту тему.

ИС-Х

[user]baton45[/user], допускаю. Могу прийти к соседу со своим новым Флюком (тоже сделан в Китае, а где еще?), как будет время у меня и у него.
Хотя, эта разрядка нужна лишь для слежения за динамикой лечения. Точные слитые ач и не нужны, зачем тут копья ломать.
Раз Сорока говорит, что все точно, значит так и есть!
Моя первая моргалка: https://electrotransport.ru/index.php?msg=588520
Вторая моргалка: https://electrotransport.ru/index.php?topic=31184.0
Третья моргалка: https://electrotransport.ru/index.php?msg=1130718
Еще в багажнике валяется BL1204 на всякий пожарный...

baton45

Согласен, что важно именно динамику увидеть. :exactly:
Вряд ли там такие разхлябанные элементы, что будет бросать в стороны как поезд на кривых рельсах.
Тем более там ток не всегда постоянный. :eureka:

ИС-Х

[user]Yury[/user], на цифровых каналах помех нет, с носителей тоже, помехи только на аналоговом вещании.

Цитата: Yury от 01 Март 2016 в 12:27Разрядная схема собрана на реле (форумчане посоветовали), ток до 10А...ток разряда измерялся
А вот здесь у вас прокол в защите. При рекомендуемой схеме с реле разрядный ток нагрузки не может быть измерен в принципе, ибо он проходит не сквозь "измерительный" IRFZ34, а через контакты реле, иначе зачем умощняющее реле.
ТОР4 покажет лишь ток катушки реле.
Моя первая моргалка: https://electrotransport.ru/index.php?msg=588520
Вторая моргалка: https://electrotransport.ru/index.php?topic=31184.0
Третья моргалка: https://electrotransport.ru/index.php?msg=1130718
Еще в багажнике валяется BL1204 на всякий пожарный...

Карман

Полистал темку и чего то недопонимаю.
Вот есть критика, она (теоретически) должна толкать автора изделия к усовершенствованию своего детища и устранению недостатков. Есессно если критика конструктивная, по делу, и автор адекватно на нее реагирует.
Вопрос в другом. ЗУС ведь продается в виде полуфабриката (готовая плата с "мозгами")? Или не?
Если так, то почему бы желающим не брать именно полуфабрикат? И ставить его в любой корпус, какой захотите - хоть в готовый, например от компового БП, хоть в самодельный, выдолбленый из бревна или свареный из титановых пластин. Вентилятор - да хоть с автомобильной "печки". Радиаторы - хоть со сварочного выпрямителя.
И будет вам счастье, да еще и дешевле готового устройства.

Павел Валерьевич

Я предпочёл взять таки в корпусе. Сам всё равно лучше не сделаю. Меня мои вечно бескорпусные поделки уже достали, того и гляди замкнёт или отвалится. Найти или сделать корпус всегда проблема.

Aerlex

#95
Цитата: baton45 от 01 Март 2016 в 12:19
Надеюсь провода у мультиметра не родные, часом при замере сильно не грелись? ;-)
Для напряжения сопротивление проводов и клемм побоку, а вот для токов в 5-6А уже что-то. Там 1-3 Ома на ура гуляют по проводу. Получите падение напряжения.

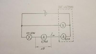
Это каким образом имеет отношение к измерению тока в последовательной цепи? Персонально для Вас нарисовал эквивалентную схему моего измерения. Очень хотелось-бы услышать Ваше профессиональное заключение о причинах столь разных показаниях "амперметров", включенных последовательно и какое сопротивление проводов должно быть, чтобы амперметры показали одинаковые значения... Думаю Ваше заключение будет интересно не только мне, но и другим читателям.


Критика моих измерений от уважаемых Alex_Soroka и baton45 вполне обоснована - я мерил, тем что есть. "На безрыбье и рак - колбаса". Собственно, чтобы не вводить читателей в заблуждение, возникло неудержимое желание провести эксперимент повторно, но более "авторитетными" приборами. Мне пообещали организовать небольшую поверку ЗУСа в метрологической лаборатории. Официальное заключение с печатями не обещают, но думаю результатам можно будет верить. Правда сие мероприятие обещают организовать не ранее, чем на следующей неделе и существуют некоторые сложности - режимное предприятие. Очень надеюсь всё "срастётся".

Отдельный вопрос к уважаемому Alex_Soroka: При каком токе необходимо провести измерение тока разрядной цепи, чтобы максимально "повторить" режим Вашей калибровки, ведь очевидно, что характеристика не линейна, так как ЗУС малые токи вообще "не видит" (иначе говоря - погрешность измерения ЗУСа при малых токах составляет -100%).

P.S.: Огромная просьба к пользователям ЗУСа провести подобный эксперимент и отписаться в данной теме. Измерения одного человека - не показатель, а лишь частный случай.
ЗУ: ЗУС Версия4(ТОР), Электроника УЗС-П-12-6.3, Maha MH-C9000, La Crosse BC-700, Pila IBC™ 4-stage Charger
НЕЗАВИСИМЫЙ Обзор Версия4(ТОР) А что внутри? :  https://electrotransport.ru/index.php?topic=33514.0 - В поисках ИСТИНЫ
Я по жизни очень большой зануда, не нужно это мне доказывать - я об этом знаю и недостатком не считаю

Павел Валерьевич

[user]Aerlex[/user], а что там мерить, у меня все "нагрузики" давно откалиброваны, на трёх с половиной амперах подвирает на 3 десятки в большую сторону. Кроме того ЗУС считает по 3 десятки- цена деления. Для вас это является проблемой?

baton45

[user]Aerlex[/user], тогда уж и мультиметр свой проверьте, в коем веке ему такое счастье выпадет. Цепь одна, да приборы измерения абсолютно не идентичны. Каждый является АЦП преобразователем со своими заморочками. Если ваши знакомые вам помогут, то выкладывайте, чего шило в мешке таить. Только провода родные мультиметра тоже проверьте. Уж очень они обычно бедные и хлипкие. На чем  только продавец из Китая не сэкономит, только бы досадить радиолюбителю.  ;-)

Aerlex

#98
[user]Павел Валерьевич[/user], Собственно, тогда для меня совсем не понятно для чего писать вот это:
Цитата: Alex_Soroka от 01 Март 2016 в 10:04
КАЖДОЕ ЗУ калибруется после сборки и индивидуально настраивается на "сопротивление канала", так что в каждом ЗУ стоит внутри свой коэфф. пересчета  :hello:

Мне всегда казалось, что после калибровки приборы показывают результат измерения с погрешностью в РАЗУМНЫХ пределах, а не как у меня получилось +24...30%
И я точно уверен, что слово "калибровать" идёт от слова "калибр", а не от слова "кал".
ЗУ: ЗУС Версия4(ТОР), Электроника УЗС-П-12-6.3, Maha MH-C9000, La Crosse BC-700, Pila IBC™ 4-stage Charger
НЕЗАВИСИМЫЙ Обзор Версия4(ТОР) А что внутри? :  https://electrotransport.ru/index.php?topic=33514.0 - В поисках ИСТИНЫ
Я по жизни очень большой зануда, не нужно это мне доказывать - я об этом знаю и недостатком не считаю

baton45

    Да ничего у вас пока не получилось. Если бы у вас были 2 одинаковых амперметра, абсолютно, с одинаковым классом --- тогда пожалуйста, можно подумать. А так петрушка и ватрушка. Сами знаете, что там не шунт с вольтметром, а електронная схема. При том одна слеплена кривыми почти детскими ручонками.
    Ваш посыл понятен, результат интересен. Но давайте не выносить в текст понятие жизнедеятельности организмов. А то уже мухи слетаются, распираемые завистью.

Alex_Pchelkin

Цитата: baton45 от 01 Март 2016 в 23:32Но давайте не выносить в текст понятие жизнедеятельности организмов. А то уже мухи слетаются, распираемые завистью.
Давайте. Давайте будем меньше писать что попало, и больше использовать грамотный технический подход. Он должен начинаться с изучением технических характеристик изделия, предоставленных изготовителем. Если какая то из погрешностей не нормируется, так и следует написать - не нормируется. Иначе, обозначить её гарантированную погрешность, можно добавить типичную. Когда ничего не написано, или написано не строго, то это порождает вакханалию.
Измерение характеристик аккумулятора. Селекция способов заряда, разряда и восстановления. natrim.ru
Мои сообщения - утверждения и задачи без флуда.

Alex_Soroka

#101
Существует "его величество рынок": не нравится - не покупай.

andrejea2

иЗ-ЗА модерации моего сообщения никто не видит, повторюсь и дополнюсь.
Цитата: andrejea2 от 01 Март 2016 в 09:17
Мой экземпляр ЗУ при подключенной разрядной лампочке 60Вт, показывает ток 5.6А.
Мне этого мало, так как разряжаю АКБ в номинале 200-220А*ч.
У меня есть лампы 17В 170Вт. При подключении такой лампы к ЗУСу, он показывает ток сначала 9.6А, а через несколько минут устаканивается на 11А. Реальный ток могу измерить только клещами, но у них точность в таком диапазоне очень плохая.
Могу ли я (при какой-нибудь доработке) использовать такую разрядную нагрузку долговременно без реле?

Воспользовался режимом "-1R- Ur=12v +STD"("-1-SUr12") 85 Ah, оставил АКБ на ночь. Придя утром обнаружил уже заряженный АКБ. Счетчик показывал Ahs=46. Периодически мелькала надпись Accum connected и test Accum. Импульсы тока длились 1-2 сек. Справа внизу индикатора показывало " !!! *".
Я попытался по инструкции посмотреть сколько Ач выкачало при разряде. Но ЗУС не реагировал на нажатие левой кнопки. Тогда я отключил АКБ и пролистал правой кнопкой до параметра AhS, он показал теже самые 46 А*ч. Каким же образом правильно посмотреть счетчики разряда и заряда? Что означает !!! *   ? И почему я видел надпись Accum connected и test?
При попытке заряда АКБ 200А*ч в режимах Std 100 и 150  мой экземпляр ЗУСа перезагружается при первом же импульсе тока, это нормально? В режиме 85 А*ч зарядка работает, но в конце заряда (через день) перезагружается при каждом импульсе тока. Лечится переводом в режим 70 А*ч. Типичные показания амперметра ЗУСа при работе с данным АКБ 10-12 А.
Прошу помощи с данным устройством. Дополню, что устройство изначальное приехало по почте неисправным, мне пришлось заменить шнур питания. Изготовитель не отвечает на мое письмо о неисправности прибора.

Alex_Soroka

#103
Цитата: andrejea2 от 02 Март 2016 в 14:12
При попытке заряда АКБ 200А*ч в режимах Std 100 и 150  мой экземпляр ЗУСа перезагружается при первом же импульсе

нда... типичный случай.
а потом такие вот темы появляются как эта...

для кого пишется инструкция ?
http://adopt-zu.soroka.org.ua/ver4TOP.html
тут есть ответ и решенеи по вашему вопросу.  :hello:

Цитироватьэто нормально?
это нормально, надо читать сначала Инструкцию и советы которые в ней, а потом задавать вопросы.

Я отвечаю на все письма, если у вас спамкопы все трут то это не мои проблемы, я про это вам уже раз пять написал, теперь вы решиле на форум это все вынести. B-)

...Надолела мне вся эта бодяга...

у меня есть тема для общения с Покупателями, здесь на этом форуме.
от этой темы я отписываюсь.

Alexandro

[user]andrejea2[/user],
Ну как получил ответ по сути вопроса? ;-D Иди дурак читай инструкцию,учи химию,чини розетку :-D

TOP250Y

Цитата: Alex_Soroka от 02 Март 2016 в 14:34
Цитата: andrejea2 от 02 Март 2016 в 14:12
При попытке заряда АКБ 200А*ч в режимах Std 100 и 150  мой экземпляр ЗУСа перезагружается при первом же импульсе

нда... типичный случай.
а потом такие вот темы появляются как эта...

для кого пишется инструкция ?
http://adopt-zu.soroka.org.ua/ver4TOP.html
тут есть ответ и решение по вашему вопросу.  :hello:
При всём глубоком уважении к А.В. Сороке и его замечательному творению ЗУС V4 смею возразить!
Все читают инструкцию!!! Абсалютно все!!! Именно после прочтения оной и появляются такие темы как эта. Когда написано одно, а на деле получается другое. Конкретно по этому вопросу в инструкции настолько завуалировано и "размазано", что даже опытный технарь не с первого раза поймёт. Неужели за столько лет нельзя написать нормальную инструкцию с коммнетариями, а не транжирить время на этом форуме якобы борясь с невежами не понимающими  инструкцию.
Скорее всего придётся это сделать самому, на основании личного опыта пользования зу и выложить на всеобщее "рецензирование".

Цитата: Alex_Soroka от 02 Март 2016 в 14:34
Цитироватьэто нормально?
это нормально, надо читать сначала Инструкцию и советы которые в ней, а потом задавать вопросы.
В инструкции эти "грабли", на которые наступают абсолютно все, должны быть прописаны чётко, а не сведены к двум незначительным рекомендациям затерявшимся в массиве текста.

ИС-Х

#106
Цитата: Alexandro от 02 Март 2016 в 15:22;-D Иди дурак читай инструкцию,учи химию,чини розетку :-D

Тестеры - дерьмо, телеки - дерьмо, все китай...  сеть 220 - дерьмо,  народ - дерьмо (последние не китай, но все равно дерьмо)...  только я один в шоколаде !

Это у А.Сороки просто тактика такая.
Моя первая моргалка: https://electrotransport.ru/index.php?msg=588520
Вторая моргалка: https://electrotransport.ru/index.php?topic=31184.0
Третья моргалка: https://electrotransport.ru/index.php?msg=1130718
Еще в багажнике валяется BL1204 на всякий пожарный...

Aerlex

Цитата: Alex_Soroka от 02 Март 2016 в 14:34
Я отвечаю на все письма, если у вас спамкопы все трут то это не мои проблемы, я про это вам уже раз пять написал, теперь вы решиле на форум это все вынести. B-)

Очередная рекомендация для Пользователей ЗУСа:
При возникновении вопросов к Alex_Soroka и обращению по электронной почте необходимо учитывать, что Ваше письмо, либо ответ на него, может быть НЕ ДОСТАВЛЕНО АДРЕСАТУ. Alex_Soroka в этом не виноват - спам-фильтры (как отправляющей, так и принимающей сторон) он не настраивает. Учитывая данный фактор, если ответа долго нет, попробовать использовать другой свой адрес электронной почты.

В моём случае при отправке чека о оплате ЗУСа с моей почты прилетел "отбойник" - сообщение не доставлено адресату. При отправке с домена @gmail.com проблем не возникло.

Важное замечание: Alex_Soroka - это один человек.
1. У него есть своя работа, как и у любого из нас
2. Он сам производит свою продукцию
3. Он сам отправляет посылки
4. Он один из ключевых фигур нашего форума. Нужно признать - Без него мы многово-бы не знали. Многим из нас он "открыл глаза" в пользовании свинца. Посему ему также необходимо время для поддержания активности форума, давать нам советы, отвечать на наши вопросы, какими-бы они не были.
5. Ему необходимо отвечать на наши письма.
6. Как любому из нас нужно время на личную жизнь.

Очевидно, что он на письма отвечает расставив приоритеты в заданных вопросах. Задал в почте значимый вопрос - получишь ответ быстро; задал вопрос, на который ответ очевиден или много раз "обсасывался" на форуме, или есть ответ в Инструкции (там тоже много полезного) - допускаю, что ответа можешь и не дождаться. Приоритеты расставлять - его право.

В моём случае: написал ему посредственные вопросы - 5 дней без ответа, на 6 день возникла проблема - продублировал вопросы и написал о проблеме - на 3 день получил ответ. На мои "сроки ответа" тоже сильно не ориентируйтесь, потому-что в тот период он болел, о чём известил форумчан в своей теме https://electrotransport.ru/index.php?msg=735092

Поставьте себя на его место - всё станет для Вас очевидно, какого-бы Вы мнения о Alex_Soroka не были.
Золотое правило нравственности: «Относись к людям так, как хочешь, чтобы относились к тебе»
ЗУ: ЗУС Версия4(ТОР), Электроника УЗС-П-12-6.3, Maha MH-C9000, La Crosse BC-700, Pila IBC™ 4-stage Charger
НЕЗАВИСИМЫЙ Обзор Версия4(ТОР) А что внутри? :  https://electrotransport.ru/index.php?topic=33514.0 - В поисках ИСТИНЫ
Я по жизни очень большой зануда, не нужно это мне доказывать - я об этом знаю и недостатком не считаю