Li-Force Кареточные моторы с торсенсором Tongsheng TSDZ2, 250-500W
 
avatar_dengor2

Кареточные моторы с торсенсором Tongsheng TSDZ2, 250-500W

Автор dengor2, 01 Май 2016 в 21:22

« назад - далее »

0 Пользователи и 1 гость просматривают эту тему.

dengor2

Mid drive Tongsheng TSDZ2 и TSDZ3 (от 36V/250W до 52V/750W) - двигатель средней мощности со встроенным контроллером и сенсором нагрузки педалей (torque-sensor).
Ссылки
Покупка
Важно знать перед покупкой!
Помимо характеристик мощности и рабочего напряжения, двигатели подразделяются ещё и по типу подключаемого дисплея:
  • С 6-pin разъёмом
  • С 8-pin разъёмом
Опционально можно подключить ручку/курок газа и две ручки тормозов.
Подключить курок газа можно только к мотору с дисплеем 8-pin. Так как выходят разные модели дисплеев, нужно смотреть количество контактов в каждом случае. Для подключения ручки газа используется разветвитель.

Важно: "Чем отличаются моторы напряжением 36/48V и мощностью 250/350/500/750W ?" - от [user]viziri[/user]: [b-b]Электротранспорт.ру[/b-b]
Алибаба: [b-b]russian.alibaba.com[/b-b]
Али: TS-eBike Store Ebird Store Запчасти Pswpower Store
Удлинитель оси для фэтбайка (до 100-120 мм): [b-b]Amazon[/b-b]
Обгонная муфта CSK30P: [b-b]Amazon[/b-b]
Прочие: pswpower.com recycles-ebike.com
TSDZ8: https://russian.alibaba.com/p-detail/TSDZ-1600977792135.html
https://aliexpress.ru/item/1005006285392625.html
FAQ
Как это работает?
Спойлер
Распиновка курка газа от [user]Morr_A[/user]: [b-b]Электротранспорт.ру[/b-b]
Датчик холла в курке газа от [user]Morr_A[/user]: [b-b]Электротранспорт.ру[/b-b]
Градация напряжения TSDZ2 с VLDC5 дисплеем от [user]viziri[/user]: [b-b]Электротранспорт.ру[/b-b]
Схемы контроллеров и 6/8-пиновых коннекторов от [user]viziri[/user]: [b-b]Электротранспорт.ру[/b-b]
Схема проводки от контроллера для дисплея VLCD5 (кит.): [b-b]PDF[/b-b]
В. Сколько выдают линии питания габаритов (ток) на TSDZ2 ? О. "6В 1А. Не превышать нагрузку выше 1А, отгорит. На постоянку желательно 0.5-0.7А"
Как зайти в скрытое меню VLCD5?
Зайти в скрытое меню: при включённом дисплее нажать одновременно и держать 3 секунды кнопку "i" и включения.
Далее 4 раза нажать кнопку "i" до перехода в меню.
Выбирать параметры кнопкой "i"
Значения параметров меняем кнопками "+" и "-".
Для других экранов способ входа может быть другим.
Видео о всех функциях меню (англ.) https://www.youtube.com/watch?v=RlMZTA36elQ
Как включить ассистента сопровождения?
В скрытом меню дойти до параметра 06.0 и выбрать "on". После активации зажать курок газа для сопровождения.
Как повысить лимит скорости?
В скрытом меню дойти до параметра d1 и выбрать нужный лимит от 14 до 45 км/ч.
Общая схема сборки
:
Видео сборки (кит.)
Видео замены обгонной муфты (англ.)
Мануалы
[/url]
Кастомные прошивки контроллеров
Ссылка на скачивание с GitHub: [b-b]TSDZ2 and KT LCD3 advanced features with Flexible OpenSource firmwares[/b-b]
Страница обсуждения сторонних прошивок на Endless Sphere: [b-b]Posts: 2083[/b-b]
TSDZ2 OSF for all displays, VLCD5-VLCD6-XH18, LCD3, 860C-850C-SW102.
Опыт прошивки с дисплеем VLCD5 от [user]brobro[/user] (+ режим walk-assist, + датчик t°, + 48В-->52В): [b-b]Электротранспорт.ру[/b-b]
TongSheng TSDZ2 what Firmware options are there?
Отзыв на прошивку TSDZ2-Smart-EBike-1: https://electrotransport.ru/index.php?msg=2300561
Ссылка на скачивание: https://github.com/emmebrusa/TSDZ2-Smart-EBike-1
Стоковые прошивки: https://app.box.com/s/6nkmazhq9k88m6d0sauthscymmh1co21
Сравнение TSDZ2 и BBS-02
Сравнение моторов от [user]franko[/user]. Части 1 и 2: [b-b]Электротранспорт.ру[/b-b]
Ещё одно видео сравнения: https://electrotransport.ru/index.php?msg=2277678
Сравнение расхода:
https://youtu.be/z5kKbTevIZ8
Сравнение TSDZ2B с TSDZ2
Сравнение TSDZ8 с бафангом
Экраны
Виды дисплеев на офсайте: Displays
Дополнительная информация по дисплеям: https://electrotransport.ru/index.php?msg=2205306 https://electrotransport.ru/index.php?msg=2211747
Недостатком большинства экранов является низкая информативность, по сравнению с экранами Bafang BBS*
VLCD5
Руководство для дисплея VLCD5 с кодами ошибок (англ.):
Скриншоты настроек экрана VLCD5








VLCD5G
VLCD6
VLCD7
VLCD9
VLCD10
VLCD11
VLCD12
VLCD13
VLED4
VLED9
XH18
Руководство для дисплея XH-18 (англ.):
850С
500C



Не смотря на скриншоты, мощность не отражает.
ПИНКОД ДЛЯ ВХОДА В РАСШИРЕННОЕ МЕНЮ - 1919.
https://aliexpress.ru/item/1005001793140237.html
600C
Ведущие звёзды
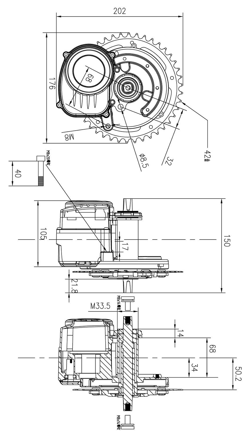
Tongsheng TSDZ2 имеет посадочное место под звезды стандарта BCD110.
Шатуны и уменьшение Q фактора
https://electrotransport.ru/index.php?msg=2171354
Купить шатуны для бафа: https://aliexpress.ru/item/32854731102.html
Или искать так: BAFANG Crank Arms
Про торк сенсор
Про поломки оси
Про Контроллер
Подключение ручки газа
Про оптимальные настройки потребляемого тока
Разблокированный лимит батарейного тока может быть установлен на 30А, что просто глупо... поскольку методом проб и ошибок, установлено что 18 А — ЭТО ЖЕСТКИЙ ПОТОЛОК ДЛЯ TONGSHENG TSDZ2!
Уже при 18А начнется сильный нагрев проводов и разъёмов, а конструктивно скудный теплоотвод нещадно кипятит мотор
Картинки


Внутрянка:








Внутреннее устройство и технические особенности
Различие версий
Про люфты каретки
    Кареточный узел Tongsheng в силу особенности конструктива изначально имеет люфт в продольной плоскости порядка 1-3мм, что озадачивает начинающих катальцев.
На образце из ЗИП  (мой ваще нулёвый движочек) люфт есть составляет примерно 0,25мм:

Еще бы! На новом моторе звезда люфтит и качается!!!
Не надо бояться и бежать на форум - этот люфт НОРМАЛЬНОЕ явление для TSDZ2 ; более того, иногда встречается "кривопосаженный" маховик (а потому и звезда может вилять выписывая "восьмерки"). Как следствие люфт кареточного узла приводит к небольшому "стесыванию" выступа на силуминовом корпусе мотора и задире пластиковой крышки:





Фривилы
Разборка мотора
Как установить Мотор на велосипеды с ножным тормозом(Coaster Brake)
TSDZ8
Фотки живого мотора от Татоса: https://electrotransport.ru/index.php?msg=2311308
TSDZ2B замена шестерён
Набор для повышения мощности двигателя путём дополнительного охлаждения
Отдельная благодарность коллегам [user]matrosd[/user], [user]franko[/user] и [user]viziri[/user], за подготовку материала для шапки! (Киньте им "+" в репутацию, кто сможет  :drink:)
Опыт долговременной эксплуатации
Наведение порядка - это лучший способ... борьбы с беспорядком. "Проблема это конкретно вы"@SkeptiK
ПРОЕКТ изменений ПДД СИМ (https://electrotransport.ru/index.php?action=downloads;sa=downfile&id=1035)

baddl

Неужели никто не сталкивался, или хотя бы не копал - кто изготовитель, какие отзывы?  :-(
Никому не интересно?

Best23

#2
Слабые слишком вот и не интересно, большинство местных предпочитают Бафанги от 500 ватт и выше, экстремалы Циклон от 1,6 квт... :-)  А какие преимущества у представленных вами моделей?
Кстати интересный движок нашёл и цена вкусная https://www.eltreco.ru/market/catalog/spares/item/11487/
1,5 квт, 3квт в пике за 22 т.р.

boo50

На V1 товарищ electronic выжимает кратковременно около 4кВт при 72В.
https://electrotransport.ru/index.php?topic=20485.2700
Мне сейчас едет под него АКБ 60В, с турбо-кнопкой будет как раз около 3кВт, и около 2кВт долговременно.
заряженный eltreco V1 (60V 32Ah Li-Po, 65км/ч)

baddl

Эта тема - про маломощные движки 250W.
Просьба киловаттники обсуждать в соответствующих темах.
Спасибо за понимание!

baddl

Что удалось найти:

Сайт производителя: http://www.tsbicycle.net

TSDZ-2 - стандартный кареточный мотор небольших размеров. Обещаются torque-сенсор и 2 вкусных дисплея (на выбор).
http://www.tsbicycle.net/products_detail/&productId=136.html

TSDZ-3 - кареточный мотор под специальную раму (типа бошевской). Тот же torque-сенсор и вкусный дисплей.
http://www.tsbicycle.net/products_detail/&productId=138.html

Там же на сайте можно посмотреть 2 варианта torque-сенсоров (один из них - вроде бы их собственная разработка, т.к. приложен патент).
Множество ручек с курками, кнопками и мини-дисплейчиками.

Оба мотора можно купить по ссылкам, указанным в первом сообщении.
Как покупать мелочёвку - пока непонятно...


daem0n

Цитата: baddl от 26 Май 2016 в 21:09
Сайт производителя: http://www.tsbicycle.net

Тоже искал. Кроме tsbicycle ещё один китаец считает себя производителем.
http://www.cnebikes.com

Цитата: baddl от 26 Май 2016 в 21:09
Как покупать мелочёвку - пока непонятно...

На днях появилась центральная шестерня в продаже.
http://www.pswpower.com/peng/iview.asp?KeyID=dtpic-2016-5N-QYNA.0A7HT

baddl

[user]daem0n[/user],
Первое впечатление по сайту - что это производитель-подрядчик для Бафанга и TSDZ-2/3.
Но после просмотра предложений, впечатление быстро проходит. И появляется уверенность, что это обычный продаван-коллектор-перекупщик  :kidding:

По центральной шестерне:
С одной стороны, это не аксессуар, а запчасть. И это хорошо, что она есть в продаже. Плохо, что нет аксессуаров (
С другой стороны - а почему в продаже именно она? Они настолько ненадёжны?

Пока вопросов больше, чем ответов.
Всерьёз задумываюсь о покупке.
Исключительно для "покопаться"  B-)

Uran

Для таких маломощных движков что-то вес слишком большой, получается что бафанг легче.

baddl

Вес TSDZ-2 по спецификации 3,4 кг.
Вес любого из Бафангов серии G31 на 250/350 Вт - 3,8 кг.

Получается, что немного легче.
И потом, 400г - разница не очень существенна. Это не пара килограммов ))

Uran

По самым первым верхним ссылкам вес указан в 5.5 кг., поэтому я и написал что много весят.
Ну а если же они на самом деле весят в районе 3.5 кг., то это вполне нормально для таких моторов.
Меня ещё очень интересует качество этих движков, а то в последнее время китайская продукция
стала совсем отвратительного каччества.

baddl

Пока не купим - не узнаем  :pardon:
Судя по тишине в теме, никто из форумчан их не эксплуатирует.

e-scooter

Скажу больше, не только в этой теме, но и на всем интернете проблематично найти про него какие то отзывы :-(
Хотя возможно моторчик интересен для легкого и бюджетного электрифицирования и неспешного педалирования.

daem0n

Почему же.
На сфере есть пара интересных отзывов, видео со сравнением шума с бафом, и фото в разобранном виде.

Вкратце - шумит сильнее, мотор маленький, но человек тем не менее оставил его на велосипеде несмотря на то, что у него есть и баф.

e-scooter

[user]daem0n[/user], обычно ссылкой подтверждают такой пост.

daem0n


e-scooter

Первая ссылка довольно информативная и будет полезна всем интересующимся этим моторчиком.
На первый взгляд моторчик неплох, торксенсор реально работает, шумит заметно сильнее бафанга. Тянет неплохо, люди не жалуются. Долго никто не испытывал, поэтому надежность пока под вопросом.
Во второй ссылке особо полезной информации нет, её я и раньше видел.
У нас пока желающих как то немного, несмотря на более низкую чем бафанг цену. Видимо люди хотят что то помощнее. Или еще дешевле :-)

baddl

Спасибо за ссылки! Очень информативно.
Судя по отзывам, мотор сильно шумит только у некоторых. Возможно, какие-то проблемы с соосностью - т.к. у них шум слышен и в пассивном режиме. Как я понял, у большинства в пассиве шума нет, а при работе - небольшой, аналогичный бафангу.

Кстати, по поводу видео со сравнением: если ему верить, то бафанг ВООБЩЕ не шумит при работе  :kidding: Что не является правдой.

Фото впечатлили - действительно, очень аккуратное изготовление. На велосипеде он смотрится отлично.

Спойлер
Что случилось с шрифтами? Сайт стал абсолютно нечитабельным  O_O